物业服务质量环境职业健康安全月工作检查表
- 格式:doc
- 大小:221.00 KB
- 文档页数:9
本文从网络收集而来,上传到平台为了帮到更多的人,如果您需要使用本文档,请点击下载,另外祝您生活愉快,工作顺利,万事如意!
每月工作环境检查表
表单编号:检查日期:年月日月别:月第一页(共二页)
项目项
次
检查内容
检查结果异常状况
说明
改善
对策
预计完
成日
复查
确认正常异常
环境卫生
管理1 道路是否畅通无阻
2 是否按规定着装
3 室内通风照明是否良好,设施
状况良是否良好
4 作业埸所有无闲杂物品
5 设备有无检查,有无污染
6 地面、沟道干凈度
7 区域电路、水路布置是否合理
环境监测1 有害作业区是否有定期监测
2 是否有定期对噪音源监测
3 生产、生活废水及废气是否有
定期监测或委外监测
审查:主管:检查人:
每月工作环境检查表
表单编号:JIS-003 检查日期:年月日月别:月第二页(共二页)
项目项
次
检查内容
检查结果异常状况
说明
改善
对策
预计完
成日
复查
确认正常异常
物品1 物料管理是否系统、规范
2 仓库通风是否良好
3 物品堆放是否符合要求
储存管理4 物料有无堆放区,整齐否
5 工具物品是否规范放置
6 易燃易爆品是规范放置
7 消防设备是否齐全、正常
废水废气排放1 生产、生活废水是否合格排放
2 设备运行是否正常
3 油污池是否有定期清理
废弃物管理1 废弃物是否定点分类堆放
2 废弃物是否定期清除
审查:主管:检查人:。
健康安全月度检查表
月度健康安全检查是确保工作场所安全和员工健康的重要措施。
以下是一个月度健康安全检查表,用于记录和跟踪健康安全方面的
重要信息。
检查日期:[填写检查日期]
工作场所环境检查
- [ ] 工作区域是否干净整洁?
- [ ] 地板是否清洁,没有滑倒或绊倒的危险?
- [ ] 通道和走廊是否畅通无阻?
- [ ] 照明是否良好,能满足工作需要?
- [ ] 紧急出口是否明确标记,并且易于访问?
- [ ] 灭火器和其他灭火设备是否存在且有效?
- [ ] 有无其他工作场所特定的环境风险,如化学品、噪音、尘
埃等?
个人防护检查
- [ ] 员工是否佩戴了必要的个人防护设备,如安全帽、护目镜、耳塞等?
- [ ] 个人防护设备是否在正常工作状态?
- [ ] 员工是否接受了个人防护设备的培训和使用指导?
健康状况检查
- [ ] 员工是否接受了健康状况评估?
- [ ] 有无员工生病或受伤的情况,是否记录并妥善处理?
- [ ] 是否有员工可能受到工作环境或任务的健康影响?
紧急应急预案检查
- [ ] 紧急应急预案是否制定并更新?
- [ ] 员工是否接受了紧急应急培训?
- [ ] 紧急应急设备是否齐全并易于访问?
员工反馈和建议
请员工提供健康安全方面的反馈和建议。
检查者签名:[填写检查者姓名]
总结
月度健康安全检查表是确保工作场所安全和员工健康的重要工具。
通过定期的检查和记录,可以及时发现和解决潜在的健康安全问题,提高工作场所的安全性和员工的健康保障。
注1:文献查阅含记录旳查阅。
注2:“检查成果记录”栏:符合○,轻微不符合△,严重不符合×(有不符合时要记录证据,并规定受审核部门当事人签名确认)。
注1:文献查阅含记录旳查阅。
注2:“检查成果记录”栏:符合○,轻微不符合△,严重不符合×(有不符合时要记录证据,并规定受审核部门当事人签名确认)。
注1:文献查阅含记录旳查阅。
注1:文献查阅含记录旳查阅。
注1:文献查阅含记录旳查阅。
注2:“检查成果记录”栏:符合○,轻微不符合△,严重不符合×(有不符合时要记录证据,并规定受审核部门当事人签名确认)。
注1:文献查阅含记录旳查阅。
注2:“检查成果记录”栏:符合○,轻微不符合△,严重不符合×(有不符合时要记录证据,并规定受审核部门当事人签名确认)。
注1:文献查阅含记录旳查阅。
注2:“检查成果记录”栏:符合○,轻微不符合△,严重不符合×(有不符合时要记录证据,并规定受审核部门当事人签名确认)。
注1:文献查阅含记录旳查阅。
注2:“检查成果记录”栏:符合○,轻微不符合△,严重不符合×(有不符合时要记录证据,并规定受审核部门当事人签名确认)。
注1:文献查阅含记录旳查阅。
注2:“检查成果记录”栏:符合○,轻微不符合△,严重不符合×(有不符合时要记录证据,并规定受审核部门当事人签名确认)。
注1:文献查阅含记录旳查阅。
注2:“检查成果记录”栏:符合○,轻微不符合△,严重不符合×(有不符合时要记录证据,并规定受审核部门当事人签名确认)。
注1:文献查阅含记录旳查阅。
注2:“检查成果记录”栏:符合○,轻微不符合△,严重不符合×(有不符合时要记录证据,并规定受审核部门当事人签名确认)。
注1:文献查阅含记录旳查阅。
注2:“检查成果记录”栏:符合○,轻微不符合△,严重不符合×(有不符合时要记录证据,并规定受审核部门当事人签名确认)。
注1:文献查阅含记录旳查阅。
XXXXXXXXXXXXXX有限公司质量、环境、职业健康安全一体化管理体系编号:XXXXXXXXXXXXXXXXXXXXXXXX有限公司质量、环境、职业健康安全一体化管理体系编号:XXXXXXXXXXXXXXXXXXXXXXXX有限公司质量、环境、职业健康安全一体化管理体系编号:XXXXXXXXXXXXXXXXXXXXXXXX有限公司质量、环境、职业健康安全一体化管理体系编号:XXXXXXXXXXXXXXXXXXXXXXXX有限公司质量、环境、职业健康安全一体化管理体系编号:XXXXXXXXXXXXXXXXXXXXXXXX有限公司质量、环境、职业健康安全一体化管理体系编号:XXXXXXXXXXXXXXXXXXXXXXXX有限公司质量、环境、职业健康安全一体化管理体系编号:XXXXXXXXXXXXXXXXXXXXXXXX有限公司质量、环境、职业健康安全一体化管理体系编号:XXXXXXXXXXXXXXXXXXXXXXXX有限公司质量、环境、职业健康安全一体化管理体系编号:XXXXXXXXXXXXXXXXXXXXXXXX有限公司质量、环境、职业健康安全一体化管理体系编号:XXXXXXXXXXXXXXXXXXXXXXXX有限公司质量、环境、职业健康安全一体化管理体系编号:XXXXXXXXXXXXXXXXXXXXXXXX有限公司质量、环境、职业健康安全一体化管理体系编号:XXXXXXXXXXXXXXXXXXXXXXXX有限公司质量、环境、职业健康安全一体化管理体系编号:XXXXXXXXXXXXXXXXXXXXXXXX有限公司质量、环境、职业健康安全一体化管理体系编号:XXXXXXXXXXXXXXXXXXXXXXXX有限公司质量、环境、职业健康安全一体化管理体系编号:XXXXXXXXXXXXXXXXXXXXXXXX有限公司质量、环境、职业健康安全一体化管理体系编号:XXXXXXXXXXXXXXXXXXXXXXXX有限公司质量、环境、职业健康安全一体化管理体系编号:XXXXXXXXXXXXXXXXXXXXXXXX有限公司质量、环境、职业健康安全一体化管理体系编号:XXXXXXXXXXXXXXXXXXXXXXXX有限公司质量、环境、职业健康安全一体化管理体系编号:XXXXXXXXXXXXXXXXXXXXXXXX有限公司质量、环境、职业健康安全一体化管理体系编号:XXXXXXXXXXXXXXXXXXXXXXXX有限公司质量、环境、职业健康安全一体化管理体系编号:XXXXXXXXXXXXXXXXXXXXXXXX有限公司质量、环境、职业健康安全一体化管理体系编号:XXXXXXXXXXXXXXXXXXXXXXXX有限公司质量、环境、职业健康安全一体化管理体系编号:XXXXXXXXXXXXXXXXXXXXXXXX有限公司质量、环境、职业健康安全一体化管理体系编号:XXXXXXXXXXXXXXXXXXXXXXXX有限公司质量、环境、职业健康安全一体化管理体系编号:XXXXXXXXXXXXXXXXXXXXXXXX有限公司质量、环境、职业健康安全一体化管理体系编号:XXXXXXXXXXXXXXXXXXXXXXXX有限公司质量、环境、职业健康安全一体化管理体系编号:XXXXXXXXXXXXXXXXXXXXXXXX有限公司质量、环境、职业健康安全一体化管理体系编号:XXXXXXXXXXXXXXXXXXXXXXXX有限公司质量、环境、职业健康安全一体化管理体系编号:XXXXXXXXXXXXXXXXXXXXXXXX有限公司质量、环境、职业健康安全一体化管理体系编号:XXXXXXXXXXXXXXXXXXXXXXXX有限公司质量、环境、职业健康安全一体化管理体系编号:XXXXXXXXXXXXXXXXXXXXXXXX有限公司质量、环境、职业健康安全一体化管理体系编号:XXXXXXXXXXXXXXXXXXXXXXXX有限公司质量、环境、职业健康安全一体化管理体系编号:XXXXXXXXXXXXXXXXXXXXXXXX有限公司质量、环境、职业健康安全一体化管理体系编号:XXXXXXXXXXXXXXXXXXXXXXXX有限公司质量、环境、职业健康安全一体化管理体系编号:XXXXXXXXXXXXXXXXXXXXXXXX有限公司质量、环境、职业健康安全一体化管理体系编号:XXXXXXXXXXXXXXXXXXXXXXXX有限公司质量、环境、职业健康安全一体化管理体系编号:XXXXXXXXXXXXXXXXXXXXXXXX有限公司质量、环境、职业健康安全一体化管理体系编号:XXXXXXXXXXXXXXXXXXXXXXXX有限公司质量、环境、职业健康安全一体化管理体系编号:XXXXXXXXXXXXXXXXXXXXXXXX有限公司质量、环境、职业健康安全一体化管理体系编号:XXXXXXXXXXXXXXXXXXXXXXXX有限公司质量、环境、职业健康安全一体化管理体系编号:XXXXXXXXXXXXXXXXXXXXXXXX有限公司质量、环境、职业健康安全一体化管理体系编号:XXXXXXXXXXXXXXXXXXXXXXXX有限公司质量、环境、职业健康安全一体化管理体系编号:XXXXXXXXXXXXXXXXXXXXXXXX有限公司质量、环境、职业健康安全一体化管理体系编号:XXXXXXXXXXXXXXXXXXXXXXXX有限公司质量、环境、职业健康安全一体化管理体系编号:XXXXXXXXXXXXXXXXXXXXXXXX有限公司质量、环境、职业健康安全一体化管理体系编号:XXXXXXXXXXXXXXXXXXXXXXXX有限公司质量、环境、职业健康安全一体化管理体系编号:XXXXXXXXXXXXXXXXXXXXXXXX有限公司质量、环境、职业健康安全一体化管理体系编号:XXXXXXXXXXXXXXXXXXXXXXXX有限公司质量、环境、职业健康安全一体化管理体系编号:XXXXXXXXXXXXXXXXXXXXXXXX有限公司质量、环境、职业健康安全一体化管理体系编号:XXXXXXXXXX。
物业服务质量检查表表格编号:【填写编号】检查人:【填写检查人】检查时间:【填写检查时间】被检单位:【填写被检单位】序号检查内容检查标准存在的问题整改措施检查人复核人1 物业设施运行情况物业设施正常运行,无故障设施故障、运行不正常及时维修设备故障、确保设施正常运行【填写检查人】【填写复核人】2 公共区域清洁情况公共区域无垃圾、无异味公共区域脏乱、有异味加强公共区域的清洁工作,及时清理垃圾并清除异味【填写检查人】【填写复核人】3 绿化及环境卫生绿化区域整洁,花草状况良好绿化区域杂草丛生,花草状况差加强对绿化区域的管理,及时修剪花草,清除杂草【填写检查人】【填写复核人】4 安全设施运行情况安全设施正常运行,无故障安全设施故障、运行不正常及时维修安全设施故障,确保设施运行正常【填写检查人】【填写复核人】5 客户投诉情况无客户投诉存在客户投诉对投诉问题进行调查处理,及时解决客户问题,防止投诉再次发生【填写检查人】【填写复核人】6 员工综合素质及服务态度员工服务态度良好、服务热情员工服务态度差、服务不周到加强员工培训,提高服务素质和态度,确保服务周到、贴心【填写检查人】【填写复核人】7 物业费缴纳情况业主缴纳物业费按时、足额存在业主拖欠物业费的情况加强与业主的沟通,催促业主按时缴纳物业费,确保物业的正常运营【填写检查人】【填写复核人】8 应急预案及演练物业公司有应急预案,并定期演练物业公司无应急预案或不定期演练完善应急预案,并定期组织演练,确保应急工作的有效运行【填写检查人】【填写复核人】9 文明服务宣传物业公司开展文明服务宣传工作物业公司未进行文明服务宣传加强文明服务宣传工作,提高业主对物业服务的满意度【填写检查人】【填写复核人】该物业服务质量检查表的目的在于对物业服务质量进行评估,并及时发现存在的问题,以便及时整改,提高物业服务质量,确保业主的生活质量和满意度。
在物业设施运行情况方面,要求物业设施正常运行,无故障,对于存在的设施故障或运行不正常的情况,需要及时维修设备故障,确保设施正常运行。
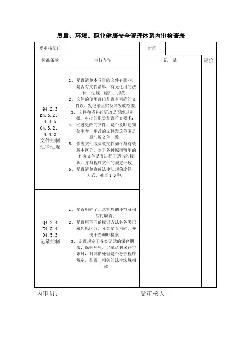
质量、环境、职业健康安全整合管理体系审核通用检查表(适合各部门)注1:文献查阅含记录旳查阅。
注2:“检查成果记录”栏:符合○,轻微不符合△,严重不符合×(有不符合时要记录证据,并规定受审核部门当事人签名确认)。
续表注1:文献查阅含记录旳查阅。
注2:“检查成果记录”栏:符合○,轻微不符合△,严重不符合×(有不符合时要记录证据,并规定受审核部门当事人签名确认)。
续表注1:文献查阅含记录旳查阅。
注2:“检查成果记录”栏:符合○,轻微不符合△,严重不符合×(有不符合时要记录证据,并规定受审核部门当事人签名确认)。
续表注1:文献查阅含记录旳查阅。
注2:“检查成果记录”栏:符合○,轻微不符合△,严重不符合×(有不符合时要记录证据,并规定受审核部门当事人签名确认)。
续表注1:文献查阅含记录旳查阅。
注2:“检查成果记录”栏:符合○,轻微不符合△,严重不符合×(有不符合时要记录证据,并规定受审核部门当事人签名确认)。
续表注1:文献查阅含记录旳查阅。
注2:“检查成果记录”栏:符合○,轻微不符合△,严重不符合×(有不符合时要记录证据,并规定受审核部门当事人签名确认)。
续表注1:文献查阅含记录旳查阅。
注2:“检查成果记录”栏:符合○,轻微不符合△,严重不符合×(有不符合时要记录证据,并规定受审核部门当事人签名确认)。
续表注1:文献查阅含记录旳查阅。
注2:“检查成果记录”栏:符合○,轻微不符合△,严重不符合×(有不符合时要记录证据,并规定受审核部门当事人签名确认)。
续表注1:文献查阅含记录旳查阅。
注2:“检查成果记录”栏:符合○,轻微不符合△,严重不符合×(有不符合时要记录证据,并规定受审核部门当事人签名确认)。
续表注1:文献查阅含记录旳查阅。
注2:“检查成果记录”栏:符合○,轻微不符合△,严重不符合×(有不符合时要记录证据,并规定受审核部门当事人签名确认)。