《电气控制及PLC》专业技能训练(PLC部分)带答案
- 格式:doc
- 大小:1.02 MB
- 文档页数:9
电气控制与PLC理论考试试卷整理(带答案)一、填空题(将正确答案填入下列空白处,每题1分,共10分)1、电磁机构由吸引线圈、、衔铁等几部分组成。
2、各种低压断路器在结构上都有主触头、灭弧装置、自由脱扣器和等部分组成。
3、交流接触器的触点系统分为主触头和,用来直接接通和分断交流主电路和控制电路。
4、热继电器是利用流过发热元件产生热量来使检测元件受热弯曲,进而推动机构动作的一种保护电器,主要被用作电动机的长期保护。
5、熔断器主要作为电路的保护元件。
6 、触头的接触形式有:、线接触、面接触。
7、电气控制系统中常用的保护环节有保护、过电流保护、过载保护、失电压保护、欠电压保护、过电压保护及弱磁保护等。
8、PLC的基本结构由CPU、、输入输出接口、电源、扩展接口、通信接口、编程工具、智能I/O接口、智能单元等组成。
9、PLC的软件由系统程序和两大部分组成。
10、PLC常用的编程语言有:、指令表、高级语言。
二、选择题(下列每题只有一个正确答案,将正确答案的代号填入括号内,每题2分,共20分)1、判断交流或直流接触器的依据是:()A、线圈电流的性质B、主触点电流的性质C、主触点的额定电流D、辅助触点的额定电流2、用于使自动空气开关远距离断开电路的是:()A、过电流脱扣器B、欠电压脱扣器C、分励脱扣器D、自由脱扣器3、电磁机构中,吸引线圈的作用是:()A、将电能转化成磁场能量B、将磁场能转化成电能4、熔断器作为短路保护的电器,它是()于被保护电路中的。
A、并接B、串接C、串接或并接都可以5、把线圈额定电压为220V的交流接触器线圈误接入380V的交流电源上会发生的问题是:()A、接触器正常工作B、接触器产生强烈震动C、烧毁线圈D、烧毁触点6、下述对PLC存储器描述错误的是:()A、存放输入信号B、存放用户程序C、存放数据D、存放系统程序7、分析电气原理图的基本原则是:()A、先分析交流通路B、先分析直流通路C、先分析主电路、后分析辅助电路D、先分析辅助电路、后分析主电路8、自动空气开关的电气符号是:()A、SBB、QFC、FRD、FU9、下列对PLC软继电器的描述,正确的是:()A、有无数对常开和常闭触点供编程时使用B、只有2对常开和常闭触点供编程时使用C、不同型号的PLC的情况可能不一样D、以上说法都不正确10、ST指令的作用是:()A、用于单个常开触点与母线连接B、用于单个常闭触点与上面的触点并联连接C、用于单个常闭触点与前面的触点串联连接D、用于单个常开触点与上面的触点并联连接四、问答题(每题10分,共30分)1、既然在电动机的主电路中装有熔断器,为什么还要装热继电器?装有热继电器是否就可以不装熔断器?为什么?2、写出下面梯形图的程序语句。
电气控制及PLC练习及答案一、名词解释:1、低压电器:是指在交流额定电压1200V,直流额定电压1500V及以下的电路中起通断、保护、控制或调节作用的电器。
2、熔断器:是一种简单的短路或严重过载保护电器,其主体是低熔点金属丝或金属薄片制成的熔体。
3、时间继电器:一种触头延时接通或断开的控制电器。
4、星形接法:(A)三个绕组,每一端接三相电压的一相,另一端接在一起。
5、三角形接法:(C)三个绕组首尾相连,在三个联接端分别接三相电压。
6、电磁结构电磁机构是电磁式电器的感测元件,它将电磁能转换为机械能,从而带动触头动作。
7、电弧电弧实际上是触头间气体在强电场作用下产生的放电现象8、接触器接触器是一种适用于在低压配电系统中远距离控制、频繁操作交、直流主电路及大容量控制电路的自动控制开关电器9、温度继电器利用过热元件间接地反映出绕组温度而动作的保护电器称为温度继电器。
10、电气控制系统电气控制系统是由电气控制元器件按一定要求连接而成11、变极调速:(A)异步电动机调速中,改变定子极对数的调速方法。
12、变频调速:(C)异步电动机调速中,改变电源频率的调速方法。
二、填空:1、常用的低压电器是指工作电压在交流(1200 )V以下、直流( 1500 )V以下的电器。
2、熔断器是由( 熔体和熔管 )两部分组成的。
3、多台电动机由一个熔断器保护时,熔体额定电流的计算公式为( I≥(1.5~2.5)INmax+∑IN ) 。
4、时间继电器是一种触头( )的控制电器。
延时接通或断开5、一般速度继电器的动作转速为( )r/min,复位转速为( )r/min。
120 1006、双速电动机的定子绕组在低速时是( )联结,高速时是( )联结。
三角形双星形7、通常电压继电器( )联在电路中,电流继电器( )联在电路中。
并 串8、在机床电气线路中异步电机常用的保护环节有( )、( )和( )。
短路 、 过载 、 零压和欠压9、电气原理图设计的基本方法有( )、( )两种。
《电气控制与PLC》课程习题集一、填空题11.电磁机构中,吸引线圈的作用是()。
2.用来分断或接通主电路的是交流接触器的()。
3.电磁机构由()、铁心、衔铁等几部分组成。
4.接触器用于远距离频繁地接通或断开交直流()及大容量控制电路的一种自动开关电器。
5.把线圈额定电压为220V的中间继电器线圈误接入380V的交流电源上会发生的问题是()。
6.交流接触器的触点系统分为()和辅助触点,用来直接接通和分断交流主电路和控制电路。
7.电气控制系统中常用的保护环节有()保护、过电流保护、过载保护、失电压保护、欠电压保护、过电压保护等。
8.当电动机容量较大,起动时产生较大的(),会引起电网电压下降,因此必须采用降压起动的方法。
9.电动机连续转动与点动控制区别的关键环节是()触头是否接入。
10. PLC采用()的工作方式。
11.通常把内部存储器又称为()。
12. PLC的运算和控制中心是()。
13.具有自己的CPU和系统的模块称为()。
14. S7-200系列PLC的串行通信口可以由用户程序来控制,这种由用户程序控制的通信方式称为()。
15. PLC运行时总是ON的特殊存储器位是()。
16.字移位指令的最大移位位数为()。
17.在第一个扫描周期接通可用于初始化子程序的特殊存储器位是()。
18.把一个实数转换为一个双字整数值的ROUND指令,它的小数部分采用()原则处理。
19.高速计数器HC的寻址格式是()。
20.子程序可以嵌套,嵌套深度最多为()层。
二、综合设计题21.画出三相笼型异步电动机单向反接制动的主电路及控制电路。
22.设计三相笼型异步电动机的正反转控制线路,要求有必要的保护环节(包括主回路和控制回路)。
23.两台电动机M1和M2,要求:(1)M1启动后,延时一段时间后M2再启动。
(2)M2启动后,M1立即停止。
根据以上要求,设计其电气控制线路(包括主电路和控制电路)。
24.画出一台电动机Y—△降压启动控制的电路图,要求有必要的保护环节(包括主回路和控制回路)。
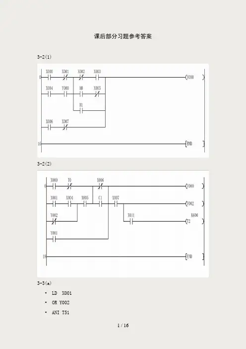
课后部分习题参考答案3-2(1)3-2(2)3-3(a)•LD X001•OR Y002•ANI T51•OUT Y002•ANI X001•OUT T51 K19•END3-3(b)因X503等触点一般不会出现,所以将梯形图改动:•LD X003•ANI M104•OUT M103•LD X003•OUT M104•LD M103•ANI Y031•LDI M103•AND Y031•ORB•OUT Y031•END3-3(C)•0 LD X001• 1 OR Y000• 2 ANI X002• 3 OR X003• 4 LDI T0• 5 AND M0• 6 LD Y001•7 ORI X004•8 ANI M1•9 AND X005•10 ORB•11 ANB•12 OR M2•13 OUT Y000•14 OUT Y001•15 END3-4.按下按钮X0后,Y0接通并保持,15s后Y0自动断开,试设计其梯形图程序。
3-5.按下按钮X1后,,Y0接通并保持,5s后Y1接通,按下按钮X0后,Y0、Y1同时断开,试设计其梯形图程序。
3-6.光电开关检测传送带上通过的产品数量,有产品通过时信号灯亮并计数;如果10s内没有产品通过则发出报警信号,报警信号只能手动解除,试设计其梯形图程序。
•解:•1、I/O分配•X20-起动按钮 Y20-产品通过指示灯•X21-光电开关 Y21-报警指示灯•X22-复位按钮•2、外部接线(略)•3、梯形图设计•方法1方法25-4设计一个三台电动机顺序自动启动,间隔时间为10s,逆序自动停车,间隔时间为5s的控制电路。
I/O分配•X20-------起动按钮•X21-------停止按钮•Y20—Y22----电动机1-35-5设计一个智力竞赛抢答控制装置,当出题人说出问题且按下开始按钮SB1后,在10s之内,4个参赛者只有最早按下抢答按钮的人抢答有效,抢答桌上的灯亮3s,赛场上的音响装置响2s,且使SB1复位(断开保持回路),使定时器复位。
电气控制及P L C习题及答案Document number:WTWYT-WYWY-BTGTT-YTTYU-2018GT习题及答案《电气控制及PLC应用》第一部分电气控制部分项目一电动机正反转控制线路1.电路中FU、KM、KA、FR和SB分别是什么电器元件的文字符号答:熔断器、接触器、继电器、热继电器、按钮2.鼠笼型异步电动机是如何改变旋转方向的答:改变电动机三相电源的相序即可改变电动机的旋转方向,而改变三相电源的相序只需任意调换电源的两根进线3.什么是互锁(联锁)什么是自锁试举例说明各自的作用。
答:自锁:典型的应用是用自己的常开触点与开启按钮并联,锁定回路。
即使开启按钮弹开了,由于有自锁触点的连接,仍可形成回路。
这种接法就叫做“自锁”。
互锁:典型的应用是将继电器A的常闭触点串联在其他回路当中,而其他回路中继电器B的常闭触电串联在继电器A的回路中。
当继电器A的线圈先得电时,它的常闭触电会断开继电器B的回路。
相反,如果继电器B的线圈先得电时,它的常闭触电会断开继电器A的回路。
这样互相牵制,起到一定的逻辑作用。
这种接法就叫“互锁”。
4.低压电器的电磁机构由哪几部分组成答:电磁系统主要由线圈、铁芯(静铁芯)和衔铁(动铁芯)3部分组成5.熔断器有哪几种类型试写出各种熔断器的型号。
熔断器在电路中的作用是什么答:熔断器按结构形式分为半封闭插入式、无填料封闭管式、有填料封闭管式、螺旋自复式熔断器等。
其中,有填料封闭管式熔断器又分为刀形触点熔断器、螺栓连接熔断器和圆筒形帽熔断器。
瓷插式RC螺旋式RL有填料式RT无填料密封式RM快速熔断器RS熔断器的作用:熔断器是在控制系统中主要用作短路保护的电器,使用时串联在被保护的电路中,当电路发生短路故障,通过熔断器的电流达到或超过某一规定值时,以其自身产生的热量使熔体熔断,从而自动分断电路,起到保护作用。
6.熔断器有哪些主要参数熔断器的额定电流与熔体的额定电流是不是一样(1)额定电压(2)额定电流(3)分断能力(4)时间—电流特性不一样,熔断器的额定电流与熔体的额定电流是两个不同的概念,通常一个额定电流等级的熔断器可以配用若干个额定电流等级的熔体,但熔体的额定电流不能大于熔断器的额定电流。
《电气控制及PLC》习题及答案
1.以下哪种控制器不属于PLC?
A.DC控制器
B.AC控制器
C.模拟控制器
D.程序控制器
答案:C.模拟控制器
2.PLC的实时性能指的是?
A.程序运行速度
B.输入/输出状态变化速度
C.存储容量
D.功耗
答案:B.输入/输出状态变化速度
3.在PLC中,控制器是指?
A.CPU
B.外设
C.控制逻辑
D.内存
答案:A.CPU
4.PLC所需的输入信号通过以下哪种元件实现?
A.定时器
B.模拟量转换器
C.继电器
D.数据采集器
答案:D.数据采集器
5.PLC的基本概念包括?
A.控制器
B.任务
C.信号
D.设备
答案:A.控制器B.任务C.信号
6.关于PLC的存储器,下列说法正确的是?
A.只能存储PLC控制程序
B.可以存储程序和变量
C.可以存储用户自定义的参数
D.可以存储不同类型的文件
答案:B.可以存储程序和变量C.可以存储用户自定义的参数
7.PLC控制系统的主要优点是?
A.安装方便
B.操作简单
C.可靠性高
D.功耗低
答案:A.安装方便B.操作简单C.可靠性高
8.在PLC中,以下哪种器件用来测量电压与电流?
A.开关
B.数字量传感器
C.模拟量传感器
D.继电器
答案:C.模拟量传感器。
电气控制与PLC技术习题参考答案
1.PLC是指什么?
A:PLC是指可编程控制器(Programmable Logic Controller),它是用于实现电气系统自动控制的微处理器。
2.如何编程PLC?
3.PLC的工作原理是什么?
A:PLC的工作原理是,它通过控制程序和传感器,收集外部信号,根据程序的要求以及它们之间的关系,实时地比较收集的信号,并判断出最终的控制结果。
然后,根据最终控制结果,PLC会通过控制装置发送控制信号。
4.PLC的应用领域有哪些?
A:PLC可用于控制各种工业设备,例如汽车、机床、医疗设备、半导体制造装置以及工厂自动化等。
5.PLC的机械元件有哪些?
A:PLC的机械元件主要包括外壳、操作控制器、显示屏、输入,输出模块、记忆器、CPU、模块等。
6.在PLC系统中,输入和输出有什么作用?
A:输入模块负责获取控制系统的外部信号,并将其转换成PLC可识别的电信号。
而输出模块则负责将PLC控制的结果以电信号的形式发送出去,控制外部的装置。
电气控制PLC模拟练习题(附答案)1、编码器除了可以测量角位移外,还可以测量_______A、电流B、直线位移C、频率D、转速答案:D2、电气图纸中,N表示______A、地线B、电源线C、无规定D、中性线答案:D3、下列描述不正确的是____A、电气原理图采用电气元件展开的形式绘制成的B、电气原理图是用来表明各电气设备的实际安装位置C、电气原理图是为了便于阅读和分析控制线路而绘制的D、电气原理图是表示电气控制线路工作原理的图形答案:B4、电气原理图是用国家规定的____表示系统或设备组成部分之间关系的一种电气控制系统简图A、文字B、标准符号和文字C、注释D、标注符号和注释答案:B5、____是各种PLC通用的一种图形编程语言,在形式上类似于继电器控制电路。
它直观、易懂,是目前应用最多的一种编程语言。
A、语句表B、梯形图C、功能表图D、流程图答案:B6、数控系统的干扰一般是指那些与信号无关的,在信号输入、传输和输出过程中出现的一些____的有害的电气瞬变现象。
A、不确定B、固定的C、确定D、可预见答案:A7、____是用来表明电气设备上所有电机电器的实际位置,为电气设备的制造、安装、维修提供资料的一种电气控制系统简图A、元件布置图B、功能图C、电气图D、接线图答案:A8、电压继电器作欠压保护时,其电压—般为额定电压的____ 倍时,电压继电器动作。
A、0.4-0.7B、1C、1.5D、.7答案:A9、对于电炉和照明等电阻性负载,熔断器可作为 ____保护。
A、欠压B、断路C、过载D、过载与短路答案:D10、下列说法正确的是_____A、凡是三相异步电动机都可采用Y/△降压起动B、凡是正常运行时定子绕组接成三角形的三相异步电动机都可采用Y/△降压起动C、任何电动机都可以采用Y/△的方式降压起动D、直流电动机可以采用Y/△的方式降压起动答案:B11、主轴准停控制的作用是将主轴准确停在_____上,以进行换刀等动作。
《电气控制与P L C》试题(一)一、填空题(每空1 分,共20分)1、常用的主令电器有__________和____________等。
2、交流接触器的灭弧一般采用___电动力吹弧___________、____栅片灭弧________和___磁吹灭弧___________等,直流接触器采用__________灭弧的方式。
3、三相笼型异步电动机常用的降压起动方法有_____反接制动_______、________________和___能耗制动____________等。
4、桥式起重机中实现电动机短路保护,通常采用______________。
5、为使变速时齿轮易于啮合,X62W铣床中设置了________________控制线路。
6、PLC是通过一种周期扫描工作方式来完成控制的,每个周期主要包括___________、_____________、____________三个阶段。
7、说明下列指令意义。
MC 主控指令 ORB RET LDMPS RST二、选择题(每题2 分,共20 分)1、由于电弧的存在,将导致_______。
A、电路的分断时间缩短;B、电路的分断时间加长;C、电路的分断时间不变;D、分断能力不变。
2、在控制线路中,如果两个动合触点串联,则它们是_________关系。
A、或逻辑;B、与逻辑;C、非逻辑;D、与非逻辑。
3、下列软元件中,属于字、位混合的元件是______。
A、X;B、M;C、T ;D、Y。
4、操作数K3Y0表示________。
A、Y0~Y12组成3个4位组;B、Y0~Y12组成4个3位组;C、Y0~Y13组成3个4位组;D、Y0~Y13组成4个3位组。
5、下列指令使用正确的是_____。
A、OUT X0;B、MC M100;C、SET Y0;D、OUT T06、下列电器中不能实现短路保护的是_________。
A.熔断器;B.过电流继电器;C.热继电器;D.低压断路器7、对于接触器触点过热原因不正确的说法是_______。
电气控制及PLC模拟试卷一、选择题(每题1分,共5分)1.PLC的全称是什么?A.可编程逻辑控制器B.可编程控制器C.可编程逻辑计算器D.可编程逻辑计算机2.下列哪种编程语言不属于PLC的编程语言?dderDiagram(梯形图)B.FunctionBlockDiagram(功能块图)C.C语言D.StructuredText(结构化文本)3.下列哪种设备不属于电气控制设备?A.继电器B.接触器C.传感器D.变频器4.下列哪种PLC输入模块类型用于模拟信号输入?A.数字输入模块B.模拟输入模块C.数字输出模块D.模拟输出模块5.下列哪种编程语言在PLC中应用最广泛?dderDiagram(梯形图)B.FunctionBlockDiagram(功能块图)C.StructuredText(结构化文本)D.SequentialFunctionChart(顺序功能图)二、判断题(每题1分,共5分)1.PLC是一种通用的工业控制计算机。
()2.继电器在PLC控制系统中主要用于实现逻辑控制功能。
()3.电气控制及PLC技术只能应用于工业生产领域。
()4.在PLC控制系统中,输入模块和输出模块可以互换使用。
()5.PLC编程语言中,LadderDiagram(梯形图)是最直观、最容易理解的编程语言。
()三、填空题(每题1分,共5分)1.PLC的英文全称是______。
2.在PLC控制系统中,______用于实现逻辑控制功能。
3.PLC的编程语言包括LadderDiagram(梯形图)、FunctionBlockDiagram(功能块图)、StructuredText(结构化文本)和______。
4.PLC的输入模块和输出模块分别用于接收和输出______信号。
5.在PLC控制系统中,______用于实现电气控制设备的启停、正反转等控制功能。
四、简答题(每题2分,共10分)1.简述PLC的工作原理。
2.请列举三种常用的PLC编程语言。
电气控制PLC题库(附参考答案)一、单选题(共60题,每题1分,共60分)1.符号KT表示A、电流继电器B、电压继电器C、时间继电器D、中间继电器正确答案:C2.FANUC 0i系统中JD1A接口表示______A、电池B、报警灯C、编码器接口D、I/O LINK接口正确答案:D3.直接启动用的闸刀开关的额定容量不小于电动机额定电流的____。
A、3B、5C、15D、10正确答案:A4.FANUC 0i数控装置由_____和I/O两个模块组成。
A、控制软件B、管理软件C、主板D、加工软件正确答案:C5.某装有自动空气开关的低压供电支路突然停电,当电源恢复时,该支路仍无电压输出,其原因是_____A、过载B、断路C、自动开关装有失压脱扣器而跳闸D、熔断器熔断正确答案:C6.电压继电器作欠压保护时,其电压—般为额定电压的____ 倍时,电压继电器动作。
A、7B、0.4-0.7C、1D、1.5正确答案:B7.低压电器按其在电气控制中的作用可以分为____A、控制类和保护类B、自动切换电器和非自动切换电器C、低压配电电器和低压控制电器D、手动和自动正确答案:A8.电磁调速异步电动机的基本结构形式分为______两大类。
A、组合式和整体式B、组合式和分立式C、整体式和分立式D、整体式和独立式正确答案:A9.数控装置的_____包括输入、I/O处理、显示、诊断等。
A、管理软件B、编程软件C、控制软件D、加工软件正确答案:A10.用两只交流接触器控制电动机的正反转控制电路,为防止电源短路,必须实现____控制A、时间B、自锁D、互锁正确答案:D11.数控机床主轴用三相交流电动机驱动时采取____方式最佳。
A、变级和调压B、调频C、调频和调压D、调频和变级正确答案:C12.HH4-15/2型号的刀开关,其中数字“15”是表示——。
A、设计序号B、额定电流C、极数D、额定电压正确答案:B13.下列对步进电动机各项性能描述中错误的有____A、步进电动机的工作频率是指步进电动机起动后,能不失步工作的最大频率B、步进电机能带动的最大转矩比最大静转矩小C、步进电动机的最大静转矩与电流的平方成正比D、步进电动机的的启动频率是指在一定的负载下不失步工作的最大频率正确答案:C14.下列哪个不属于保护类电器______A、熔断器B、按钮开关C、热继电器D、过电流继电器正确答案:B15.异步电动机的全压直接启动时,启动电流可达到额定电流的______倍。
《电气控制及PLC 》专业技能训练题(答案) 有答案哦PLC 控制一、写出下图所示梯形图的语句表程序。
(b )(a) LD A =LD = LPP O LD A A LPS = OLD A(b) LD A LPPAN OLD A LD LPS = A A A O = =二、 使用置位指令复位指令,编写两套程序,控制要求如下:(1)起动时,电动机M1先起动才能起动电动机M2,停止时,电动机M1、M2同时停止。
(2)起动时,电动机M1,M2同时起动,停止时,只有在电动机M2停止时,电动机M1才能停止。
I0.1( )Q0.1I0.2Q0.1( )Q0.2I0.0Q0.12( R )I0.0Q0.12( S )I0.2Q0.2( R )1I0.1Q0.2( R )Q0.11(1)(2)三、 画出的波形图。
(程序实现二分频)I0.0Q0.0四、设计满足下图所示时序图的梯形图。
( )( )I0.0T37Q0.0Q0.0Q0.0T37IN PT TONT37I0.1Q0.1Q0.140( )Q0.0I0.0Q0.0Q0.1( )Q0.1I0.1Q0.1T37题5—2T37IN TON PT70Q0.1I0.1五、 按钮按下后,变为1状态并自保持,输入3个脉冲后,(用C1计数),T37. ...7s.. .. 4s开始定时,5S 后,变为0状态,同时C1被复位,在可编程控制器刚开始执行用户程序时,C1也被复位,设计出梯形图。
六、使用顺序控制结构,编写出实现红、绿信号灯循环显示程序(要求循环间隔时间为2S),并画出该程序设计的功能流程图。
(教材P142图5-31)七、设计周期为5S ,占空比为20%的方波输出信号程序。
Network 1LD AN T38 TON T37, 40 Network 2 LD T37 TON T38, 10=八、设计起动、停止和保持电路。
要求:(1)画出PLC 外部接线图;(2)写出梯形图语句。
参考答案一.填空题1.接触器是一种典型的电磁式电器,电磁式电器由三部分组成电磁系统、触头系统和灭弧装置。
2.根据图式填空(a)时间继电器的线圈一般符号e 是延时断开常闭触点f 是延时断开常开触点h 是瞬动触点3.电动机的正反转控制电路的互锁环节,为方便和安全兼顾,常使用复合按钮实现正反转的切换,安全的电气互锁则是串联对方常闭触点实现。
4.常见的减压起动控制电路有ㄚ-△减压起动;和定子绕组串接电阻减压起动。
3.自耦变压器减压起动;4.延边三角形减压起动。
5.PLC的编程语言有梯形图语言、指令表语言、状态转移图语言。
6.S7-200系列PLC的数据存储区分两大部分,是数据目标与数据存储。
7.S7-200型PLC的定时器包括TON 、TOF 、TONR 三种类型。
8. S7-200系列PLC的Q0.0 与Q0.1 两个输出端子,除正常使用外,还可利用PLC的高速输出功能产生PTO与PWM输出。
9. 定时器预设值PT采用的寻址方式为字寻址10. 在PLC运行的第一个扫描周期为ON的特殊存储器位是SM0.1 。
11.定时器的两个变量是当前值和位值。
12.PLC中输入接口电路的类型有直流和交流两种。
13. 正跳变指令的梯形图格式为。
14. 字节寻址的格式由存储器标识符、数据大小、起始字节地址组成。
15. 位寻址的格式由存储器标识符、字节地址、分隔符及位号四部分组成。
16. 顺序控制继电器指令包括SCR 、SCRT 和SCRE 三个指令。
17. PLC运行时总是ON的特殊存储器位是SM0.0 。
二.选择题1.下列那项属于双字寻址(D )。
A.QW1 B.V10 C.IB0 D.MD282. SM是哪个存储器的标识符。
(D )A.高速计数器B.累加器C.内部辅助寄存器D.特殊辅助寄存器3. 在PLC运行时,总为ON的特殊存储器位是(C )A SM1.0B SM0.1C SM0.0D SM1.14.定时器预设值PT采用的寻址方式为(B )A.位寻址B.字寻址C.字节寻址D.双字寻址5. 世界上第一台PLC生产于(C)A.1968年德国B.1967年日本C.1969年美国D.1970年法国6. 下列那项属于字节寻址(A )。
电气控制PLC练习题+答案1、传统的继电接触器控制装置体积大、动作速度较慢、耗电较多、功能少,目前大都用____取代。
A、通用计算机B、可编程序控制器C、微机D、数控装置答案:B2、位置检测装置按检测量的测量基准,可分为____和增量式测量。
A、直线式B、绝对式C、回转型D、直接测量答案:B3、能够实现电机连续运转的条件是____A、连锁B、自锁C、不确定D、互锁答案:B4、胶盖瓷底开关可作为____KW及以下的电动机操作开关。
A、3B、4C、7.5D、5答案:A5、____型号的开关可作为4KW三相鼠笼电动机直接起动的开关。
A、CJ020B、DZ150C、HH3-30/3D、HH3--60/3答案:C6、接触器主触点的额定电压应______负载的额定电压。
A、小于B、等于C、大于或等于D、3倍答案:C7、某装有自动空气开关的低压供电支路突然停电,当电源恢复时,该支路仍无电压输出,其原因是_____A、自动开关装有失压脱扣器而跳闸B、熔断器熔断C、过载D、断路答案:A8、数控机床进给控制的交流伺服电动机结构是____。
A、转子、定子都装有永磁体和绕组B、定子装有永磁体,转子是绕组C、转子、定子都是绕组D、转子装有永磁体,定子是绕组答案:D9、位置检测装置能检测的最小位置变化量称作分辨率。
位置检测装置的分辨率应适当____机床加工精度。
A、低于或等于B、高于C、低于D、等于答案:B10、数控系统除了位置控制功能外,还需要主轴起/停、换刀、冷却液开/停等辅助控制功能。
这部分功能一般由____实现。
A、输入/输出装置B、可编程序逻辑控制器PLCC、数控装置D、伺服驱动答案:B11、变频器与电动机之间一般____接入接触器。
A、允许B、未知C、不限D、不允许答案:D12、急停按钮必须用______。
A、红色按钮B、黄色按钮C、绿色按钮D、红色蘑菇头按钮答案:D13、基频以下调速属于____A、恒功率调速B、恒转速调速C、弱磁调速D、恒转矩调速答案:D14、数控系统除了位置控制功能外,还需要主轴起/停、换刀、冷却液开/停等辅助控制功能。
电气控制及PLC技术习题答案第一章参考答案1.什么是低压电器?低压电器是怎样分类的?请问:(1)低压电器通常就是指工作在交流50hz(60hz)、额定电压大于1200v和直流额定电压大于1500v的电路中,起至通断、维护、掌控或调节作用的电器。
(2)低压电器的分类方法很多,按照相同的分类方式存有相同的类型,主要存有按照用途分类、按照工作条件分类、按照操作方法分类和按照工作原理分类等分类方法。
2.什么是额定电流?什么是约定发热电流?两者有什么区别?答:(1)额定工作电流:在规定的条件下,确保电器正常工作的电流。
(2)签订合同咳嗽电流:在规定的条件下实验,电器在8小时工作制下,各部件的温升不少于音速数值时所贯穿的最小电流。
额定电流通常是持续工作的条件下,而约定发热电流是在8小时工作制下,后者大于前者。
3.我国的低压电器经历了哪几代?请问:我国的低压电器产品大致可分为如下四代。
第一代产品:20世纪60年代至70年代初;第二代产品:20世纪70年代末至80年代;第三代产品:20世纪90年代;第四代产品:20世纪90年代末至今。
4.低压电器的发展趋势就是什么?请问:(1)智能化(2)电子化(3)产品的模块化和组合化(4)产品的质量和可靠性明显提高5.防止触电有哪些措施?答:(1)避免碰触磁铁部件常见的安全措施有绝缘、屏护和安全间距。
(2)避免电气设备漏电伤人(3)使用安全电压(4)采用漏电保护装置(5)合理采用防水用具(6)强化安全用电管理6.接地有哪些种类?保护接地有哪些形式?答:按照中剧的目的可以将中剧分成如下几类:①工作中剧。
②保护接地,也称安全接地。
③过电压保护接地。
④防静电接地。
7.维护中剧必须特别注意哪些问题?工作中剧必须特别注意哪些问题?请问:保护接地要注意的问题:①电气设备都理应专门的维护导线接线端子(维护接线端子),用‘’符号标记,也需用黄绿色标记。
不容许用螺丝在外壳、底盘等替代维护中剧端子。
《电气控制及PLC 》专业技能训练题(答案)PLC 控制一、写出下图所示梯形图的语句表程序。
(b )(a) LD I0.1 A I0.5 = Q0.2LD I0.2 = Q0.1 LPP O I0.3 LD I1.0 A I1.2 A I0.4 LPS = Q0.3 OLD A I1.1(b) LD I0.0 A I0.5 LPPAN I0.1 OLD A I0.7 LD I0.2 LPS = Q0.2 A I0.3 A I0.6 A I1.1 O I0.4 = Q0.1 =Q0.3二、 使用置位指令复位指令,编写两套程序,控制要求如下:(1)起动时,电动机M1先起动才能起动电动机M2,停止时,电动机M1、M2同时停止。
(2)起动时,电动机M1,M2同时起动,停止时,只有在电动机M2停止时,电动机M1才能停止。
I0.1( )Q0.1I0.2Q0.1( )Q0.2I0.0Q0.12( R )I0.0Q0.12( S )I0.2Q0.2( R )1I0.1Q0.2( R )Q0.11(1)(2)三、 画出Q0.0的波形图。
(程序实现二分频)I0.0Q0.0四、设计满足下图所示时序图的梯形图。
( )( )I0.0T37Q0.0Q0.0Q0.0T37T37I0.1Q0.1Q0.1( )Q0.0I0.0Q0.0Q0.1( )Q0.1I0.1Q0.1T37题5—2T37Q0.1I0.1五、按钮I0.0按下后,Q0.0变为1状态并自保持,I0.1输入3个脉冲后,(用C1计数),T37开始定时,5S 后,Q0.0变为0状态,同时C1被复位,在可编程I0.0 ..I0.1控制器刚开始执行用户程序时,C1也被复位,设计出梯形图。
六、使用顺序控制结构,编写出实现红、绿信号灯循环显示程序(要求循环间隔时间为2S),并画出该程序设计的功能流程图。
(教材P142图5-31)七、设计周期为5S ,占空比为20%的方波输出信号程序。
Network 1LD I0.0AN T38TON T37, 40Network 2LD T37TON T38, 10= Q0.0八、设计起动、停止和保持电路。
要求:(1)画出PLC外部接线图;(2)写出梯形图语句。
九、一台三相异步电动机采用可编程控制器(S7—200CPU224)实现正反转控制。
要求:(1)画出PLC的外部接线图;(2)编写梯形图程序(或语句表)。
正转反转停止( ) I0.0I0.2I0.1Q0.1Q0.0 Q0.0( ) I0.1I0.2I0.0Q0.0Q0.1 Q0.1十、四组智力抢答器。
控制要求如下:Network 1 // Network Title// 首次扫描时将位存储区M0.1---M0.4复位LD SM0.1R M0.1, 4Network 2// 第一组抢答时M0.1接通LD I0.1O M0.1AN M0.2AN M0.3AN M0.4AN I0.0= M0.1Network 3// 第二组抢答时M0.2接通LD I0.2O M0.2AN M0.1AN M0.3AN M0.4AN I0.0= M0.2Network 4// 第三组抢答时M0.3接通LD I0.3O M0.3AN M0.1AN M0.2AN M0.4AN I0.0= M0.3Network 5// 第四组抢答时M0.4接通LD I0.4O M0.4AN M0.1AN M0.2AN M0.3AN I0.0= M0.4 Network 6// 有抢答按钮被按下时蜂鸣器响2秒LD M0.1O M0.2O M0.3O M0.4LPSAN T37= Q1.0LPPTON T37, 20Network 7 // Network Title// 若第一组抢答按钮被按下则SEG指令将十六进制数1输出,数码管b段和c段被点亮显示1LD M0.1SEG 16#1, QB0Network 8 // Network Title// 若第二组抢答按钮被按下则SEG指令将十六进制数2输出,数码管a段、b段、d段、e段和g段被点亮显示2 LD M0.2SEG 16#02, QB0Network 9 // Network Title// 若第三组抢答按钮被按下则SEG指令将十六进制数3输出,数码管a段、b段、c段、d段和g段被点亮显示3 LD M0.3SEG 16#03, QB0Network 10 // Network Title// 若第四组抢答按钮被按下则SEG指令将十六进制数4输出,数码管b段、c段、f段和g段被点亮显示4LD M0.4SEG 16#04, QB0Network 11// 按下复位按钮后将输出寄存器清零LD I0.0MOVB 16#0, QB0( )( )( )Q0.1Q0.2Q0.3I0.1Q0.1I0.0Q0.2Q0.3I0.2I0.0Q0.1Q0.3Q0.2I0.3I0.0Q0.1Q0.2Q0.3( )Q0.4I0.5T37Q0.1Q0.2Q0.3T37I0.5十一、运用算术运算指令完成下列算式的运算。
P143第6题1、[(100+200)×10]/3;2、6的7.8次方;3、sin650的函数值。
1、LD I0.1 MOVW +100, VW0 +I +200, VW0 MOVW VW0, VW2 *I +10, VW2 MOVW VW2, VW4 /I +3, VW4 2、LD I0.1 LN 6.0, VD10 MOVR VD10, VD14 *R 7.8, VD14 EXP VD14, VD18 3、LD I0.1 MOVR 3.14159, VD0 /R 180.0, VD0 MOVR 65.0, VD4 *R VD0, VD4 SIN VD4, VD8 十二、用逻辑操作指令编写一段数据处理程序,将累加器AC0与VW100存储单元数据进行逻辑与操作,并将运算结果存入累加器AC0。
LD I0.2ANDW VW100, AC0十三、编写一段程序,将VB100开始的50个字的数据传送到VB1000开始的存储区。
LD I0.2BMB VB100, VB1000, 100十四、单按钮单路输出控制要求:一个按钮控制一盏灯,实现奇数次亮,偶数次灭。
Network 1 // 网络标题 // 网络注释 LD I0.1 EU LD SM0.1 CTU C0, 30000 Network 2 LD I0.1 MOVW C0, VW100 AENO MOVW VW100, VW22 DIV 2, VD20 Network 3LDW= VW20, 1 = M0.0 Network 4 LD M0.0 = Q0.0十五、用数据类型转换指令实现100英寸转换成厘米。
LD I0.1ITD 100, VD0DTR VD0, VD4MOVR VD4, VD8*R 2.54, VD8ROUND VD8, VD12十六、单按钮双路单双通控制。
要求:使用一个按钮控制两盏灯,第一次按下时第一盏灯亮,第二盏灯灭;第二次按下时第一盏灯灭,第二盏灯亮;第三次按下时两盏灯都亮;第四次按下时两盏灯都灭。
按钮信号I0.0,第一盏灯信号Q0.0,第二盏灯信号Q0.1。
Network 1 // 网络标题// 网络注释LD I0.1EULD C0O SM0.1CTU C0, 5Network 2LDW= C0, 1= M0.1 Network 3LDW= C0, 2= M0.2Network 4LDW= C0, 3= M0.3Network 5LDW= C0, 4= M0.4Network 6LD M0.1O M0.3AN M0.2AN M0.4= Q0.0Network 7LD M0.2O M0.3AN M0.1AN M0.4= Q0.1十七、编程实现增减计数输出,从0~F变化(输出数码管显示)。
Network 1 // 网络标题// 网络注释LD SM0.1MOVB 5, VB100 Network 2LD I0.0EUINCB VB100 Network 3LD I0.1EUDECB VB100 Network 4 LDB< VB100, 0 OB> VB100, 16#f MOVB 0, VB100 Network 5LD I0.0EULD I0.1EUOLDSEG VB100, QB0 Network 6十八、编程实现彩灯的循环显示Network 1 // Network Title // Network CommentLD SM0.1MOVB 16#1, QB0 Network 2LD I0.0AN T37TON T37, 20 Network 3 LD T37A I0.1 RLB QB0, 1 Network 4LD T37 AN I0.1 RRB QB0, 1十九、编程实现QB0按二进制递增输出0至255之间的数据Network 1 // 网络标题// 网络注释LD I0.0O SM0.1 MOVB 0, QB0 Network 2LD SM0.5 EUINCB QB0二十、霓虹灯控制:有8盏指示灯,L1~L9 编程实现先从中间L4,L5开始点亮,然后每隔一秒依次向两边扩散点亮直至所有的灯都点亮,之后再从L1,L9开始熄灭,并每隔一秒向内扩散熄灭直至全部熄灭,然后再以相同的方式循环点亮、熄灭。
Network 1 // 网络标题// 网络注释LD I0.0EUMOVB 2#11000, QB0 S S0.7, 1 Network 2LSCR S0.7Network 3LD SM0.0MOVB 0, QB0 Network 4LD SM0.0TON T44, 2 Network 5LD T44SCRT S0.0Network 6SCRENetwork 7LSCR S0.0Network 8LD SM0.0MOVB 2#11000, QB0 Network 9LD SM0.0TON T37, 2 Network 10LD T37SCRT S0.1Network 11SCRENetwork 12LSCR S0.1Network 13 LD SM0.0MOVB 2#111100,QB0Network 14LD SM0.0TON T38, 2Network 15LD T38SCRT S0.2Network 16SCRENetwork 17LSCR S0.2Network 18LD SM0.0MOVB 2#1111110,QB0Network 19LD SM0.0TON T39, 2Network 20LD T39SCRT S0.3Network 21SCRENetwork 22LSCR S0.3Network 23LD SM0.0MOVB 2#11111111,QB0Network 24LD SM0.0TON T40, 2Network 25LD T40SCRT S0.4Network 26SCRENetwork 27LSCR S0.4Network 28LD SM0.0MOVB 2#1111110,QB0Network 29LD SM0.0TON T41, 2Network 30LD T41SCRT S0.5Network 31SCRENetwork 32LSCR S0.5Network 33LD SM0.0MOVB 2#111100,QB0Network 34LD SM0.0TON T42, 2Network 35LD T42SCRT S0.6Network 36SCRENetwork 37LSCR S0.6Network 38LD SM0.0MOVB 2#11000, QB0 Network 39 LD SM0.0TON T43, 2Network 40LD T43SCRT S0.7。