转动小滑板车锥教案
- 格式:doc
- 大小:7.61 MB
- 文档页数:9
转动小滑板法车外圆锥《转动小滑板法车外圆锥》一、教材分析1、教材分析及处理《机械加工技术》以技能训练为主,着重提高学生的操作技能。
在加工锥体的诸多方法中,转动小滑板法应用最为广泛,是本次课的重点和难点。
所以在处理这部分内容时,我制作了课件动画及视频来帮助学生理解,将抽象问题具体化,启发学生发现问题,自主探究得出结论,以此激发学生的求知欲。
2、本次课的重点和难点(1)重点:圆锥小端直径、圆锥半角的计算;转动小滑板车圆锥的方法和步骤。
(2)难点:车削圆锥时小滑板转动角度的控制。
3、教学目标(1)能力目标:会用转动小滑板法车圆锥(2)知识目标:掌握圆锥小端直径、小滑板转动角度的计算掌握转动小滑板车圆锥的方法和步骤。
(3)情感目标:自主学习、协作学习能力。
分析归纳总结知识的能力和解决问题的能力。
二、学情分析:1、授课对象:我校机械加工专业的学生。
2、学生特点:文化基础普遍较差,学习自主性较弱;但活泼好动,喜欢动手,对新事物有探索的热情。
3、学生基础:已掌握了车削台阶轴的相关知识、方法和技能。
三、教法、学法设计:1、教法:行动引导教学法。
即以学生上一任务加工的产品创设情景,在学生已有知识和技能的基础上,启发诱导,激发学习兴趣和求知欲。
2、学法:自主探究学习法。
即通过观察课件动画,问题思考,进行探究性学习,自主分析得出结论,培养学生观察、比较、归纳总结的能力。
四、教学设计:(一)、复习回顾:知识、技能回顾:①刀具、工件的装夹及注意事项。
②车削阶台轴的方法、步骤及注意事项。
③倒角的方法。
(二)、课题引入:前面我们给台阶轴倒角时,采用将方刀架转动45o角的方法,这给我们即将学习锥体加工带来什么启示?(三)、新授内容:1、锥体的特点及应用2、锥度的概念:。
)锥形主轴c)带锥孔的齿轮d)锥形手柄常见的带有圆锥面的工件再播放前顶尖和麻花钻装夹和卸下的视频(图个特点。
自然引到圆锥的分类、圆锥的基本参数和尺寸计算以及车削圆锥的方法。
)主轴锥孔与前顶尖锥柄的配合b)尾座锥孔与麻花钻锥柄的配合图9-2 车床上的圆锥面配合b)用中滑板调整背吃刀量a)移动床鞍调整背吃刀量a用圆柱量针测量外圆锥的最小圆锥直径3-圆柱量针b)车刀低于工件回转中心c)车刀高于工件回转中心a)计算法控制圆锥孔尺寸b)移动床鞍法控制圆锥孔尺寸c、d)移动床鞍法控制圆锥孔尺寸.粗车时,切削速应比车外圆锥面时低10%~20%;精车时,采用低速车削b)车内圆锥面注意事项:为保证内、外锥面的良好帖合,车削内、外圆锥配合件b)铰锥孔a)钻孔b)扩孔钻扩孔c)铰锥孔当内圆锥的直径和锥度较大,且有较高的位置精度要求时,可以先钻孔,然后粗车成锥孔,再用锥形精铰刀铰削,如图a、b、c所示a)钻孔b)车锥孔c)铰锥孔铰削内圆锥面时,参加切削的切削刃比较长,切削面积大,排屑较困难,所以切削用量应选择得小些切削速度vc ――一般选5m/min以下,进给应均匀量f――进给量大小根据锥度大小选取,锥度大时进给量小些,反之锥度小则可取大些。
铰削锥角~0.3mm/r;铸铁件进给量一般选b)有两条刻线的圆锥塞b)锥孔尺寸大c)锥孔尺寸小4.用宽刃刀法车削1)装刀不正确2)切削刃不直3)刃倾角λs≠0°1)调整切削刃的角度和对准工件轴线2)修磨切削刃,保证其直线度3)重磨刃倾角,使λs=0°5.铰内圆锥1)铰刀的角度不正确2)铰刀的轴线与主轴轴线不重合1)更换、修磨铰刀2)用百分表和试棒,调整尾座套筒轴线与主轴轴线重合最大和最小圆锥直径不正确1.未经常测量最大和最小圆锥直径2.未控制车刀的背吃刀量1.经常测量最大和最小圆锥直径2.及时测量,用计算法或移动床鞍法控制背吃刀量ap双曲线误差车刀刀尖未严格对准工件轴线车刀刀尖必须严格对准工件轴线表面粗糙度达不到要求1.与“车轴类工件时,表面粗糙度达不到要求的原因”相同2.小滑板镶条间隙不当3.未留足精车或精铰削余量4.手动进给忽快忽慢1.与“车轴类工件时,表面粗糙度达不到要求的预防措施”相同2.调整小滑板镶条间隙3.要留有适当的精车或精铰削余量4.手动进给要均匀,快慢一致b)内圆锥。
(3)圆锥角α
(4)圆锥半角2α
(5)圆锥长度L
(6)斜度C =D-d
观察上图小滑板的转动角度,试想下该遵循什么样的原则?这部分知识相对简单,请成绩中等的学生回答。
通过静止的画面让学生自己分析转动过程,有必要的话重新放一遍视频
用扳手将小滑板下面的转盘螺母松开,把转盘转至需要的圆锥半角 /2,当刻度与基准零线对齐后将转盘螺母
1.要消除中滑
板间隙。
2.扳紧固螺钉
时小心打滑伤手。
把紧固的螺母稍松一些,用左手拇指紧贴小滑板转盘
(二)外圆锥面的检验1)用游标万能角度尺测量
检验方法:A
线相隔
上三条显示剂。
板书设计
圆锥组成部分及计算
(1)大端直径D
(2)小端直径d
10。
转动小滑板法车圆锥说课稿各位亲爱的同学们,大家好!今天咱们要聊的这个话题可有意思了!我跟你们说,今天我们要讲的就是“转动小滑板法车圆锥”,听着是不是有点拗口?别担心,接下来我会一步一步带着大家弄明白这个问题,保证你们听了之后,心里就像打了个大大的问号变成了一个大大的“哦”!放心,今天咱们不搞复杂的公式,也不做什么高深的计算,咱们就像聊家常一样,轻松愉快地聊一聊。
好啦,首先啊,大家都知道,咱们平时玩的滑板、滑车这些小玩意儿,都是靠转动来改变方向的,对吧?可是如果咱们把这滑板放在一个特别的车上,让它绕着圆锥的形状转动,那又是什么样的景象呢?别急,听我慢慢道来。
想象一下,假设咱们有一辆小车,它的车轮下面装着一个小滑板,这个滑板在车上可以自由转动。
然后,车身就像圆锥的形状一样,随着滑板的转动,车子会发生什么变化呢?它会不会像转陀螺一样不停旋转?还是说它会平稳地滑行?你们觉得呢?你看,这其实就是我们要探讨的问题了。
转动小滑板法车圆锥,这种情况看似简单,实则充满了有趣的物理奥秘。
它的背后,涉及到了旋转运动、力的传递,甚至还有重力的影响。
别小看这滑板,其实它的作用可不简单哦!滑板就像是一个小小的操控者,它不仅仅是用来“滑”的,还通过转动来调整车身的平衡,甚至影响整个车子的运动轨迹。
你可能会问,这跟我们平时玩滑板有什么不同呢?嘿嘿,其实区别可大了。
你想啊,平时我们用滑板就是直接在地面上推推滑滑,根本不需要考虑什么力的分配或者转动的影响。
可是当这个滑板放到车子上,车子又是一个特殊的圆锥形状时,情况就复杂多了。
圆锥的形状本身就决定了滑板的转动轨迹会受到限制,它不像平地上那样自由。
滑板的转动不仅要克服车身的重力,还要面对车轮的摩擦力。
所有这些力量的相互作用,才决定了车子的最终运动方向。
你们有没有玩过那种滑板车?不是普通的那种滑板车哦,是那种需要用力推,推完之后滑一段距离才停的。
你会发现,如果你推的力度不对,车子就会偏左或偏右,甚至停不下来。
转动小滑板车圆锥一、实训教学目标:1、根据圆锥各部尺寸,能计算小滑板的旋转角度;2、掌握用近似公式计算圆锥各部尺寸的方法;二、实训教学重点、难点转动小滑板车圆锥的实际操作方法和步骤。
三、教学准备:900外圆车刀 17-19开口扳手 游标卡尺 φ32×105圆钢四、教学过程:1、学生整队,清点人数,检查劳动保护装束,强调安全生产,提高安全意识2、实训委员按组分配机床;3、相关工艺知识。
(出示莫氏锥套与顶尖)锥度工件的工作特点:1)内外圆锥配合,定心精度高;2)能传递较大的转矩;3)拆卸方便。
在机械行业中应用非常广泛,所以我们学习圆锥的加工非常有必要。
圆锥的加工方法大致有以下几种:1)宽刀法车削;2)转动小滑板法车削;3)偏移尾座法车削;4)靠模法车削。
4、转动小滑板车圆锥的方法车整圆锥体和较短的圆锥可以用转动小滑板法。
车削时只要把小滑板按工件的圆锥半角α/2要求转动一个相应的角度,使车刀的运动轨迹与所要车削的圆锥素线平行即可。
5、转动小滑板车圆锥的特点:a.能车圆锥角较大的工件;b.能车出整锥体和圆锥孔并且操作简便;c.只能手动进给,劳动强度大,工件表面粗糙度较难控制;d.因受小滑板行程限制,只能加工锥面不长的工件。
6、小滑板转动角度的计算:1)锥度的两种表达方式;a.锥角角度;b.底圆直径与锥高之比1:n2)根据被加工零件给定的已知条件,可应用下面公式计算圆锥半角即 Ld D c 222t a n -==α式中:α/2————圆锥半角C ————圆锥体的锥度D ————锥体大端直径(mm )d ————锥体小端直径(mm )L ————锥体长度(mm )应用这个公式计算α/2,必须查三角函数表比较麻烦,如果α/2较小,在10~130之间,可以用乘上一个常数的近似方法来计算。
即α/2=常数×C小滑板转动角度近似公式常数表7、转动小滑板车外圆锥的实际操作方法:1)车刀刀尖必须装得严格与工件回转中心等高,否则车出的圆锥素线将不是直线而是双曲线。
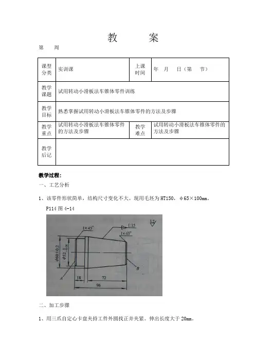
教 案第 周教学过程: 一、工艺分析1、该零件形状简单,结构尺寸变化不大。
现用毛坯为HT150,φ65×100mm 。
P114图4-14二、加工步骤1、用三爪自定心卡盘夹持工件外圆找正并夹紧。
伸出长度大于20mm 。
2、车端面A,粗、精车外圆φ52(0 -0.06)mm、长18 mm至尺寸要求,并倒角1×45°。
3、调头用三爪自定心卡盘夹持工件外圆φ52(0 -0.06)mm、长15 mm左右,找正并夹紧,车端面B,保证总长度96mm,粗、精车外圆φ60(+0.2 -0.2)mm尺寸要求。
4、小滑板逆时针转动圆锥半角,粗、精车外圆锥面至尺寸要求。
5、倒角1×45°,用角度尺检测。
三、教师指导学生练习教 案第 周教学过程: 一、工艺分析1、该零件形状简单,结构尺寸变化不大。
现用毛坯为HT150,φ45×125mm 。
P114图4-15二、加工步骤1、用三爪自定心卡盘夹持工件外圆找正并夹紧。
伸出长度大于50mm 。
2、车端面A ,粗、精车外圆φ42(0 -0.05)mm 、长40mm 至尺寸要求,并倒角2×45°。
3、调头用三爪自定心卡盘夹持工件外圆φ42(0 -0.05)mm、伸出长度大于80mm,找正并夹紧,车端面B,保证总长度120mm,粗、精车外圆φ32mm,长80mm。
4、小滑板逆时针转动圆锥半角,粗、精车外圆锥面至尺寸要求。
5、倒角1×45°,去毛刺。
6、用标准莫氏套规检测。
三、教师指导学生练习教 案第 周教学过程: 一、工艺分析1、该零件形状简单,结构尺寸变化不大。
现用毛坯为HT150,φ40×40mm 。
P118图4-21二、加工步骤1、用三爪自定心卡盘夹持工件外圆找正并夹紧。
伸出长度30mm 左右。
2、车端面A ,钻中心孔,外圆车光滑。
3、以平面A 为基准,用卡钳或划针在工件上刻线取总长330mm 。
《车工工艺与技能训练》课程单元教学设计——转动小滑板车圆锥的方法课件 (一)《车工工艺与技能训练》课程单元教学设计——转动小滑板车圆锥的方法课件在《车工工艺与技能训练》的课程单元教学设计中,转动小滑板车圆锥的方法是非常重要的一项内容。
针对这一内容,本文将从三个方面介绍教学设计,分别是课程目标、教学内容和教学方法。
一、课程目标1. 理解车床上刀具的作用和使用规范。
2. 掌握车床的基本操作方法。
3. 学会转动小滑板车圆锥的方法,并实现圆锥的准确度。
二、教学内容1. 刀具的作用和使用规范(1)理解刀具的种类和特点。
(2)掌握刀具的磨削和保养方法。
(3)了解切削参数的选择和调整方法。
2. 车床的基本操作方法(1)学习车床的结构和操作界面。
(2)掌握车床的调整和校准方法。
(3)练习装夹工件和调整进给量的方法。
3. 转动小滑板车圆锥的方法(1)学习车床上不同类型的刀具操作。
(2)了解圆锥的基本概念和测量方法。
(3)通过实际操作,学习转动小滑板车圆锥的方法。
(4)实现圆锥的准确度。
三、教学方法1. 以实践为主学生需要亲自上机操作,在教师的指导下逐步掌握车床和刀具的使用方法,逐步熟练掌握技巧。
2. 以师生互动为主教师和学生之间需要有良好的互动,老师应该及时解答学生的疑问,并引导学生认真思考、独立探究。
3. 以小组合作为主学生需要分组合作,在小组内充分交流和合作,实现知识的共享和技能的提高。
四、结论转动小滑板车圆锥的方法是《车工工艺与技能训练》课程单元教学设计中非常重要的一个环节。
通过本文对课程教学设计的介绍,相信读者已经对这个教学设计的主要内容有了较为全面的认识。
无论在教学目的、内容还是方法上,我们都应该以学生的学习为中心,注重实践和创新,不断提高教学效果,为学生的职业发展奠定基础。
列举日常生活中见到圆锥的事物?
列举我们生产车间带有圆锥的零部件有哪些?(实物)
那这些带圆锥的零部件的外锥面
是怎么在车床上加工出来的呢
四、新授内容:
知识点:1、转动小滑板法车外锥的加工原理
2、转动小滑板法车外锥的加工方法
技能点:1、计算转动小滑板的旋转角度
2、掌握转动小滑板法车外锥的加工方法
4-1 转动小滑板车外圆锥
确定小滑板转动的角度:
:三角函数法近似法(圆锥半角应在
根据图样选择相应的公式计算出圆锥半角,即小滑板转动的角度转动小滑板:用扳手将小滑板下面转盘螺母松开,把转盘转至需要
结论:小滑板顺时针转动一个圆锥半角
4 粗车外圆锥面:先按圆锥大端直径和圆锥面长度车成圆柱体,然后再车圆锥面。
(注意:车削前应调整好小滑板导轨与镶条间的配合间隙)
5 找正圆锥角度:(套规)
(图三)
结论:
A大端有间隙,说明圆锥角太小
B小端有间隙,说明圆锥角大了
(三)转动小滑板车外圆锥的特点:
1 只能加工圆锥角较大但锥面不长的工件
2 圆锥角一致性好
3 只能手动进给:均匀、缓慢、连续
二四六组
六、课堂小结:
本节课主要讲了转动小滑板法车外锥的原理、方法和加工步骤、特点和注意事项四个问题,重点内容为转动小滑板法车外锥的方法和加工步骤,要求学生能熟练运用转动小滑板法车削外圆锥的能力
特别注意:(1)工件旋转中心必须与主轴旋转中心重合,车刀必须对准
工件旋转中心,否则会车出双曲线。
《转动小滑板法车圆锥》教案时间:2008年5月28日上午9:35~11:05地点:机电实训中心107工艺室班级:0676班执教者:高志清课程:车工工艺学课题:转动小滑板法车圆锥教具及实训设备:电脑、投影仪、圆锥齿轮、圆锥齿轮坯、车床(20台)、90°外圆车刀(若干)、切槽刀(若干)、内孔车刀(若干)、常用量具及游标万能角度尺(若干)、加工材料(若干)教学目标:1、知识目标:(1)了解转动小滑板法车圆锥面的特点;(2)会计算小滑板的转动角度并确定转动方向。
2、能力目标:(1)学会车削圆锥齿轮坯的锥面;(2)学会用游标万能角度尺测量圆锥面的角度。
3、德育目标:(1)规范操作,安全第一;(2)独立完成,团结协作;(3)保质保量,完成任务。
教学重点:1、会确定小滑板转动的角度及其方向;2、会车削圆锥齿轮坯的锥面;3、会使用游标万能角度尺测量圆锥齿轮坯锥面的角度。
教学难点:1、找正小滑板转动的角度及方向;2、角度的测量。
教学方法:1、多媒体技术与现场实践操作相结合;2、以任务引领完成授课内容,实现听、看、做一体化。
教学内容:一、新课导入圆锥面在车削加工中会经常碰到,因此,圆锥的车削是车工必须掌握的一项基本操作技能。
车圆锥的方法有很多,当加工锥面不长的工件时,我们可用转动小滑板法进行车削。
今天,我们将通过一个典型的圆锥零件——圆锥齿轮坯的锥面车削来掌握转动小滑板法车圆锥的方法。
任务:按加工练习图要求完成圆锥齿轮坯锥面的车削。
二、教学活动活动一确定小滑板转动的角度及其转动方向1、小滑板转动角度原则小滑板转动的角度应是圆锥素线与车床主轴轴线的夹角,即工件的圆锥半角,使车刀进给轨迹与所要车削的圆锥素线平行即可。
2、以圆锥齿轮坯为例,确定小滑板转动的角度及其方向。
(小组讨论)活动二 确定工夹量具1、刀具:90°外圆车刀、切槽刀、内孔车刀。
2、量具:游标卡尺、钢直尺、深度游标卡尺、50—75mm 外径千分尺、游标万能角度尺。
课题名称:《车工工艺与技能训练》——转动小滑板车圆锥的方法一、教学目标:1、会用转动小滑板法车圆锥2、掌握圆锥小端直径、小滑板转动角度的计算3、掌握转动小滑板车圆锥的方法和步骤二、教学重点:锥度公式及圆锥半角计算三、教学难点:小滑板转动角度准确四、教学方式:理实一体五、教学过程:(一)回顾:1、台阶轴2、知识、技能回顾:①刀具、工件的装夹及注意事项。
②车削台阶轴的方法、步骤及注意事项。
③倒角的方法。
引入任务:前面我们给台阶轴倒角时,采用将方刀架转动45º角的方法,这给我们即将学习锥体加工带来什么启示?锥面的加工方法能否参考上一任务中倒角的方法?1、转动方刀架,摇动大滑板能否车出锥面?(生答)2、转动方刀架,摇动小滑板能否车出锥面?3、转动小滑板,摇动大滑板能否车出锥面?4、转动小滑板,摇动小滑板能否车出锥面?从以上案例1~4分析可知:将小滑板转动圆锥角的一半a/2后,摇动小滑板就可以加工出锥体。
(二)、新课讲解:转动小滑板车圆锥的方法1、锥面的应用:因锥面配合紧密,拆装方便,多次拆装后仍能保持精确的对中性,因此被广泛应用于要求定位准确,能传递一定转矩和经常拆卸的配合件上。
(锥柄麻花钻、顶尖)2、圆锥的基本参数:α——圆锥角;D ——圆锥大端直径;d ——圆锥小端直径;L ——锥体长度;C ——圆锥体的锥度α/2 ——圆锥半角(即小滑板转动的角度)。
3、锥度的概念:圆锥大小端直径之差,和圆锥长度的比值。
用 C 表示。
C=(D-d)/L4、圆锥半角的计算:例如:如右图所示,试计算圆锥小端直径 d 及小滑板转动角度α/2解:已知圆锥大端直径D=20,锥长L=15,锥度C=1/1.5,根据公式得:d =D-C×L =20-(1/1.5)×15 =10tanα/2 =C/2= 1/3查表得出α/2= 18.43º5、转动小滑板车圆锥的方法和步骤:①根据给定尺寸,先计算出锥度小端直径d 和圆锥半角α/2;②用扳手将小滑板下面转盘螺母松开,把转盘转至需要的圆锥半角α/2的刻度,然后锁紧转盘上的螺母;③分粗、精车,匀速转动小滑板手柄加工外圆锥到尺寸要求。
列举日常生活中见到圆锥的事物?
列举我们生产车间带有圆锥的零部件有哪些?(实物)
那这些带圆锥的零部件的外锥面
是怎么在车床上加工出来的呢
四、新授内容:
知识点:1、转动小滑板法车外锥的加工原理
2、转动小滑板法车外锥的加工方法
技能点:1、计算转动小滑板的旋转角度
2、掌握转动小滑板法车外锥的加工方法
4-1 转动小滑板车外圆锥
确定小滑板转动的角度:
:三角函数法近似法(圆锥半角应在
根据图样选择相应的公式计算出圆锥半角,即小滑板转动的角度转动小滑板:用扳手将小滑板下面转盘螺母松开,把转盘转至需要
结论:小滑板顺时针转动一个圆锥半角
4 粗车外圆锥面:先按圆锥大端直径和圆锥面长度车成圆柱体,然后再车圆锥面。
(注意:车削前应调整好小滑板导轨与镶条间的配合间隙)
5 找正圆锥角度:(套规)
(图三)
结论:
A大端有间隙,说明圆锥角太小
B小端有间隙,说明圆锥角大了
(三)转动小滑板车外圆锥的特点:
1 只能加工圆锥角较大但锥面不长的工件
2 圆锥角一致性好
3 只能手动进给:均匀、缓慢、连续
二四六组
六、课堂小结:
本节课主要讲了转动小滑板法车外锥的原理、方法和加工步骤、特点和注意事项四个问题,重点内容为转动小滑板法车外锥的方法和加工步骤,要求学生能熟练运用转动小滑板法车削外圆锥的能力
特别注意:(1)工件旋转中心必须与主轴旋转中心重合,车刀必须对准
工件旋转中心,否则会车出双曲线。