建筑外门窗物理性能检验报告5
- 格式:xls
- 大小:38.00 KB
- 文档页数:1
建筑外窗三性能检测分析1、建筑外窗的气密性、水密性和抗风压性能1.1建筑外窗的气密性能建筑外窗作为建筑的立面围护结构之一,它的抗空气渗透对整个建筑整体气密性影响甚大。
气密性是指外门窗在正常关闭状态时,阻止空气渗透的能力。
使用气密性好的的建筑外窗可最大程度地节省采暖和制冷能耗(居住建筑中门窗耗能约占40%~50%,而在门窗耗能中,门窗材料的传导热损失约占22%,空气渗透热损失则占28%),因此,控制建筑外窗的空气渗透量成为了实现节能的一个有效途径。
GB/T7106-2008《建筑外门窗气密、水密、抗风压性能分级及检测方法》中规定:在标准状态下,压力差为10Pa 时的单位开启缝长空气渗透量q1和单位面积空气渗透量q2作为气密性能的分级评价指标。
建筑外窗气密性能指标值越低,即气密性能越好,分级指标绝对值q1和q2的分级。
1.2 建筑外窗的水密性能外窗作为围护结构,在广东省内台风多雨的气候环境下,其防雨渗漏能力至关重要。
水密性能是指在正常关闭状态下外窗在风雨同时作用下阻止雨水渗透的能力。
建筑外窗水密性能采用严重渗漏压力差值的前一级压力差值作为分级指标。
分级指标值ΔP 的分级。
1.3建筑外窗的抗风压性能建筑外窗抗风压性能是指在正常关闭状态下建筑外窗在风压作用下,不发生损坏和五金件松动、关启困难等功能障碍的能力,并以主要受力杆件的相对度2、外窗三性检测仪的主要原理、结构特点2.1主要原理MW-W-A3040智能门窗物理性能检测设备是用于检测建筑外窗的气密、水密和抗风压三项物理性能。
其使用标准为GB/T7106-2008《建筑外门窗气密、水密、抗风压性能分级及检测方法》。
MW-W-A3040智能门窗物理性能检测设备采用变频器直接驱动风机的压力闭环控制系统,利用调节风机转速来调节气压。
操作键盘或上位计算机发出命令给变频器来控制气压和命令辅助控制电路对换向阀、水阀、水泵进行控制。
测试数据通过记录、计算或电脑自动打印出来。
建筑外窗(含阳台门)的建筑物理性能分级一、建筑外窗(含阳台门)的抗风压性能分级
二、建筑外窗(含阳台门)的气密性能分级
三、建筑外窗(含阳台门)的水密性能分级
四、建筑外窗(含阳台门)传热系数分级
五、建筑外窗(含阳台门)的空气隔声性能分级
六、建筑外窗(含阳台门)的采光性能分级
建筑幕墙物理性能分级标准表1建筑幕墙抗风压性能分级
表2 建筑幕墙水密性能分级
表3 建筑幕墙开启部分气密性能分级
表4 建筑幕墙整体气密性能分级
表5 建筑幕墙传热系数分级
表6 玻璃幕墙遮阳系数分级
表7 建筑幕墙空气隔声性能分级
表8 建筑幕墙采光性能分级
表9耐撞击性能:
(1)性能分级:
表10平面内变形性能和抗震要求。
门窗检验报告样品一、引言门窗作为建筑物的重要组成部分,对于保障建筑物的安全性、功能性和美观性起着重要的作用。
为了确保门窗的质量符合国家标准和相关要求,进行门窗检验是必不可少的环节。
本文将介绍一份门窗检验报告样品,以帮助读者了解门窗检验的步骤和内容。
二、检验项目1.外观检验:对门窗的表面质量进行检查,包括表面平整度、涂层附着力、色泽等方面的评估。
2.尺寸检验:测量门窗的长度、宽度、厚度等尺寸参数,确保其符合设计要求。
3.材料检验:对门窗所使用的材料(如铝合金、塑钢等)进行化学成分分析和物理性能测试,以评估其质量和耐久性。
4.功能性检验:对门窗的开启、关闭、锁闭等功能进行测试,确保其正常运行,并检查是否存在漏风、漏水等问题。
5.密封性检验:通过气密性和水密性测试,评估门窗的密封性能,以确保室内空气质量和防护性能。
6.抗风压性能检验:对门窗在正压和负压下的变形、破坏情况进行测试,以评估其抗风压性能。
7.声学性能检验:通过声音传递类别和声隔音量测试,评估门窗的隔音性能。
8.抗冲击性能检验:测试门窗在受到冲击时的变形和破坏情况,评估其抗冲击性能。
三、检验方法1.视觉检查:通过肉眼观察门窗的表面质量,并使用合适的工具检查其平整度和涂层附着力。
2.测量仪器:使用测量仪器(如卷尺、数显卡尺等)对门窗的尺寸进行测量。
3.实验室测试:将门窗样品送至实验室,进行材料化学成分分析、物理性能测试和声学性能测试等。
4.负荷测试:使用专用设备对门窗进行抗风压性能和抗冲击性能测试。
四、检验结果根据门窗的检验项目和检验方法,对样品进行全面检验后,得出如下结果:1.外观检验:门窗表面平整度良好,涂层附着力强,色泽饱满。
2.尺寸检验:门窗的尺寸符合设计要求,各项参数满足标准规定。
3.材料检验:门窗所使用的材料化学成分符合要求,物理性能良好。
4.功能性检验:门窗开启、关闭、锁闭功能正常,无漏风、漏水等问题。
5.密封性检验:门窗具有较好的气密性和水密性,能够保证室内空气质量和防护性能。
检验报告报告编号:HBLC-JN2015-379-02 本报告共4页第3页委托单位湖北金瑞建筑工程有限公司委托人曹文军样品名称塑钢推拉窗型号规格工程名称赤壁市安润恒·新领地商住楼二期9#楼样品来源见证取样见证单位湖北环鹏工程建设监理有限公司见证人张加强检验项目气密性能、水密性能、抗风压性能抽样数量三樘生产厂家——代表批量——型材厂家湖南中财化学建材有限公司样品状态外观完整检验类别委托委托日期2015年07月23日检验设备智能门窗物理性能检测仪检验日期2015年07月24日检测依据GB/T 7106-2008试件平面图检测结论气密性能:正压属GB/T7106-2008第6级负压属GB/T7106-2008第6级水密性能:属GB/T7106-2008第3级抗风压性能:属GB/T7106-2008第4级备注检验单位湖北陆诚建设工程质量检测有限公司(盖章)批准:校核:检验:检验报告委托编号:HBLC-JN2015-380-02 本报告共4页第3页委托单位湖北金瑞建筑工程有限公司委托人曹文军样品名称塑钢推拉窗型号规格工程名称赤壁市安润恒·新领地商住楼二期15#楼样品来源见证取样见证单位湖北环鹏工程建设监理有限公司见证人张加强检验项目气密性能、水密性能、抗风压性能抽样数量三樘生产厂家——代表批量——型材厂家湖南中财化学建材有限公司样品状态外观完整检验类别委托委托日期2015年07月23日检验设备智能门窗物理性能检测仪检验日期2015年07月25日检测依据GB/T 7106-2008试件平面图检测结论气密性能:正压属GB/T7106-2008第6级负压属GB/T7106-2008第6级水密性能:属GB/T7106-2008第3级抗风压性能:属GB/T7106-2008第4级备注检验单位湖北陆诚建设工程质量检测有限公司(盖章)批准:校核:检验:检测报告委托编号:HBLC-JN2015-380-05 本报告共4页第3页委托单位湖北金瑞建筑工程有限公司委托人曹文军样品名称塑钢推拉窗型号规格工程名称赤壁市安润恒·新领地商住楼二期16#楼样品来源见证取样见证单位湖北环鹏工程建设监理有限公司见证人张加强检验项目气密性能、水密性能、抗风压性能抽样数量三樘生产厂家——代表批量——型材厂家湖南中财化学建材有限公司样品状态外观完整检验类别委托委托日期2015年07月23日检验设备智能门窗物理性能检测仪检验日期2015年07月25日检测依据GB/T 7106-2008试件平面图检测结论气密性能:正压属GB/T7106-2008第6级负压属GB/T7106-2008第6级水密性能:属GB/T7106-2008第3级抗风压性能:属GB/T7106-2008第4级备注检验单位湖北陆诚建设工程质量检测有限公司(盖章)批准:校核:检验:。
门窗检测报告一、检测目的。
本次门窗检测的目的在于对建筑物内外的门窗进行全面检查,了解其使用状况,发现存在的问题,并提出相应的改进措施,以确保建筑物的安全和舒适性。
二、检测范围。
1. 室内门,包括房间内的各种门,如卧室门、卫生间门等。
2. 室外门,包括主入口门、阳台门等。
3. 窗户,包括各个房间的窗户、阳台窗等。
三、检测内容。
1. 门窗的开启和关闭,检查门窗的开启和关闭是否灵活,是否有卡滞或异响。
2. 门窗的密封性能,检查门窗的密封性能,是否存在漏风、漏水等问题。
3. 门窗的安全性能,检查门窗的锁具是否牢固可靠,是否存在安全隐患。
4. 门窗的外观和材质,检查门窗的外观是否完好,材质是否有损坏或老化现象。
5. 其他问题,如门窗的隔热性能、隔音性能等。
四、检测方法。
1. 目视检查,通过目视观察门窗的外观、开启和关闭情况等。
2. 使用检测工具,如测量门窗的密封性能、检测锁具的牢固程度等。
五、检测结果。
1. 室内门,卧室门开启不灵活,需要进行调整;卫生间门存在漏水问题,需要进行密封处理。
2. 室外门,主入口门锁具老化,存在安全隐患,需要及时更换;阳台门密封性能较差,需要进行维修。
3. 窗户,客厅窗户存在漏风现象,需要进行密封处理;卧室窗户隔热性能较差,建议更换隔热玻璃。
六、改进措施。
1. 室内门,对卧室门进行调整,保证开启和关闭灵活;对卫生间门进行密封处理,解决漏水问题。
2. 室外门,及时更换主入口门的锁具,保证安全性能;对阳台门进行维修,提高密封性能。
3. 窗户,对客厅窗户进行密封处理,解决漏风问题;对卧室窗户进行更换,提高隔热性能。
七、检测结论。
通过本次门窗检测,发现了一些存在的问题,并提出了相应的改进措施。
建议尽快对门窗进行维修和更换,以确保建筑物的安全和舒适性。
八、检测建议。
1. 定期检查,建议定期对门窗进行检查,及时发现和解决问题。
2. 质量保证,在维修和更换门窗时,选择质量可靠的材料和产品,确保使用效果和使用寿命。
引言概述:玻璃是一种常见的建筑材料,用于制造窗户、门、墙壁等。
在玻璃的生产和使用过程中,为了确保产品质量和安全性,必须进行玻璃检验。
本文是玻璃检验报告的第二部分,主要介绍了五个大点,分别是玻璃外观检验、尺寸测量、光学性能测试、物理性能测试和化学性能测试。
正文内容:一、玻璃外观检验1. 表面缺陷玻璃的表面缺陷包括划痕、气泡、结晶、挂丝等。
在外观检验中,我们对玻璃的表面进行仔细观察,记录和评估这些缺陷的数量、大小和位置。
2. 边缘检验玻璃的边缘应平整、光滑,并且不应存在裂纹、磨损或其他缺陷。
我们通过目视检查和触摸来评估玻璃边缘的质量。
3. 颜色检验玻璃的颜色应与标准样品相符,并且在不同的光照条件下保持一致。
我们使用光源和颜色比对板来进行颜色检验,以确保玻璃的颜色质量符合要求。
二、尺寸测量1. 厚度测量通过使用厚度测量仪器,我们可以准确测量玻璃的厚度。
这个参数对于玻璃在不同应用场景中的强度和透光性能有着重要的影响。
2. 长度和宽度测量我们通过使用尺子、卷尺等工具来对玻璃的长度和宽度进行测量。
这些参数对于制造过程中的切割和安装非常关键。
3. 平整度测量玻璃的平整度对于确保其在安装时的稳定性和视觉效果至关重要。
我们使用水平仪等工具来测量玻璃的平整度。
三、光学性能测试1. 透光率测试透光率是指光线通过玻璃的能力。
我们使用光度计来测量透光率,并确保其符合制定的标准。
2. 发光性能测试一些特殊用途的玻璃,如夜视玻璃和防眩光玻璃,需要具备良好的发光性能。
我们使用光度计和光源来测试玻璃的发光性能。
3. 折射率测试折射率是指光线在玻璃中传播时的速度变化程度。
我们使用折射计来测量折射率,以确保产品质量。
四、物理性能测试1. 强度测试玻璃的强度是指其抵抗外力破坏的能力。
我们使用压力测试仪来测试玻璃的强度,在试验过程中记录和评估其变形、破裂和承载能力。
2. 硬度测试玻璃的硬度对于抵抗划伤和磨损具有重要作用。
我们使用硬度计来测量玻璃的硬度,并与标准进行比较。
建筑外门窗物理性能分级标准摘录1.玻璃幕墙物理性能分级(JG 3035—1996,GB/T15225-94)表1.1在20mm 以内。
如确定挠度超过20mm 时,以20mm 所对应的压力值作为分级值。
表表 1.3 空气渗透性能分级,m 3/m ·h表 1.4 保温性能分级注:表中K 值为幕墙中固定部分和可开启部分各占面积的加权平均值。
表 1.5注:按不同构造单元分类进行隔声测量,然后通过传声量的计算求的整体幕墙的隔声量值。
表 1.6注:F 为撞击物体的运动量。
表 注:ґ在《建筑幕墙物理性能分级》(GB/T15225—94)中,只列表1~表5,数据和JG3035—1996相同,无表6、表7。
2.玻璃幕墙光学性能(GB/T 18091—2000)注:1.透射比:从物体透射出的光通量和入射到物体的光通量之比,符号τ;2.反射比:被物体表面反射的光通量和入射的物体表面的光通量之比,符号ρ。
表2.2紫外线相对含量注:1.2.对于博物馆,光源透过幕墙玻璃后的紫外线含量应小于75μW/1m。
表2.3注:Ra光源(D65)透过玻璃后的一般显色指数。
3.建筑外门窗物理性能分级,(铝合金门GB/T8478—2003,铝合金窗GB/T8479—2003) 表3.1 抗风压性能分级(GB/T7106—2002)注:1.X ·X 表示用≥5.0Kpa 的具体值,取代分级代号。
在各分级指标值中,门主要受力构件相对挠度:单层、夹层玻璃小于等于L/120;中空玻璃挠度小于等于L/180。
2.分级中括号内的罗马字为86标准。
表 注:2.分级中括号内的罗马字为86标准。
单位缝长指标值1 (m 3/m ·h)单位面积指标值2(m 3/m ·h)注:分级中括号内的罗马字为86标准。
表3.4 保温性能分级(GB/T8484—2002)注:分级指标值中括号内数字为87标准。
表3.5 空气隔声性能分级(GB/T8485—2002)注:分级中括号内的罗马字为87标准。
门窗检验报告
3.试验设备:门窗物理性能监测仪IMMCS
备注:
1.本检测报告无我单位检测专用章和计量认证专用章无效;
2.本检测报告无检测、审核、批准人签字无效;
3.未经我单位许可,本检测报告不得复制或作为他用;复制本报告未重新加盖我单位检测专用章和计量认证专用章无效;
4.本报告涂改无效;
5.对本检测报告若有异议,请在收到报告之日起15日内向我单位以书面形式提出,逾期不予受理。
检验单位:批准:审核:检验:
检验报告
检验编号:
样品名称:
委托单位:
检验类型:
陕西省建材产品质量检验中心。
建筑外门窗物理性能分级标准摘录1.玻璃幕墙物理性能分级(JG 3035—1996,GB/T15225-94)表风压变形性分级注:表中分级值表示在此风荷载标准值作用下,幕墙主要受力构件的相对挠度值不应大于L/180,其绝对挠度值在20mm以内。
如绝对挠度超过20mm时,以20mm所对应的压力值作为分级值。
表雨水渗漏性能分级注:设计时固定部分P值根据风荷载标准值除以所得数据进行确定。
可开启部分的等级和固定部分相对应。
表空气渗透性能分级,m3/m·h表保温性能分级注:表中K值为幕墙中固定部分和可开启部分各占面积的加权平均值。
表隔声性能分级注:按不同构造单元分类进行隔声测量,然后通过传声量的计算求的整体幕墙的隔声量值。
表耐撞击性能分级注:F为撞击物体的运动量。
表平面内变形性能注:ґ =△/h,式△为层间位移量,h为层高。
在《建筑幕墙物理性能分级》(GB/T15225—94)中,只列表1~表5,数据与JG3035—1996相同,无表6、表7。
2.玻璃幕墙光学性能(GB/T 18091—2000)表幕墙玻璃的光学性能参数注:1.透射比:从物体透射出的光通量与入射到物体的光通量之比,符号τ;2.反射比:被物体表面反射的光通量与入射的物体表面的光通量之比,符号ρ。
表紫外线相对含量注:1.对有紫外线要求场合,幕墙玻璃的紫外线透射比宜小于;2.对于博物馆,光源透过幕墙玻璃后的紫外线含量应小于75μW/1m。
表透视指数注:Ra光源(D65)透过玻璃后的一般显色指数。
3.建筑外门窗物理性能分级,(铝合金门GB/T8478—2003,铝合金窗GB/T8479—2003)表抗风压性能分级(GB/T7106—2002)注:·X表示用≥的具体值,取代分级代号。
在各分级指标值中,门主要受力构件相对挠度:单层、夹层玻璃小于等于L/120;中空玻璃挠度小于等于L/180。
2.分级中括号内的罗马字为86标准。
表雨水渗漏性能分级(GB/T7108—2002)注:表示用≥700Pa的具体值取代分级代号,适用于热带风暴和台风袭击地区的建筑。
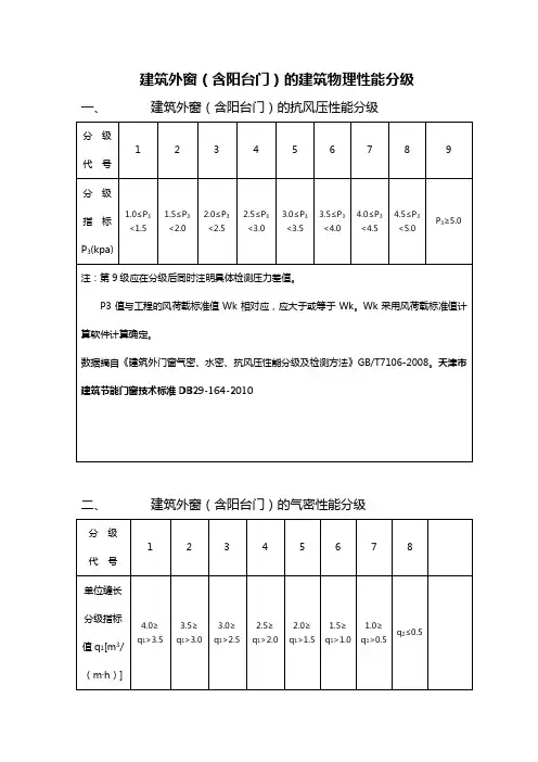
建筑外窗(含阳台门)的建筑物理性能分级一、建筑外窗(含阳台门)的抗风压性能分级分级代号1 2 3 4 5 6 7 8 9分级指标P3(kpa)1.0≤P3<1.51.5≤P3<2.02.0≤P3<2.52.5≤P3<3.03.0≤P3<3.53.5≤P3<4.04.0≤P3<4.54.5≤P3<5.0P3≥5.0 注:第9级应在分级后同时注明具体检测压力差值。
P3值与工程的风荷载标准值Wk相对应,应大于或等于Wk。
Wk采用风荷载标准值计算软件计算确定。
数据摘自《建筑外门窗气密、水密、抗风压性能分级及检测方法》GB/T7106-2008。
天津市建筑节能门窗技术标准DB29-164-2010二、建筑外窗(含阳台门)的气密性能分级分级代号1 2 3 4 5 6 7 8单位缝长分级指标值q1[m3/(m·h)]4.0≥q1>3.53.5≥q1>3.03.0≥q1>2.52.5≥q1>2.02.0≥q1>1.51.5≥q1>1.01.0≥q1>0.5q2≤0.5单位面积分级指标值q2[m3/(m2·h)]12≥q2>10.510.5≥q2>9.09.0≥q2>7.57.5≥q2>6.06.0≥q2>4.54.5≥q2>3.03.0≥q2>1.5q2≤1.5注:数据摘自《建筑外门窗气密、水密、抗风压性能分级及检测方法》GB/T7106-2008。
居住建筑七层以下不应低于3级,七层及以上不应低于4级。
公共建筑不应低于4级。
1,注:天津公共建筑节能规定采暖空间外门窗气密性不应低于6级,非采暖空间采用推拉窗时,不应低于3级。
三、建筑外窗(含阳台门)的水密性能分级分级 1 2 3 4 5 6分级指标ΔP(Pa)100≤ΔP<150150≤ΔP<250250≤ΔP<350350≤ΔP<500500≤ΔP<700ΔP≥700注:数据摘自《建筑外门窗气密、水密、抗风压性能分级及检测方法》GB/T7106-2008。
建筑工程质量控制资料(建筑工程安全和功能检验资料-幕墙的“四性”检测报告)5.1.6 幕墙和外窗的物理性能检测报告5.1.6.1 幕墙的“四性”检测报告Ⅰ基本要求和内容(1)幕墙的“四性”检测报告包括空气渗透性能、雨水渗漏性能、风压变形性能、平面内变形性能。
(2)设计要求做“四性”试验的幕墙必须提供“四性”检测报告。
当设计无明确时,由建设、监理、设计、施工商定。
(3)幕墙工程验收时,按规定须作“四性”试验的,应提供“四性”检测报告,报告中应有明确的检测结果及结论,并附有必要的试件图纸资料。
检测报告见检验(建)表5.1.6.1。
(4)同一工程有多种类型幕墙(如玻璃幕墙、金属幕墙、石材幕墙等)的,应按不同类型分别提供“四性”检测报告。
(5)幕墙应按设计计算的最大(最不利)层高和分格选取典型的单元作为试件进行检测。
试件单元的宽度最少应包括三根垂直受力杆件,其中最少有一根承受设计负荷;高度至少应包括一个层高,并在垂直方向上有两处或两处以上与承重结构相连接。
试件单元中必须包括典型的水平接缝和垂直接缝,并包含可开启部分(除非工程中无此部分)。
(6)组成检测试件的所有材料及构件均必须按要求实行见证取样送检。
(7)检测试件的安装和镶嵌应符合工程设计图纸要求,不得加设任何特殊附件或采取特殊措施,以保证试件受检状况与工程实际相符。
(8)幕墙试件的检测应在工程实际幕墙上墙安装之前进行,并附有结构胶、耐候胶相容性试验报告。
(9)幕墙试件的检测必须由具备相应资质的检测机构进行检测。
Ⅱ核查办法(1)核查是否每种类型的幕墙(如玻璃幕墙、金属幕墙、石材幕墙)均有“四性”检测报告。
(2)核查检测报告中试件单元的选取是否符合规定。
(3)核查各项性能的检测结果是否满足工程设计文件中的相应性能指标要求。
(4)核查检测报告中的检测单位是否有相应的检测资质。
(5)核查检测报告内容是否完整。
Ⅲ核定原则凡出现下列情况之一,本项目核定为“不符合要求”。
门窗三性试验检测报告记录模版————————————————————————————————作者:————————————————————————————————日期:建筑外门窗气密、水密、抗风压性能检测报告报告编号:J-MCS2017-0003样品名称:90系列推拉铝合金窗委托单位:XXXXXXXXXXXXXXXXXXXX工程名称:XXXXXXXXXXXXXXXXX检测类别:工程检测送检XXXXXXXXXXXX单位地址:投诉电话:建筑外门窗气密、水密、抗风压性能检测报告报告编号:J-MCS2017-0003见证人单位见证人委托单位委托日期工程名称检测日期制作单位检测依据GB/T 7106-2008样品名称90系列平开铝合金窗试件尺寸(mm)1200*1500*900检测项目抗风压性能、气密性能、水密性能检测数量 3 樘仪器设备(1)MW-W-B型门窗物理性能检测设备(2)钢卷尺(3)空盒气压表(4)温度计工程设计值(级)气密性能 6 水密性能 3 抗风压性能 5检测值(级) 气密性能缝长:正6负6.水密性能 3 抗风压性能 5 面积:正7负7.检测结论所检试件满足工程设计要求。
说明本试验结果仅与所收到的样品有关;未经本公司批准,不得复制报告(完整复制除外)批准:审核:主检:建筑外门窗气密、水密、抗风压性能检测报告报告编号:J-MCS2017-0003整窗面积(m2) 1.8 开启缝长(m) 5.035玻璃品种6mmLOW-E+12A+6mm中空玻璃镶嵌方式胶条玻璃镶嵌材料胶条框扇密封材料胶条气温(℃)22 气压(kPa)101.6 固定玻璃最大尺寸宽:1200高:500(单位:mm )检测结果气密性能: 1.样品J-171128-JN01-1:10Pa下,单位缝长,每小时渗透量为 1.25 m3/(h·m)单位面积,每小时渗透量为 1.97 m3/(h·m2)-10Pa下,单位缝长,每小时渗透量为 1.46 m3/(h·m)单位面积,每小时渗透量为 2.30 m3/(h·m2)2.样品J-171128-JN01-2:10Pa下,单位缝长,每小时渗透量为 1.20 m3/(h·m)单位面积,每小时渗透量为 1.90 m3/(h·m2)-10Pa下,单位缝长,每小时渗透量为 1.41 m3/(h·m)单位面积,每小时渗透量为 2.22 m3/(h·m2)3.样品J-171128-JN01-3:10Pa下,单位缝长,每小时渗透量为 1.38 m3/(h·m)单位面积,每小时渗透量为 2.19 m3/(h·m2)-10Pa下,单位缝长,每小时渗透量为 1.48 m3/(h·m)单位面积,每小时渗透量为 2.33 m3/(h·m2)该组窗试件的气密性能为:正压国标6级,负压国标6级。
建筑外门窗物理性能检测分析发表时间:2019-06-15T13:19:15.417Z 来源:《建筑学研究前沿》2019年2期作者:王晓仟[导读] 随着高层建筑的数量及建筑高度不断增加,业主及客户对建筑外门窗质量问题的投诉也越来越多。
上海申科建设工程质量检测有限公司上海市 201700 摘要:所谓建筑外窗三项物理性能检测即气密性、水密性与抗风压性(也叫“三性检测”),这三项物理性能也是建筑外窗最基本的性能,直接影响到外窗维护结构的主要作用。
本文结合实际,对建筑外门窗的三项主要物理性能抗风压性能、气密性能、水密性能检测谈一些看法。
关键词:建筑;外门窗;物理性能;检测近年来,随着高层建筑的数量及建筑高度不断增加,业主及客户对建筑外门窗质量问题的投诉也越来越多。
外门窗作为建筑物的表面维护之一,直接影响着人们的生活,然而市场上这些外门窗的质量却不能令人满意。
一、建筑外门窗物理性检测1、外门窗的物理性能外门窗的物理性能包括空气渗透、雨水渗漏、抗风压、保温、隔声、采光等。
后三种性能,目前在全国大部分地区只有特殊要求的外门窗才需要进行检测;前三种性能在外门窗型式检验中为必检项目,外门窗的物理三性一般是指这三项性能。
2、外门窗物理三性检测(1)抗风压性能检测。
抗风压性能是指关闭着的外门窗在风压作用下,发生损坏和功能障碍的能力,并以主要受力杆件的相对挠度进行评价。
抗风压性能实际上考核的是外门窗在外力作用下的受力杆件达到规定变形量即挠度值时的风压值。
在一定的压力或强度下外门窗的受力杆件挠度值越小则说明产品的抗风压性能就越好。
在试验过程中位移传感器的安装要求准确、稳固、有效。
(2)气密性检测。
外门窗的气密性能是指外门窗单位开启缝长度或单位面积上的空气渗透量。
它考核的是外门窗在关闭状态下,阻止空气渗透的能力。
外门窗气密性能的高低,对热量的损失影响极大,气密性能越好,则热交换就越少,对室温的影响也越小。
所以说,提高外门窗的气密性能是外门窗节能的关键。
建筑外窗(含阳台门)的建筑物理性能分级一、建筑外窗(含阳台门)的抗风压性能分级
二、建筑外窗(含阳台门)的气密性能分级
三、建筑外窗(含阳台门)的水密性能分级
四、建筑外窗(含阳台门)传热系数分级
五、建筑外窗(含阳台门)的空气隔声性能分级
六、建筑外窗(含阳台门)的采光性能分级
建筑幕墙物理性能分级标准表1建筑幕墙抗风压性能分级
表2 建筑幕墙水密性能分级
表3 建筑幕墙开启部份气密性能分级
表4 建筑幕墙整体气密性能分级
表5 建筑幕墙传热系数分级
表6 玻璃幕墙遮阳系数分级
表7 建筑幕墙空气隔声性能分级
表8 建筑幕墙采光性能分级。