附录F 建筑外门窗物理性能分级标准
- 格式:doc
- 大小:234.00 KB
- 文档页数:10
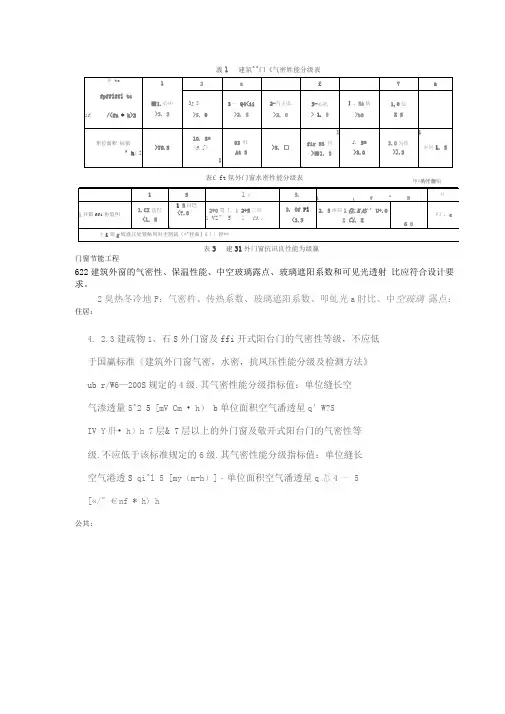
義1 建氛^^门《气密姓能分级表门窗节能工程622建筑外窗的气密性、保温性能、中空玻璃露点、玻璃遮阳系数和可见光透射 比应符合设计要求。
2臭热冬冷地P :气密杵、传热系数、玻璃遮阳系数、叩虬光a 肘比、中空玻璃 露点:住居:4. 2.3建疏物1、石S 外门窗及ffi 开式阳台门的气密性等级,不应低于国赢标准《建筑外门窗气密,水密,抗凤压性能分级及检测方法》ub r/W6—200S 规定的4级.其气密性能分级指标值:单位缝长空气渗透量5^2 5 [mV Cm • h ) b 单位面积空气潘透星q’W?5IV Y 肝• h )h 7层& 7层以上的外门窗及敬开式阳台门的气密性等级.不应低于该标准规定的6级.其气密性能分级指标值:单位缝长 空气港透S qi^l 5 [my (m-h )]・单位面积空气潘透星q 忑4一 5[«/" €nf * h) h公共:单位涼怕甲©为千樽 表£ ft 氛外门窗水密性能分级表表3 建31外门窗抗讯良性能为级贏4. 3,4建筑外窗的Y密性不应低于国家标准《建迫外门窗气密、木密、抗丿乱压性能分魏及检测A^fiJ GB T7106-200S Mt定的6纷其性能分级指栋值:单位缝艮今气潼透虽;qi笔1.5 [卅/(m - h)]*单位面积空气iSiS虽5 [n?/((n'*h)]。
4. 3. 5透叽幕墻气密件能不应低于国家折准&建筑皐墙》GB/T2108^-2007 -P规定的3级.其T密性能分级指标值:建址算墙开启部分为LL^l.sEmVU-h)]:建規幕增13輸体(含开启)部分为QX1.2[n,7(m*-h)].逮筑外ir(门)、水畫、扶凤压性能桂测报ft掘*国号IfdSH #11as •卜sf*门}产品脂■检鹉报吿堆:单flflltt毎小対♦春■卅11:展卑代如梢母/卜吋鲜査M期ihffi 如主mlF, - rn?总宦腼匡仏±腔生严SitH的星岛压力为Pa 木跑咗》M啊《島压力为[咕够动竝徒■爲斗严员緞》灼》离圧力方曲A世M**JU的A*匡丹为卩亠抗>^厲性葩:喳盘州站餐为,正崔,f#-F L,如勺”JBa M&Q1 価圧丘屯切汪检滞怙限丹「iE£E kp«负匡曲蚩专.4M讹累为d華竝】门真、期廉2】胭}itta-—^ := M =. = =.= =.=.:= —======一M七□ 3庚讯W旌3倉圧hPb卞雀檜»站黑1 £乐kPi定义防雷均压环是高层建筑物为防止雷电侧击而设计的环绕建筑物周边的水平避雷带,在《建筑物防雷设计规范》GB50057-2010中已把"均压环"更名为"等电位连接环"。
建筑外窗(含阳台门)的建筑物理性能分级一、建筑外窗(含阳台门)的抗风压性能分级
二、建筑外窗(含阳台门)的气密性能分级
三、建筑外窗(含阳台门)的水密性能分级
四、建筑外窗(含阳台门)传热系数分级
五、建筑外窗(含阳台门)的空气隔声性能分级
六、建筑外窗(含阳台门)的采光性能分级
建筑幕墙物理性能分级标准表1建筑幕墙抗风压性能分级
表2 建筑幕墙水密性能分级
表3 建筑幕墙开启部分气密性能分级
表4 建筑幕墙整体气密性能分级
表5 建筑幕墙传热系数分级
表6 玻璃幕墙遮阳系数分级
表7 建筑幕墙空气隔声性能分级
表8 建筑幕墙采光性能分级
表9耐撞击性能:
(1)性能分级:
表10平面内变形性能和抗震要求。
建筑外门窗物理性能分级标准摘录1.玻璃幕墙物理性能分级(JG 3035—1996,GB/T15225-94)表1.1风压变形性分级分级指标等级ⅠⅡⅢⅣⅤP3,KPa ≥5.05.0>P3≥4.04.0>P3≥3.03.0>P3≥2.02.0>P3≥1.0注:表中分级值表示在此风荷载标准值作用下,幕墙主要受力构件的相对挠度值不应大于L/180,其绝对挠度值在20mm以内。
如绝对挠度超过20mm时,以20mm所对应的压力值作为分级值。
表1.2 雨水渗漏性能分级分级指标部位区别等级ⅠⅡⅢⅣⅤP,Pa固定部位≥25002500>P ≥16001600>P≥10001000>P≥700700>P≥500可开启部位≥500500>P≥350350>P≥250250>P≥150150>P≥100和固定部分相对应。
表 1.3 空气渗透性能分级分级指标部位区别等级ⅠⅡⅢⅣⅤ,m3/m·h固定部位≤0.010.01<q≤0.050.05<q≤0.100.10<q≤0.200.20<q≤0.50可开启部位≤0.50.5<q≤1.51.5<q≤2.52.5<q≤4.04.0<q≤6.0表 1.4 保温性能分级分级指标ⅠⅡⅢⅣK,W/m2·h≤0.70.7<K≤1.251.25<K≤2.02.0<K≤3.3注:表中K值为幕墙中固定部分和可开启部分各占面积的加权平均值。
表 1.5 隔声性能分级注:按不同构造单元分类进行隔声测量,然后通过传声量的计算求的整体幕墙的隔声量值。
表 1.6 耐撞击性能分级表 1.7 平面内变形性能在《建筑幕墙物理性能分级》(GB/T15225—94)中,只列表1~表5,数据与JG3035—1996相同,无表6、表7。
2.玻璃幕墙光学性能(GB/T 18091—2000)表2.1 幕墙玻璃的光学性能参数2.反射比:被物体表面反射的光通量与入射的物体表面的光通量之比,符号ρ。
表2.2紫外线相对含量2.对于博物馆,光源透过幕墙玻璃后的紫外线含量应小于75μW/1m。
建筑外窗(含阳台门)的建筑物理性能分级一、建筑外窗(含阳台门)的抗风压性能分级
二、建筑外窗(含阳台门)的气密性能分级
三、建筑外窗(含阳台门)的水密性能分级
四、建筑外窗(含阳台门)传热系数分级
五、建筑外窗(含阳台门)的空气隔声性能分级
六、建筑外窗(含阳台门)的采光性能分级
建筑幕墙物理性能分级标准表1建筑幕墙抗风压性能分级
表2 建筑幕墙水密性能分级
表3 建筑幕墙开启部分气密性能分级
表4 建筑幕墙整体气密性能分级
表5 建筑幕墙传热系数分级
表6 玻璃幕墙遮阳系数分级
表7 建筑幕墙空气隔声性能分级
表8 建筑幕墙采光性能分级。
1铝合金门窗抗风压性能分级(KN/㎡)
在各分级指标值中,门窗主要受力构件相对挠度单层、夹层玻璃挠度≤L/120,中空玻璃挠度≤L/180。
其绝对值不应超过15mm,取其小值。
2铝合金门窗水密性能分级值(N/ m2)
3铝合金门窗气密性能分级值
4建筑门窗保温性能分级值
5建筑门窗空气声隔声性能分级值(dB)
1外门窗抗风压性能分级单位为千帕
门窗主要受力杆件相对面法线挠度要求单位为毫米
2外门窗水密性能分级值单位为帕
3门窗气密性能分级值
4门窗的空气声隔声性能分级值单位为分贝
5门窗保温性能分级单位为瓦每平方米开
6门窗遮阳性能分级
7门窗采光性能分级。
建筑外门窗物理性能分级标准摘录1.玻璃幕墙物理性能分级(JG 3035—1996,GB/T15225-94)表风压变形性分级注:表中分级值表示在此风荷载标准值作用下,幕墙主要受力构件的相对挠度值不应大于L/180,其绝对挠度值在20mm以内。
如绝对挠度超过20mm时,以20mm所对应的压力值作为分级值。
表雨水渗漏性能分级注:设计时固定部分P值根据风荷载标准值除以所得数据进行确定。
可开启部分的等级和固定部分相对应。
表空气渗透性能分级,m3/m·h表保温性能分级注:表中K值为幕墙中固定部分和可开启部分各占面积的加权平均值。
表隔声性能分级注:按不同构造单元分类进行隔声测量,然后通过传声量的计算求的整体幕墙的隔声量值。
表耐撞击性能分级注:F为撞击物体的运动量。
表平面内变形性能注:ґ =△/h,式△为层间位移量,h为层高。
在《建筑幕墙物理性能分级》(GB/T15225—94)中,只列表1~表5,数据与JG3035—1996相同,无表6、表7。
2.玻璃幕墙光学性能(GB/T 18091—2000)表幕墙玻璃的光学性能参数注:1.透射比:从物体透射出的光通量与入射到物体的光通量之比,符号τ;2.反射比:被物体表面反射的光通量与入射的物体表面的光通量之比,符号ρ。
表紫外线相对含量注:1.对有紫外线要求场合,幕墙玻璃的紫外线透射比宜小于;2.对于博物馆,光源透过幕墙玻璃后的紫外线含量应小于75μW/1m。
表透视指数注:Ra光源(D65)透过玻璃后的一般显色指数。
3.建筑外门窗物理性能分级,(铝合金门GB/T8478—2003,铝合金窗GB/T8479—2003)表抗风压性能分级(GB/T7106—2002)注:·X表示用≥的具体值,取代分级代号。
在各分级指标值中,门主要受力构件相对挠度:单层、夹层玻璃小于等于L/120;中空玻璃挠度小于等于L/180。
2.分级中括号内的罗马字为86标准。
表雨水渗漏性能分级(GB/T7108—2002)注:表示用≥700Pa的具体值取代分级代号,适用于热带风暴和台风袭击地区的建筑。
建筑外窗(含阳台门)的建筑物理性能分级一、建筑外窗(含阳台门)的抗风压性能分级分级代号1 2 3 4 5 6 7 8 9分级指标P3(kpa)1.0≤P3<1.51.5≤P3<2.02.0≤P3<2.52.5≤P3<3.03.0≤P3<3.53.5≤P3<4.04.0≤P3<4.54.5≤P3<5.0P3≥5.0 注:第9级应在分级后同时注明具体检测压力差值。
P3值与工程的风荷载标准值Wk相对应,应大于或等于Wk。
Wk采用风荷载标准值计算软件计算确定。
数据摘自《建筑外门窗气密、水密、抗风压性能分级及检测方法》GB/T7106-2008。
天津市建筑节能门窗技术标准DB29-164-2010二、建筑外窗(含阳台门)的气密性能分级分级代号1 2 3 4 5 6 7 8单位缝长分级指标值q1[m3/(m·h)]4.0≥q1>3.53.5≥q1>3.03.0≥q1>2.52.5≥q1>2.02.0≥q1>1.51.5≥q1>1.01.0≥q1>0.5q2≤0.5单位面积分级指标值q2[m3/(m2·h)]12≥q2>10.510.5≥q2>9.09.0≥q2>7.57.5≥q2>6.06.0≥q2>4.54.5≥q2>3.03.0≥q2>1.5q2≤1.5注:数据摘自《建筑外门窗气密、水密、抗风压性能分级及检测方法》GB/T7106-2008。
居住建筑七层以下不应低于3级,七层及以上不应低于4级。
公共建筑不应低于4级。
1,注:天津公共建筑节能规定采暖空间外门窗气密性不应低于6级,非采暖空间采用推拉窗时,不应低于3级。
三、建筑外窗(含阳台门)的水密性能分级分级 1 2 3 4 5 6分级指标ΔP(Pa)100≤ΔP<150150≤ΔP<250250≤ΔP<350350≤ΔP<500500≤ΔP<700ΔP≥700注:数据摘自《建筑外门窗气密、水密、抗风压性能分级及检测方法》GB/T7106-2008。
建筑外窗抗风压性能分级计算及取值•设计依据:1.《建筑外门窗气密、水密、抗风压性能分级及检测方法》 GB/T7106-20082.《建筑结构荷载规范》 GB50009-20123.《建筑玻璃应用技术规程》 JGJ113-20154.《建筑结构可靠性设计统一标准》 GB50068-2018二、建筑物外窗的抗风压计算:1.风荷载标准值:根据规范《建筑结构荷载规范》GB50009-2012中8.1.1条规定:垂直于建筑物表面上的风荷载标准值,应按下列规定确定:2 计算围护结构时,应按下式计算:WK= BgZUSlUZW0式中: WK------------风荷载标准值(KN/m2);BgZ------------高度Z处的阵风系数;USl------------风荷载局部体型系数;UZ------------风压高度变化系数;W0-----------基本风压(KN/m2)。
1)基本风压:《建筑结构荷载规范》GB50009-2012中8.1.2 基本风压应采用按本规范规定的方法确定的50年重现期的风压,但不得小于0.3 KN/m2。
《建筑结构荷载规范》GB50009-2012中8.1.3全国各城市的基本风压值应按本规范附录E中E.5重现期R为50年的值采用。
全国各城市的风压摘录2)风压高度变化系数:《建筑结构荷载规范》GB50009-2012中,8.2.1对于平坦或稍有起伏的地形,风压高度变化系数应更加地面粗糙类别按表8.2.1确定。
风压高度变化系数UZ《建筑结构荷载规范》GB50009-2012中,8.3.3 计算围护构件及其连接的风荷载是,可按下列规定采用局部体型系数USl--在工程设计中风荷载体型系数USl--考虑取值为1.6(内外表面风压值之和:-1.4-0.2),当具体工程的风荷载体型系数与此值不符时,另行计算。
《建筑结构荷载规范》GB50009-2012中8.3.5 计算围护构件分荷载时,建筑物内部压力的局部体型系数可按下列规定采用:1 封闭式建筑物,按其外表面抗风压的正负情况取-0.2或0.2。
建筑外墙门窗三性检测
分级标准
The manuscript was revised on the evening of 2021
门窗节能工程
建筑外窗的气密性、保温性能、中空玻璃露点、玻璃遮阳系数和可见光透射比应符合设计要求。
住居:
公共:
定义
防雷均压环是高层建筑物为防止雷电侧击而设计的环绕建筑物周边的水平避雷带,在《建筑物防雷设计规范》GB50057-2010中已把"均压环"更名为"等电位连接环"。
做法
1、《建筑物防雷设计规范》GB50057-2010中综合第第4款及第7款,第一类防雷建筑物从30米以内起每六米设一道;而对第二类和第三类防雷建筑物没有作出要求。
2、《民用建筑电气设计规范》JGJ16-2008中,条第2款以及对第二类和第三类防雷建筑物作出要求,分别是超过45米、60米结构圈梁中的钢筋应每三层连成闭合回路,并应同防雷装置引下线连接。
均压环所有引下线、建筑物的金属结构和金属设备均应连到环上,均压环可利用电气设备的接地干线环路。
在设计上均压环应形成闭合圈,此闭合圈必须与所有的引下线连接。
要求每隔一段高度设一均压环。
门窗节能工程
6.2.2 建筑外窗的气密性、保温性能、中空玻璃露点、玻璃遮阳系数和可见光透射比应符合设计要求。
住居:
公共:
定义
防雷均压环是高层建筑物为防止雷电侧击而设计的环绕建筑物周边的水平避雷带,在《建筑物防雷设计规范》GB50057-2010中已把"均压环"更名为"等电位连
接环"。
做法
1、《建筑物防雷设计规范》GB50057-2010中综合第4.2.4第4款及第7款,第一类防雷建筑物从30米以内起每六米设一道;而对第二类和第三类防雷建筑物没有作出要求。
2、《民用建筑电气设计规范》JGJ16-2008中,11.3.3条第2款以及11.4.3对第二类和第三类防雷建筑物作出要求,分别是超过45米、60米结构圈梁中的钢筋应每三层连成闭合回路,并应同防雷装置引下线连接。
均压环所有引下线、建筑物的金属结构和金属设备均应连到环上,均压环可利用电气设备的接地干线环路。
在设计上均压环应形成闭合圈,此闭合圈必须与所有的引下线连接。
要求每隔一段高度设一均压环。
设计说明中门窗的物理性能——各种性能的分级及选定根据《建筑工程设计文件编制深度规定》4.3.3(6)设计说明应有门窗性能(指外门窗)要求,从抗风压、水密性、保温性及隔声等方面考虑。
(KN/㎡=Kpa)一、抗风压性能分9级计算方法:1.计算围护结构风荷载标准值:W k = βgz μsl μz w o (建筑结构荷载规范7.1.1-2)式中:W k为风荷载标准值(KN/㎡)Βgz为高度z处的阵风系数(建筑结构荷载规范表7.5.1)μsl 为局部风压体型系数(建筑结构荷载规范41页取1.8最大值)μz为风压高度变化系数(建筑结构荷载规范表7.2.1)w o基本风压值(建筑结构荷载规范附表D4中50年一遇)2.作用在建筑玻璃上的风荷载设计值:W = y w W k (建筑玻璃应用技术规程5.1.1)式中:W为风荷载设计值(Kpa)(根据其计算结果查抗风压性能分级表,确定抗风压等级)y w为风荷载分项系数取1.4W k为风荷载标准值(根据1式计算的值)3.计算实例:如城市市区中18层高层住宅(约60米)1)先计算风荷载标准值W kΒgz为高度z处的阵风系数查表7.5.1C类地区60米取1.69μsl 为局部风压体型系数取1.8μz为风压高度变化系数查表7.2.1C类地区60米取1.35w o基本风压值查附表D-4(郑州地区)50年一遇0.45KN/m³W k=βgz μsl μz w o=1.69×1.8×1.35×0.45=1.8482)再算风荷载设计值WW = y w W k=1.4×1.848=2.58723)查抗风压等级2.5≤P3<3.0 故取4级附表1 郑州地区抗风压性能计算郑州市区按照C类地区计算高度高度z处阵风系数风荷载体形系数风压高度变化系数基本风压风荷载标准值风荷载设计值抗风压性能等级10 2.1000 1.8000 0.7400 0.4500 1.2587 1.7622 2.0000 20 1.9200 1.8000 0.8400 0.4500 1.3064 1.8289 2.0000 30 1.8300 1.8000 1.0000 0.4500 1.4823 2.0752 3.0000 40 1.7700 1.8000 1.1300 0.4500 1.6201 2.2681 3.0000 50 1.7300 1.8000 1.2500 0.4500 1.7516 2.4523 3.0000 60 1.6900 1.8000 1.3500 0.4500 1.8480 2.5872 4.0000 70 1.6600 1.8000 1.4500 0.4500 1.9497 2.7295 4.0000 80 1.6400 1.8000 1.5400 0.4500 2.0457 2.8640 4.0000 90 1.6200 1.8000 1.6200 0.4500 2.1258 2.9761 4.0000 100 1.6000 1.8000 1.7000 0.4500 2.2032 3.0845 5.0000附表2 郑州地区抗风压性能计算郑州郊区按照B类地区计算高度高度z处阵风系数风荷载体形系数风压高度变化系数基本风压风荷载标准值风荷载设计值抗风压性能等级10 1.7800 1.8000 1.0000 0.4500 1.4418 2.0185 3.0000 20 1.6900 1.8000 1.2500 0.4500 1.7111 2.3956 3.0000 30 1.6400 1.8000 1.4200 0.4500 1.8863 2.6409 4.0000 40 1.6000 1.8000 1.5600 0.4500 2.0218 2.8305 4.0000 50 1.5800 1.8000 1.6700 0.4500 2.1373 2.9922 4.0000 60 1.5600 1.8000 1.7700 0.4500 2.2366 3.1312 5.0000 70 1.5400 1.8000 1.8600 0.4500 2.3202 3.2482 5.0000 80 1.5300 1.8000 1.9500 0.4500 2.4166 3.3833 5.0000 90 1.5200 1.8000 2.0200 0.4500 2.4870 3.4818 5.0000 100 1.5100 1.8000 2.0900 0.4500 2.5563 3.5788 6.0000二、水密性能分为6级根据09技术措施195页,水密性不应低于3级,或按当地规定选定等级。
《建筑外门窗气密、水密、抗风压性能分级及检测方法》《建筑外门窗气密、水密、抗风压性能分级及检测方法》范文如下:1、气密性能分级及检测方法建筑门窗的气密性是指外门窗在正常关闭状态时,阻止空气渗透的能力。
使用气密性好的门窗,可最大程度地节省采暖和制冷能耗。
因此,控制建筑门窗的空气渗透量成为了实现节能的一个有效途径。
但并非气密性能越高越好,至少应保证一定的换气量,不然室内空气浑浊,影响工作效率,危害身体健康。
外窗在进行气密性能检测时,首先将被测试件可开启部分进行充分密封;然后分级施加正、负压风荷载,记录达到各分级正、负荷载时附加空气渗透量;接着将密封装置去除,重复上述过程,测定总的空气渗透量。
GB/T7106-2008《建筑外门窗气密、水密、抗风压性能分级及检测方法》中规定:在标准状态下,压力差为10Pa时的单位开启缝长空气渗透量q1和单位面积空气渗透量q2作为气密性能的分级评价指标。
为了保证分级指标值的准确度,采用由100Pa检测压力差下的测定值换算为10Pa检测压力差下的相应值,将三樘试件单位开启缝长和单位面积的空气渗透量平均值作为评定指标分别进行各自所属等级评级,最后取两者中的不利级别作为该组试件所属等级。
2、水密性能分级及检测方法水密性能是指在正常关闭状态下,外窗在风雨同时作用下阻止雨水渗透的能力。
当室外风雨同时作用时,雨水通过外窗孔缝渗入室内,会浸染房间内部装修和室内陈设物件,给居民造成经济损失和不安全感。
如雨水渗入窗框型材中,未能及时排除,长期滞留在型材腔内的积水,会腐蚀金属材料、五金零件,影响正常开关,缩短外窗的使用寿命,在冬季时还会使型材产生冻裂,造成严重破坏和变形。
因此,外窗缝隙的几何形状、尺寸和暴露状况,雨量的大小及外窗室、内外压差,都直接影响水密性能的好坏。
水密性检测分为了稳定加压法和波动加压法。
需要根据各个地区环境的不同选择合适的检测方法,若在热带风暴和台风地区,应采用波动加压法;定级检测和工程所在地位非热带风暴和台风地区,可采用稳定加压法,已进行波动加压法检测可不再进行稳定加压法检测。
建筑外窗(含阳台门)的建筑物理性能分级一、建筑外门窗(含阳台门)的抗风压性能分级
二、建筑外门窗(含阳台门)的气密性能分级
三、建筑外门窗(含阳台门)的水密性能分级
四、建筑外门窗(含阳台门)传热系数分级
五、建筑门窗(含阳台门)的空气隔声性能分级
六、建筑外窗(含阳台门)的采光性能分级
建筑幕墙物理性能分级标准表1建筑幕墙抗风压性能分级
表2 建筑幕墙水密性能分级
表3 建筑幕墙开启部分气密性能分级
表4 建筑幕墙整体气密性能分级
表5 建筑幕墙传热系数分级
表6 玻璃幕墙遮阳系数分级
表7 建筑幕墙空气隔声性能分级
表8 建筑幕墙采光性能分级。
门窗物理性能的分级与选定根据《建筑工程设计文件编制深度规定》4.3.3(6)设计说明应有门窗性能(指外门窗)要求,从抗风压、水密性、气密性、保温、隔声等方面考虑。
注:1 数据摘自《建筑外门窗气密、水密、抗风压性能分级及检测方法》GB/T 7106-2008; 2 P 3值与工程的风荷载设计值W 相对应,应大于或等于W ;3 第9级应在分级后同时注明具体检测压力差值。
1.1 计算方法(1kN/m 2=1kPa )(1)计算围护结构风荷载标准值:w k =βgz μsl μz w 0 (《建筑结构荷载规范》8.1.1-2) 式中:w k —风荷载标准值;βgz —高度z 处的阵风系数;μsl —风荷载局部体型系数,最大值取2.0;μz —风压高度变化系数;w 0—基本风压值(kN/m 2)。
阵风系数β、风压高度变化系数μ注:A 类指近海海面和海岛、海岸、湖岸及沙漠地区;B 类指田野、乡村、丛林、丘陵以及房屋比较稀疏的乡镇;C 类指有密集建筑群的城市市区;D 类指有密集建筑群且房屋较高的城市市区。
(2)作用在建筑玻璃上的风荷载设计值:w =γw w k (《建筑玻璃应用技术规程》5.1.1) 式中:w —风荷载设计值;γw —风荷载分项系数,取1.4;设计时根据当地规定选用等级;2 第6级应在分级后同时注明具体检测压力差值,适用于热带风暴和台风袭击地区建筑;3 位于大风压且多雨的地区时,窗的水密性不应低于3级。
注:1 数据摘自《建筑外门窗气密、水密、抗风压性能分级及检测方法》GB/T 7106-2008,设计时根据当地规定选用等级;《XX省居住建筑节能设计标准》;2 一般情况下,在冬季室外平均风速大于或等于3.0m/S的地区,多层建筑不应低于3级,高层建筑不应低于4级;在冬季室外平均风速小于3.0m/S的地区,多层建筑不应低于2级,高层建筑不应低于3级。
注:数据摘自《建筑外门窗保温性能分级及检测方法》GB/T 8484-2008,设计时根据当地规定选定等级。
建筑外门窗物理性能分级标准摘录3.建筑外门窗物理性能分级,(铝合金门GB/T8478—2003,铝合金窗GB/T8479—2003)注:1.X·X表示用≥5.0Kpa的具体值,取代分级代号。
在各分级指标值中,门主要受力构件相对挠度:单层、夹层玻璃小于等于L/120;中空玻璃挠度小于等于L/180。
2.分级中括号内的罗马字为86标准。
注:1.XXXX表示用≥700Pa的具体值取代分级代号,适用于热带风暴和台风袭击地区的建筑。
2.分级中括号内的罗马字为86标准。
表3.3空气渗透性能分级(GB/T7107—2002)注:分级中括号内的罗马字为86标准。
注:分级指标值中括号内数字为87标准。
注:分级中括号内的罗马字为87标准。
4. 建筑外门物理性能分级表4.2 空气透透性能分级(GB/T 13686—92)表4.3 雨水渗漏性能分级(GB/T13686—92)5.塑料门建筑物理性能分级(JG/T 3017—94)表5.2 空气渗透性能q注:1.表中数值为压力差10Pa时单位缝长的空气渗透量。
2.空气渗透的合格指标为不小于2.5m3/m·h2.雨水渗漏性能的最低合格指标为不小于100Pa.6.塑料窗物理性能分级6.1塑料悬转窗物理性能分级(JG/T140—2001)塑料悬转窗包括上悬窗、下悬窗、平开下悬窗、中悬窗、立转窗。
表6.1.1抗风压性能注:1.表中××表示用≥5.0Kpa的具体数值,取代分级代号。
2. P3值与工程的风荷载标准值Wk相比,应大于Wk,工程的风荷载标准值Wk的确定方法见GBJ50009。
表6.1.2空气渗透性能注:1.表中××××表示用≥700Pa的具体值取代分级代号。
2.表中××××级窗适用于热带风暴和台风袭击地区的建筑。
表6.1.4保温性能表6.1.5隔声性能注:悬转窗的隔声性能的合格指标为不小于25dB.6.2 一般塑料窗的物理性能分级(JG/T3018—94)注:表中取值是建筑荷载规范中设计荷载取值的2.25倍。
建筑外门窗物理性能分级标准摘录
3.建筑外门窗物理性能分级,(铝合金门GB/T8478—2003,铝合金窗GB/T8479—2003)
注:1.X·X表示用≥5.0Kpa的具体值,取代分级代号。
在各分级指标值中,门主要受力构件相对挠度:单层、夹层玻璃小于等于L/120;中空玻璃挠度小于等于L/180。
2.分级中括号内的罗马字为86标准。
注:1.XXXX表示用≥700Pa的具体值取代分级代号,适用于热带风暴和台风袭击地区的建筑。
2.分级中括号内的罗马字为86标准。
表3.3空气渗透性能分级(GB/T7107—2002)
注:分级中括号内的罗马字为86标准。
注:分级指标值中括号内数字为87标准。
注:分级中括号内的罗马字为87标准。
4. 建筑外门物理性能分级
表4.2 空气透透性能分级(GB/T 13686—92)
表4.3 雨水渗漏性能分级(GB/T13686—92)
5.塑料门建筑物理性能分级(JG/T 3017—94)
表5.2 空气渗透性能q
注:1.表中数值为压力差10Pa时单位缝长的空气渗透量。
2.空气渗透的合格指标为不小于2.5m3/m·h
2.雨水渗漏性能的最低合格指标为不小于100Pa.
6.塑料窗物理性能分级
6.1塑料悬转窗物理性能分级(JG/T140—2001)
塑料悬转窗包括上悬窗、下悬窗、平开下悬窗、中悬窗、立转窗。
表6.1.1抗风压性能
注:1.表中××表示用≥5.0Kpa的具体数值,取代分级代号。
2. P3值与工程的风荷载标准值Wk相比,应大于Wk,工程的风荷载标准值Wk的确定方法见GBJ50009。
表6.1.2空气渗透性能
注:1.表中××××表示用≥700Pa的具体值取代分级代号。
2.表中××××级窗适用于热带风暴和台风袭击地区的建筑。
表6.1.4保温性能
表6.1.5隔声性能
注:悬转窗的隔声性能的合格指标为不小于25dB.
6.2 一般塑料窗的物理性能分级(JG/T3018—94)
注:表中取值是建筑荷载规范中设计荷载取值的2.25倍。
注:1.表中数值是压力差为10Pa时单位缝长空气渗透量。
2.平开型塑料窗单位缝长空气渗透量的合格指标为不大于2.0m3/m·h。
3.推拉型窗单位缝长空气渗透量的合格指标为不大于2.5m3/m·h。
表6.2.3 雨水渗漏性能△P
2.塑料窗雨水渗漏性能合格指标为不小于100Pa。
表6.2.4 保温性能K。
注:塑料窗保温性能合格指标为K。
不大于5.0W/m·K
表6.2.5
注:1.塑料窗隔声性能的合格指标为不小于25dB;
2.推拉塑料窗隔声性能指标也可按协议确定。
附:塑料窗建筑物理性能分级89标准(GB/T11793.1—89)
表2 保温性能分级
塑料悬转窗(上悬、下悬、立转)JG/T140—2001中,隔声性能相当于上表中3.4.5级。
7.建筑外窗采光性能分级(GB/T11976—2002)
注:Tr透光折减系数:透射漫射光照度与漫射光照度之比,指建筑外窗在漫射光照射下透过光的能力。
8.中空玻璃常用尺寸(GB/T11944—2002)
9、单扇平开多功能户门物理性能分级(JG/T3045—1999)
表9.3 基本物理性能
10.木门、木窗(JG/T122—2000)
11、彩板门窗物理性能分级(JG/T3041—1997)
表11.1 彩板窗抗风压性能,空气渗透性能和雨水渗漏性能分级
表11.3 彩板窗隔声性能分级
12、钢门窗
1、钢窗(GB/T 13684—92)
表
表
13、常用门窗、幕墙物理性能指标选用推荐表
表13.1 常用门窗物理性能指标选用表
注:各指标单位详见相应的标准。
本表建议值,仅供各单位同行参考。
根据GB50189-2005的要求:3级单位缝长的空气渗透性能q1≤1.5m3/m·h,单位面积的空气渗透性能q2≤1.2m3/m2·h。