生活垃圾焚烧锅炉 、燃气-蒸汽联合循环电站余热锅炉
- 格式:pdf
- 大小:559.94 KB
- 文档页数:5
标题:燃气-蒸汽联合循环机组余热锅炉水汽质量控制标准探析在工业领域,燃气-蒸汽联合循环机组正逐渐成为一种高效利用能源的方式。
在这种机组中,余热锅炉起着至关重要的作用,它能够在保证供热和供电的同时实现废热的再利用。
而在余热锅炉中,水汽质量控制标准是一个至关重要的环节,它直接关系到余热锅炉的效率和安全运行。
本文将深入探讨燃气-蒸汽联合循环机组余热锅炉水汽质量控制标准,旨在全面了解其背后的原理和标准要求。
1. 燃气-蒸汽联合循环机组的工作原理在燃气-蒸汽联合循环机组中,燃气轮机和蒸汽轮机相互协作,共同驱动发电机发电。
在这个过程中,燃气轮机利用燃气的燃烧产生动力,然后排出的高温高压燃气进入余热锅炉。
在余热锅炉中,燃气的余热被利用,将水加热为蒸汽并驱动蒸汽轮机发电。
由于余热锅炉中的蒸汽在整个循环中起着至关重要的作用,因此水汽质量的控制显得尤为重要。
2. 余热锅炉水汽质量控制标准的标准要求余热锅炉水汽质量控制标准需要满足一系列的标准要求,以确保其正常运行和高效工作。
蒸汽的干度和含水量需要符合相关标准,干度过高或含水量过大都会影响锅炉的效率。
在余热锅炉的运行过程中,对水汽的流量、温度和压力也有着严格的要求。
对于余热锅炉内部的水汽控制设备,其稳定性和自动调节能力也应该符合相应的标准要求。
3. 个人观点和理解我认为,燃气-蒸汽联合循环机组余热锅炉水汽质量控制标准是确保整个机组高效运行的关键之一。
在实际运行中,要严格按照标准要求对水汽质量进行监测和调节,以保证锅炉的高效、安全运行。
对于新型余热锅炉设备的研发和改进,也需要结合水汽质量控制标准进行全面考量,以提高其整体性能和效率。
总结而言,燃气-蒸汽联合循环机组余热锅炉水汽质量控制标准是一个复杂而又重要的主题。
对其深入理解和掌握,对于相关从业人员和研究人员来说都具有重要意义。
只有充分理解其原理和标准要求,才能更好地指导实际工程应用和设备改进。
希望通过本文的探讨,能对该主题有一个更深入、全面的理解与认识。
燃气—蒸汽联合循环在世界范围内,使用化学燃料通过热力动力机械发电的火力发电量仍然占据最高的比例。
从节约资源和保护环境等各方面来说,作为一种重要的发电装置,火力发电机组首先要求有高的热效率。
在大型热力发电设备中,目前技术水平比较成熟的,能够经济地大规模应用的只有燃气轮机和蒸汽轮机。
但是它们的热效率都不高,一般都在38—42%左右,即使最先进的燃气轮机热效率也只能达到42—44%,最先进的超临界参数蒸汽轮机热效率也只能达到43—45%。
对这两种热力机械所使用的热力循环进行分析。
燃气轮机燃气初温很高,目前的技术水平一般能达到1350—1430℃,因此燃气轮机中的热力循环平均吸热温度高,但是它的排气温度也就是循环低温也高,一般要达到450—630℃,所以燃气轮机热力循环的卡诺效率不高。
蒸汽轮机虽然循环低温较低,也就是蒸汽的冷凝温度可以降低到30—33℃,但是由于受到材料上的限制,它的蒸汽初温不高,在目前的技术水平下一般难以达到600℃,即使采用再热之后,平均吸热温度也不会太高,所以蒸汽轮机热力循环的卡诺效率也不高。
进一步分析可以发现,蒸汽轮机蒸汽初温一般在535—565℃以下,所以实际上只要有570—610℃的热源就可以让蒸汽轮机工作,而燃气轮机的排气温度就很高,在排气中蕴含着大量的热能,能够给蒸汽轮机提供所需要的热能。
因此如果使用燃气轮机排气作为蒸汽轮机的热源,蒸汽轮机就可以不额外消耗燃料了。
也就是说,蒸汽轮机可以回收燃气轮机的排气热量,额外发出一些有用功,这样就相当于增加了燃气轮机的热效率。
如前所述,目前先进的燃气轮机和蒸汽轮机的热效率基本相当,都在38—42%左右,那么,此时这个相当于增加了燃气轮机热效率的系统,热效率必然比单纯的燃气轮机和蒸汽轮机都高。
实际上,如果把上述由燃气轮机和蒸汽轮机组成的系统看成一个整体,那么在它的热力循环中,循环高温就是燃气轮机的循环高温,而循环低温则是蒸汽轮机的冷凝温度。
附录A 生活垃圾焚烧锅炉安装A.1一般规定A.1.1本附录适用于机械炉排焚烧电站锅炉的施工。
A.1.2本附录中未涉及热解焚烧和旋转窑焚烧设备,施工参照厂家、设计技术文件或接近的验收标准。
A.1.3本附录中编制了生活垃圾焚烧电站锅炉安装中独有的施工内容的要求,其他部分的施工引用本部分中相关章节的标准。
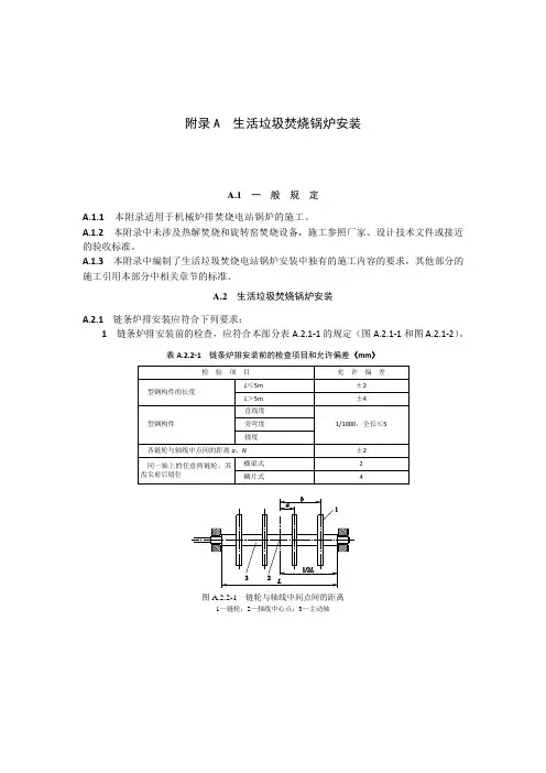
A.2生活垃圾焚烧锅炉安装A.2.1链条炉排安装应符合下列要求:1 链条炉排安装前的检查,应符合本部分表A.2.1-1的规定(图A.2.1-1和图A.2.1-2)。
表A.2.2-1链条炉排安装前的检查项目和允许偏差(mm)图A.2.2-1 链轮与轴线中间点间的距离1—链轮;2—轴线中心点;3—主动轴图A.2.2-2 链轮的齿尖错位2 链条炉排安装时允许偏差应符合表A.2.1-2的规定。
表A.2.1-2安装链条炉排允许偏差(mm)注:墙板的检测点宜选在靠近前后轴或其他易测部位的相应墙板顶部,打冲眼测量。
3对鳞片或横梁式链条炉排在拉紧状态下测量,各链条的相对长度差不得大于8mm。
4炉排片组装不可过紧或过松,装好后应用手扳动,转动宜灵活。
5 边部炉条与墙板之间,应有膨胀间隙。
6 往复炉排安装时,允许偏差应符合本部分表A.2.1-3的规定。
表A.2.1-3往复炉排安装的允许偏差(mm)7炉排冷态试运转宜在筑炉前进行,并应符合下列要求:1)冷态试运转运行时间,链条炉排不应小于8h;往复炉排不应小于4h;试运转速度不应少于两级,在由低速到高速的调整阶段,应检查传动装置的保安机构动作。
2)炉排转动应平稳,无异常声响、卡住、抖动和跑偏等现象。
3)炉排片应能翻转自如,且无突起现象。
4)滚柱转动应灵活,与链轮啮合应平稳、无卡住现象。
5)润滑油和轴承的温度均应正常。
6)炉排拉紧装置应留适当的调节余量。
8 燃料闸门及炉排轴承冷却装置应作通水检查,且无泄漏现象。
9 燃料闸门升降应灵活,开度应符合设计要求,煤闸门下缘与炉排表面的距离偏差不应大于10mm。
生活垃圾焚烧余热锅炉
生活垃圾焚烧余热锅炉是一种将生活垃圾焚烧产生的余热用于发电和供暖的环
保设备。
随着城市化进程的加快和人口的增加,生活垃圾处理成为了一个大问题。
传统的填埋和焚烧处理方式不仅浪费资源,还会对环境造成污染。
而生活垃圾焚烧余热锅炉的出现,为生活垃圾处理带来了新的解决方案。
生活垃圾焚烧余热锅炉的工作原理是将生活垃圾通过高温焚烧,产生的热能用
于发电和供暖。
在焚烧过程中,通过余热锅炉将热能转化为蒸汽,驱动发电机发电,同时利用余热进行供暖。
这种方式不仅可以减少生活垃圾对环境的污染,还可以有效利用资源,实现能源循环利用。
生活垃圾焚烧余热锅炉的应用可以有效缓解城市垃圾处理压力,减少填埋场的
占地面积,减少焚烧产生的二氧化碳排放。
同时,通过发电和供暖,还可以为城市提供清洁能源和热能,为城市环境改善和经济发展做出贡献。
然而,生活垃圾焚烧余热锅炉也面临一些挑战。
首先是焚烧过程中产生的废气
和废渣处理问题,需要采取科学有效的措施进行处理,以确保环境不受污染。
其次是设备的投资和运营成本较高,需要政府和企业共同努力,制定政策和措施,推动生活垃圾焚烧余热锅炉的推广和应用。
总的来说,生活垃圾焚烧余热锅炉是一种环保、高效的生活垃圾处理方式,可
以有效缓解城市垃圾处理压力,减少环境污染,为城市提供清洁能源和热能。
在未来的发展中,我们期待生活垃圾焚烧余热锅炉能够得到更广泛的应用,为城市可持续发展做出更大的贡献。
联合循环电站中余热锅炉主要参数的计算与选择下载提示:该文档是本店铺精心编制而成的,希望大家下载后,能够帮助大家解决实际问题。
文档下载后可定制修改,请根据实际需要进行调整和使用,谢谢!本店铺为大家提供各种类型的实用资料,如教育随笔、日记赏析、句子摘抄、古诗大全、经典美文、话题作文、工作总结、词语解析、文案摘录、其他资料等等,想了解不同资料格式和写法,敬请关注!Download tips: This document is carefully compiled by this editor. I hope that after you download it, it can help you solve practical problems. The document can be customized and modified after downloading, please adjust and use it according to actual needs, thank you! In addition, this shop provides you with various types of practical materials, such as educational essays, diary appreciation, sentence excerpts, ancient poems, classic articles, topic composition, work summary, word parsing, copy excerpts, other materials and so on, want to know different data formats and writing methods, please pay attention!联合循环电站中余热锅炉主要参数的计算与选择1. 引言在联合循环电站中,余热锅炉的设计和选择是至关重要的环节。
垃圾发电厂通常通过焚烧垃圾产生热能,并将其中的余热用于发电或供热。
其中,余热锅炉是将焚烧过程中产生的高温废气余热转化为蒸汽,驱动汽轮机发电的设备。
以下是垃圾发电厂余热锅炉的一般工作流程:1.垃圾焚烧:垃圾发电厂首先收集和处理城市生活垃圾,将垃圾投入焚烧炉内。
在焚烧过程中,垃圾会被高温燃烧,产生大量热能,同时释放废气和灰渣。
2.余热回收:焚烧过程中产生的高温废气被引导到余热回收系统。
这些废气中蕴含大量热能,通过余热回收系统将其余热传递给锅炉。
3.余热锅炉:余热回收系统中的余热被引导到余热锅炉中。
余热锅炉是一种特殊的锅炉,通过热交换器将余热传递给水,将水加热成蒸汽。
这种蒸汽具有足够高的温度和压力,可以用于驱动汽轮机发电。
4.蒸汽发电:通过余热锅炉产生的高温高压蒸汽被送入汽轮机。
汽轮机内的蒸汽将蒸汽能量转化为机械能,带动发电机发电,产生电能。
5.发电输出:由发电机产生的电能被送入发电厂的电网,供应给城市和工业用电。
6.废气处理:在垃圾焚烧过程中产生的废气经过处理系统,例如烟气净化器和除尘设备,以减少对环境的污染。
7.灰渣处理:焚烧过程中产生的灰渣经过处理和分类,其中可回收的物质可以进行资源化利用,不可回收的部分则进行妥善处理,以减少环境影响。
8.监测和维护:在整个工作流程中,对垃圾焚烧、余热回收、余热锅炉和发电等各个环节进行监测和维护,以确保设备的稳定运行和安全性。
以上是垃圾发电厂余热锅炉的一般工作流程,具体情况可能因设备类型、技术配置和管理要求而有所不同。
垃圾发电厂在发电的同时,通过余热利用和废气处理等措施,实现了资源的最大化利用和环境保护。
燃气-蒸汽联合循环机组余热锅炉水汽质量控制标准燃气-蒸汽联合循环机组余热锅炉的水汽质量控制标准对于保证机组的正常运行和提高热能回收效率至关重要。
本文将探讨该标准的重要性、应遵循的原则和具体的控制要求。
首先,燃气-蒸汽联合循环机组是一种高效能的热能回收设备,它可以将废热转化为有用的蒸汽能量,从而提高热能利用效率。
然而,如果余热锅炉中的水汽质量不达标,不仅会影响机组的正常运行,还可能对环境造成负面影响。
因此,制定燃气-蒸汽联合循环机组余热锅炉水汽质量控制标准是非常必要的。
其次,制定燃气-蒸汽联合循环机组余热锅炉水汽质量控制标准应遵循以下原则:1.安全性原则:确保余热锅炉的水汽质量满足安全要求,防止因质量问题导致事故发生。
2.经济性原则:在保证安全的前提下,尽可能降低水汽的处理成本,提高热能回收效率。
3.环保性原则:保障水资源的合理利用,减少对环境的污染。
具体的燃气-蒸汽联合循环机组余热锅炉水汽质量控制要求如下:1.总体水质要求:余热锅炉中的水汽应符合国家相关标准的要求,如水中离子含量、总溶解固体、浊度等指标应在规定范围内。
2. pH值控制:pH值是反映水的酸碱性的指标,对于余热锅炉中的水汽来说,合适的pH值可以减少腐蚀和水垢的产生。
因此,pH值应在6.5-8.5之间。
3.氧含量控制:余热锅炉中的氧含量是一个重要的指标,过高的氧含量会导致金属材料的腐蚀和锅炉水垢的形成。
因此,应采取合适的措施将氧含量控制在规定的范围内。
4.水垢控制:余热锅炉中水垢的产生会影响锅炉的热传导效率和冷凝能力。
因此,应采取适当的措施降低水垢的生成,如控制水质中的钙、镁离子含量,定期进行清洗和除垢。
5.硅沉淀控制:硅沉淀是余热锅炉中常见的问题,它会附着在热交换设备的表面,影响热传导效率。
因此,应采取措施控制水中的硅含量,如添加硅沉淀剂进行沉淀和过滤处理。
综上所述,燃气-蒸汽联合循环机组余热锅炉水汽质量控制标准是确保机组正常运行和提高热能回收效率的重要保证。
燃气—蒸汽联合循环发电(CCPP)技术介绍摘要:随着武钢“十一五”计划的全面完成,青山本部的1800万吨产能的形成,整个煤气的发生量也创下历史新高。
然而,随着近年来能源的日趋紧张,节能环保要求的不断提高,国内外的发电技术突飞猛进,常规的燃煤气锅炉和蒸汽发电技术由于其效率较低、污染物排放等原因,已经逐渐被高效率、低污染、启停快等诸多优点集于一身的燃气蒸汽联合循环发电技术(即CCPP)所替代,并随着不同煤气热值的燃机技术的开发,逐渐在钢铁行业占据了主导地位。
关键字:燃气轮; 发电机; CCPP工艺PP原理介绍燃气-蒸汽联合循环发电技术(CCPP)就是利用燃气轮机做功后的高温排气在余热锅炉中产生蒸汽,再送到汽轮机中做功,把燃气循环和蒸汽循环联合在一起的循环,是由燃气轮机发电和蒸汽轮机发电叠加组合起来的联合循环发电装置。
在常规蒸汽发电中,锅炉产生蒸汽用来发电是利用蒸汽朗肯热力循环来作功,作功发电是利用蒸汽的状态变化来完成的。
燃料燃烧产生的高温烟气(1200~1600℃)只用于加热蒸汽(蒸汽一般加热到450~560℃),然后由蒸汽驱动汽轮机来发电。
此时,高温烟气的作功能力(温度差和压力能)(即燃气布雷登热力循环的作功能力)被浪费掉了。
在CCPP装置中,有燃气-蒸汽两个热力循环,即:燃气布雷登热力循环和蒸汽朗肯热力循环。
1~2为空气在压气机中的压缩过程;2~3为空气和燃料在燃烧室内的燃烧过程(工质吸热);3~4s为燃气在燃气透平中的膨胀做功过程;4s~1为燃气轮机排气放热过程。
a~b为给水在给水泵中压缩过程b~d为给水在锅炉中蒸发、过热过程(工质吸热);d~e为蒸汽在汽轮机中膨胀做功过程;e~a为蒸汽在凝气凝结放热过程。
2.CCPP主要工艺介绍2.1燃气轮发电机燃气-蒸汽联合循环发电技术(CCPP)其核心设备是燃气轮发电机,自从1939年瑞士BBC公司研制成功世界第一台4MW的工业性燃气轮机以来,世界各国都大力研究和发展燃气轮机发电技术。
• 57•燃气蒸汽联合循环余热锅炉简述晋能电力集团有限公司嘉节燃气热电分公司 韩小安该文介绍了余热锅炉汽水系统和烟气系统,并对项目主要特点进行详细分析。
山西太原嘉节燃气热电联产项目由2台F级燃气轮机(2×298MW)、2台余热锅炉、1台蒸汽轮机(1×264MW)及三台发电机组成,总装机容量860MW。
该项目余热锅炉为东方菱日锅炉有限公司生产的三压、一次再热、卧式、无补燃、自然循环BHDB-M701F4-Q1型余热锅炉,主要由进口烟道、换热室及各级受热面模块、高中低压汽包、除氧器、出口烟道、烟囱以及高中压给水泵、低压省煤器再循环泵、排污扩容器等辅机以及管道、平台扶梯等部件组成。
锅炉本体受热面采用模块结构设计,由垂直布置的顺列和错列螺旋鳍片管和进出口集箱组成。
以下就该机组汽水系统、烟气系统及项目主要特点等进行介绍:1 汽水系统锅炉汽水系统分为:高压、中压(再热)、低压系统含除氧器系统,各系统的参数见表1。
表1 余热锅炉技术规范名称单位100%负荷纯凝工况余热锅炉高压蒸汽流量t/h274.6余热锅炉高压蒸汽压力MPa12.32余热锅炉高压蒸汽温度℃540余热锅炉再热蒸汽流量t/h329.8余热锅炉再热蒸汽压力MPa 3.15余热锅炉再热蒸汽温度℃568余热锅炉中压蒸汽流量t/h64.4余热锅炉中压蒸汽压力MPa 3.33余热锅炉中压蒸汽温度℃290.1余热锅炉低压蒸汽流量t/h48.5余热锅炉低压蒸汽压力MPa0.667余热锅炉低压蒸汽温度℃244.81.1 低压系统凝结水(给水)进入凝结水加热器,凝结水加热器出口的水经低压给水调节阀后进入除氧器。
除氧器与低压锅筒采用一体化设计,即低压锅筒同时作为除氧器的水箱,除氧后的水直接进入低压锅筒。
低压锅筒内的饱和水由下降管引入低压蒸发器,蒸发器出口的汽水混合物回到低压锅筒形成自然循环;低压锅筒的饱和蒸汽,进入低压过热器,然后进入汽轮机低压缸。
垃圾焚烧余热锅炉主要设备组成作用及工作工程。
垃圾焚烧余热锅炉的主要设备组成及作用
1. 垃圾焚烧炉:这是余热锅炉系统的核心设备,负责将垃圾进行高温焚烧,产生高温烟气。
2. 余热锅炉:余热锅炉是利用垃圾焚烧产生的高温烟气进行热交换,将热能转化为蒸汽或热水的设备。
它由省煤器、蒸发器和过热器等组成。
3. 省煤器:省煤器是余热锅炉的预热部分,主要作用是利用高温烟气的热量预热锅炉给水,提高给水温度,从而提高整个余热锅炉的热效率。
4. 蒸发器:蒸发器是余热锅炉的主要组成部分,它利用高温烟气的热量将水转化为蒸汽。
蒸发器通常由多组受热面组成,以充分利用烟气的热量。
5. 过热器:过热器是余热锅炉的另一重要组成部分,它的作用是将蒸汽进一步加热,使其达到更高的温度。
过热器通常布置在余热锅炉的出口处,以充分利用烟气的热量。
垃圾焚烧余热锅炉的工作过程
1. 垃圾进料:垃圾通过给料装置送入焚烧炉进行高温焚烧。
2. 高温烟气产生:垃圾在焚烧炉内经过充分燃烧,产生高温烟气。
3. 热交换:高温烟气进入余热锅炉,与受热面进行热交换,将
热量传递给锅炉给水,产生蒸汽或热水。
4. 蒸汽或热水产生:锅炉给水在受热面中不断加热,最终转化为蒸汽或热水。
5. 蒸汽或热水输送:产生的蒸汽或热水通过管道输送到用户端,供暖、供热或其他用途。
6. 烟气排放:经过热交换后的低温烟气通过烟囱排放到大气中。
燃气-蒸汽联合循环机组余热锅炉水汽质量控制标准燃气-蒸汽联合循环机组是一种高效能的发电方式,利用余热锅炉将燃气发电机组的余热转化为蒸汽能量,并进一步产生电能。
在这一过程中,水汽的质量控制十分重要,因为它直接关乎到机组的稳定性和运行效率。
本文将探讨燃气-蒸汽联合循环机组余热锅炉水汽质量控制的标准和要点。
1. 概述燃气-蒸汽联合循环机组的运行离不开水汽的循环。
因此,确保水汽质量在控制范围内是关键。
在控制水汽质量方面,可以采用以下标准措施:2. 进水质量控制进水质量是控制燃气-蒸汽联合循环机组余热锅炉水汽质量的第一步。
进水中的杂质、硅酸盐含量、镁离子含量等都会对水汽的质量产生影响。
因此,必须对进水的质量进行严格的控制和监测。
一般情况下,应确保进水的总硬度、溶解氧含量、总碱度、铁离子含量以及有机物含量在一定的范围内,以提供稳定的水汽质量。
3. 脱氧器性能控制脱氧器是提高水汽质量的关键设备之一。
通过将经过脱氧器处理的水汽送入锅炉,可以减少水汽中的氧含量,从而降低腐蚀和减少燃料浪费。
因此,脱氧器的性能控制至关重要。
一般来说,脱氧器应能有效地去除水汽中的氧气,并保持稳定的脱氧效果。
4. 溶解氧控制溶解氧是水汽中的一种重要气体。
在水汽循环过程中,溶解氧容易引起腐蚀和氧化,从而影响锅炉和燃气发电机组的正常运行。
因此,必须严格控制水汽中的溶解氧含量。
可采用化学除氧、物理除氧等方法来控制溶解氧的含量。
此外,定期检测水汽中溶解氧含量的变化,及时采取相应的措施进行调整。
5. PH值控制水汽中的PH值是衡量水中酸碱程度的指标。
在余热锅炉水汽中,PH值的控制非常重要。
过高或过低的PH值都会对锅炉和燃气发电机组的运行产生负面影响。
因此,在运行中需要定期检测水汽的PH值,并根据检测结果进行相应的调整,以保持水汽的稳定性。
6. 污染物控制在燃气-蒸汽联合循环机组中,水汽中的污染物会引起管道堵塞和设备损坏等问题。
因此,必须定期对水汽中的污染物进行清理和控制。
收稿日期:2001-01-05 作者简介:杨伟良(1969-),男,山东淄博人,工程师。
1991年毕业于哈尔滨工业大学,从事锅炉性能设计和总体布置工作。
文章编号:C N23-1249(2001)02-0012-04燃气———蒸汽联合循环余热锅炉概述杨伟良,徐栋梅,吕震宇,宋占启(哈尔滨锅炉厂有限责任公司,黑龙江 哈尔滨 150046)摘 要:简述了联合循环发电机组的发展状况。
对联合循环余热锅炉从其工作原理,设计关键点的控制,汽水系统、结构特点等四个方面进行了较详细的论述。
对联合循环余热锅炉的研究开发,优化设计有一定的参考意义。
关键词:燃气———蒸汽联合循环;余热锅炉;单压系统;多压系统;旁通烟囱;螺旋鳍片管中图分类号:TK 229 文献标识码:AG as -steam Combined Cycle H eat R ecovery Boiler I ntroductionY ANG Wei -Liang ,XU Dong -mei ,LU Zhen -yu ,SONG Zhan -qi(Harbin Boiler C o ,Ltd.,Harbin 150046,China )Abstract :The developing situats on of G as -steam combined cycles is introduced.s ome items of heat re 2covery boilers are discuessed ,such as principle.critical points of the design ,steam and water system.the construction characteristics.it ′s useful for heat recoiry boiler developing and designing.K ey w ords :G as -steam combind cycles ;heat recovery boiler ;single -pressule system ;multiple -pres 2sule system ;bypass duct ;spiral finned tube0 引 言燃气轮机排气的温度较高,利用排气的余热,作为蒸汽循环的热源或补充热源,组成燃气———蒸汽联合循环,可以达到较高的热效率。
附录A 生活垃圾焚烧锅炉A.1一般规定A.1.1本附录适用于机械炉排焚烧电站锅炉的施工。
A.1.2本附录中未涉及热解焚烧和旋转窑焚烧设备,施工参照厂家、设计技术文件或接近的验收标准。
A.1.3本附录中编制了生活垃圾焚烧电站锅炉安装中特有的施工内容,其他部分的施工应按本部分相关章节执行。
A.2生活垃圾焚烧锅炉A.2.1链条炉排安装应符合下列要求:1 链条炉排安装前的检查允许偏差应符合表A.2.1-1的规定(图A.2.1-1和图A.2.1-2)。
表A.2.1-1链条炉排安装前的检查允许偏差(mm)检验项目允许偏差L≤5m ±2型钢构件的长度L>5m ±4直线度1/1000,全长≤5型钢构件旁弯度挠度各链轮与轴线中点间的距离a、N±2横梁式 2同一轴上的任意两链轮,其齿尖前后错位鳞片式 4图A.2.1-1 链轮与轴线中间点间的距离1—链轮;2—轴线中心点;3—主动轴图A.2.1-2 链轮的齿尖错位2 链条炉排安装允许偏差应符合表A.2.1-2的规定。
表A.2.1-2 链条炉排安装允许偏差(mm )检 验 项 目允 许 偏 差炉排中心位置2 左右支架墙板对应点高度差 ±5 墙板的垂直度,全高3 跨距≤5m+3 0 墙板间的距离跨距>5m+5 0 ≤5m 4 墙板间对角线的长度之差>5m8 墙板框的纵向位置 5墙板顶面的纵向水平度长度的1/1000,且不大于5两墙板的顶面应在同一平面上,其相对高度差 5前轴、后轴的水平度长度的1/1000,且不大于5各道轨应在同一平面上,其平面度 5 相邻两道轨间的距离±2 相邻2 任意两导轨间上表面相对高度差 3 鳞片式炉排相邻导轨间距±2 链带式炉排支架上摩擦板工作面应在同一平面上,其平面度3 前、后、中间梁之间高度≤2 横梁式炉排上下导轨中心线位置≤1注:墙板的检测点宜选在靠近前后轴或其他易测部位的相应墙板顶部,打冲眼测量。
3 对鳞片或横梁式链条炉排在拉紧状态下测量,各链条的相对长度差不得大于8mm 。
4 炉排片组装不可过紧或过松,装好后应用手扳动,转动宜灵活。
5 边部炉条与墙板之间,应有膨胀间隙。
A.2.2往复炉排安装允许偏差应符合表A.2.2的规定。
表A.2.2 往复炉排安装允许偏差(mm )项 目允 许 偏 差两侧板的相对标高3跨距≤2m +3 0两侧板间的距离跨距>2m +4 0两侧板的垂直度,全高 3两侧板间对角线的长度之差 5A.2.3与炉排连接的设备及管道应符合下列规定:1 燃料闸门及炉排轴承冷却装置应作通水检查,且无泄漏现象。
2燃料闸门升降应灵活,开度应符合设计要求,煤闸门下缘与炉排表面的距离偏差不应大于10mm。
3挡风门、炉排风管及其法兰接合处,各段风室落灰门等均应平整,密封良好。
4挡渣铁应整齐地贴合在炉排面上,在炉排运转时不应有顶住、翻倒现象。
5侧密封块与炉排的间隙应符合设计要求,防止炉排卡住、漏渣和漏风。
A.2.4炉排冷态试运转宜在筑炉前进行,并应符合下列要求:1 冷态试运转运行时间,链条炉排不应小于8h;往复炉排不应小于4h;试运转速度不应少于两级,在由低速到高速的调整阶段,应检查传动装置的保安机构动作。
2 炉排转动应平稳,无异常声响、卡住、抖动和跑偏等现象。
3 炉排片应能翻转自如,且无突起现象。
4 滚柱转动应灵活,与链轮啮合应平稳、无卡住现象。
5 润滑油和轴承的温度均应正常。
6 炉排拉紧装置应留适当的调节余量。
A.2.5烟气净化装置安装应符合下列要求:1 结构安装应按本部分第4章执行。
2 反应塔安装允许偏差应符合表A.2.5的规定。
表A.2.5反应塔安装允许偏差项目允许偏差锥体外径周长≤20mm锥体偏心度≤70mm高度≤10mm反应塔锥体相邻纵向焊缝错开60°筒体最大和最小直径≤25mm高度≤10mm筒体垂直度≤12mm反应塔筒体相邻纵向焊缝错开30°A.3工程验收A.3.1生活垃圾焚烧锅炉安装应分阶段进行质量验收。
A.3.2施工质量验收应具备下列记录和签证:1 炉排安装记录;2 反应塔安装记录。
3炉排的分部试运签证。
4 反应塔隐蔽签证单。
附录B 燃气—蒸汽联合循环电站余热锅炉B.1 一 般 规 定B.1.1 本附录适用于燃气—蒸汽联合循环电站余热锅炉(以下简称燃机余热锅炉)安装。
燃机余热锅炉设备主要分立式和卧式两大类型,在实际安装与验收中,本附录中未涉及或其他单位工程未列出的设备,参照相关规范及厂家、设计技术文件。
B.1.2 本附录中锅炉钢结构及有关金属结构、锅炉附属管道、烟道、锅炉炉墙、热力设备和管道的保温油漆等安装按本部分相关章节要求执行。
B.2 构架及有关金属结构安装B.2.1 锅炉钢结构基础件应按图纸编号、安装,固定点就位正确,滑动基础滑动面内清洁干净,做好防腐措施,膨胀方向正确,按图纸要求预留膨胀值。
B.2.2 护板与钢架成模块供货的,钢架护板接头和角部等现场装设内保温处应填满保温材料,保温材料应错缝压紧,内衬板搭装应注意顺烟气流向并能保证自由膨胀。
B.2.3 顶护板与侧护板结合后进行密封焊接,并进行渗漏检查。
B.2.4 吊挂装置在安装过程中,不得在这些部件上引弧和施焊。
B.2.5 本体钢架、护板及烟道等部件的墙板现场焊接应严格按图施工,密封焊缝应进行渗油检查;机组整套启动前宜按制造厂及时文件要求进行风压试验检查。
B.2.6 锅炉保温要按保温说明书、保温图纸以及内护板图纸施工。
B.2.7 固定内护板的螺钉其布置定位节距要准确。
B.2.8 安装内护板时,注意搭接的方向及顺序。
B.2.9 检修孔及人孔的内护板现场按图纸开孔,开孔处四周保温材料要用支撑钉和弹性压板固定,弹性压板只能使用一次。
B.2.10 对结构复杂的保温区域,应适当裁剪保温材料,空隙处填满保温材料达到150kg/m2~200kg/m2。
B.2.11 现场把保温材料装好,用垫圈、螺母拧紧内护板后,必须把螺母拧松近一圈,使内护板受热后能自由膨胀,然后点焊螺母。
B.2.12 炉顶护板及穿炉墙处的密封件安装要保证图纸膨胀尺寸,并经无损检测其密封性。
B.2.13 顶部模块之间保温需填补充实,密封焊缝需要进行MT检查。
B.3 受 热 面 安 装B.3.1 模块吊装前需要复测模块顶部管接座相对尺寸和模块外形尺寸,同时对模块进行外观检查,并办理相关签证。
B.3.2 模块供货的受热面管屏在起吊过程中应防止变形过大而损伤管屏。
B.3.3 模块运到现场后,应全面清理模块内的杂物,并全面复测其外形尺寸。
B.3.4 管屏吊装完毕后,应及时调整模块的水平度、垂直度、标高和模块横向、纵向尺寸;并将模块内各管屏用金属连杆连接并按图焊接固定。
B.3.5 锅炉模块吊装完毕后,吊架主要承力焊缝必须进行无损检查。
B.3.6 各受热面模块的吊梁标高、模块间距离及模块到侧墙内衬的距离应符合图纸要求。
B.3.7 模块纵横中心、水平度与钢结构墙板距离尺寸应满足技术要求;模块安装允许偏差符合表B.3.7。
表B.3.7 模块安装允许偏差(mm)检 查 项 目 允 许 误 差吊梁标高 ±5模块中心至锅炉中心 ±5模块前后集箱到基准点(横梁) ±5模块水平度 3模块垂直度 ±10B.3.8 管屏组装完毕后,组装烟气阻隔板不得妨碍水压试验检查;水压试验检查后,组装剩余烟气阻隔板。
B.3.9 连接管道在受热面模块找正固定后方可开始安装。
B.3.10 汽包支撑底座安装完毕后需要对其水平进行检测,水平度不大于2mm。
B.3.11 汽包底部滑动块安装前须进行清理和防腐处理。
B.4 烟 道 安 装B.4.1 出口烟道及烟囱安装应符合下列要求:1 钢架护板尾部出口和烟囱进口烟道(即出口膨胀节两端接口)的标高符合图纸;2 烟囱烟气入口的中心线与本体钢架护板的中心线一致,相对误差不大于5mm;3 烟囱的垂直度偏差应不大于烟囱长度的1/1000且不大于20mm。
B.4.2 烟道补偿器对接时要注意补偿器的方向。
组件吊装时为防止补偿器的变形,在地面组合时应采取必要的加固措施。
B.4.3 锅炉钢烟囱安装应符合下列要求:1 每节筒身组合应在稳固的组合架上进行,组合架应找平;2 烟囱筒身组合时注意焊接顺序并留有适当的焊接收缩量,避免焊接后组合尺寸超出允许偏差;3 所有对接焊缝必须进行煤油渗透试验。
B.4.4 钢烟囱安装允许偏差应符合表B.4.4的规定:表B.4.4钢烟囱安装允许偏差(mm)检验项目 允许偏差烟囱任一截面的最大直径和最小直径之差应不大于该截面的1%;烟囱端面的倾斜度 ≤5烟囱弯曲度 ≤1/1000筒体长,且≤20烟囱筒体扭转值 ≤1/1000筒体长,且≤20裙座中心线 ±5裙座标高 ±5烟囱垂直度 ≤1/1000筒体长,且≤20连接端面对角线 ≤5连接端面水平度 ≤5。