TSP炮孔布置图(分离式隧道)
- 格式:docx
- 大小:13.77 KB
- 文档页数:3
炮眼布置图(半圆拱断面)比例:1:50根据现场实际岩层硬度对炮眼个数及装药量适当增减(炮眼个数不得超过5个,装药量不超过3kg),但炮眼间距及封泥量必须符合要求。
主题:炮眼掏槽已阅:517 / 回复:0 / (楼主)一、斜眼掏槽1.单斜掏槽:单斜掏槽适用于中硬及较软的岩层,当岩层中有松软的夹层和层理、节理与裂隙结构时,各掏槽眼应尽量垂直地穿过层理、节理和裂隙,并处于巷道中心线上,避免夹钎或崩倒支架。
掏槽眼数一般为1~3个,眼距为0.3~0.6 m,与工作面的平面夹角为50 °~75 °,眼深为0.8~1.5 m,装药满度系数为0.5左右。
2.扇形掏槽:适用于软岩层中有弱面可利用的巷道。
它把炮眼布置在较软的煤岩层中并成一排,炮眼向同一方向倾斜,与工作面的平面夹角一个比一个大,形成扇形。
掏槽眼的方向可随软层的位置选定,一般为3~5个,眼距为0.3~0.6 m,眼深通常为1.3~2.0 m,装药满度系数为0.5左右,各槽眼利用多段延期雷管依次起爆。
3.锥形掏槽:在只有一个自由面的坚硬岩石或均质岩石中爆破时,采用锥形掏槽。
锥形掏槽就是将几个掏槽炮眼的眼底,集中在一点附近,实行集中装药,一齐起爆的方法。
锥形掏槽可分为三眼或四眼锥形掏槽,掏槽呈锥形。
眼数、眼深和眼距根据断面大小及岩石软硬而定。
眼数一般为3~6个,多为4个。
眼口左右间距为0.8~1.2 m,上、下间距为0.6~1.0 m,眼底间距为0.1~0.2 m,眼深应小于巷道高或宽的1/2,各槽眼同时起爆,为了加深掏槽深度和循环进度,可采用分段锥形掏槽。
锥形掏槽因槽眼方向不易掌握,钻眼工作不方便,眼深受到限制,目前在巷道掘进中已很少使用。
4.楔形掏槽:楔形掏槽和锥形掏槽一样,都是尽量在炮眼底集中装药,使炸药爆炸时形成更大的威力把岩石爆破成抛掷漏斗,集中装药在眼底呈一条直线。
槽眼对称布置,分水平楔形掏槽和垂直楔形掏槽两种,均为同时起爆。
1、TSP203探测系统见下图:
图1 TSP203系统的记录单元
图2 TSP203系统的接收器
图3 TSP203系统的连接线
2、TSP203测量系统测量组件的标准测量方式如图4所示:
图4 TSP203系统组件标准测量图示
3、采用TSP203探测系统预报时,现场工作布置如下:
(1)接收器钻孔布置方法:
接收器钻孔数量:1个,在隧道左或右壁面布置一个。
接收器钻孔直径:43-45mm/孔深2m。
接收器钻孔布置:沿轴径向,向上倾斜10度;布置高度:离地面约1米;
布置位置:离掌子面大约55米位置。
(2)爆破钻孔布置方法:
爆破钻孔数量:在隧道左或右壁面布置24个(根据岩层走向确定在左或右),
根据实际情况可以选择18-24个。
爆破钻孔直径:38mm(20-45mm)/孔深1.5m(最小0.8m.最大2.0m)。
爆破钻孔布置:沿轴径向,向下倾斜10度(水封填炮泥);布置高度:离地
面约1米;布置位置:第一个钻孔离接收器约20米,其余
炮眼间距1.5米。
注:现场检测一般将接收器和爆破钻孔布置在同一侧。
TSP法隧道超前地质预报技术研究与应用摘要:TSP隧道的地质超前预测,是通过在隧道周围的岩石中,按照一定的排布,产生一种弹性波,当弹性波传播到三维空间时,接触声阻抗分界面,也就是地质岩相变界面、结构断层带、喀斯特及喀斯特发展带等,将发生一种弹性波反射情况,这个反射波由埋设在巷道周围岩石中的探测设备探测到,向仪器输入实施信息源的扩增、信息收集和分析。
关键词:TSP法;隧道;地质预报引言物探技术能极大地影响每天的地质灾害勘查工作。
在科学技术飞速发展的今天,在国内,物探技术已经成为了一项重要的工程,它是保证工程质量和安全的重要手段。
TSP法是利用物探技术对隧道工程进行地质预测的一种先进技术。
所以,在进行TSP探测预报的时候,一定要对隧道的地质状况有一个全面的认识,在数据采集、处理和评估的每一个环节都要有针对性,这样才能保证地质预报的可靠性和准确性。
一、TSP原理及特点(一)原理隧洞超前地质预测检测法是利用TSP进行的,它的观测系统是按空间分布的,而接收和激励系统则分别位于隧洞两侧的岩层中。
地震波的产生是通过小爆炸,电火花,撞击等方式来实现的。
TSP能对两侧及上、下两个层面的回进行甄别、过滤,只留下掌子面前的回波,防止了误报警;并给出了掌子面前的岩石波速度及地层接触面的精确图像。
地震波速度可作为岩体工程等级划分的基础,而界面可作为地质结构解释的基础。
在不同的阻抗界面条件下,地震波将会在不同的阻抗界面上被部分反射,而另一些则会传输到前方介质中。
利用高灵敏的测震仪对反射回波进行探测。
利用地震波软件对数据进行处理,就可以对隧道工作面前方不良地质体的性质、位置和规模进行了解。
(二)特点将TSP方法应用于隧道地质超前预测,能够充分利用TSP方法的高精度、高实时、大范围、易操作、易推广等优点。
首先,利用TSP方法,在隧道沿线构造地质点和地质点间构建关联地图,实现对可能发生的地质灾害的精确预报,为隧道建设提供精确的地质资料。
隧道Ⅳ级围岩开挖支护施工方案编制:复核:审核:二〇一六年四月目录1 编制原则、依据 (1)1.1 编制原则 (1)1.2 编制依据 (1)2 工程简介 (2)2.1工程概况 (2)2.2工程地质 (2)2.3地震动参数 (3)2.4气象特征 (3)2.5水文地质 (3)3 隧道开挖施工 (3)3.1 方案设计 (3)3.2 施工工艺 (4)3.3 超前小导管 (4)3.4 台阶法 (7)3.5超前地质预报 (8)3.6 爆破施工 (10)3.7 出渣运输 (14)4 监控量测 (14)4.1 量测项目 (14)4.2 量测方法和要求 (15)4.3 监测资料整理、数据分析及反馈 (15)4.4 监控量测质量保证措施 (16)5 初期支护施工 (16)5.1 径向砂浆锚杆施工 (16)5.2 钢架施工 (18)5.3 钢筋网片施工 (21)5.4 喷射混凝土施工 (23)6 劳动力组织 (27)6.1 采用架子队用工管理模式 (27)6.2 劳动力进场计划 (28)7 质量保证措施 (28)7.1 控制措施 (28)7.2 技术措施 (31)8 安全保证措施 (32)8.1 技术保证措施 (33)8.2 隧道施工安全保证措施 (35)8.3 环保、水保措施 (42)1 编制原则、依据1.1 编制原则遵循设计文件的原则。
在编制施工方案时,认真阅读核对施工图设计文件资料,了解设计意图,掌握现场情况,严格按设计资料和设计原则编制,满足设计标准和要求。
遵循“安全第一、预防为主”和“管生产必须管安全”的原则。
严格按照铁路施工安全操作规程,从制度、管理、方案、资源方面制定切实可行的措施,确保施工安全,服从建设单位指令,服从监理工程师的监督检查,严肃安全纪律,严格按规程办事。
遵循“科技是第一生产力”的原则。
充分应用“四新”成果,充分发挥科技在施工生产中的先导保障作用。
遵循标准化管理原则。
确保质量、安全、环境三体系在本项目工程施工中自始至终得到有效运行。
超前地质预报现场准备技术交底1.超前地质预报测试人员进入测试现场前,应充分查阅施工地区的工程地质资料,确定本次检测的主要不良地质构造现象,明确超前地质预报的目的。
2.地质工程师进入施工现场,仔细研究观测隧道的岩石,构造,岩体的工程地质特征,根椐现场实际情况,确定TSP超前预报探测系统进行现场测试的位置(隧道的左壁或右壁)。
3.超前地质预报探测钻孔的布置:(即爆破孔)一般情况下,在测试的时候,在所选定的隧道侧壁上,布置22~24个爆破探测孔,如附图所示,爆破测试孔垂直于隧道壁,深1.5m直径40mm~42mm,向下倾斜10°,间隔1.5m,距离隧道底部0.5m,从掌子面与隧道壁的交点处开始布置1#孔,依次后推,直到第24#孔,用直径40mm钻制。
特别提示:爆破测试孔垂直于隧道侧壁,向下倾斜10°4.接收器钻孔的布置:在隧道与爆破探测孔同侧壁,同高(距离隧道底部0.5m)的延长线上,距离最外一个爆破探测孔(第24#孔)15m~20m处(如距离够长最好为20m),布置接收器钻孔,接收器钻孔垂直于隧道壁,深2.0,直径50mm~55mm,向下倾斜10°,用直径大于50mm钻制(如图所示)。
特别提示:接收器钻孔用直径大于50mm钻头钻制一定要直,垂直于隧道侧壁,向下倾斜10°5.超前地质预报测试炸药与雷管的选择:施工单位应向超报组提供炸药和雷管,炸药应选用乳化防水炸药。
雷管选用瞬发电雷管。
每次测试消耗炸药3000g~4000g,雷管30发。
特别提示:爆破测试雷管必须选用瞬发电雷管6.现场测试过程:A、将锚固剂调成糊状灌入接受器孔中,锚固接受器套管,确保接受器套管与围岩密贴牢固。
(这一步很关键)B、将TSP超前预报探测系统按照操作规程进行连接调试,保证整套设备运行工作状况良好。
C、隧道内暂停施工,减少噪音对TSP超前预报探测系统的影响。
D、爆破手将适当药量的炸药及一枚电雷管装入1#爆破测试孔,并注水封闭爆破孔,撤离到安全区内。
TSP技术在隧道超前地质预报中的应用樊一平【期刊名称】《《水科学与工程技术》》【年(卷),期】2019(000)005【总页数】3页(P75-77)【关键词】TSP; 超前地质预报; 隧洞; 地质分析【作者】樊一平【作者单位】新疆水利水电勘测设计研究院乌鲁木齐 830000【正文语种】中文【中图分类】TV141+.1物探法有操作简便、准确性高、探测距离较远等优点,在隧道超前地质预报检测方法中占有非常高的使用比例,是超前地质预报的一个最重要手段,因此得到了广泛的推广应用[1-2]。
目前隧道超前地质预报中最先进的物探法,为隧道地震反射波法即Tunnel Seismic Prediction(TSP)。
在隧道施工期间,利用TPS技术对隧道掌子面前方的地质条件进行及时有效的预测,是提前准备预防措施、避免灾害发生或在一定程度上减小因地质灾害造成的损失并保证隧道安全施工的需要,同时也是当今生态环境保护对隧道工程建设提出的重要研究课题[3]。
1 隧道地震波反射法(TSP)检测原理炮孔布置在掌子面后方一定范围内,因此在检测前要在掌子面后方开挖一段隧道。
地震波由少量炸药卷发生爆炸时发出,且以球形形式在隧道岩体中传播,当地震波遇到阻抗较差的含水层、断裂带、软基层等介质层,一部分地震波会被反射回来,而另一部分地震波会沿着岩体介质继续传播,随着传播距离越来越远,能量越来越小,直到接收器接收不到信号为止。
地震波的反射波信号用三分量地震波检测仪接收,这种检测仪灵敏度较高,可以探测到距离较远的岩体介质,通过检测地震反射波的波速、时间及波形和能量的强弱,可判断检测段隧道岩体的地质组成条件。
如图1。
图1 地震波反射法的预报原理地震波由特定爆破点通过人工爆破发射,在隧道一侧每隔1.5~2.0m的距离布置激发孔(一般小于24),并在离最后一个发射孔20m远的墙体两侧墙位置分别布置一个地震反射波接收器,发射孔和接收器基本上保持在同一水平高度。
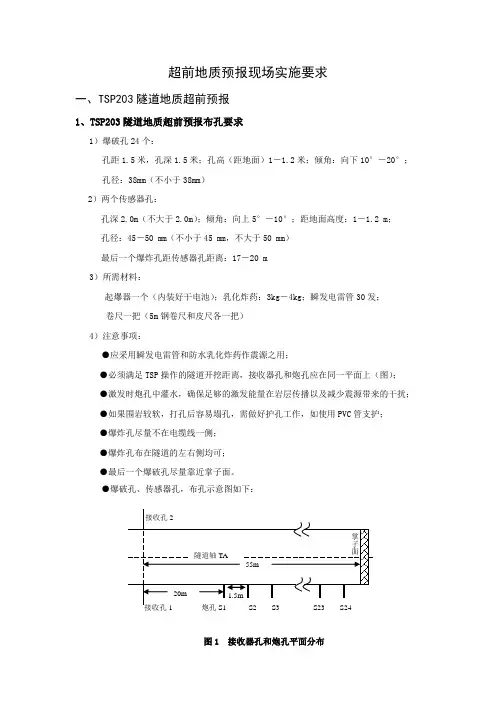
超前地质预报现场实施要求一、TSP203隧道地质超前预报1、TSP203隧道地质超前预报布孔要求1)爆破孔24个:孔距1.5米,孔深1.5米;孔高(距地面)1-1.2米;倾角:向下10°-20°;孔径:38mm(不小于38mm)2)两个传感器孔:孔深2.0m(不大于2.0m);倾角:向上5°-10°;距地面高度:1-1.2 m;孔径:45-50 mm(不小于45 mm,不大于50 mm)最后一个爆炸孔距传感器孔距离:17-20 m3)所需材料:起爆器一个(内装好干电池);乳化炸药:3kg-4kg;瞬发电雷管30发;卷尺一把(5m钢卷尺和皮尺各一把)4)注意事项:●应采用瞬发电雷管和防水乳化炸药作震源之用;●必须满足TSP操作的隧道开挖距离,接收器孔和炮孔应在同一平面上(图);●激发时炮孔中灌水,确保足够的激发能量在岩层传播以及减少震源带来的干扰;●如果围岩较软,打孔后容易塌孔,需做好护孔工作,如使用PVC管支护;●爆炸孔尽量不在电缆线一侧;●爆炸孔布在隧道的左右侧均可;●最后一个爆破孔尽量靠近掌子面。
●爆破孔、传感器孔,布孔示意图如下:图1 接收器孔和炮孔平面分布2、现场配合1)施工单位提前2-3天报计划,即通知第三方预报单位;第一次预报施工断面需进洞深55米以上,每次预报长度为100m左右,两次预报重复搭接长度为10m左右。
2)如果要做TSP203地质超前预报,则需在每次报计划开始,同时进行打孔,检测单位到达现场即可开始预报工作。
3)现场需要1名跟班技术员,2名炮工和2名杂工配合第三方进行预报工作。
4)在进行超前地质预报工作时,应停止掌子面及其附近的施工作业。
二、地质雷达隧道地质超前预报本次采用的地质雷达为意大利生产的RIS-K2型,天线使用中心频率为200MHz和80MHz的两种低频屏蔽天线。
有效探测距离在完整灰岩地段大于20m,在岩溶发育地段根据雷达波形判定。
3.1.13 TSP203超前地质预报1.前言TSP(Tunnel Seismic Prediction)是瑞士安伯格测量公司于20世纪90年代初期开发研制的一套超前预报系统,到目前经历了从TSP202、TSP203到TSP203plus三次更新换代。
通过产品换代,该系统更加轻便、操作更加简单、功能更加强大、智能化程度更高。
我国于1996年首次引进TSP超前地质预报系统,到现在已有十几年的历史,在这十几年,该系统的应用得到大力推广,被大量应用于公路、铁路隧道,水力、电力输水洞,城市地铁以及其它洞室工程地质预报。
目前,TSP系统已成为超前地质预报最主要的方法之一。
开展TSP超前地质预报可以及时了解掘进前方地质情况,为隧道施工和支护参数调整提供科学依据,从而有效控制地质灾害的发生,降低施工风险和成本,提高掘进速度,为施工单位赢得经济和社会效益。
2.TSP203超前地质预报概述2.1适用范围TSP203系统适用于对断层及其影响带、破碎带、溶洞、裂隙发育带、软弱夹层,以及地下水的预测预报。
2.2技术特点TSP203系统具有适用范围广,预报距离长(一般预报长度在100 m~150m)、预报准确性高,提交结果及时,对掌子面施工干扰小等特点。
2.3基本原理TSP203超前地质预报系统是利用弹性波的反射原理进行地质预报。
预报时,通过爆破产生地震波,地震波在隧洞中的岩体内传播,当遇到波阻抗界面时,如断层、破碎带、溶洞,大的节理面等,一部分地震波被反射回来,反射波经过一段时间后到达传感器被记录仪接收,然后用专门的分析软件进行处理,即可得到清晰的反射波图像。
通过对反射波运动学和动力学特征的分析,如波速、延迟时间、信号强弱、波形等,并结合区域地质资料、设计勘测资料、跟踪观测地质资料就可预测预报隧洞前方及周围地质情况,并确定地质异常的位置和特性。
TSP203系统工作原理示意图2.4仪器设备及主要参数TSP203系统包括硬件和软件两部分。
TSP203隧道地质超前预报TSP203隧道地质超前预报系统是采用地震勘探原理对隧道未开挖区段地质情况进行超前预报的设备。
它是目前隧道超前地质预报中采用的最新的地球物理探测方法,属多波多分量地震探测技术。
该技术主要是在隧道已开挖的左边墙或右边墙布设地震激发点和接收点,采用固定接收点、改变激发点的方法采集反射波信号。
信号的接收采用高灵敏度的三分量加速度地震检波器,可以比较准确的确定反射波的空间位置。
运用地震勘探原理对所得地震波进行处理分析可以分辨隧道开挖面前方地质体的性质、位置和规模,包括软弱岩石带、含水情况、节理裂隙发育带、断层及其影响带等,在地质情况较好时预报深度可达200m左右。
TSP203隧道地质超前预报系统还可以计算出围岩的动态弹性模量、泊松比、体积模量、剪切模量、拉梅常数、纵波速度、纵波横波速度比、密度。
结合围岩的岩性、含水、节理发育、结构面等情况可对围岩的类别进行评估。
进行TSP203隧道地质超前预报可以为确保隧道安全持续挖进,确定隧道施工工艺,调整支护参数,对前方软弱岩层予以提前支护加固,合理变更设计和施工计划提供依据。
一、TSP203隧道地质超前预报原理通过爆破激发的地震波在岩石中以球面波形式传播。
地震波遇到岩石界面(波阻抗差异界面,例如裂隙带、断层或岩层变化等),有一部分信号反射而另一部分信号将被透射。
经过一定的传播时间后,反射信号将被高灵敏度的三分量加速度地震检波器所接收(地震数据采集),图1为TSP203隧道地质超前预报探测原理示意图。
图1 TSP203隧道地质超前预报原理示意图二、TSP203隧道地质超前预报操作(一)、TSP203隧道地质超前预报布孔要求爆破孔24个孔:孔距1.5米,孔深1.5米;孔高(距地面)1-1.2米;倾角:向下10°-20°;孔径:38mm(不小于38mm)传感器孔两个,要求:孔深2.0m(不大于2.0m);倾角:向上5°-10°;距地面高度:1-1.2 m;孔径:42-45 mm(不小于42 mm,不大于50 mm)最后一个爆炸孔距传感器孔距离:15-20 m所需材料:起爆器一个(内装好干电池);乳化炸药:3kg-4kg;瞬发电雷管30发;卷尺一把(5m钢卷尺和皮尺各一把)注意事项:1、由于围岩较软,打孔后容易塌孔,需做好保孔工作,如使用PVC管支护。