多孔平衡流量计
- 格式:pdf
- 大小:113.75 KB
- 文档页数:9
平衡流量计与孔板流量计的优缺点对比孔板流量计常见问题解决方法平衡孔板流量计其实也是一种孔板流量计,不过就是有了整流的作用。
还有整体小孔板流量计能够应用在比较小的管道内,价格便宜,测量精度比较高。
孔板,标准孔板,孔板流量计都是zui常规的流量计,也是应用广泛的流量计。
一直广泛应用于各个行业,各种工况情况下。
随着智能差压变送器,以及制造工艺的不断改进,孔板流量计也显现了一些新的变化。
平衡流量计与传统孔板流量计的优劣分析:平衡流量计具有对称多孔结构特点,能对流场进行平衡,降低了涡流、振动和信号噪声,流场稳定性大大提高,使线性度比孔板提升了5~10倍,重复性提高了54%,为0.15%,从其综合性能来看,平衡流量计属于流量计行列。
平衡流量计线性度高、重复性好。
这种流量计对传统的流量装置进行了改进,传统流量装置只有一个流体流过的孔,而截流后失去了理想的状态,而平衡流量计设计多个函数孔径,能最大将流场平衡到理想状态。
1.工作温度可达850摄氏度。
2.它可已进行气夜两相,浆料,甚至固体颗粒测量。
3.对称平衡流量计左右完全对称,特别便利测量双向流。
4.还有更细分功能的对称平衡流量计,单项功能更强大。
他要求直管段更小,能输出4—20MA信号和有RS485信号线进行远传。
5:1量程比时,线性度可达0.3%;7:1量程比时,线性度可达0.5%;10:1量程比时,线性度可达1.0%孔板流量计是将标准孔板与多参数差压变送器(或差压变送器、温度变送器及压力变送器)配套构成的高量程比差压流量装置,可测量气体、蒸汽、液体及引的流量,广泛应用于石油、化工、冶金、电力、供热、供水等领域的过程掌控和测量。
节流装置又称为差压式流量计,是由一次检测件(节流件)和二次装置(差压变送器和流量显示仪)构成广泛应用于气体。
蒸汽和液体的流量测量。
具有结构简单,维护和修理便利,性能稳定。
1、差压管路堵塞,疏通差压管路;2、差压计故障,检查差压计;3、差压变送器示值明显偏离,应检查尺示值;4、节流元件安装方向有误,重新安装节流元件;5、被测介质工况参数与设计节流装置时接受的参数不一致,按相关公式修正,必要时应重新计算差压值;6、节流装置前后直管段长度不够,应调整直管段长度;7、直管段内径超差,实测直管段内径,重新计算最大流量;8、节流孔径超差,实测节流孔径,重新计算最大流量;9、节流元件变形,更换节流元件;10、节流元件上有附着物,清洗更换节流元件;11、孔板的尖锐一侧应当迎向流体流向为入口端,呈喇叭形的一侧为出口端。
平衡流量计原理平衡流量计是一种常用的流体测量仪器,它通过测量流体通过管道时的压力差来确定流体的流量。
其原理是基于流体在管道内的运动特性和流体动能转化的关系,下面我们来详细了解一下平衡流量计的原理。
首先,平衡流量计的工作原理是基于伯努利方程和质量守恒定律的。
当流体在管道内流动时,流体的动能会随着流速的变化而发生改变。
根据伯努利方程,流速越大,动能越大,压力就越小;流速越小,动能越小,压力就越大。
平衡流量计利用这一原理,通过测量管道内两个位置的压力差来确定流体的流量。
其次,平衡流量计的原理还涉及到流体在管道内的流动特性。
当流体通过管道时,会受到管道壁面的阻力作用,这会导致流速的变化,从而影响流体的动能。
平衡流量计通过设计合理的结构和传感器,能够准确地测量流体通过管道时的压力差,从而确定流体的流量。
此外,平衡流量计的原理还与流体的密度有关。
根据质量守恒定律,流体在管道内的流量与流体的密度成正比。
平衡流量计在测量流体流量时,通常需要考虑流体的密度变化对测量结果的影响,以保证测量的准确性。
总的来说,平衡流量计的原理是基于伯努利方程、质量守恒定律以及流体在管道内的流动特性。
通过测量流体在管道内的压力差,结合流体的密度变化,可以准确地确定流体的流量。
这种原理使得平衡流量计在工业生产和科学研究中得到了广泛的应用,为流体测量提供了一种可靠的方法。
以上就是关于平衡流量计原理的详细介绍,希望能够帮助大家更好地理解这一流体测量仪器的工作原理。
平衡流量计作为一种重要的流量测量装置,在工业生产和科学研究中发挥着重要作用,相信随着技术的不断进步,它将会有更广泛的应用前景。
平衡式孔板流量计工作原理平衡式孔板流量计是一种常用的工业流量测量仪器,它通过测量流体通过孔板时产生的压差来确定流体的流量。
它主要由孔板、差压变送器和流量计组成。
平衡式孔板流量计的工作原理是基于伯努利定律和连续方程。
当流体通过孔板时,由于孔板的存在,流体在孔板两侧产生了压差。
根据伯努利定律,流体的速度越大,压力越低。
因此,流经孔板的流体速度增加,压力降低。
为了准确测量压差,平衡式孔板流量计的孔板上有一对对称的开口,称为孔板孔。
这些孔用于平衡孔板两侧的压力,使得压差测量更加准确可靠。
差压变送器是平衡式孔板流量计的关键组件之一。
它通过测量孔板两侧的压差来确定流体的流量。
差压变送器通常采用压阻式传感器或压电式传感器来测量压差。
当压差发生变化时,传感器会产生相应的电信号,然后将信号送至流量计进行处理和显示。
平衡式孔板流量计的优势在于结构简单、安装方便、维护成本低。
它适用于液体和气体的流量测量,并且具有较高的精度和稳定性。
此外,平衡式孔板流量计还具有较小的压力损失,不会对流体系统产生较大的阻力。
然而,平衡式孔板流量计也有一些限制。
首先,孔板的尺寸和孔径需要根据流体性质、流量范围和所需精度进行合理选择,否则会对测量结果产生较大影响。
其次,由于孔板对流体流动产生一定的阻力,因此在一些要求较高的应用场合,如粘度较大的液体或气体中,可能不适用。
在使用平衡式孔板流量计时,需要注意以下几点。
首先,安装时应保证孔板与管道的对中,以避免孔板与管道之间的间隙影响测量结果。
其次,要定期检查孔板的磨损情况,如发现磨损较大,应及时更换孔板。
此外,还需注意流体的温度和压力变化对测量结果的影响。
平衡式孔板流量计是一种常用的流量测量仪器,通过测量孔板两侧的压差来确定流体的流量。
它结构简单、安装方便、维护成本低,适用于液体和气体的流量测量。
然而,在使用时需要注意合理选择孔板尺寸和孔径,并注意孔板与管道的对中,以保证测量结果的准确性。
江苏荣丰自动化仪表有限公司简介:平衡流量计是第三代节流装置,这种流量计的测量精度是传统节流装置的5~10倍,流动噪声降低到1/15,永久压力损失约为1/3,压力恢复快2倍,最小直管段可以小至0.5D,没有活动的部件,安装和使用非常方便简单,可省去大直管段,大大减少流体运行所需的能量消耗,是一种具有广阔应用前景的节能仪表。
特点:1.测量精度高由于平衡流量传感器具有多孔结构的特点,能对流场进行平衡,降低涡流、振动和信号噪声,流场稳定性大大的提高,表体采用特制的精密管道和专用取压装置,使精确度比传统节流装置提升了5-10倍。
经过实流标定,传感器精确度可达±0.3%、±0.5%,适用于贸易计量场合。
几何尺寸检验,传感器精确度可达±0.5%、±1.0%,适用于过程控制场合。
平衡流量计加工重复性极高,与传统节流装置一样,在实流标定数据基础上,可以实现几何尺寸检定。
2.直管段要求低平衡流量传感器能将流场平衡,调整稳定,且压力恢复比传统节流装置快两倍,大大缩短了对直管段的要求。
大多数情况下直管段可以小至0.5D~2D,尤其对于特殊或昂贵的管道,采用平衡流量计可以省去大量的直管段。
3.永久压力损失低平衡流量计的对称平衡设计,减少了涡流的形成和紊流摩擦,降低了动能的损失,在同样的工况下,与传统节流装置比较,压力损失较少了70%,接近文丘里管,从而节省了相当大的运行成本,值得大量推广。
4.量程比宽与传统节流装置相比,平衡流量计极大提高了测量量程比.研究结果显示,雷诺数大于50000时,选择合适的孔径参数,平衡流量计无上限,根据工业测量实际应用的需要,常规测量量程比为10:1,选择合适的参数可以做道30:1或更高。
5.重复性和长期的稳定性好平衡流量传感器能将流场平衡稳定,使重复性大大提高,可达到±0.1%。
平衡流量计多个流通孔分散受力,无锐角磨损,其β值长期保持不变,长期稳定性非常好;整个仪表无可动部件,使用寿命比传统节流装置延长了5-10倍。
SAMPLE 平衡流量计一、公司简介:美 国 善 元 琛 波 自 动 化 设 备 公 司 (Sunysample automation equipment company) 是专业从事差压流量控制仪表的研发生产公司,公司经过大量的数据积累和试验,仪表符合流体力学,优化行业控制,让流量测量技术得到了新的创新和突破。
南京善元琛波自动化设备有限公司坐落于江苏省南京市紫金(六合中山)科技创业园,距离南京市中心23 公里,距离南京长江二桥出口3 公里,是贯 通苏南、苏北的交通要道,是江、浙、沪地区辐射内陆的交通枢纽。
南京善元琛波自动化设备有限公司是美国善元琛波公司在中国授权的生产企业,并使用美国注册商标“S ample”,中文注册商标“琛波”。
公司成立以来一直注重产品品质和研发,通过了ISO9001质量管理体系认证,并取得专利证书,专利号为ZL 2015 2 0131896.7。
公司主要生产:平衡流量计、皮托巴流量计、楔形流量计等差压式流量计及其配套附件等。
公司建有标准压力试验、标准表法水流量检测装置等仪表性能检测设备,并和国家蒸汽流量站等国家级计量检测站及国内知名大学合作,保证了产品的品质。
公司产品主要用于石油、冶金、化工、电力、城市热网、供水、玻璃、汽车制造等行业。
公司秉承“以质量求生存,以服务求发展”的方针,提供高品质的产品服务。
二、性能特点测量精度高由于平衡流量传感器采取多孔对称分布结构,能整流流场,使流场平衡稳定,降低了涡流、振动和信号噪音,流场稳定性大大提高,表体采用独特的专有取压装置,使精度比传统节流装置提高5-10倍以上。
经过实流标定,传感器精度可达0.3、0.5%,适用于贸易计量场合;几何尺寸检验,传感器精度可达0.5%、1.0%,适用于过程控制场合平衡流量计加工重复性极高,在实流标定数据基础上,可实现几何尺寸法检定。
直管段要求低因平衡流量计能整流流场,使流场平衡稳定,且压力恢复比孔板快两倍,大大缩短了对直管段的要求,一般情况下为0.5D-2D,如图。
MBF差压式流量计(多孔平衡型)High accuracyBroad range of applicationsProven technologyEasy to operateDesigned to match your applicationinstrumentation目 录1、概 述 (1)2、测量原理 (1)3、特 点 (2)4、技术参数 (3)5、产品分类 (3)6、安装尺寸图 (4)7、安装说明 (13)8、型号说明 (14)一、 概 述 Fischer&Porter 公司的MBF 系列多孔平衡流量计采用了国际最先进的对称多孔结构设计,是目前最先进的差压式流量计之一。
MBF 系列多孔平衡流量计除具有标准节流装置简单、可靠、安全、适用面广等优点之外,还具有精度高、直管段要求低、量程比宽、永久压损小等优点;同时还克服了标准节流装置的杂物滞留、堵塞和边缘易磨损、维护和检定成本高等缺点,具有广阔的发展前景。
二、测量原理 MBF 系列多孔平衡流量计遵循流体力学定律和伯努利方程,流量计流出系数、传感器多孔孔径位置、形状设计和开孔数量通过独特的研发数据演算,并对各种工况进行优化,使测量精度、重复性、量程比、永久压损等综合指标达到最佳,成为目前最先进的差压式流量计。
多孔整流器 标准孔板 多孔平衡节流件MBF 系列多孔平衡流量计结合了多孔整流器和标准孔板的测量原理,在节流板中心一个圆孔的基础上,对称分布数量不等的圆孔。
当介质流过圆孔时,流体被平衡调整,涡流被最小化,形成近似理想流体,通过取压装置和变送器,可获得稳定的差压信号,根据伯努利方程计算出流体的流量。
公式: Q=KY 式中: Q :介质流量(m3/h)K :仪表系数 Y :膨胀系数 △P:差压值(Pa)ρ:介质工况密度(Kg/m3)MBF 系列多孔平衡流量计实现了流场平衡,整流达到最佳的效果,充分满足流体力学定律对流体测量的要求,将死区效应降到最低。
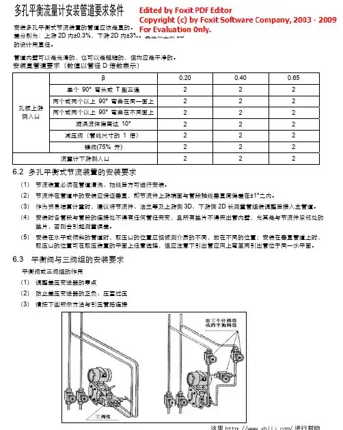
安装多孔平衡式节流装置的管道应该是直的。
在紧接装置上、下游2D 长度管段范围内的圆度应该实测,其圆度偏差分别为:上游2D 内±0.3%,下游2D 内±3%。
且应以上游2D长度内的测得的平均直径作为多孔整流式节流装置的设计用直径。
管道内壁可以是光滑的,也可以是粗糙的,但均应是干净的。
安装直管道要求(数值以管径D 倍数表示)β 0.20 0.40 0.65 单个 90° 弯头或 T 型三通2 2 2 两个或两个以上 90° 弯曲在同一面上 2 22 两个或两个以上 90° 弯曲在不同面上 2 2 2 漩涡流体偏离达 10°2 2 2 减压阀(管线尺寸的 1 倍)2 2 2 孔板上游侧入口 蝶阀(75% 开)2 2 2 流量计下游侧入口 2 2 26.2 多孔平衡式节流装置的安装要求(1) 节流装置必须在管道清洗、扫线后方可进行安装。
(2) 节流件在管道中的安装应保证垂直,即节流件上游端面与管段轴线垂直度偏差在±1°之内。
(3) 作为贸易结算计量时,建议将节流件、法兰等及上游侧3D 、下游侧2D 长测量管组装调整后接入主管道。
(4) 安装时各管段与管段的连接处不得有任何管径突变,且所有垫片不得突出管内壁,尤其是与节流件紧邻处的垫片,否则会引起测量误差。
(5) 安装在水平或倾斜的管道时,取压口的位置应视被测介质的不同,放在不同的位置;安装在垂直管道上时,取压口的位置可在取压装置的平面上任意选择,但应注意下引出管应向上弯至两引出管位于同一水平面。
6.3 平衡阀与三阀组的安装要求平衡阀或三阀组的作用(1) 调整差压变送器的零点(2) 防止差压变送器的正负、压室过压(3) 请按下图所示方法与引压管路连接 多孔平衡流量计安装管道要求条件。
平衡孔板流量计和标准孔板的区别和共同点平衡孔板流量计和标准孔板的区别和共同点是近年来新发展起来的新型流量计,在标准孔板的基础上,采取四孔流通的方式,大大避免了标准孔板在现场使用压损大,前后直管段需要长的缺点,而且在测量方面也比标准孔板精度有了很大的提高,下面就给大家详细介绍下平衡流量计工业测量的优势.1,平衡流量计现场测量采取对称多孔结构,能对流体进行实际平衡,降低涡流和振动,相比孔板流量计现场测量,单是这些优点就提高了不少,同时测量范围广泛,从根本了解决了差压式流量计的缺陷,是标准孔板的升级.2,大家都知道,标准孔板流量计现场使用的时候,压损大,前后直管段要求高是主要限制其发展的主要原因,但是平衡流量计由于其自身结构问题,从根本上实现了转换,起压损为标准孔板的1/4左右,直管段要求也仅为前3D后1D 左右.技术热线**************常在1:3这样,而现场测量范围经常会超过这个范围,这个在很多时候也限制了标准孔板的应用,而平衡孔板流量计范围度正常比值大概在20:1这样,有些时候,上限流量更是无限制,其最小雷诺数可低于200,最大雷诺数大于10 7;β值可选0.25~0.90。
4,长期稳定性好,由于其紊流剪切力的明显减小,大幅度降低了介质与节流件直接的摩擦,其β值长期保持不变,整个仪表无可动部件,因此可以长期保持稳定性.其次还具有标准孔板的所有测量优势,适合高温高压的测量场合,基本适用于所有现场介质的测量.如今在现场的使用正在被现场维护人员所接受,从销售报表来看,销量正在逐渐上升.公司会继续努力,争取以一流的产品来面队我们广大的客户. 我国天然气计量通常以体积表示,法定单位是立方米。
我国规定天然气流量测量的标准状态是:绝对压力为0.101325MPa,温度为23.15℃。
天然气流量计量方法很多,可用的流量仪表也很多,按工作原理大致分为:差压式流量计、容积式流量计、速度式流量计3种类型。
在计量标准方面,目前世界上多数国家计量标准逐步向IS05167《用孔板测量充满圆管的流体的流量》靠拢,我国天然气计量标准也修订为SY/T6143-1996《天然气流量的标准孔板计量方法》。
A+K平衡流量计选型目录简介:特点:技术指标:应用范围:平衡流量计选型:编辑本段简介:平衡流量计是一种革命性的差压式流量仪表,对传统节流装置进行了极大地改进,且该流量计具有平衡整流等显著特征,传统节流装置只有一个流通孔径,节流后使流体失去了理想状态,其工作原理与其他差压式流量计一样,都是基于密封管道中的能量转换原理:在理想流体的情况下管道中的流量与差压的平方根成正比;用测出差压值根据伯努利方程即可计算出管道中的流量。
平衡流量传感器是一个多孔的圆盘节流整流器,安装在管道的截面上,每个孔的尺寸和分布是基于特殊的公式和测试数据而定制的,称为函数孔。
当流体穿过圆盘的函数孔时,流体将被平衡整流,涡流被最小化,形成近似理想流体,通过取压装置,可获得稳定的差压信号,根据伯努利方程计算出体积流量、质量流量。
编辑本段特点:1.测量精度高由于平衡流量传感器具有多孔结构的特点,能对流场进行平衡,降低涡流、振动和信号噪声,流场稳定性大大的提高,表体采用特制的精密管道和专用取压装置,使精确度比传统节流装置提升了5-10倍。
经过实流标定,传感器精确度可达±0.3%、±0.5%,适用于贸易计量场合。
几何尺寸检验,传感器精确度可达±0.5%、±1.0%,适用于过程控制场合。
平衡流量计加工重复性极高,与传统节流装置一样,在实流标定数据基础上,可以实现几何尺寸检定。
2.直管段要求低平衡流量传感器能将流场平衡,调整稳定,且压力恢复比传统节流装置快两倍,大大缩短了对直管段的要求。
大多数情况下直管段可以小至0.5D~2D,尤其对于特殊或昂贵的管道,采用平衡流量计可以省去大量的直管段。
3.永久压力损失低平衡流量计的对称平衡设计,减少了涡流的形成和紊流摩擦,降低了动能的损失,在同样的工况下,与传统节流装置比较,压力损失较少了70%,接近文丘里管,从而节省了相当大的运行成本,值得大量推广。
4.量程比宽与传统节流装置相比,平衡流量计极大提高了测量量程比.研究结果显示,雷诺数大于50000时,选择合适的孔径参数,平衡流量计无上限,根据工业测量实际应用的需要,常规测量量程比为10:1,选择合适的参数可以做道30:1或更高。
多孔平衡流量计原理哎呀,说起多孔平衡流量计,这玩意儿可真是个神奇的东西。
我还记得第一次见到它的时候,是在大学实验室里,那会儿我正忙着做流体力学的实验。
老师指着那个看起来像是个金属管子的东西,说这就是我们今天的主角——多孔平衡流量计。
说实话,一开始我还真没把它当回事。
它看起来太普通了,就像是一根普通的金属管子,上面布满了密密麻麻的小孔。
但是,当实验开始,我才发现这家伙的厉害之处。
我们的任务是测量水的流速。
老师让我们把流量计放在水流中,然后观察它的表现。
我小心翼翼地把流量计放入水中,水流穿过那些小孔,发出了轻微的“嗖嗖”声。
我心想,这能测出个啥来啊?但是,当我开始记录数据的时候,我惊讶地发现,流量计的读数异常稳定。
不管水流怎么变化,它的读数总是那么准确。
这让我对它刮目相看,开始认真研究起它的原理来。
多孔平衡流量计的原理其实挺简单的,但是效果却出奇的好。
它利用了流体力学中的一个原理,叫做“能量守恒”。
当水流通过流量计时,水的压力会因为流速的增加而减小。
流量计上的那些小孔,就是用来平衡这种压力变化的。
想象一下,水流就像是一个顽皮的孩子,它在流量计里跑来跑去,想要找到最快的路径。
但是,那些小孔就像是一个个小陷阱,让水流不得不放慢脚步。
这样一来,水流的速度就被限制在一个稳定的范围内,流量计就能准确地测量出流速了。
这个实验让我对多孔平衡流量计有了更深的理解。
它不仅仅是一个测量工具,更是一个精巧的发明。
它让我意识到,有时候,最简单的设计往往能解决最复杂的问题。
现在,每当我看到那些复杂的设备和仪器,我都会想起那次实验。
我想,也许我们不需要那么多复杂的设计,有时候,简单一点,反而能更好地解决问题。
所以,下次当你看到多孔平衡流量计的时候,不妨多留意一下。
它虽然看起来不起眼,但是它的工作原理和效果,却足以让人惊叹。
这就是科学的魅力,也是我爱上流体力学的原因。
低温气体流量测量方案低温流体的流量测量一直是一个大家关注的问题,都属于高科技的工程,如空分装置中的液氮、液氧、液氩,其特点低温时气体呈液态与气化,因此本文探讨解决好低温流量测量难点,高科技国产化的一个重要环节,用A+K平衡流量计(多孔孔板,多孔平衡流量计)所谓工业上的极低温流体,一般指在大气压下沸点为-50℃以下的流体。
代表性的极低温流体有LNG(液化天然气)、LN2(液氮)、LO2(液氧)、液化乙烯、液氢、液氯以及这些低温气体,LPG(液化石油气)不包括在极低温流体中。
在论述极低温流体的流量测量方法时,特别要了解的是在工业过程中使用这些流体时,它与常温或高温相比有哪些不同?容易发生什么样的问题?因此,首先列举极低温流体和过程的特征加以说明。
(1)容易引起状态变化低温流体通常以饱和状态储存在绝热的储存容器里。
用泵升压、送出,开始过程处理,并反复进行加压、减压。
在此过程中,饱和状态的极低温流体一会儿变为过冷状态,一会儿变为沸腾状态,状态容易变化。
因此,流量计设计需要采取措施。
(2)有因浓缩而出现的物态变化由于浓缩,液化天然气的液态密度变大,所以,测量流量时,要考虑修正密度。
(3)对材料有限制金属材料在极低温下的屈服点、拉伸强度、延伸率、节流、冲击试验值等机械性质与常温下有很大不同,在极低温下,金属材料的拉伸强度上升,但延展性降低,冲击值也随材料而显著下降。
因此,在极低温下所使用的仪表的材料,应是有充分抗破坏韧性的材料,使之不引起脆性破坏,这些材料就叫做低温材料。
现在使用的最一般的材料有:不锈钢316、铝合金、90%的镍钢、35%的镍钢(镍铁合金)。
对强腐蚀介质还要用镐、钛等材料。
泄漏是极低温流体流量测量中的一大难题,因为泄漏会造成环境影响,如液氧泄漏到空气中会爆炸。
液氮泄漏则降低了空气中氧含量,液氮在大气压力下,68F(20℃)下蒸发成643倍体积的气氮,人体碰到低温液体会冻伤。
在极低温流体的流量测量中,孔板应用最多,可靠性也高,由于标准板夹持在法兰中,由于热胀冷缩的原因泄漏是难以控制的,而“A+K平衡流量计”的结构是节流件与引压口一体化,测低温流体时整个流量计与管道又是焊接的,没有泄漏点,解决了孔板在极低温时泄漏上难以控制的问题。
平衡流量计在实际应用中的优势摘要:本文阐述了传统节流装置在设计和实际应用上的局限性,介绍了最新一代的平衡流量计[1],在应用上对节能降耗、节省成本等方面上的多种优势。
关键词:流量测量平衡流量计高性能节能降耗平衡流量计是一种多孔圆盘平衡节流的新一代节流装置。
同其他传统节流装置相比,其具有精确、节能等各种优越性。
因此,从航天迅速被推广到石化、化工、冶金、电力、医药、造纸和各种工业应用中。
平衡流量计除具有标准节流装置简单、可靠、安全、适用面广等优点外还具有精度高、直管段短、量程比宽、永久压力损失小等优点,在现代工业生产测量中具有广泛的发展前景。
1 传统节流装置的局限性流量是过程控制四大参量(流量、压力、温度、液位)中的重要参数之一,由于工况的复杂性使得流量测量装置种类繁多。
流量仪表选择和应用始终是一个技术难点。
传统节流装置经过标准化已70多年,但在设计和应用上不断暴露出不足之处,下面以孔板为例进行说明:(1)精度和重复性属于中下等水平,节流件精度为1%~2%,受安装条件和使用条件的影响精度更低。
(2)量程比窄,一般量程比仅3∶1。
(3)有较长的直管段要求,根据不同的流通孔径和不同的阻流件位置会有所不同,通常最小要求前10D后5D的直管段长度来整定流场。
(4)永久压力损失很大,为差压值的60%~100%。
(5)孔板以内孔锐角线来保证精度,因此对腐蚀、磨损、结垢敏感,长期使用精度难以保证,需每年拆下强检一次。
2 流量仪表优化配置的首选差压式流量计是适用性最广的流量计,平衡流量计是目前最先进的差压式流量计。
平衡流量计源自美国航天飞机主发动机测液氧流量计。
它采用独特的等雷诺数、动量平衡原理,将孔板的单孔改为等雷诺数多孔结构,增加节流件厚度和加工精度,构造简洁,性能优越。
平衡流量计精度等级为±0.3%、±0.5%、±1.0%,重复性为±0.1%,永久压损为同等条件下孔板的1/2~1/3,直管段要求为0.5D~2D,量程比为10∶1~30∶1,使用寿命是孔板的5倍,是目前性价比最高的流量计。
A+K平衡流量计的特点与优势一、“A+K 平衡流量计”的性能优势A+K平衡流量计为美国国家航空航天局专利技术,由美国A+FlowTek 公司荣誉出品,上海加工基地生产。
其独特的设计,使其具有如下性能:1、测量精度高、重复性好。
由于平衡流量传感器具有对称多孔结构特点,同时具备节流和整流的能力,使流场稳定性大大提高。
提高物料平衡比,节约生产成本。
其测量精度可达±0.5%,最高可达±0.3%,重复性可达0.1%(精度高,应用于贸易计量场合)。
2、直管段要求低。
平衡流量传感器对流场的平衡作用,大大缩短了对直管段的要求。
直管段最小可达0.5D,尤其是对于昂贵材料的管道,比如说锆材,节省大量资金。
3、永久压力损失低。
在相同的工况下,与传统节流装置相比永久压力损失减少70%,接近文丘里管,节省了大量的能量运行成本,是一种节能型仪表。
4、量程比宽。
根据测量实际应用需要,一般量程比为10:1,选择合适的参数,也可以做得更高。
5、长期稳定性好。
平衡流场大幅度降低了介质与节流件的摩擦,可使β值长期保持不变。
整个仪表无可动部件,使用寿命比传统节流装置延长5-10 倍。
6、耐脏污不易堵。
平衡流量计从设计上减小了紊流剪切力和涡流的形成,从而大大降低了滞留死区的形成,保证脏污介质可以顺利通过多个孔,减小了流通孔被堵塞的机会。
适合于测量粘稠介质和含杂质较多的介质,例如焦炉煤气和高炉煤气。
7、测量范围宽。
其测量流速最大可至音速。
最小雷诺数可以低于200,最大雷诺数可以大于107,β值在0.25~0.90 之间可选。
8、适用范围广。
平衡流量计工作温度、压力取决于管道和法兰的材质和等级,工作温度可达850℃,工作压力可至42MPa。
平衡流量计可以进行气液两相、浆料,甚至固体颗粒。
平衡流量计结构完全对称,可以方便的测量双向流。
与传统节流装置相比:二、A+K 平衡流量计节流件的设计A+K 平衡流量计的节流件,根据不同的工况和口径会选择不同厚度的节流件,可以很好都保证节流件都强度。
平衡流量计西安三联测控技术有限公司一、概述众所周知,流体在管道中输送时,往往要流经各种阀门,弯头、三通、异径管等阻流件,流体通过这些阻流件时,会产生各种扰动,影响正常的测量,使流量计带来一定的现场安装附加误差,特别是传统的差压式流量计等更是如此,而新一代多孔平衡流量传感器巧妙的将整流与测量合为一体,具有明显的稳定流场的作用,最大限度的降低附加误差,使得实际使用精度与理论计算精度接近,是一种具有广阔应用前景的新一代差压式流量计,可广泛用于天然气、化工、石油、钢铁、发电、造纸、印染、制药等各行业。
二、工作原理:在充满流体的管道中固定放置一个流通面积小于管道截面积的阻流件(俗称节流装置),则管道内流体在通过该节流装置时就会局部收缩,在收缩处流通面积变小,流速增加,静压降低,因此,在节流装置前后将产生一定的差压,平衡流量传感器也是基于这一原理工作的,它不但能够产生差压,而且由于平衡流量传感器中的节流装置还是一个整流器,所产生的差压特别的稳定,根据流体力学中的质量守恒定律和能量守恒定律可计算出流体的体积流量和质量流量,如下:其中:qv- 体积流量(m3/h) K - 流量标定系数qm- 质量流量(kg/h) ρ-流体密度kg/m 3△ P - 输出差压(△P=P+ - P-)三、特点1、线性度高、重复性好平衡流量传感器具有对称多孔结构特点,能对流场进行平衡,降低了涡流、振动和信号噪声,流场稳定性大大提高,使线性度比孔板提升了5~10倍,重复性提高了54%,为0.15%,从其综合性能来看,可调平衡流量装置属于高档流量计行列。
2、直管段要求低平衡流量传感器由于流场稳定,且压力恢复比孔板快两倍,大大所短了对直管段的要求,其前后直管段一般为前3D后1D,最小可以小于0.5D,从而省去大量直管段,尤其是特殊昂贵材料的管道。
3、减少永久压力损失多孔对称的平衡设计,减少了紊流剪切力和涡流的形成,降低了动能的损失,在同样的测量工况下,与孔板相比减少了2.5倍的永久压力损失,从而节省了相当大的运行能量成本,是一种节能型仪表。
多孔平衡流量计
一、简介说明:
多孔平衡流量计对传统节流装置进行了极大地改进,且该流量计具有平衡整流等显著特征,传统节流装置只有一个流通孔径,节流后使流体失去了理想状态;而平衡流量计有多个函数孔径,能最大限度地把流场平衡整流成理想流体,从而将差压式流量计的优势发挥的淋漓尽致。
没有活动的部件,安装和使用非常方便简单,可省去大直管段,大大减少流体运行所需的能量消耗,是一种具有广阔应用前景的节能仪表。
二、测量原理:
多孔平衡流量计是一种革命性的差压式流量仪器仪表,综合其工作原理与其他差压式流量计一样,都是基于密封管道中的能量转换原理:在理想流体的情况下管道中的流量与差压的平方根成正比;用测出差压值根据方程即可计算出管道中流量,平衡流量传感器是一个多孔的圆盘节流整流器,安装在管道的截面上,每个孔的尺寸和分布是基于特殊的公式和测试数据而定制的,称为函数孔。
当流体穿过圆盘的函数孔时,流体将被平衡整流,涡流被最小化,形成近似理想流体,通过取压装置,可获得稳定的差压信号,根据流体力学中的质量守恒定律和能量守恒定律可计算出流体的体积流量和质量流量。
三、多孔平衡流量计的主要特点:
1、线性度高、重复性好:
平衡流量传感器具有对称多孔结构特点,能对流场进行平衡,降低了涡流、振动和信号噪声,流场稳定性大大提高,使线性度比孔板提升了5~10倍,重复性提高了54%,为0.15%,从其综合性能来看,平衡流量计属于高档流量计行列。
5:1量程比时,线性度可达±0.3%;
7:1量程比时,线性度可达±0.5%;
10:1量程比时,线性度可达±1.0%
2、直管段要求低:
平衡流量传感器由于流场稳定,且压力恢复比孔板快两倍,大大所短了对直管段的要求其前后直管段一般为前3D后1D,最小可以小于0.5D,从而省去大量直管段,尤其是特殊昂贵的材料的管道。
3、减少永久压力损失:
多孔对称的平衡设计,减少了紊流剪切力和涡流的形成,降低了动能的损失,在同样的测量工况下,与孔板相比减少了2.5倍的永久压力损失,从而节省了相当大的运行能量成本,是一种节能型仪表,值得大量推广。
4、耐脏污不易堵:
多孔对称的平衡设计,减少了紊流剪切力和涡流的形成,从而大大降低了滞留死区的形成,保证脏污介质顺利通过多个孔,减小了流体孔被堵塞的机会。
5、可直接替换孔板:
其与孔板具有相同的使用方法和外形,因此可以直接进行替换,不需要任何配管的变化和相关仪表的更改,很适合全厂能源计量改造中将孔板改为平衡流量计。
6、流量测量范围宽:
根据试验结果,我们了解到:平衡流量计的性能,使其流速可以从最小到音速;其最小雷诺数可低于200,最大雷诺数大于107;β值可选0.25~0.90。
7、长期稳定性好:
由于其紊流剪切力的明显减小,大幅度降低了介质与节流件直接的摩擦,其β值长期保持不变,整个仪表无可动部件,因此可以长期保持稳定性。
8、可测高温高压介质:
与孔板等节流装置一样,工作温度压力取决于管道和法兰的材质和等级,工作温度可达850℃,工作压力可达42MPa。
9、可测复杂工况介质:
由于其特殊的结构设计,使其具有特殊的性能,它可以进行气液两相,各种混合气体(如瓦斯、沼气、煤气等等)、各种低温气体(如LNG、液氮、液氧、液氩、液氢、液氯、液化乙烯、液化石油气等等)、气液两相介质(如湿气)、浆料、多相水流、震动水流、电磁干扰介质和双向流(因为平衡流量计左右完全对称)。
四、多孔平衡流量计的技术参数:
1、管径范围:DN15~DN3000;
2、精度:±0.3%、±0.5%、±1%;
3、直管段要求:0.5D~2D;
4、永久压损:孔板的1/3~1/4;
5、量程比:10:1,合适的工况数据可以做到更宽;
6、重复性:0.1%;
7、Re范围:200~107;
8、β范围:0.25~0.9;
9、温度范围:金属管道能承受的温度,最高可达850℃;
10、压力范围:金属管道能承受的压力,最高可达42MPa;
11、耐脏污:特殊的设计和计算;
12、可以测量双向流。
五、安装示意图如下:
六、平衡阀与三阀组的安装要求:
平衡阀或三阀组的作用
1、调整差压变送器的零点;
2、防止差压变送器的正负、压室过压请按下图所示方法与引压管路连接。
七、平衡阀与三阀组的安装要求:
平衡阀或三阀组的作用
1、调整差压变送器的零点;
2、防止差压变送器的正负、压室过压请按下图所示方法与引压管路连接。
压变送器的安装要求:
1、将平衡流量计正压则引压管导入三阀组接至差压变送器的正压室,将平衡流量计负压侧引压管导入三阀组接至差压变送器的负压室;
2、差压变送器在工艺管道上的安装位置与被测介质有关,为了获得较好的安装效果,应注意考虑下面情况:
A、防止变送器与腐蚀性或过热的被测介质直接接触;
B、防止渣滓在引压管内沉积,堵塞;
C、正负压两侧引压管的长度应尽量相同;
D、正负压两侧引压管内的液柱压头应保持平衡;
E、引压管安装在温度梯度和温度波动最小的地方。
3、测量液体流量时,差压变送器应安装在被测管道的旁边或下面,以便气泡排入管道中。
4、测量气体流量时,差压变送器应安装在被测管道的旁边或上面,以便积聚的液体容易流入管道中。
5、测量蒸汽流量时,差压变送器应安装在被测管道的下面,以便冷凝水能充满在引压管中。
应特别注意,测量蒸汽或其它高温介质时,要防止差压变送器接触介质的温度超过变送器使用的极限温度。
八、温度、压力变送器的安装要求:
1、测量过热蒸汽介质时,必须要加温度一体化变送器和压力变送器,进行动态补偿。
测量饱和蒸汽介质时,必须要加压力变送器,进行动态补偿。
2、测量天然气、煤气介质时,必须要加压力变送器进行动态补偿,而且要用加安全栅及防爆装置的变送器。
3、测量热水介质,需要有热量显示时,必须要加温度一体化变送器,否则可省去温度一体化变送器。
4、温度一体化变送器安装在被测管道上,必须再平衡流量计前
5D只管段或或后2D直管段以外温度探头顶端应插入超过管径二分
之一,以保证测量精度。
5、差压变送器的压力取压点,必须在平衡流量计前5D直管观段或后2D直管段以外,其间安装开关阀。
对于温度一体化变送器和压力变
送器的安装,原则上只要符合常规的安装规范就可以满足本系统的要求,其具体的安装要求可分别参见各自的安装说明书。
九、调试及运行:
按安装原则和程序安装完成后,在系统调试之前要检查所有设备、管道、阀门、接头、导线、接线端子、信号插头等是否齐全、正确、牢靠,管道和设备有无堵塞、泄露现象,导线和信号接插点有无接错、短路、断线、接触不良等问题,经检查确认无误后方可进行系统调试,其调试步骤如下:
1、引压管排污:
a、将平衡流量计两侧取压阀打开(注意:必须讲阀全部打开);
b、将三阀组两侧的正负压阀关闭、中间的平衡阀打开;
c、将引压管两侧正负压派无阀打开,进行排污。
清洁引压管。
2、引压管冷凝:
a、关闭排污阀,让介质在引压管中自然冷凝,直到整个管道内全部充满冷凝水为止(大概需要4个小时)。
b、当引压管中已有足够的冷凝水时,可将三阀组两侧的正负压阀打开(此时中间的平衡阀仍处于开启状态),让冷凝水分别进入差压变送器正负压室中。
由于冷凝水的积沉需要一定的时间,因此开始差压变送器的显示值不会准确,等冷凝水完全充满整个测量系统(包括取压体、引压管和差压变送器的正负压室)后,差压变送器的指示机会趋于正常(大概需要2个小时)。
c、差压变送器的排气:
为保证差压变送器正负压腔中的残余空气排除干净,将变送器正负压室上的排气气。
4、差压变送器调零:
a、关闭差压变送器正负压室上排气阀。
b、将三阀组两侧的正负压阀关闭(此时中间的平衡阀仍处于开启状态)。
注:差压变送器调零注意事项:
a、零位调整螺钉和量程调整螺钉切勿搞混、搞错。
安装现场切勿
进行差压变送器的量程调整;
b、变送器调零时正负压室及两侧引压管温度必须相同,如果两侧
有温差则调整的零点会随时间产生漂移;
c、若在现场用变送器进行正、负迁移补偿,则应在偷运状态下做零位调整。
若迁移量过大,则不能再差压变送器上进行迁移补偿。
十、多孔平衡流量计传感器与工艺管道的安装连接方式:
1、与工艺管道安装连接方式分下面四种:(1)法兰连接;(2)直焊式;
(3)对夹式;(4)方管式。
2、取压口在管道上的安装方向分测气体、蒸汽、液体等三种方式,如下
a、测气体流量取压口方向
b、测蒸汽流量取压口方向
c、测液体流量取压口方向
3、安装步骤
a、选择好安装直管道,传感器与工艺管道的连接可以是法兰、对夹、直焊、方管,具体连接根据订购产品而定;
b、最好在安装之前,将上游管道吹洗干净,防止焊渣管锈等进入仪表;
c、分体式引压管尺寸可选用¢14X4.5-¢18X4.5的无缝钢管(高压时要用厚壁管)。
十一、应用范围:
多孔平衡流量计几乎适用于所有流体的测量工作,是流体测量技术的一场技术革命,目前平衡流量计已经广泛应用于化工、石油、冶金、电力、天然气、水处理等一系列的行业中。