玻璃退火工艺 2
- 格式:ppt
- 大小:2.13 MB
- 文档页数:18
浮法玻璃中退火产生的缺陷及控制理工大学战营一、玻璃的退火玻璃退火的目的是减弱和防止玻璃制品中出现过大的剩余应力和光学不均匀性,稳定玻璃部的构造。
玻璃的退火可分成两个主要过程:一是玻璃中应力的减弱或消失,二是防止应力的重新产生。
玻璃中应力的减弱和消除是以松弛理论为根底的,所谓应力松弛是指材料在分子热运动的作用下使应力消散的过程,应力的松弛速度在很大程度上决定于玻璃所处的温度。
玻璃在加热或冷却过程中,由于其导热性较差,在其外表层和层之间必然产生温度梯度,因而在外层之间产生应力。
这种由于温度梯度存在而产生的应力称为温度应力或热应力,此种应力的大小,既取决于玻璃中的温度梯度,又与玻璃的热膨胀系数有关〔玻璃的化学成分决定玻璃的热膨胀系数〕。
热应力按其存在的特点可分为暂时应力和永久应力。
暂时应力,当玻璃受不均匀的温度变化时产生的热应力,随着温度差的存在而存在,随温度差的消失而消失,被称为暂时应力。
应力的建立和消失过程。
当制品冷却开场时,因为玻璃的外层冷却速度快,所以外部温度比部温度低,外层收缩大,而这时层温度较高,且力求阻碍外层收缩,这样造成玻璃外层产生应力,部产生压应力。
在应力过渡到压应力之间存在着中间层,其应力值为零。
当冷却接近完毕时,外层体积几乎不再收缩,但此时玻璃部仍有一定的温度,其体积力求收缩,此时造成外部受压应力,层受应力。
由此可见,在冷却完毕时,产生的应力恰好和冷却开场时产生的应力性质相反,两者可以得到局部抵消。
冷却全部完毕时,即当玻璃的外层温度和层温度趋向完全一致时,上述两种应力恰好抵消。
我们称这种应力为暂时应力。
永久应力,当温度消失时〔制品的外表和部温度均等于常温时〕,残留在玻璃中的热应力称为永久应力,又称为应力。
玻璃中永久应力的成因,是由于在高温的弹塑性阶段热应力松弛而形成的温度变形被“冻结〞下来的缘故。
当玻璃板逐渐冷却到室温均衡时,玻璃中残存的应力实际等于玻璃在高温阶段松弛掉的热弹应力,但方向相反。
玻璃退火的四个阶段玻璃退火是一种常用的玻璃加工方法,通过加热和冷却的过程,使玻璃获得理想的物理性能和外观效果。
玻璃退火的过程可以分为四个阶段:预热阶段、加热阶段、保温阶段和冷却阶段。
一、预热阶段在玻璃退火过程中,首先需要进行预热阶段。
预热阶段的目的是将玻璃的温度提高到一定程度,以便后续的加热和保温。
预热温度一般较低,通常在300°C左右。
预热时间的长短取决于玻璃的厚度和尺寸,一般为几分钟到几十分钟。
二、加热阶段在预热阶段之后,进入加热阶段。
加热阶段是玻璃退火的关键阶段,也是最耗时的阶段。
在这个阶段,需要将玻璃的温度逐渐提高到所需的退火温度。
退火温度的选择要根据玻璃的种类和要求来确定,一般在500°C到600°C之间。
加热温度的升降速度要适中,过快或过慢都会影响退火效果。
三、保温阶段当玻璃的温度达到所需的退火温度后,进入保温阶段。
保温阶段的目的是让玻璃在退火温度下保持一定的时间,使其内部的应力得到释放,晶体结构得到重组。
保温时间的长短取决于玻璃的厚度和尺寸,一般为几小时到几十小时。
四、冷却阶段在保温阶段结束后,进入冷却阶段。
冷却阶段的目的是将玻璃的温度逐渐降低到室温,使其内部的结构稳定。
冷却速度的选择要根据玻璃的种类和要求来确定,一般需要较慢的冷却速度,以避免因快速冷却导致的玻璃破裂。
玻璃退火的四个阶段相互关联,每个阶段都起到了关键的作用。
预热阶段为加热提供了条件,加热阶段使玻璃达到退火温度,保温阶段使玻璃内部的应力得到释放,冷却阶段使玻璃的结构稳定。
通过这四个阶段的有序进行,玻璃能够获得理想的退火效果。
玻璃退火的过程对于玻璃产品的性能和质量起着至关重要的作用。
通过适当的退火温度和时间,可以减少玻璃内部的应力,提高其抗压强度和耐热性能。
同时,退火还可以改善玻璃的外观效果,使其更加清澈透明。
玻璃退火是一项重要的玻璃加工工艺,通过预热、加热、保温和冷却四个阶段的有序进行,可以使玻璃获得理想的物理性能和外观效果。
玻璃的退火过程改善玻璃的抗压性能玻璃是一种常见的建筑材料和装饰材料,其优良的透明性和质地使其成为许多领域中不可或缺的材料之一。
然而,玻璃的脆弱性常常限制了其在某些应用中的使用。
退火是一种经常被用来改善玻璃抗压性能的工艺,通过在特定的温度范围内加热和冷却玻璃,可以显著提高其抗压性能,使其更加耐用和可靠。
退火是一种热处理工艺,通过加热和冷却材料来改变其内部结构和性能。
在玻璃的制备过程中,由于快速冷却的原因,玻璃中会存在大量的内部压应力。
这些内部压应力会降低玻璃的抗压性能,使其更容易在外力作用下破碎。
因此,需要对玻璃进行退火处理,以消除内部压应力,提高其抗压性能。
退火过程通常包括加热和冷却两个步骤。
在加热过程中,玻璃被加热到退火温度,这个温度通常比玻璃的软化温度略高。
在这个温度下,玻璃的内部结构开始松弛,内部压应力得以释放。
然后,玻璃被冷却到室温,形成新的内部结构,这个结构相对较为稳定,玻璃的抗压性能也得以显著提高。
退火温度是影响退火效果的重要因素之一。
温度过高或者过低都会影响到退火效果。
温度过高可能导致玻璃变得过软,而温度过低则可能无法使内部结构得到充分松弛。
因此,选择合适的退火温度是提高玻璃抗压性能的关键。
此外,退火的时间也是影响退火效果的重要因素之一,时间过长或者过短都可能影响到退火效果的达成。
除了影响玻璃抗压性能的材料本身的因素,退火还受到加热和冷却速率的影响。
加热速率过快或者加热温度过高可能导致玻璃发生热应力,从而影响到退火效果。
同样,冷却速率过快也可能导致内部结构重新产生应力,降低退火效果。
因此,在实际的退火过程中,需要综合考虑加热和冷却速率,以及温度选择等因素,来达到最佳的退火效果。
总的来说,玻璃的退火过程可以显著改善其抗压性能。
通过合理选择退火温度和时间,以及控制加热和冷却速率等因素,可以使玻璃的内部结构得到充分松弛,内部压应力得以释放。
从而提高玻璃的抗压性能,使其更加耐用和可靠。
退火工艺的应用使得玻璃材料在建筑和装饰等领域中能够发挥更大的作用,并且有望在未来得到更广泛的应用。
在制作供应玻璃微珠时最重要的一点就是玻璃退火,那玻璃退火该注意些什么呢?
玻璃退火,就是把具有永久应力的玻璃制品重新加热到玻璃内部质点可以移动的温度,利用质点的位移使应力分散(称为应力松弛)来消除或减弱永久应力。
应力松弛速度取决于玻璃温度,温度越高,松弛速度越快。
因此,一个合适的退火温度范围,是玻璃获得良好退火质量的关键。
高于退火温度限时,玻璃会软化变形:底于退火所需求温度时,玻璃结构实际上可以认为已固定,内部质点已不能移动,也就无法分散或消除应力。
玻璃在退火温度范围内保温一段时间,以使原有的永久应力消除。
之后要以适当的冷却速度冷却,以保证玻璃中不再产生新的永久应力,如果冷却速度过快,就有重新产生永久应力的可能,这在退火制度中用慢冷阶段保障,慢冷阶段必须持续到最低退火温度以下。
玻璃在退火温度以下冷却时,只会产生暂时应力,以节约时间和减少生产线长度,但也必须控制一定的冷却过快时,可能会使产生的暂时应力大于玻璃本身的极限强度而导致制品爆裂
相关参考资料:/。
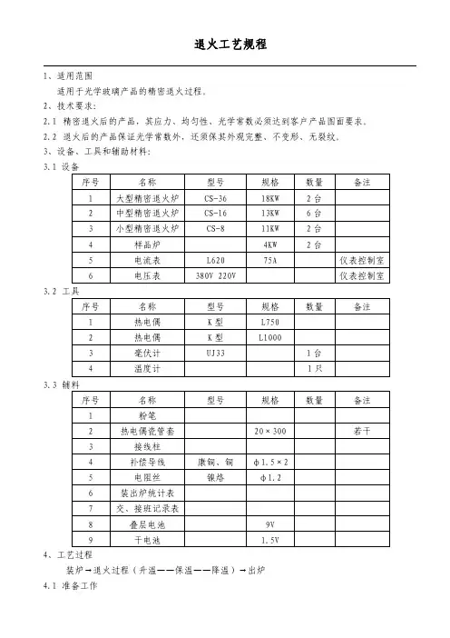
退火工艺规程1、适用范围适用于光学玻璃产品的精密退火过程。
2、技术要求:2.1精密退火后的产品,其应力、均匀性、光学常数必须达到客户产品图面要求。
2.2退火后的产品保证光学常数外,还须保其外观完整、不变形、无裂纹。
3、设备、工具和辅助材料:3.1 设备3.2工具3.34、工艺过程装炉→退火过程(升温——保温——降温)→出炉4.1准备工作4.1.1上班前准备好要用的工具;4.1.2检查上道工序产品流转卡上的埚号、牌号、合同号及数量是否正确,了解有关的技术要求,检查产品外观是否有破损、炸裂情况,并作好记录。
裂纹严重的通知品保人员到现场解决;4.1.3检查退火炉电阻丝是否良好,有无脱落现象,是否关闭了电源;4.1.4热电偶与炉内电阻丝是否隔开;4.1.5检查热电偶是否有断裂及开路现象;4.1.6热电偶瓷管口要用纤维棉封闭,杜绝炉内外空气对流;4.1.7用万用表检查加热器有无与炉壳相接触现象,如有短路,用瓷管相隔离;4.1.8装炉前先检查仪表是否正常,如有异常,待修复好后方能使用4.1.9检查炉内风机是否正常,支撑物是否紧固;4.1.10不同牌号的产品,在降温速度相同的情况下,退火温度相差≤5℃时可允许同一炉退火。
4.2产品装炉:4.2.1装炉守则4.2.1.1轻拿轻放产品,防止打角、打边、碰伤;4.2.1.2直径较大的产品,在装炉时应重叠、平放整齐;4.2.1.3同炉装两埚号产品时,应装完一埚后,再装另一埚号(或以合同号装炉时),做好标记(用粉笔书写),一埚尽量装一层。
4.3退火过程:4.3.1退火过程由如下几部分组成升温→保温→主要降温阶段(第一降温阶段)→第二冷却阶段4.3.2升温前注意事项检查仪表及各种电器是否正常。
4.4仪表操作员须知:4.4.1必须按工艺曲线操作,自动仪表严格按工艺曲线输入程序,输入完毕后应重新检查一次,以防有误。
4.4.2方形炉为两点控温。
4.4.3方形炉两控制点温度应在1℃以内。
0引言超厚板成形控制的难点主要有玻璃液的堆积能力、厚薄差的控制、板型稳定性的控制;退火控制难点主要有炸板、裂边、在线切裁问题、客户切裁使用投诉。
上述问题严重影响浮法玻璃的实物质量和成品质量,造成浮法玻璃产量和总成品率下降、质量成本上升,不但影响企业利润,而且对企业的声誉构成威胁。
对以上问题进行有效的解决和稳定的控制对超厚板生产显得尤为重要。
本文在阐述厚板成形、退火理论的基础上,结合多年实际生产经验提出对应问题的解决方案。
1超厚板成形控制(1)厚薄差控制主要通过流道温度和高温区水包控制成形温度来调整厚薄差;对拉边机的定位及其他拉边机的间距设置也是决定厚薄差好坏的重要硬件条件;拉边机速度和角度的匹配对调整厚薄差起到了非常重要的辅助作用。
拉引量和净板宽的大小也是影响厚薄差的重要因素,一般情况拉引量越大、成品板宽越宽厚薄差就相对越难控制。
(2)锡槽内板型控制控制拉边机车位偏差,使板型尽量保持居中,压入深度也要保持基本一致,以免因受力不均或者温度场相差太大导致板型偏移。
锡液深度及深池、浅池的匹配,锡槽挡畦的布局、直线电机的使用等可以调整锡液流向,是决定锡槽板型是否稳定的硬件条件。
拉边机参数的匹配、拉引量的波动、光边的大小,对超厚板锡槽内板型的稳定也都有较大的影响,因此需要有较为合理成熟的拉边机参数、保持拉引量的稳定、合理的光边大小。
(3)锡槽内玻璃液的堆积能力锡槽内的玻璃液的堆积能力是影响超厚板生产的重要因素。
影响锡槽内玻璃液堆厚的因素主要包括拉引量的大小、流道成形温度的高低、拉边机的布局和数量、拉边机参数的设置等。
在生产超厚板时一般都会考虑适当降低拉引量来减小成形堆积压力;拉边机使用数量要比常规厚度多,拉边机角度、速度也要比常规厚度生产时大,以此来提高玻璃液在锡槽内的堆积能力。
2超厚板退火控制(1)炸板炸板主要分为横炸和纵炸两大类。
横炸原因:玻璃板边部压应力大。
处理措施:加大敞开区边部风阀,降低敞开区边部温度(或减少敞开区中部风阀开度);纵炸原因:玻璃板过紧。
精退火工艺要点光学毛坯的精退火主要是保证光学毛坯的应力和光学均匀性质量,同时还可以适当调整光学常数(折射率nd和中部色散nf-nc)一、退火的目的和要求1.消除毛坯在压制成型后冷却速度不一致(或速度过快)而使毛坯不同程度的产生的内应力,使毛坯的应力达到加工和使用要求。
2.消除毛坯在压制后的光学常数不一致,利用降温速度的快慢和保温温度的高低以及保温时间的长短对光学常数进行微量调整,从而达到毛坯使用要求。
3.改变毛坯冷却过程所造成的玻璃分子结构的不规则分布,以及内应力造成的玻璃不均匀从而达到使用要求。
二、退火前的准备工作1.保证电器和配电设备的正常使用。
2.检查控温仪和热电偶是否正常使用。
3.据所退火毛坯的牌号和要求的精度,结合炉子的实际使用情况制定退火工艺。
三、装炉应注意的几个问题1.至允许退火温度不超过10℃的不同牌号的玻璃同炉退火,各牌号方能保证理想和高精度的效果。
但牌号。
件号须分开,同时标计清楚。
2.对应力。
光学均匀性等要求高的毛坯和大件,装炉时应尽量装在中盘。
3.炉内加热器和毛坯的位置应适中,同时不允许有异物将加热器或电偶盖住。
4.炉盖必须盖好,不能有漏气现象。
四、精退火工艺曲线及操作控制要求H1.升温阶段:在升温阶段毛坯按一定的升温速度升到规定温度,从而保证产品在升温过程中不致炸裂。
升温的速度受炉子的功率。
结构和产品的大小以及要求等因素而定,一般升温速度如下:(1)从通电起始温度到150或200℃可按直接升温并在150或200℃点保℃温2-3小时,这样做主要是为了消除炉内及零件和毛坯表面的水气,并且使炉温各部分均匀,为下面的工艺创造条件。
(2)从150或200℃升到规定的保温温度点(这个温度点是据不同的玻璃牌号而定的)的升温速率一般据毛坯的大小情况作以下规定。
A.小件毛坯:最大直径或边长在22mm以下,可采用20℃/0.5小时的速度。
B.中件毛坯:直径或边长在22-60mm的毛坯。
一般可采用15℃/0.5小时的速度。
玻璃退火工艺要求及退火窑的基本组成一,玻璃退火的基本原理:当玻璃制品从可塑状态冷却时,表面首先冷却收缩,而内部因尚处于可塑状态,因此质点发生位移,此时并不产生应力,再继续冷却时,内层也受到一定冷却,也开始收缩,但这是外层已经硬化了,此时硬化的外层便阻止内层收缩,因而在表面产生了压应力,而内层本身便受到外展的阻力而产生了张应力,这种应力不因内外层温度梯度的消失而消失,称之为永久应力,存在于玻璃之中。
运用适当的温度制度,连续地把成型后的玻璃带降至室温,使玻璃中应力减小到所允许范围的过程叫玻璃退火。
其退火原理是:把成型后的玻璃带加热到玻璃内部分子可以移动的温度(即退火温度上限),把内存永久应力均化或消除掉。
然后用较慢的冷却速度,使玻璃带通过容易产生永久应力的温度范围(即退火温度上限到退火温度下限)使玻璃带不致重新产生超过允许范围的永久应力,最后以一定的降温梯度,以免产生过大的暂时应力,使玻璃带降至室温。
1.玻璃退火工艺温度制度确立计算方法按规定的退火速度和温度制度对各种成形方法的平板玻璃均有严格要求,从以上有关篇章中,已论述了平板玻璃所要求退火质量标准,但为能保证玻璃的退火质量,特别是具有退火窑的玻璃生产线。
为能保证玻璃的退火质量,除了要控制其的加热速度外,最主要的是要控制玻璃的冷却速度和相应温度,才能达到每一种品种所需的退火质量。
在确定退火速度后,才能在退火窑内的长度中对每一个区域制定所需加热和冷却的温度工艺制度。
如玻璃的退火温度粘度值范围约1013-1014,约为650-4000C。
因此,不管其玻璃的组成和成形方法,按所需的成形方法和相应的玻璃组成计算出相应的在此粘度值下的温度值,再结合现场的实际情况作出相应的条件,制定出合理的工艺温度制度。
1.1根据阿达姆斯公式计算压延玻璃最高退火温度公式T=AX+BY+CZ+D其中:A,B,C,D为常数(查表)X:表示Na2O在玻璃中的百分含量Y:表示CaO+MgO在玻璃中的百分含量Z:表示Al2O3在玻璃中的百分含量注:此公式计算是按玻璃中MgO的含量为3%时的某一粘度值的温度,若玻璃中MgO的含量不是3%时,则需校正当1%的CaO由1%的MgO来替代,粘度为1012Pa.s泊时相应提高的温度校正值为2.5度.上式计算是按玻璃中MgO的含量为3%时的某一粘度值的温度,若玻璃中MgO 的含量不是3%,则需要根据实际成分MgO的含量加以校正.校正值列于下表:根据给定的成分计算与玻璃粘度相应的温度常数玻璃中1% CaO由1%的MgO来代替校正值1.2,常用压延玻璃的工艺参数1.2.1.玻璃化学成分(%)SiO2 Al2O3 CaO MgO Na2O*KaO FeO72.1 1.2 9.3 2.6 14.15 微1.2.2计算:T=AX+BY+CZ+D=(-7.32)×14.15+3.49×(9.3+2.6)+5.37×1.2+603.40=-103.578+41.531+6.444+603.40=547.837=548℃其中 MgO 为2.6 校正数为548℃-2.5×2.6=542℃所以根据计算压延玻璃最高退火温度为548℃2.2退火曲线温度的确定玻璃内应力过多存在主要为玻璃带在退火范围内冷却不当而造成。
玻璃退火工艺一、退火工艺各阶段划分及其影响因素成型结束后的玻璃,其制品内外两部分存在较大的温度差异,该温差将会造成制品存在很大的应力,退火目的就是要消除或减少这些应力到可以允许的限度。
根据消除应力的要求,将玻璃的退火划分为4个阶段:加热阶段、保温阶段、慢冷阶段及快速冷却阶段。
4个阶段分布如图2.14所示。
在玻璃退火工艺上,第Ⅰ,第Ⅱ阶段主要是使玻璃内原有的应力消除或减少到允许的限度;第Ⅲ阶段是确定在这个温度范围内的冷却速率,尽量使冷却过程中造成的内应力降到最低;第Ⅳ阶段是当玻璃内质点的黏性流动已达到最小时,可以加速制品的冷却速率,以所产生的暂时应力不造成制品破裂为限度。
上述4个阶段的划分随玻璃性质、制品厚度、外形尺寸和大小、要求而变化。
图2.14 玻璃退火的各个阶段Ⅰ—加热阶段;Ⅱ—保温阶段;Ⅲ—慢冷阶段;Ⅳ—快冷阶段退火温度和时间的选择,由于受玻璃组成、厚度、造型等因素的影响而有所不同。
影响退火的因素一般有下列3种。
(1)厚度与形状厚壁制品的内外温差较大,在退火温度范围内,厚壁制品的保温时间要相应地延长,以使制品内外层温度趋于一致,因而其冷却速率也必须相应地减慢,故总的退火时间就要延长。
造型复杂的制品应力容易集中,因此它与厚壁制品一样,保温温度应当略低,加热及冷却速率都应较缓慢。
应注意的是,厚壁制品保温时间的延长不是和制品的厚度成正比例增加,这是因厚度增加后荷重较大,若长时间的在较高温度下保温,制品易变形。
其次还经常存在这样的错觉,认为制品愈厚,其退火温度应该愈高,其实退火质量的好坏关键在于慢冷阶段,即应尽量使内应力的存在与再生成能力降低到最低限度。
(2)玻璃组成玻璃的化学组成影响退火温度的选择,凡能降低玻璃黏度的组成也都能降低退火温度。
例如,碱金属氧化物就能显著地降低退火温度,其中以Na2O的作用大于K2O。
SiO2,ZrO2和A12O3等难熔氧化物都会显著地提高退火温度。
(3)不同规格制品若同一退火窑中置有各种不同厚度的制品或同一制品本身的厚度有变化,为避免制品发生变形或退火不完全,应根据最小的厚度来确定退火温度,根据最大的壁厚来确定退火的时间。
金属玻璃的退火流程下载温馨提示:该文档是我店铺精心编制而成,希望大家下载以后,能够帮助大家解决实际的问题。
文档下载后可定制随意修改,请根据实际需要进行相应的调整和使用,谢谢!并且,本店铺为大家提供各种各样类型的实用资料,如教育随笔、日记赏析、句子摘抄、古诗大全、经典美文、话题作文、工作总结、词语解析、文案摘录、其他资料等等,如想了解不同资料格式和写法,敬请关注!Download tips: This document is carefully compiled by theeditor. I hope that after you download them,they can help yousolve practical problems. The document can be customized andmodified after downloading,please adjust and use it according toactual needs, thank you!In addition, our shop provides you with various types ofpractical materials,such as educational essays, diaryappreciation,sentence excerpts,ancient poems,classic articles,topic composition,work summary,word parsing,copy excerpts,other materials and so on,want to know different data formats andwriting methods,please pay attention!金属玻璃的退火流程是一种用于改善金属玻璃性能的热处理过程。
以下是金属玻璃退火的一般流程:1. 准备工作选择合适的金属玻璃材料,并确保其表面清洁、无损伤。
为什么玻璃器皿需要进行二次退火?
玻璃器皿有很多种,有居家器皿、有钢化玻璃等等,很多人不了解为什么玻璃器皿做好后退火,那今天来讲一讲退火的原有与方法。
【何谓玻璃器皿的退火】
玻璃器皿在做好后,有暂时应力和永久应力。
如果是暂时应力,在随着温度的改变会消失,但永久应力会因为温度的变化时,无法承受发生炸裂。
所以为了防止炸裂的发生,需要经过高温处理,如果没有进行退火,在使用中非常容易炸裂,所以为了去除玻璃中的永久应力,经过高温的阶段处理,会在使用中安全了很多。
【退火的温度与方法】
那我们来讲一讲退火的温度与方法。
为了消除永久应力,必须把玻璃加热到低于玻璃转变温度附近的某一温度,进行保温均热,以消除玻璃各部分的温度梯度,使应力松弛。
大部分器皿玻璃的最高退火温度为550 ±20 ℃、瓶罐在550 ~ 600 ℃。
其实,一般采用的退火温度都比最高退火温度低20 ~ 30 ℃,低于最高退火温度50 ~ 150 ℃的为最低退火温度. 退火工艺的话可分为四个阶段:1.加热阶段、2.均热阶段、3.慢冷阶段4.快冷阶段。
这个曲线称为退火曲线. 因不同品种的玻璃器皿,会有不同的退火工艺。
有的玻璃器皿在做好后,直接进退火炉退火,称之为一次退火。
但有的制品在成型冷却以后,再退火,称为二次退火。
所以也不是所有的器皿都要做二次退火。
不知道这篇内容有帮到大家吗?在玻璃器皿的使用中,我们可以多来了解它的分类与形成的方法,以便于我们在以后的生活中更好的选择合适的玻璃器皿。
一种玻璃非球面镜片的退火核心技术引言:玻璃非球面镜片是一种广泛应用于光学系统中的重要元件,它具有非球面形状,可以消除球面畸变和色差,提高光学系统的成像质量。
然而,由于制造过程中产生的应力和畸变,镜片的性能可能会受到影响。
退火是一种常用的方法,可以消除制造过程中产生的应力,进一步提升镜片的性能。
本文将介绍一种玻璃非球面镜片的退火核心技术。
一、退火的基本原理退火是一种通过加热和冷却材料来改善其性能的热处理过程。
在材料制备过程中,由于加工、冷却等因素,材料内部会产生应力和畸变,这些缺陷会影响材料的性能。
通过退火,可以使材料内部的晶体结构重新排列,消除应力和畸变,提高材料的机械性能和光学性能。
二、玻璃非球面镜片的退火过程玻璃非球面镜片的制备过程通常包括玻璃熔融、成型、切割和磨光等步骤。
在这些制造过程中,镜片会受到机械应力和热应力的影响,导致镜片内部存在应力和畸变。
为了消除这些缺陷,需要进行退火处理。
玻璃非球面镜片的退火过程一般分为两个步骤:预退火和主退火。
预退火是在镜片制备的早期阶段进行的,目的是消除因热应力引起的初期畸变。
主退火是在镜片成型和磨光之后进行的,主要用于消除机械应力和进一步改善镜片的光学性能。
预退火通常在较低的温度下进行,一般为镜片的玻璃转变温度的一半左右。
在预退火过程中,镜片被加热到预设温度,然后缓慢冷却。
通过预退火,镜片内部的晶体结构得以重新排列,应力和畸变得到一定程度的消除。
主退火通常在较高的温度下进行,一般为镜片的玻璃转变温度的75%左右。
在主退火过程中,镜片被加热到预设温度,保持一段时间,然后缓慢冷却。
通过主退火,镜片内部的应力和畸变可以得到更彻底的消除,从而显著提高镜片的光学性能。
三、退火技术的优势和应用退火技术在玻璃非球面镜片制备中具有以下优势和应用:1. 消除应力和畸变:退火可以有效消除镜片制备过程中产生的应力和畸变,提高镜片的光学性能和成像质量。
2. 提高机械性能:退火可以改善镜片的机械性能,增强其抗折强度和耐磨性,延长镜片的使用寿命。