滑动轴承间隙
- 格式:doc
- 大小:37.50 KB
- 文档页数:3
滑动轴承间隙计算
滑动轴承的间隙计算方法可以根据轴承的类型和使用要求而有所不同。
以下是一种常见的间隙计算方法:
1. 确定滑动轴承类型:常见的滑动轴承类型有径向滑动轴承和推力滑动轴承。
根据具体的使用要求选择相应的轴承类型。
2. 确定负荷条件:根据实际应用中的负荷条件,包括径向负荷和推力负荷,确定轴承的工作负荷。
3. 计算轴承间隙:根据轴承的类型和工作负荷,使用滑动轴承间隙计算公式计算轴承的间隙。
- 对于径向滑动轴承,一般采用以下公式计算轴承间隙:间隙= ε × √(负荷/ (π × d × L × μ))
其中,ε为系数(一般为0.2-1.0),d为轴承内径,L为轴承长度,μ为润滑油的黏度。
- 对于推力滑动轴承,一般采用以下公式计算轴承间隙:间隙= ε × √(负荷/ (π × d × L × μ))
其中,ε为系数(一般为0.2-1.0),d为轴承内径,L为轴承长度,μ为润滑油的黏度。
4. 根据实际要求调整间隙:根据实际应用要求,对计算得到的间隙进行调整。
一般来说,间隙过小会导致润滑不良,间隙过大则会导致轴承的振动和松动。
需要注意的是,以上的计算方法只是一种常见的方法,实际应用中还需要考虑其他因素,如温度、工作速度等。
最好咨询专业的轴承制造商或工程师来进行具体的间隙计算。
滑动轴承的故障诊断分析一、滑动轴承的分类及其特点1、静压轴承静压轴承的间隙只影响润滑油的流量,对承载能力影响不大,因此、静压轴承可以不必调整间隙,静压轴承在任何转速下都能保证液体润滑,所以理论上对轴颈与轴瓦的材料无要求。
实际上为防止偶然事故造成供油中断,磨坏轴承轴承,轴颈仍用45#,轴瓦用青铜等。
2、动压轴承动压滑动轴承必须在一定的转速下才能产生压力油膜。
因此、不适用于低速或转速变化范围较大而下限转速过低的主轴。
轴承中只产生一个压力油膜的单油楔动压轴承,当载荷、转速等条件变化时,单油楔动压轴承的油膜厚度和位置也随着变化,使轴心线浮动,而降低了旋转精度和运动平稳性。
多油楔动压轴承一定的转速下,在轴颈周围能形成几个压力油楔,把轴颈推向中央,因而向心性好。
异常磨损:由于安装时轴线偏斜、负载偏载、轴承背钢与轴承座孔之间有硬质点和污物,轴或轴承座的刚性不良等原因,造成轴承表面严重损伤。
其特征为:轴承承载不均、局部磨损大,表面温度升高,影响了油膜的形成,从而使轴承过早失效。
二、常见的滑动轴承故障●轴承巴氏合金碎裂及其原因1.固体作用:油膜与轴颈碰摩引起的碰撞及摩擦,以及润滑油中所含杂质(磨粒)引起的磨损。
2.液体作用:油膜压力的交变引起的疲劳破坏。
3.气体作用:润滑膜中含有气泡所引起的汽蚀破坏。
●轴承巴氏合金烧蚀轴承巴氏合金烧蚀是指由于某种原因造成轴颈与轴瓦发生摩擦,使轴瓦局部温度偏高,巴氏合金氧化变质,发生严重的转子热弯曲、热变形,甚至抱轴。
当发生轴承与轴颈碰摩时,其油膜就会被破坏。
摩擦使轴瓦巴氏合金局部温度偏高,而导致巴氏合金烧蚀,由此引起的轴瓦和轴颈的热胀差,进一步加重轴瓦和轴颈的摩擦,形成恶性循环。
当轴瓦温度T大于等于230°C时,轴承巴氏合金就已烧蚀。
三、机理分析大多滑动轴承由于运行过程中处于边界润滑状态所以会产生滑动摩擦现象,同时又居有一定的冲击能量和势能,所以存在与产生滑动摩擦和碰摩相同的故障机理。
*第十章 滑动轴承重要基本概念1.动压油膜形成过程随着轴颈转速的提高,轴颈中心的位置和油膜厚度的变化如图10-3所示。
图10-3从n =0,到n →∞,轴颈中心的运动轨迹为一半圆。
利用此原理可以测量轴承的偏心距e ,从而计算出最小油膜厚度h min 。
2.动压油膜形成条件(1) 相对运动的两表面必须构成收敛的楔形间隙;(2) 两表面必须有一定的相对速度,其运动方向应使润滑油从大口流入、从小口流出; (3) 润滑油必须具有一定的粘度,且供油要充分。
3.非液体摩擦滑动轴承的失效形式、设计准则和验算内容,液体动压润滑轴承设计时也要进行这些计算失效形式:磨损、胶合设计准则:维护边界油膜不被破坏,尽量减少轴承材料的磨损。
验算内容:为防止过度磨损,验算:p =BdP≤ [ p ] MPa 为防止温升过高而胶合,验算:Pv =100060⨯⋅ndBd P π≤ [pv ] MPa ·m/s 为防止局部过度磨损,验算:V = 100060⨯ndπ≤ [v ] m/s因为在液体动压润滑滑动轴承的启动和停车过程中,也是处于非液体摩擦状态,也会发生磨损,也需要进行上述三个条件的验算。
4.对滑动轴承材料性能的要求除强度(抗压、抗冲击)外,还应有良好的减摩性(摩擦系数小)、耐磨性(抗磨损、抗胶合)、跑合性、导热性、润滑性、顺应性、嵌藏性等。
5.液体动压润滑轴承的工作能力准则 (1) 保证油膜厚度条件:h min ≥[h ];(2) 保障温升条件:t ∆ ≤ [t ∆]=10~30C ︒。
精选例题与解析例10-1 一向心滑动轴承,已知:轴颈直径d = 50mm ,宽径比B /d =0.8,轴的转速n = 1500r/min ,轴承受径向载荷F = 5000N ,轴瓦材料初步选择锡青铜ZcuSn5Pb5Zn5,试按照非液体润滑轴承计算,校核该轴承是否可用。
如不可用,提出改进方法。
解:根据给定材料ZCuSn5Pb5Zn5查得:[p ] = 8MPa ,[v ]= 3 m/s ,[pv ]=12 MPa ·m/s 。
滑动轴承的安装技术要求是确保轴承正确安装并达到预期性能的关键。
以下是一些基本的滑动轴承安装技术要求:
1.清洁:在安装前,确保轴承和安装表面清洁,无灰尘、油脂或其他污染物。
2.检查:检查轴承是否有损伤、裂纹或其他缺陷,确保轴承质量。
3.配合:确保轴承与轴或孔的配合符合设计要求,通常需要精确的配合公差。
4.润滑:根据轴承类型和工况,选择合适的润滑剂,并在安装前对轴承进行润滑。
5.预紧力:对于需要预紧力的轴承,如角接触轴承,需要按照规定的预紧力进行安装。
6.定位:确保轴承正确定位,避免偏斜或倾斜,这可能导致轴承过早磨损或损坏。
7.紧固:使用适当的工具和方法紧固轴承,避免使用过大的力导致轴承损坏。
8.间隙调整:对于需要调整间隙的轴承,如深沟球轴承,需要按照设计要求调整间隙。
9.检查:安装完成后,检查轴承的转动是否顺畅,是否有异常噪音或振动。
10.试运行:在正式投入使用前,进行试运行,确保轴承在运行中表现正常。
滑动轴承的安装技术要求可能因轴承类型、应用场合和制造商的特定要求而有所不同。
正确的安装是确保轴承长期稳定运行的基础。
序号字幕 2 测定滑动轴承间隙 | |一、准备工作1操作人员穿戴好 劳保用品 3 2、准备工具、用具 压铅法测量轴瓦的 顶间隙字幕 压铅法测量轴瓦的 顶间隙 压铅法测量轴瓦瓦 背(球形瓦球面)的 间隙 3、 清理现场,4、 填写记录2•压铅法。
在轴上、轴承座的相应结合面分别放置相应粗细的铅丝,把紧轴承及其轴承座, 然后拆开轴承及其轴承座,测量相应结合面的铅丝厚度,两者相减即为轴承间隙。
解说词轴承是在支撑轴以及轴上的其他回转的零件,引导轴的旋转运动,承受 轴传递给机架的载荷。
根据轴承的摩擦性质分为滑动轴承、滚动轴承。
机泵 轴承工作时应该有一定间隙, 间隙不符合要求在运转过程中就会出现一些故障,因此岗位操作人员应该掌握测量轴承间隙的操作规程,并协助泵修人员 进行测定。
操作时间:要求至少 2人在40min 内完成。
现场测量滑动轴承顶隙的方法是压铅法,而测量轴瓦侧隙采用塞尺法。
操作人员穿戴好劳保用品1、设备:注水泵机组 1套;2、工用具:活动扳手 1套,梅花扳手1套, 开口扳手1套,管钳1把(600mm ,250mm 起子2把,撬杠2把,“ F ”型 扳手1把,千分尺、游标卡尺、剪刀、塞尺各1把,紫铜皮适量(S =0.05mm S =0.10mm S =0.20mm ,细铅丝 $ 0.50mm (长 300mm ①40*250mm 紫铜 棒1个,棉纱或擦布适量,清洗液适量,石棉板(S =1.0mm 1张记录纸、选择停用的注水泵机组,由 2人配合操作。
卸下瓦盖紧固螺丝,取下瓦盖及上瓦:用开口或梅花扳手卸下瓦盖和端 盖紧固螺丝,并用铜棒轻轻磕动取下瓦盖及上瓦。
解说词选择1mm 粗、50mr rr 70mm 长的铅丝,横放在轴径上瓦口2处(A1、A2); 用同样规格的铅丝分别放在下瓦两侧4处(B1、B2和B3、B4);在瓦口接 合面的四个角上,分别放上厚0.4mm ~ 0.5mm 、长12mm 宽8mm 的四块铜片。
滑动轴承径向间隙的确定电动车宝马汽车动力新能源技术南辰观察:如何华纳大连变速箱汽车博格中国博格华纳联合传动临江项目工业园区开发区平台产业三大平台,萧装备制造业我省产业钢铁新能源河北装备制造业车组机车毛利客车地铁需求中国南车:最具安全项目重庆市万州重庆集团顺利重庆市重大招商项公司柴油机陕西行业齿轮稳定潍柴动力:具有更轴承风能瓦轴风机集团公司瓦轴集团与西门子风国有企业中央宣传部变速器集团公司典型全国法风电市场装机容量产业国风中国风电产业发展前 ,1:30.01mm29.97mm29.92mm,滑动轴承径向间隙的确定螺杆泵的技术性能:轴颈转速n=2950r/min,轴颈直径d=30mm;电机为同步电机,润滑油为渣油,轴承材料为锡基铜。
滑动轴承径向间隙的理论值滑动轴承径滑动轴承径向间隙的确定螺杆泵的技术性能:轴颈转速n=2950r/min,轴颈直径d=30mm;电机为同步电机,润滑油为渣油,轴承材料为锡基铜。
滑动轴承径向间隙的理论值滑动轴承径向间隙Δ=K·d。
式中:K———高精度轴承系数,由《机械设计手册》查得K=0.0008。
d———轴颈的直径,d=30mm。
代入得:Δ=0.02mm由《机械设计手册》查得,最大间隙Δmax=0.10mm。
对原轴套测量,数据及位置:对轴径进行测量,对应位置尺寸数据:轴径1:29.99mm29.94mm29.90mm轴径2:29.92mm29.90mm29.90mm轴套1:30.01mm29.97mm29.92mm轴套2:29.94mm29.92mm29.915mm滑动轴承径向间隙的实际值最大间隙:主动杆:0.03mm从动杆:0.02mm。
该轴承在实际使用过程中,由于间隙过小,摩擦热不易被带走,加之润滑油为介质渣油,杂质较多,易进入间隙,使轴承过热,严重时会“抱轴”,出现烧瓦现象。
轴承间隙的大小应根据具体的应用和轴承类型来确定。
一般来说,轴承间隙的标准范围如下:
1. 滑动轴承间隙:0.001~0.003毫米。
2. 滚动轴承间隙:一般为0.005~0.01毫米,极限值为0.02毫米。
3. 轴向间隙:一般为0.01~0.04毫米,极限值为0.08毫米。
4. 法兰盘轴向间隙:一般为0.1~0.3毫米,极限值为0.5毫米。
5. 圆锥滚子轴承的轴向间隙:一般为0.02~0.2毫米,极限值为0.25毫米。
需要注意的是,轴承间隙的大小对于轴承的正常运转和使用寿命有很大影响。
如果间隙过小,会导致轴承过热、卡死或加速磨损;如果间隙过大,会导致轴承振动和噪音增大,影响轴承的正常使用。
因此,在安装和使用轴承时,应严格按照标准要求进行操作,确保轴承间隙在合适的范围内。
滑动轴承常见故障及解决方法【摘要】滑动轴承是机器中应用很广泛的一种传动,其工作平稳、可靠、无噪声。
但在运行过程中常见故障很多,影响设备的正常运行。
因此,总结故障原因,找出消除故障的解决方案和预防措施,从而可以达到设备正常运行,降低维修率,提高企业的经济效益。
【关键词】异常磨损;巴氏合金;轴承疲劳;轴承间隙巴氏合金是滑动轴承常用材料之一,因其独特的机械性能,很多旋转机械广泛采用为滑动轴承材料。
在日常工作中发现因滑动轴承故障导致停产,造成很大损失的情况时常发生。
总结积累经验,参考有关书目知识,对巴氏合金轴承故障因素及解决方法作以简要论述。
一、巴氏合金松脱巴氏合金松脱原因多产生于浇注前基体金属清洗不够,材料挂锡,浇注温度不够。
当巴氏合金与基体金属松脱时,轴承就加速疲劳,润滑油窜入松脱分离面,此时轴承将很快磨损。
解决方法:重新挂锡,浇注巴氏合金。
二、轴承异常磨损轴径在加速启动跑合过程中,轻微的磨合磨损和研配磨损都属正常。
但是当轴承存在下列故障时,将出现不正常或严重磨损。
1、轴承装配缺陷。
轴承间隙不适当,轴瓦错位,轴径在轴瓦中接触不良,轴径在运行中不能形成良好油膜,这些因素可引起转子振动和轴瓦磨损。
解决方法:更换轴承或重新修刮并做好标记,重新装配,使其达到技术要求。
2、轴承加工误差。
圆柱轴承不圆,多油楔轴承油楔大小和分布不当,轴承间隙过大或过小,止推轴承推力盘端面偏摆量超差、瓦块厚薄不均,都能引起严重磨损。
解决方法:采用工艺轴检测修理轴承瓦不规则形状。
3、转子振动。
由于转子不平衡、不对中,油膜振荡、流体激进等故障,产生高振幅,使轴瓦严重磨损、烧伤、拉毛。
解决方法:消除引起振动因素,更换已磨损轴承。
4、供油系统问题。
供油量不足或中断,引起严重摩擦、烧伤及抱轴。
解决方法:解决供油系统问题,清洁或更换油液,修理或加大冷却器,以降低油温。
三、轴承疲劳引起轴承疲劳有以下原因:1、轴承过载,使承载区油膜破裂,局部地区产生应力集中,局部接触裂纹,扩展后产生疲劳破坏。
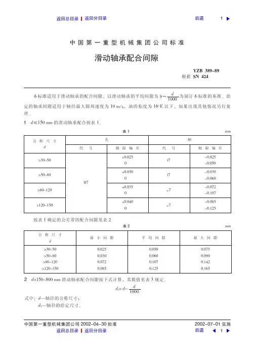
中国第一重型机械集团公司标准滑动轴承轴套内、外径配合公差CFHI SD 猿怨园原2008代替YZB 390-89中国第一重型机械集团公司2008-12-01批准2008-12-31实施说明:①为了改变既费工时又降低配合精度的轴套孔加工后刮研的工艺方法,对采用过渡配合或过盈配合的轴套应在轴套孔径加工时,事先考虑装配后孔径缩小的因素。
本标准采用放大装配前轴套孔径的公差带,结合CFHI SD 389-2008《滑动轴承配合间隙》的规定,以期达到设计要求的配合。
②本标准推荐轴承座孔与轴套外径的配合优先采用H7/r6配合,此时,两者间不需附加固定措施。
只有当压入轴套有困难时,可考虑选用过渡配合。
③当轴套采用js 或k 公差带与轴承座孔配合时,则可不必考虑放大轴套孔径的公差带措施。
本标准适用于滑动轴承轴套的内、外径配合公差。
1型式2推荐公差范围见表1。
表1直径过盈配合过渡配合粘接或动配合D 1装配前E7E8D9G7H7H8E9装配后H7H8E9H7相关轴公差带(查CFHI SD 389-2008)h9、h11(查CFHI SD 389-2008)g6、f7、e7h9、h11d 2的公差带r6m6、n6g6轴承座孔公差带H71后退返回分目录返回总目录CFHI SD390-20083标注示例:轴套:D1=Ø40H7(+0.0250)、d2=Ø50r6穴+0.050+0.034雪,轴承座孔公差带为H7,相关轴公差带f7。
在零件图上标注轴套内径D1=Ø40E7穴+0.075+0.050雪轴套外径d2=Ø50r6穴+0.050+0.034雪轴承座孔Ø50H7穴+0.0250雪相关轴径Ø40f7穴-0.025-0.050雪在装配图上标注:轴套与轴的配合Ø40H7/f7轴套与轴承座孔的配合Ø50H7/r64相关轴的公称尺寸极限偏差按CFHI SD389-20082后退返回分目录返回总目录。
滑动轴承设计参数滑动轴承是工程中常用的传动装置之一,它具有结构简单、易于制造、承载能力大等优点,被广泛应用于汽车、船舶、机床等众多领域。
然而,滑动轴承的设计参数直接影响着其性能和使用寿命。
本文将就滑动轴承设计参数进行详细阐述,旨在帮助读者更好地了解滑动轴承的设计原则和方法。
首先,滑动轴承的设计参数主要包括轴承尺寸、材料选择、润滑方式和润滑剂选择等几个方面。
1.轴承尺寸滑动轴承的尺寸主要包括轴承内径、外径和宽度。
在设计轴承尺寸时,需要根据承载情况和使用环境综合考虑。
一般来说,轴承内径的选择应使得轴与内径之间留有适当的间隙以保证轴承的工作寿命和运转可靠性。
2.材料选择滑动轴承的材料选择直接关系到轴承的使用寿命和工作性能。
常见的滑动轴承材料包括铜合金、铸铁、钢、聚合物等。
不同的材料具有不同的性能特点,需要根据使用条件和经济性综合考虑选择合适的轴承材料。
3.润滑方式滑动轴承的润滑方式通常包括干摩擦润滑和液体润滑两种。
干摩擦润滑适用于低速、低负荷和较小尺寸的轴承,具有结构简单、不需要润滑剂等优点;液体润滑适用于高速、高负荷和大尺寸的轴承,具有散热性好、粘滞阻力小等优点。
在选择润滑方式时,需要根据轴承运行条件和要求综合权衡取舍。
4.润滑剂选择对于液体润滑的滑动轴承,润滑剂的选择也是非常重要的一环。
润滑剂可以减小摩擦、冷却轴承、防腐蚀等。
常见的润滑剂包括液体油脂和固体润滑剂。
液体油脂的选择要考虑其黏度、油膜强度、氧化安定性等因素;固体润滑剂的选择要考虑其耐温性、耐腐蚀性等因素。
除了上述几个设计参数外,滑动轴承的设计还需要考虑一些其他因素,如轴承间隙、轴承精度、润滑剂供给方式、轴承内部结构等。
在进行滑动轴承设计时,还需要根据实际情况进行实测和理论计算,并在交流中不断改进和优化。
综上所述,滑动轴承的设计参数是非常重要的,能直接影响轴承的性能和寿命。
在设计滑动轴承时,需要综合考虑轴承尺寸、材料选择、润滑方式和润滑剂选择等因素,并根据实际情况进行优化设计。
滑动轴承的认真信息概况滑动轴承(slidingbearing),在滑动摩擦下工作的轴承。
滑动轴承工作平稳、牢靠、无噪声。
在液体润滑条件下,滑动表面被润滑油分开而不发生直接接触,还可以大大减小摩擦损失和表面磨损,油膜还具有肯定的吸振本领。
但起动摩擦阻力较大。
轴被轴承支承的部分称为轴颈,与轴颈相配的零件称为轴瓦。
为了改善轴瓦表面的摩擦性质而在其内表面上浇铸的减摩材料层称为轴承衬。
轴瓦和轴承衬的材料统称为滑动轴承材料。
常用的滑动轴承材料有轴承合金(又叫巴氏合金或白合金)、耐磨铸铁、铜基和铝基合金、粉末冶金材料、塑料、橡胶、硬木和碳—石墨,聚四氟乙烯(特氟龙、PTFE)、改性聚甲醛(POM)、等。
滑动轴承应用场合一般在低速重载工况条件下,或者是维护保养及加注润滑油困难的运转部位。
原理依据轴承的工作原理可分:滚动摩擦轴承(滚动轴承)和滑动摩擦轴承(滑动轴承)。
滑动轴承:在滑动轴承表面若能形成润滑膜将运动副表面分开,则滑动摩擦力可大大降低,由于运动副表面不直接接触,因此也避开了磨损。
滑动轴承的承载本领大,回转精度高,润滑膜具有抗冲击作用,因此,在工程上获得广泛的应用。
润滑膜的形成是滑动轴承能正常工作的基本条件,影响润滑膜形成的因素有润滑方式、运动副相对运动速度、润滑剂的物理性质和运动副表面的粗糙度等。
滑动轴承的设计应依据轴承的工作条件,确定轴承的结构类型、选择润滑剂和润滑方法及确定轴承的几何参数。
分类滑动轴承种类很多。
①按能承受载荷的方向可分为径向(向心)滑动轴承和推力(轴向)滑动轴承两类。
②按润滑剂种类可分为油润滑轴承、脂润滑轴承、水润滑轴承、气体轴承、固体润滑轴承、磁流体轴承和电磁轴承7类。
③按润滑膜厚度可分为薄膜润滑轴承和厚膜润滑轴承两类。
④按轴瓦材料可分为青铜轴承、铸铁轴承、塑料轴承、宝石轴承、粉末冶金轴承、自润滑轴承和含油轴承等。
⑤按轴瓦结构可分为圆轴承、椭圆轴承、三油叶轴承、阶梯面轴承、可倾瓦轴承和箔轴承等。
2.压铅法。
在轴上、轴承座的相应结合面分别放置相应粗细的铅丝,把紧轴承及其轴承座,然后拆开轴承及其轴承座,测量相应结合面的铅丝厚度,两者相减即为轴承间隙。
序号字幕解说词
2测定滑动轴承间隙
轴承是在支撑轴以及轴上的其他回转的零件,引导轴的旋转运动,承受轴传递给机架的载荷。
根据轴承的摩擦性质分为滑动轴承、滚动轴承。
机泵轴承工作时应该有一定间隙,间隙不符合要求在运转过程中就会出现一些故障,因此岗位操作人员应该掌握测量轴承间隙的操作规程,并协助泵修人员进行测定。
操作时间:要求至少2人在40min内完成。
现场测量滑动轴承顶隙的方法是压铅法,而测量轴瓦侧隙采用塞尺法。
一、准备工作
1、操作人员穿戴好
劳保用品
操作人员穿戴好劳保用品
32、准备工具、用具
1、设备:注水泵机组1套;
2、工用具:活动扳手1套,梅花扳手1套,开口扳手1套,管钳1把(600mm),250mm起子2把,撬杠2把,“F”型扳手1把,千分尺、游标卡尺、剪刀、塞尺各1把,紫铜皮适量(δ=0.05mm,δ=0.10mm,δ=0.20mm),细铅丝φ0.50mm(长300mm)Φ40*250mm紫铜棒1个,棉纱或擦布适量,清洗液适量,石棉板(δ=1.0mm)1张记录纸、记录笔等。
操作步骤
4塞尺法测量轴瓦的
侧间隙
选择停用的注水泵机组,由2人配合操作。
卸下瓦盖紧固螺丝,取下瓦盖及上瓦:用开口或梅花扳手卸下瓦盖和端盖紧固螺丝,并用铜棒轻轻磕动取下瓦盖及上瓦。
选择合适的塞尺片,插入下瓦的四角,即可测量出轴瓦的侧间隙,并记录所测得的数据。
压铅法测量轴瓦的
顶间隙
选择停用的注水泵机组,由2人配合操作。
卸下瓦盖紧固螺丝,取下瓦盖及上瓦:用开口或梅花扳手卸下瓦盖和端盖紧固螺丝,并用铜棒轻轻磕动取下瓦盖及上瓦。
字幕解说词
压铅法测量轴瓦的
顶间隙
选择1mm粗、50mm~70mm长的铅丝,横放在轴径上瓦口2处(A1、A2);
用同样规格的铅丝分别放在下瓦两侧4处(B1、B2和B3、B4);在瓦口接
合面的四个角上,分别放上厚0.4mm ~ 0.5mm、长12mm、宽8mm的四块铜
片。
放好铅丝和铜片后,在扣上上瓦,并均匀拧紧瓦盖紧固螺丝,使四角受力均匀。
松开瓦盖紧固螺丝,拆下上瓦,取出铅丝和铜片。
用千分表或游标卡尺测量取出铅丝厚度,根据铅丝厚度和两边铜片厚度平均值之差,即可计算出轴瓦前后两端顶部间隙大小。
根据测量的数据,判断滑动轴承的间隙是否符合规定技术要求,是否应该进行调整。
压铅法测量轴瓦瓦
背(球形瓦球面)的
间隙
操作方法同测量轴瓦顶部间隙相同,但是铅丝放在瓦背上及轴承座的结合面上,两侧各放上铅丝,其间隙大小应是结合面上的铅丝平均厚度与瓦背
上铅丝平均厚度之差。
3、清理现场,回收工具用具,擦洗干净,放回原位。
4、填写记录清理现场,填写岗位工作记录,维修记录。
为什么注水泵泵轴要有一定串量?
答:轴串量的作用在于:
1,串量使泵的转子在定子中有一定的移动范围,使转子除平衡盘之外在前后的串动中不与定子发生任何接触。
2,控制轴串量中的平衡盘串量(前均不串量),使转子上的叶轮出口都能与导叶入口对正,使之有最好的水力效率。
3,轴串量是消除或补偿注水泵转子制造误差和装配的积累误差。
4,为平衡盘磨损后提供一定的补偿余量。