华为单板描述
- 格式:doc
- 大小:224.50 KB
- 文档页数:24
目录一、TD-LTE BBU3900单板配置 (2)1、单板配置原则 (2)二、TD-LTE BBU3900单板结构 (3)1、UMPT(主控传输单板) (3)2、LBBP(基带处理板) (6)3、UPEU(电源模块) (8)4、FAN(风扇模块) (9)5、风扇盒 (10)三、TD-LTE RRU硬件结构 (13)1、DRRU3257 (13)2、DRRU3152-e(双通道射频拉远单元) (16)四、TD-LTE BBU3900附属设备 (20)1、DCDU-12B(配电盒模块) (20)2、ETP48100-B1(交流转直流配电盒模块) (21)3、线缆 (21)4、光模块 (23)5、GPS天线 (24)一、TD-LTE BBU3900单板配置1二、TD-LTE BBU3900单板结构1、UMPT(主控传输单板)1.4 指示灯UMPT面板指示灯1.6 拨码开关UMPT 单板共有2 个拨码开关,分别为拨码开关“SW1”、“SW2”,拨码开关在单板上的位置;SW1 用于设置E1/T1 的工作模式,SW2 用于设置各模式下4 路E1/T1 接受信号线接地情况。
2.3 功能LBBP 单板的主要功能包括:•完成上下行数据的基带处理功能。
•提供与射频模块的CPRI 接口。
•实现跨BBU3900基带资源共享能力2.4 指示灯2.5 接口LBBP面板接口33.3 功能UPEU 单板的主要功能包括:•将-48V DC输入电源转换为单板支持的+12V DC工作电源。
•提供2 路RS485 信号接口和8 路开关量信号接口。
3.4 指示灯UPEU面板指示灯(有1 个指示灯,用于指示UPEU 的工作状态)44.2 功能FAN 模块的主要功能包括:•控制风扇转速。
•向主控板上报风扇状态、风扇温度值和风扇在位信号。
•检测进风口温度。
•提供散热功能。
•FANc 支持电子标签读写功能。
5三、TD-LTE RRU硬件结构1、DRRU32571.1 功能描述DRRU3257为双频段8 通道RRU ,它是天线和BBU3900之间的功能模块,通常安装在室外高塔、桅2.2 面板描述2.3 指示灯DRRU3152-e面板指示灯2.4 接口接口描述:•2个Ir光纤接口,传输业务数据、时钟和同步信息。
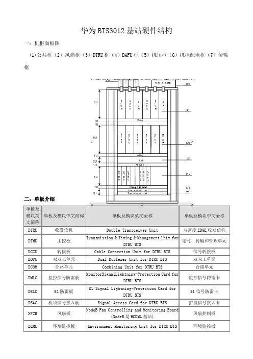
华为BTS3012基站硬件结构
单板及模块英文全称单板及模块中文全称
三:系统组成
华为BTS3012主要有四部分组成:公共子系统,双密度载频子系统,射频前端子系统,天馈子系统。
公共子系统包括基站公共子系统,机顶接入子系统
定时传输管理单板(DTMU)
环境监控板(DEMU)
并柜信号转接板(DCSU)
信号转接板(DCCU)
天线&塔放控制板(DATU)
机顶接入子系统——组成单板
监控信号防雷卡(DMLC)(选配)
E1信号防雷卡(DELC)
扩展信号接入卡(DSAC)
双密度载频子系统——组成单板
双密度收发信单元DTRU(Double Transceiver Unit)背板DTRB
射频前端子系统——组成单板
双密度双双工单元DDPU(Dual Duplexer Unit for DTRU BTS)
双密度合路单元DCOM(Combining Unit for DTRU BTS)
天馈子系统组成结构:天线、馈线、TMA(塔顶放大器)。
华为OSN3500设备SLQ1单板
华为OSN3500设备SLQ1单板有N1和N2两个版本,两个版本间的主要差异在于是否支持TCM功能和AU-3业务。
N1SLQ1单板已经停产。
利用单板兼容替代功能,可用相同线路速率的N3SLQ41替代N1SLQ1和N2SLQ1。
在配置复用段保护和SNCP时,如果工作板为开启了TCM功能或配置了AU-3业务的N2SLQ1,则不允许保护板为不支持TCM功能和AU-3业务的R1SLQ1和N1SLQ1,否则倒换会导致业务中断。
SLQ1光接口板属于线路单板,可用在OptiX OSN系列设备上实现STM-1光信号的接收和发送。
通过本单板,SLQ1将接收到的光信号经O/E转换后送往交叉侧,同时交叉侧的电信号经E/O转换后发送出去。
华为OSN3500设备基本功能是接收和发送4路STM-1光信号。
N1SLQ1支持VC-4通道内环回功能及支持单纤双向光模块,单纤双向光模块不支持采用尾纤进行光接口环回。
N2SLQ1支持TCM功能及AU-3业务处理。
N1SLQ1/N2SLQ1板的机械指标如下:单板尺寸:25.4mm(宽)×235.2mm(深)×261.4mm(高),重量:1.0kg,N1SLQ1板在常温(25°C)条件下的最大功耗为15W,N2SLQ1板在常温(25°C)条件下的最大功耗为15W。
华为OSN3500传输设备SLQ1单板的可插放槽位与子架的交叉容量、槽位带宽及单板版本有关。
SLQ1单板的可插放槽位如下:交叉容量为200Gbit/s时,SLQ1板可以插在子架的slot 1~8、11~17。
华为OSN3500单板功能与特性SL1单板的功能和特性功能和特性描述基本功能接收和发送1路STM-1光信号。
光接口规格支持I-1、S-1.1、L-1.1、L-1.2、Ve-1.2的标准光接口,其中I-1、S-1.1、L-1.1和L-1.2光接口特性符合ITU-T G.957建议。
Ve-1.2的光接口为华为自定义标准。
光模块规格支持光模块信息检测和查询。
支持SFP可插拔光模块的使用和监测,便于光模块的维护。
光接口提供激光器打开、关闭设置和激光器自动关断功能。
业务处理支持VC-12/VC-3/VC-4业务。
开销处理支持STM-1信号的段开销的处理。
支持通道开销的处理(透明传输和终结)。
支持对J0/J1/C2字节的设置和查询。
告警和性能提供丰富的告警和性能事件,便于设备的管理和维护。
保护方式支持二纤单向复用段环保护、四纤复用段环保护、线性复用段保护、SNCP(Sub-Network Connection Protection)保护、SNCTP(Sub-Network Connection Tunnel Protection)和SNCMP(Sub-Network Connection Multi-protection)保护方式。
维护特性支持光口级别的内环回、外环回功能。
支持软复位和硬复位,软复位不影响业务。
支持单板制造信息的查询功能。
支持FPGA的在线加载功能。
支持单板软件的平滑升级。
SLQ1单板的功能和特性功能和特性描述基本功能接收和发送4路STM-1光信号。
光接口规格支持I-1、S-1.1、L-1.1、L-1.2、Ve-1.2的标准光接口,其中I-1、S-1.1、L-1.1和L-1.2光接口特性符合ITU-T G.957建议。
Ve-1.2的光接口为华为自定义标准。
光模块规格支持光模块信息检测和查询。
光接口提供激光器打开、关闭设置和激光器自动关断功能。
支持SFP可插拔光模块的使用和监测,便于光模块的维护。
华为OSN7500单板功能与特性SL1单板的功能和特性功能和特性描述基本功能接收和发送1路STM-1光信号。
光接口规格支持I-1、S-1.1、L-1.1、L-1.2、Ve-1.2的标准光接口,其中I-1、S-1.1、L-1.1和L-1.2光接口特性符合ITU-T G.957建议。
Ve-1.2的光接口为华为自定义标准。
光模块规格支持光模块信息检测和查询。
支持SFP可插拔光模块的使用和监测,便于光模块的维护。
光接口提供激光器打开、关闭设置和激光器自动关断功能。
业务处理支持VC-12/VC-3/VC-4业务。
开销处理支持STM-1信号的段开销的处理。
支持通道开销的处理(透明传输和终结)。
支持对J0/J1/C2字节的设置和查询。
告警和性能提供丰富的告警和性能事件,便于设备的管理和维护。
保护方式支持二纤单向复用段环保护、四纤复用段环保护、线性复用段保护、SNCP(Sub-Network Connection Protection)保护、SNCTP(Sub-Network Connection Tunnel Protection)和SNCMP(Sub-Network Connection Multi-protection)保护方式。
维护特性支持光口级别的内环回、外环回功能。
支持软复位和硬复位,软复位不影响业务。
支持单板制造信息的查询功能。
支持FPGA的在线加载功能。
支持单板软件的平滑升级。
功能和特性描述基本功能接收和发送4路STM-1光信号。
光接口规格支持I-1、S-1.1、L-1.1、L-1.2、Ve-1.2的标准光接口,其中I-1、S-1.1、L-1.1和L-1.2光接口特性符合ITU-T G.957建议。
Ve-1.2的光接口为华为自定义标准。
光模块规格支持光模块信息检测和查询。
光接口提供激光器打开、关闭设置和激光器自动关断功能。
支持SFP可插拔光模块的使用和监测,便于光模块的维护。
业务处理支持VC-12/VC-3/VC-4业务。
1. 单板简介1.1 单板分类S9300 支持的单板包括主控板(S9312 和S9306 为SRU,S9303 为MCU)和接口板LPU 等。
单板种类单板名称描述SRU SRUA主控处理板(用于S9312 和S9306),交换容量单向为256Gbit/sSRUB主控处理板(用于S9312 和S9306),交换容量单向为512Gbit/sMCU MCUA主控处理板(用于S9303)CKM CKMA 时钟扣板-1588CMU CMUA 集中监控板,S9312 和S9306 设备上用于监控设备工作状态的单板,板上有RS485 和MON 两个接口SPU VAMPA增值业务板FSU FSUA SRU 上的灵活业务子卡,用于对主控单元的业务增强VSU VSTSA SRU 上的堆叠插卡,用于支持设备的堆叠功能LPU●G24CA●G24SA●X12SA●G48SA●G48SBC●G48SC●G48SD●G48SFA●F48SA●F48SC●G48TA●G48TBC●G48TC●G48TFA●G48TD●G48VA●G48CEAT●F48TA●F48TC●F48TFA●S24XA●S24XC●T24XA LPU 板分为S 系列以太网接口板、E 系列以太网接口板、F 系列以太网接口板、B 系列以太网接口板、EPON 板和POS 接口板,其中:◆S 系列LPU 包含SA 板。
例如:24 端口百兆/千兆以太网光接口板(SA,SFP)-32K MAC◆ E 系列LPU 包括EA、EC 和ED 板。
例如:48 端口百兆以太网光接口板(EA,SFP)-32K MAC◆ F 系列LPU 包括FA 和FC 板。
例如:48 端口千兆以太网电接口板(FA, RJ45)-32K MAC◆ B 系列LPU 包括BC 板。
例如:48 端口百兆/千兆以太网光接口板(BC, SFP)-128K MAC◆EPON 单板即12 端口千兆EPON 光接口和12 端口百兆/千兆光接口板(SFP)。
华为OSN1500传输设备单板运用说明PIU :电源接入板,两块PIU单板,用来接入两路-48V直流电源,给系统供电。
主要功能有:提供稳定的-48V电源给系统,提供整机雷击防护和电源EMI滤波功能、防反接。
AUX: 辅助接口板,主要完成系统板间LANSWITCH通信,系统电源监控,告警上报及提供时钟和开关量接口等功能、提供串口网管OAM、支持声音告警。
EOW: 公务处理板,主要完成系统公务开销、S1-S4字节的处理。
在系统需要通公务电话或者需要透明传输口时使用。
指示灯如下:名称信号定义信号定义说明说明单板指示灯STAT亮(绿色)单板工作正常亮(红色)单板硬件故障100毫秒亮100毫秒灭(红色)单板硬件不匹配(例如业务板与接口板不匹配)灭单板没有上电PROG亮(绿色)FLASH中单板软件或FPGA存储加载正常;或者单板软件初始化正常;100毫秒亮100毫秒灭(绿色)正在向FLASH或FPGA中加载单板软件300毫秒亮300毫秒灭(绿色)单板软件正在初始化,正处在BIOS引导阶段;亮(红色)FLASH中单板软件或FPGA丢失,加载不成功,初始化不成功PQ1:2M支路板,提供63路E1,提供E1业务的TPS保护。
指示灯状态指示灯状态状态描述STAT亮(绿色)单板工作正常亮(红色)单板硬件故障100毫秒亮100毫秒灭(红色)单板硬件不匹配(例如业务板与接口板不匹配) 灭单板没有上电PROG亮(绿色)FLASH中单板软件或FPGA存储加载正常;或者单板软件初始化正常;100毫秒亮100毫秒灭(绿色)正在向FLASH或FPGA中加载单板软件300毫秒亮300毫秒灭(绿色)单板软件正在初始化,正处在BIOS引导阶段;亮(红色)FLASH中单板软件或FPGA丢失,加载不成功,初始化不成功SRV(业务板)亮(绿色)业务工作正常,没有任何业务告警产生亮(红色)业务有危急或主要告警亮(黄色)业务有次要和远端告警灭没有配置业务ACT(业务板)亮(绿色)业务处于激活状态,单板处于工作,(在TPS保护模式下:该板工作在主板状态,且业务在运行;在没有保护模式下:长亮灭业务处于非激活态,可以拔板CXL4:线路板,实现光信号处理、交叉、定时、主控等功能,单板示意图如下:单板指示灯说明:STAT绿灯亮:单板工作正常,红灯亮:单板硬件故障红灯100ms亮,100ms灭:单板硬件不匹配;ACTX 绿灯亮:交叉主板状态灭:交叉备板状态;ACTC 绿灯亮:主控主板状态灭:主控备板状态PROG 绿灯亮:单板软件和FPGA加载正常,工作正常绿灯100ms亮,100ms灭:正在加载软件绿灯300ms亮,300ms灭:单板软件在初始化红灯亮:单板软件和FPGA丢失;SRVX 绿灯亮,业务工作正常,没有任何业务告警产生。
华为 OptiX OSN3500华为 OptiX OSN3500供应华为 OptiX OSN3500光传输设备,以及各种机柜,子架,单板和模块等项目型号模块描述SS-RACK-2.0-3500 拼装机柜(2000x600x300mm) SS-RACK-2.2-3500 拼装机柜(2200x600x300mm) SS-RACK-2.6-3500 拼装机柜(2600x600x300mm) SS-RACK-2.2(D)-3500 拼装机柜(2200x600x600mm) SS-RACK-2.6(D)-3500 拼装机柜(2600x600x600mm) SS-RACK-2.0(D)-3500 拼装机柜(2000x600x600mm) Telephone 配套整机-公务电话TOOLS 配套工具-SDH安装配套工具包-中英文资料-带配置表SSN1SUBRACK 子架SSNESUBRACK 增强型子架SSN1PIUA 电源接口板SSN1PIU 电源接口板SS-D75S 32xE1/T1电接口倒换出线板(75欧姆) SS-D12S 32xE1/T1电接口倒换出线板(120欧姆) SS-D34S 6路34M/45M电接口转接倒换板SS-EU08 8xSTM-1电接口引出板SS-OU08(S-1.1 LC)-N1 8xSTM-1光口出线板(LC,S-1.1)SS-TSB8 8路电接口保护倒换板SS-ETF8 8路10M/100M快速以太网双绞线接口板SS-MU04 4xE4&STM-1电接口引出板SS-D12B 32xE1/T1电接口出线板SS-DCU01-N1 单路色散补偿板(60km,LC)SS-EU04 4xSTM-1电接口引出板SS-TSB4 4路电接口保护倒换板SS-DCU02-N1 单路色散补偿板(80km,LC)SS-DCU03-N1 双路色散补偿板(60km/60km,LC)SS-DCU04-N1 双路色散补偿板(80km/80km,LC)SS-DCU05-N1 双路色散补偿板(60km/80km,LC)SS-ETS8 8路10/100M以太网双绞线转接倒换板SS-C34S 3xE3/T3电接口转接倒换板SS-DCU01-N2 单路色散补偿板(40km,LC,3dB)SS-DCU02-N2 单路色散补偿板(60km,LC,3dB)SS-DCU03-N2 单路色散补偿板(80km,LC,3dB)SS-DCU04-N2 双路色散补偿板(40km/40km,LC,3dB) SS-DCU05-N2 双路色散补偿板(60km/60km,LC,3dB) SS-DCU06-N2 双路色散补偿板(80km/80km,LC,3dB) SS-DCU07-N2 双路色散补偿板(40km/60km,LC,3dB) SS-DCU08-N2 双路色散补偿板(40km/80km,LC,3dB)SS-DCU09-N2 双路色散补偿板(60km/80km,LC,3dB)SS-DM12-N1 12DDN 混合出线板SS-COA(-37 SC)-N1 盒式单路前放板(-37dBm,SC)SS-SL64(L-64.2b LC)-N1 STM-64光接口板(L-64.2b,LC)SS-SL64(V-64.2b LC)-N1 STM-64光接口板(V-64.2b,LC)SS-SF16(Ue-16.2c-f LC)-N1 STM-16(带外FEC)光接口板(Ue-16.2C&D&F,LC) SS-SL64(S-64.2b LC)-N1 STM-64光接口板(S-64.2b,LC)SS-SL64(Le-64.2 LC)-N1 STM-64光接口板(Le-64.2,LC)SS-SL64(Ls-64.2 LC)-N1 STM-64光接口板(Ls-64.2,LC)SS-N3GSCC01 系统控制与通信板SS-DX1A01-N1 DDN 处理板SS-DXA01-N1 DDN 处理板SS-SLQ1601-N2 4xSTM-16光接口板(I-16,LC)SSN-PD301 6xE3/DS3业务处理板SS-SLQ1602-N2 4xSTM-16光接口板(S-16.1,LC)SS-SLQ1603-N2 4xSTM-16光接口板(L-16.1,LC)SS-SLQ1604-N2 4xSTM-16光接口板(L-16.2,LC)SS-DX1B01-N1 DDN 处理板SSN1SXCSA 超级交叉时钟板SSN1SXCSB 超级交叉时钟板SS-IXCSA-3500 无限交叉时钟板-无扩展子架SS-IXCSB-3500 无限交叉时钟板-带扩展子架SS-EFS401-N2 4路带交换功能的快速以太网处理板SS-EFS001-N4 带交换功能的快速以太网处理板SS-EFT8A01-N1 8端口10M/100M以太网透传处理板SSN-SL16A01 STM-16光接口板(I-16,LC)SSN-SL16A02 STM-16光接口板(S-16.1,LC)SSN-SL16A03 STM-16光接口板(L-16.1,LC)SSN-SL16A04 STM-16光接口板(L-16.2,LC)SSN-SL1602 STM-16光接口板(L-16.2JE,LC)SSN-SL1603 STM-16光接口板(V-16.2Je,LC)SSN-SL1604 STM-16光接口板(U-16.2,LC)SSN-PQ301 12xE3/DS3业务处理板SS-PQ1A01-N2 63xE1业务处理板(75欧姆)SS-PQ1B01-N2 63xE1业务处理板(120欧姆)SSN1SLD16(I-16,LC) 2xSTM-16光接口板(I-16,LC)SSN-PL3A01 3xE3/T3前出线业务处理板SSN-PL301 3xE3/T3业务处理板SSN1SLD16(L-16.1,LC) 2xSTM-16光接口板(L-16.1,LC)SSN1SLD16(S-16.1,LC) 2xSTM-16光接口板(S-16.1,LC)SSN1SLD16(L-16.2,LC) 2xSTM-16光接口板(L-16.2,LC)SS-SF64(Ue-64.2c-e LC)-N1 STM-64(带外FEC)光接口板(Ue-64.2c~e)SS-GXCSA-3500 普通交叉时钟板SS-SPQ4-N1 4xE4&STM-1电接口板SS-GSCC-N1 系统控制与通信板SS-AUX-3500 系统辅助接口板SS-PQM 63xE1/T1业务处理板SS-BA2-D(14 LC) 双路光功率放大板(-6dBm~+3dBm,14dBm,LC) SS-BA2-D(17 LC) 双路光功率放大板(-6dBm~+3dBm,17dBm,LC) SS-BA2-S(14 LC) 光功率放大板(-6dBm~+3dBm,14dBm,LC)SS-BA2-S(17 LC) 光功率放大板(-6dBm~+3dBm,17dBm,LC)SS-BA2-D(14/17 LC) 双路光功率放大板(-6dBm~+3dBm,14&17dBm,LC)SS-BPA(14/-38 LC) 光功率及前置放大板(-38dBm~-10dBm,22dB;-6dBm~+3dBm,14dBm,LC)SS-BPA(17/-38 LC) 光功率及前置放大板(-38dBm~-10dBm,22dB;-6dBm~+3dBm,17dBm,LC)SS-SL16(L-16.2 LC)-N1 STM-16光接口板(L-16.2,LC)SS-SEP1 8xSTM-1线路功能处理板SS-EFT8-N1 16端口10M/100M以太网透传处理板SS-SL64(I-64.2 LC)-N1 STM-64光接口板(I-64.2,LC)SS-XCE-3500 扩展子架交叉板SS-COA(R) 盒式拉曼放大器SS-SLH1 16xSTM-1线路功能处理板SS-SPQ4-N2 4xE4&STM-1电接口板SS-SL1(S-1.1 LC)-N1 STM-1光接口板(S-1.1,LC)SS-SL1(L-1.1 LC)-N1 STM-1光接口板(L-1.1,LC)SS-SL1(L-1.2 LC)-N1 STM-1光接口板(L-1.2,LC)SS-SL1(Ve-1.2 LC)-N1 STM-1光接口板(Ve-1.2,LC)SS-SLQ1(S-1.1 LC)-N1 4xSTM-1光接口板(S-1.1,LC)SS-SLQ1(L-1.1 LC)-N1 4xSTM-1光接口板(L-1.1,LC)SS-SLQ1(L-1.2 LC)-N1 4xSTM-1光接口板(L-1.2,LC)SS-SLQ1(Ve-1.2 LC)-N1 4xSTM-1光接口板(Ve-1.2,LC)SS-SL4(S-4.1 LC)-N1 STM-4光接口板(S-4.1,LC)SS-SL4(L-4.1 LC)-N1 STM-4光接口板(L-4.1,LC)SS-SL4(L-4.2 LC)-N1 STM-4光接口板(L-4.2,LC)SS-SL4(Ve-4.2 LC)-N1 STM-4光接口板(Ve-4.2,LC)SS-SLD4(S-4.1 LC)-N1 2xSTM-4光接口板(S-4.1,LC)SS-SLD4(L-4.1 LC)-N1 2xSTM-4光接口板(L-4.1,LC)SS-SLD4(L-4.2 LC)-N1 2xSTM-4光接口板(L-4.2,LC)SS-SLD4(Ve-4.2 LC)-N1 2xSTM-4光接口板(Ve-4.2,LC)SS-SLQ4(S-4.1 LC)-N1 4xSTM-4光接口板(S-4.1,LC)SS-SLQ4(L-4.1 LC)-N1 4xSTM-4光接口板(L-4.1,LC)SS-SLQ4(L-4.2 LC)-N1 4xSTM-4光接口板(L-4.2,LC)SS-SLQ4(Ve-4.2 LC)-N1 4xSTM-4光接口板(Ve-4.2,LC)SS-SL1(I-1 LC)-N1 STM-1光接口板(I-1,LC)SS-SLQ1(I-1 LC)-N1 4xSTM-1光接口板(I-1,LC)SS-SL4(I-4 LC)-N1 STM-4光接口板(I-4,LC)SS-SLD4(I-4 LC)-N1 2xSTM-4光接口板(I-4,LC)SS-SLQ4(I-4 LC)-N1 4xSTM-4光接口板(I-4,LC)SS-ADQ110 4路155M ATM处理板(S-1.1,LC)SS-EGS212-N2 二路交换式千兆以太网处理板(1000BASE-ZX,1310-LC)SS-EGS210-N2 二路交换式千兆以太网处理板(1000BASE-SX,850-LC)SS-EGS211-N2 二路交换式千兆以太网处理板(1000BASE-LX,1310-LC)SS-ADQ114 4路155M ATM处理板(Ie-1,LC,多模)SS-EGT210-N1 双光口千兆以太网透传处理板(1000BASE-SX,850-LC)SS-EGT211-N1 双光口千兆以太网透传处理板(1000BASE-LX,1310-LC)SS-EGT212-N1 双光口千兆以太网透传处理板(1000BASE-ZX,1310-LC)SS-EGT213-N1 双光口千兆以太网透传处理板(1000BASE-ZX,1550-LC)SS-ADQ111 4路155M ATM处理板(L-1.1,LC) SS-ADQ112 4路155M ATM处理板(L-1.2,LC) SS-ADQ113 4路155M ATM处理板(Ve-1.2,LC) SS-ADL410 1路622M ATM处理板(S-4.1,LC) SS-ADL411 1路622M ATM处理板(L-4.1,LC) SS-ADL412 1路622M ATM处理板(L-4.2,LC) SS-ADL413 1路622M ATM处理板(Ve-4.2,LC)SS-EFF810 8路10/100M以太网光纤接口板(100Base-SX,1310-LC)SS-EFF811 8路10/100M以太网光纤接口板(100Base-LX,1310-LC)SS-EGS213-N2 二路交换式千兆以太网处理板(1000BASE-ZX,1550-LC)SS-IDQ114 4路155M IMA/ATM处理板(Ie-1,LC,多模)SS-EGR210-N2 两路千兆以太环网处理板(1000BASE-SX,850-LC)SS-EGR211-N2 两路千兆以太环网处理板(1000BASE-LX,1310-LC)SS-EGR212-N2 两路千兆以太环网处理板(1000BASE-ZX,1310-LC)SS-EGR213-N2 两路千兆以太环网处理板(1000BASE-ZX,1550-LC)SS-EMR010-N2 12路10M/100M电口和1路千兆光口混合以太环网处理板(1000BASE-SX,850-LC)SS-EMR011-N2 12路10M/100M电口和1路千兆光口混合以太环网处理板(1000BASE-LX,1310-LC)SS-EMR012-N2 12路10M/100M电口和1路千兆光口混合以太环网处理板(1000BASE-ZX,1310-LC)SS-EMR013-N2 12路10M/100M电口和1路千兆光口混合以太环网处理板(1000BASE-ZX,1550-LC)SS-IDQ110 4路155M IMA/ATM处理板(S-1.1,LC) SS-IDL410 1路622M IMA/ATM处理板(S-4.1,LC) SS-IDQ111 4路155M IMA/ATM处理板(L-1.1,LC) SS-IDQ112 4路155M IMA/ATM处理板(L-1.2,LC) SS-IDQ113 4路155M IMA/ATM处理板(Ve-1.2,LC) SS-IDL411 1路622M IMA/ATM处理板(L-4.1,LC) SS-IDL412 1路622M IMA/ATM处理板(L-4.2,LC) SS-IDL413 1路622M IMA/ATM处理板(Ve-4.2,LC) SS-SLT1(S-1.1 LC)-N1 12xSTM-1光接口板(S-1.1,LC)SSN1EGS4(1000BASE-SX,850-LC ) 四路交换式千兆以太网处理板(1000BASE-SX,850-LC)SSN1EGS4(1000BASE-LX,1310-L C) 四路交换式千兆以太网处理板(1000BASE-LX,1310-LC)SSN1EGS4(1000BASE-ZX,1310-L C) 四路交换式千兆以太网处理板(1000BASE-ZX,1310-LC)SSN1EGS4(1000BASE-ZX,1550-L C) 四路交换式千兆以太网处理板(1000BASE-ZX,1550-LC)SSN1EMS4(1000BASE-SX,850-LC ) 4端口带交换功能的千兆以太网/快速以太网处理板(1000BASE-SX,850-LC)SSN1EMS4(1000BASE-LX,1310-L C) 4端口带交换功能的千兆以太网/快速以太网处理板(1000BASE-LX,1310-LC)SSN1EMS4(1000BASE-ZX,1310-L C) 4端口带交换功能的千兆以太网/快速以太网处理板(1000BASE-ZX,1310-LC)SSN1EMS4(1000BASE-ZX,1550-L C) 4端口带交换功能的千兆以太网/快速以太网处理板(1000BASE-ZX,1550-LC)SS-SLO110-N2 8xSTM-1光接口板(S-1.1,LC)SS-SLO111-N2 8xSTM-1光接口板(L-1.1,LC)SS-SLO112-N2 8xSTM-1光接口板(L-1.2,LC)SS-SLO113-N2 8xSTM-1光接口板(Ve-1.2,LC)SS-SLO114-N2 8xSTM-1光接口板(I-1,LC)SSN3EGS4(1000BASE-SX,850-LC ) 四路交换式千兆以太网处理板(1000BASE-SX,850-LC)SSN3EGS4(1000BASE-LX,1310-L C) 四路交换式千兆以太网处理板(1000BASE-LX,1310-LC)SSN3EGS4(1000BASE-ZX,1310-L C) 四路交换式千兆以太网处理板(1000BASE-ZX,1310-LC)SSN3EGS4(1000BASE-ZX,1550-L C) 四路交换式千兆以太网处理板(1000BASE-ZX,1550-LC)SSN1SLQ1(Ie-1,LC,MM) 4xSTM-1光接口板 (Ie-1,LC,多模)单根电缆-直通网线-5.00m-(网口8位-Ⅳ)-(CC4P0.5P445U(S))-(网口8位-Ⅳ)-屏蔽,DL1229CAB-Straight Through-S-20 单根电缆-屏蔽直通网线-20.00m-(网口8位-IV)-(CC4P0.5P445U(S))-(网口8位-IV)SS-DL-8E1-120-10 中继电缆-负45度-10m-120ohm-8E1-0.5mm-(D44公-Ⅰ)-(2*120CC8P0.5P430U(S))SS-DL-8E1-120-15 中继电缆-负45度-15m-120ohm-8E1-0.5mm-(D44公-Ⅰ)-(2*120CC8P0.5P430U(S))SS-DL-8E1-120-20 中继电缆-负45度-20m-120ohm-8E1-0.5mm-(D44公-Ⅰ)-(2*120CC8P0.5P430U(S))SS-DL-8E1-120-30 中继电缆-负45度-30m-120ohm-8E1-0.5mm-(D44公-Ⅰ)-(2*120CC8P0.5P430U(S))SS-DL-8E1-120-40 中继电缆-负45度-40m-120ohm-8E1-0.5mm-(D44公-Ⅰ)-(2*120CC8P0.5P430U(S))SS-DL-V35-DTE-3 单根电缆-V.35串口电缆-3m-(D28公)-(CC(5P+8C)0.32P296U(S))-(D34公+D34塑料壳)-DTESS-DL-V35-DCE-3 单根电缆-V.35串口电缆-3m-(D28公)-(CC(5P+8C)0.32P296U(S))-(D34母+D34塑料壳)-DCESS-DL-SMB-75-10 中继电缆-155M/时钟/防雷-10m-75ohm-3.9mm-(SMB75直母-IV)-(SYV75-2/0.34(S))SS-DL-SMB-75-20 中继电缆-155M/时钟/防雷-20m-75ohm-3.9mm-(SMB75直母-IV)-(SYV75-2/0.34(S))SS-DL-SMB-75-30 中继电缆-155M/时钟/防雷-30m-75ohm-3.9mm-(SMB75直母-IV)-(SYV75-2/0.34(S))中继电缆-负45度-10m-75ohm-8E1-2.2mm-(D44公-Ⅰ)-(2*SYFVZ75-1.2/0.25*8)中继电缆-负45度-15m-75ohm-8E1-2.2mm-(D44公-Ⅰ)-(2*SYFVZ75-1.2/0.25*8)中继电缆-负45度-20m-75ohm-8E1-2.2mm-(D44公-Ⅰ)-(2*SYFVZ75-1.2/0.25*8)中继电缆-负45度-25m-75ohm-8E1-2.2mm-(D44公-Ⅰ)-(2*SYFVZ75-1.2/0.25*8)中继电缆-负45度-30m-75ohm-8E1-2.2mm-(D44公-Ⅰ)-(2*SYFVZ75-1.2/0.25*8)中继电缆-负45度-40m-75ohm-8E1-2.2mm-(D44公-Ⅰ)-(2*SYFVZ75-1.2/0.25*8)单根电缆-扩展子架通信电缆-5m-(D26公-Ⅰ)-(CC(8P+1P)0.25(S))-(D26公-Ⅰ) SS-DL-SMB-75-15 外部单根中继电缆(75欧/15m/SMB直母)GPX147-SPQ-1(FC-FC) 适配器-FC-FC-2端-银白色-外壳:金属-套筒:氧化锆-方形-铅黄铜基材OP-FC-SC-S-65 光纤连接器-FC/PC-SC/PC-单模-3mm-65mSS-OP-FC/APC-FC/PC-S-15 光纤连接器-FC/APC-FC/PC-单模-3mm-15mSS-OP-D-SC-S-5 光纤连接器-SC/PC-SC/PC-单模-3mm-5mSS-OP-FC-SC-S-2 光纤连接器-FC/PC-SC/PC-单模-3mm-2m光纤连接器-FC/PC-SC/PC-单模-3mm-0.45m SS-OP-FC-SC-S-15 光纤连接器-FC/PC-SC/PC-单模-3mm-15mSS-OP-FC-SC-S-20 光纤连接器-FC/PC-SC/PC-单模-3mm-20mSS-OP-FC-SC-S-25 光纤连接器-FC/PC-SC/PC-单模-3mm-25mSS-OP-FC-SC-S-30 光纤连接器-FC/PC-SC/PC-单模-3mm-30mSS-OP-FC-SC-S-35 光纤连接器-FC/PC-SC/PC-单模-3mm-35mSS-OP-FC-SC-S-45 光纤连接器-FC/PC-SC/PC-单模-3mm-45mSS-OP-FC-SC-S-50 光纤连接器-FC/PC-SC/PC-单模-3mm-50m光纤连接器-FC/PC-SC/PC-多模-3mm-0.45m SS-OP-D-SC-M-10 光纤连接器-SC/PC-SC/PC-多模-3mm-10mSS-OP-D-SC-M-30 光纤连接器-SC/PC-SC/PC-多模-3mm-30mSS-OP-D-SC-S-15 光纤连接器-SC/PC-SC/PC-单模-3mm-15mSS-OP-D-SC-M-15 光纤连接器-SC/PC-SC/PC-多模-3mm-15mSS-OP-D-SC-M-2 光纤连接器-SC/PC-SC/PC-多模-3mm-2mSS-OP-FC-SC-S-1 光纤连接器-FC/PC-SC/PC-单模-3mm-1mSS-OP-SC-SC-S-1 光纤连接器-SC/PC-SC/PC-单模-3mm-1mSS-OP-D-SC-S-20 光纤连接器-SC/PC-SC/PC-单模-3mm-20mSS-OP-D-SC-M-50 光纤连接器-SC/PC-SC/PC-多模-3mm-50mSS-OP-D-SC-M-20 光纤连接器-SC/PC-SC/PC-多模-3mm-20mSS-OP-FC-SC-M-10 光纤连接器-FC/PC-SC/PC-多模-3mm-10mOP-SC-SC-M-5 光纤连接器-SC/PC-SC/PC-多模-3mm-5mSS-OP-AD-SC-FC 适配器-SC-FC-1-蓝色-陶瓷内管-方形SS-OP-FC-SC-S-30 光纤连接器-FC/APC-SC/PC-单模-3mm-30mSS-OP-FC/APC-SC/PC-S-25 光纤连接器-FC/APC-SC/PC-单模-3mm-25mSS-OP-MTRJ-D-SC-M-10 光纤连接器-MTRJ-2SC/PC-多模-2mm-10mSS-OP-MTRJ-D-SC-S-10 光纤连接器-MTRJ-2SC/PC-单模-2mm-10mSS-OP-MTRJ-D-FC-M-15 光纤连接器-MTRJ-2FC/PC-多模-2mm并排-15m SS-OP-MTRJ-D-FC-S-15 光纤连接器-MTRJ-2FC/PC-单模-2mm-15mSS-OP-D-SC-S-2 光纤连接器-SC/PC-SC/PC-单模-3mm-2mOP-SC-SC-S-80 光纤连接器-SC/PC-SC/PC-单模-3mm-80mOP-SC-SC-S-65 光纤连接器-SC/PC-SC/PC-单模-3mm-65mSS-OP-MTRJ-D-SC-S-5 光纤连接器-MTRJ-2SC/PC-单模-2mm并排-5m SS-OP-MTRJ-D-SC-M-5 光纤连接器-MTRJ-2SC/PC-多模-2mm并排-5m SS-OP-MTRJ-D-FC-S-30 光纤连接器-MTRJ-2FC/PC-单模-2mm并排-30mSS-OP-MTRJ-D-SC-S-30 光纤连接器-MTRJ-2SC/PC-单模-2mm并排-30m光纤连接器-FC/PC-SC/PC-单模-3mm-2.7mSS-OP-FC-SC-S-5 光纤连接器-FC/PC-SC/PC-单模-3mm-5mOP-FC/PC-1 光跳线-1FC/PC-/-单模-3mm-1mSS-FC-S-3 光跳线-1FC/PC-/-单模-3mm-3mSS-OP-LC-SC-S-5 光纤连接器-LC/PC-SC/PC-单模-2mm-5mSS-OP-D-LC-S-5 光纤连接器-LC/PC-LC/PC-单模-2mm-5mSS-OP-LC-SC-S-10 光纤连接器-LC/PC-SC/PC-单模-2mm-10mSS-OP-LC-FC-S-10 光纤连接器-FC/PC-LC/PC-单模-2mm-10mSS-OP-LC-FC-S-5 光纤连接器-FC/PC-LC/PC-单模-2mm-5mSS-OP-D-LC-S-10 光纤连接器-LC/PC-LC/PC-单模-2mm-10mSS-OP-MTRJ-2SC-S-20 光纤-MTRJ-2SC/PC-单模-20mSS-OP-MTRJ-2SC-S-25 光纤连接器-MTRJ-2SC/PC-单模-2mm并排-25m SS-OP-MTRJ-2FC-S-20 光纤连接器-MTRJ-2FC/PC-单模-2mm并排-20m SS-OP-MTRJ-2FC-S-40 光纤连接器-MTRJ-2FC/PC-单模-2mm并排-40m SS-OP-MTRJ-2FC-S-50 光纤连接器-MTRJ-2FC/PC-单模-2mm并排-50m SS-OP-LC-FC-M-10 光纤连接器-FC/PC-LC/PC-多模-2mm-10mSS-OP-D-LC-M-10 光纤连接器-LC/PC-LC/PC-多模-2mm-10mSS-OP-LC-SC-M-10 光纤连接器-LC/PC-SC/PC-多模-2mm-10mOP-FC-SC-M-2.7 光纤连接器-FC/PC-SC/PC-多模-3mm-2.7mSS-OP-D-SC-S-50 光纤连接器-SC/PC-SC/PC-单模-3mm-50mSS-OP-D-SC-S-10 光纤连接器-SC/PC-SC/PC-单模-3mm-10mSS-OP-D-SC-S-30 光纤连接器-SC/PC-SC/PC-单模-3mm-30mSS-OP-D-LC-S-3 光纤连接器-LC/PC-LC/PC-单模-2mm-3mSS-OP-D-LC-S-1.5 光纤连接器-LC/PC-LC/PC-单模-2mm-1.5mSS-OP-AD-LC-LC 适配器-LC/PC-LC/PC-2-蓝色-外壳:塑料,插芯:氧化锆-方形SS-OP-LC-FC-S-6 光纤连接器-FC/PC-LC/PC-单模-2mm-6m SS-OP-D-LC-S-20 光纤连接器-LC/PC-LC/PC-单模-2mm-20m SS-OP-FC-SC-S-10 光纤连接器-FC/PC-SC/PC-单模-3mm-10m OP-SC-SC-S-4 光纤连接器-SC/PC-SC/PC-单模-3mm-4m SS-OP-D-SC-S-3 光纤连接器-SC/PC-SC/PC-单模-3mm-3m SS-OP-FC-SC-M-20 光纤连接器-FC/PC-SC/PC-多模-3mm-20m SS-OP-FC-SC-M-30 光纤连接器-FC/PC-SC/PC-多模-3mm-30m SS-OP-FC-SC-S-3 光纤连接器-FC/PC-SC/PC-单模-3mm-3m SS-OP-FC-SC-M-15 光纤连接器-FC/PC-SC/PC-多模-3mm-15m SS-OP-LC-FC-M-20 光纤连接器-FC/PC-LC/PC-多模-2mm-20m SS-OP-LC-FC-S-20 光纤连接器-FC/PC-LC/PC-单模-2mm-20m SS-OP-LC-SC-M-30 光纤连接器-LC/PC-SC/PC-多模-2mm-30m SS-OP-LC-SC-S-30 光纤连接器-LC/PC-SC/PC-单模-2mm-30m SS-OP-LC-FC-M-30 光纤连接器-FC/PC-LC/PC-多模-2mm-30m SS-OP-LC-FC-S-30 光纤连接器-FC/PC-LC/PC-单模-2mm-30m SS-OP-LC-SC-M-20 光纤-LC/PC-SC/PC-多模-20mSS-OP-LC-SC-S-20 光纤连接器-LC/PC-SC/PC-单模-20mSS-OP-LC-SC-S-15 光纤连接器-LC/PC-SC/PC-单模-2mm-15m SS-OP-D-LC-S-30 光纤连接器-LC/PC-LC/PC-单模-2mm-30m SS-OP-LC-FC-S-7 光纤连接器-FC/PC-LC/PC-单模-2mm-7m SS-OP-LC-FC-S-2.7 光纤连接器-FC/PC-LC/PC-单模-2mm-2.7mSS-OP-LSH-FC-S-10 光跳线-LSH/APC-FC/UPC-单模-B1-3mm-10m-低烟无卤SS-OP-LC-SC-S-2.7 光纤连接器-LC/PC-SC/PC-单模-2mm-2.7m光跳线-ESCON/PC-2SC/PC-多模-A1b-3mm-10m-并排光缆SS-OP-LC-FC-S-50 光纤连接器-FC/PC-LC/PC-单模-2mm-50mSS-OP-LC-FC-S-15 光纤连接器-FC/PC-LC/PC-单模-2mm-15mSS-OP-D-LC-M-30 光纤连接器-LC/PC-LC/PC-多模-2mm-30mSS-OP-D-LC-M-20 光纤连接器-LC/PC-LC/PC-多模-2mm-20mSS-OP-D-LC-M-3 光纤连接器-LC/PC-LC/PC-多模-2mm-3mSS-OP-LC-FC-M-3 光纤连接器-FC/PC-LC/PC-多模-2mm-3mSS-OP-LC-FC-M-5 光纤连接器-FC/PC-LC/PC-多模-2mm-5mSS-OP-LC-FC-M-50 光纤连接器-FC/PC-LC/PC-多模-2mm-50mSS-OP-FC-SC-M-50 光纤连接器-FC/PC-SC/PC-多模-3mm-50mSS-OP-LC-SC-M-50 光纤连接器-LC/PC-SC/PC-多模-2mm-50mSS-OP-LC-SC-S-50 光纤连接器-LC/PC-SC/PC-单模-2mm-50m光跳线-LSH/APC-FC/UPC-单模-B1-3mm-30m-满足高功率SS-OP-D-LC-S-0.3 光纤连接器-LC/PC-LC/PC-单模-2mm-0.3mSS-OP-LC-SC-S-0.3 光纤连接器-LC/PC-SC/PC-单模-2mm-0.3mSS-OP-D-LC-S-6 光纤连接器-LC/PC-LC/PC-单模-2mm-6m光跳线-LSH/APC-LSH/APC-单模-G.652-3mm-3m-满足高功率DOC OptiX OSN 3500 智能光传输系统电子手册SS-OP-HRL-ATN-FC-5 光固定衰减器-1310/1550nm-5dB.-FC/PC-40dB.SS-OP-HRL-ATN-FC-10 光固定衰减器-1310/1550nm-10dB.-FC/PC-60dB.SS-OP-VATN-LC 光可变衰减器-机械调节(单路)-1300~1610nm-2~30dB-2.0dB-40dB.-2mm*2. 5m LC/PCSS-OP-ATN-LC-5 光固定衰减器-1310/1550nm-5dB.-LC/PC-45dB.SS-OP-ATN-LC-10 光固定衰减器-1310/1550nm-10dB.-LC/PC-45dB.SS-OP-ATN-LC-15 光固定衰减器-1310/1550nm-15dB.-LC/PC-45dB.SS-OP-ATN-SC-5 光固定衰减器-1310/1550±20nm-5dB.-SC/PC-40dB.SS-OP-ATN-SC-10 光固定衰减器-1310/1550±20nm-10dB.-SC/PC-40dB.SS-OP-ATN-SC-15 光固定衰减器-1310/1550nm-15dB.-SC/PC-40dB.色散补偿光纤-(1530~1565)nm(补偿G.652光纤)-5.4 dB.-0dB.-0ps色散补偿光纤-(1530~1565)nm(补偿G.652光纤)-7.5 dB.-0dB.-0ps色散补偿光纤-(1530~1565)nm(补偿G.652光纤)-3.6 dB.-0dB.-0ps色散补偿光纤-(1530~1565)nm(补偿G.652光纤)-9.7 dB.-0dB.-0psSSE-DCM(A)-C-652(20km) 色散补偿光纤-1525~1565nm (补偿G.652光纤)--319~-337ps/nm@1545nm(补偿20km)-3.6 dB.-0.1dB.-0.46ps-LC/UPSSE-DCM(B)-C-652(40km) 色散补偿光纤-1525~1565nm (补偿G.652光纤)--635~-673ps/nm@1545nm(补偿40km)-5.4 dB.-0.1dB.-0.6。
华为OSN3500设备ADQ1单板功能原理
华为OSN3500设备ADQ1单板是由光电转换模块、物理层模块、ATM模块、E3模块、映射模块、逻辑控制模块、时钟模块和电源模块组成。
各模块具体功能如下所示:
光电转换模块:在接收方向,光电转换模块将光信号转换成电信号。
在发送方向,光电转换模块将电信号转换成光信号。
华为OSN3500设备ADQ1单板物理层模块主要负责将ATM信元映射到SDH帧中;将SDH帧解映射到ATM信元及在ATM业务物理层进行信元定界并对信头差错控制序列进行测试,同时生成相应的控制序列。
ATM模块主要完成ATM协议中定义的如下ATM层功能:流量控制;信元帧头提取和生成及ATM交换。
华为OSN3500设备ADQ1单板E3模块主要处理E3速率的ATM业务。
E3模块完成下面的功能:将ATM信元映射到E3容器中;将E3容器解映射到ATM信元及对E3速率的ATM 业务进行ATM物理层的相关处理。
华为OSN3500设备ADQ1单板映射模块完成下面的功能:
●将ATM信元映射到SDH帧净荷中;
●将SDH帧净荷解映射到ATM信元;
●完成ATM物理层的功能及完成VC4-Xv(X≤4)虚级联。
逻辑控制模块完成下面的功能:
●控制芯片的读写操作;
●与网元通信;
●下发已配置的业务;
●上报每个功能模块的告警;
●检测光模块的R_LOS告警信号以及控制激光器的关断操作。
华为OSN3500光传输设备ADQ1单板时钟模块主要生成每个芯片需要的工作时钟。
时钟频率可以是50MHz、77MHz或100MHz。
电源模块负责把输入–48V/–60V电源转换为单板的所有模块所需的直流电压。
OSN3500单板类型介绍华为OSN3500光传输设备单板尺寸如下表所示:单板类型光接口板(例如:SL16)业务处理板(例如:PQ1)业务接口板(例如:D75S)高(mm)261.4 261.4 261.4深(mm)235.2 235.2 125.2宽(mm)25.4 25.4 22.0单板类型交叉时钟板系统辅助接口板(AUX)电源接口板(PIU)高(mm)261.4 261.4 261.4深(mm)235.2 125.2 125.2宽(mm)40.0 44.0 44.0OSN3500双槽位单板例如:N1PEG16尺寸为:(高)261.4 mm x(深)235.2 mmx(宽)50.3 mm。
在SDH设备单板安装过程中应注意以下几点:(1)手持单板时要配带防静电手腕或手套,并保证防静电手腕良好接地,以防止静电损坏单板。
(2)严禁肉眼靠近或直视光接口板和光纤的接口。
光接口和光纤内部的激光束会损害您的眼睛。
(4)直出的光模块不能直接连接光衰减器,如需要光衰减器,可加在ODF架上。
(5)对于可以加光衰减器的单板,光衰减器只能加在“IN”口,不能加在“OUT”口。
(6)光接口环回需要加光衰,避免损伤光模块。
华为SDH设备单板面板上的条形码包含了单板版本、单板名称以及对应单板特性的单板特性码。
OSN3500有两种类型的条形码:16位制造码+单板版本+单板名称+单板特性码和20位制造码+单板版本+单板名称+单板特性码。
以OSN3500设备16位制造码条形码036440 1055000015 -SSN3 SL16A 01为例,分别代表BOM编码的后六位、内部编码、单板版本、单板名称及单板特性码。
OSN2500以太网透传单板介绍华为OSN2500提供了多种以太网透传功能的单板,实现不同的以太网业务需求。
以下以EFT4单板为例说明。
华为OSN2500以太网单板EFT4基本功能为4路FE透明传送,其接口类型支持10Base-T/100Base-TX,满足IEEE802.3u标准。
配合出线板是采用面板直接出线。
EFT4工作模式支持100M全双工、10M全双工和自协商。
ETF4单板帧长范围支持1518Byte~1535Byte报文长度设置,支持最大不超过9600Byte的Jumbo帧。
绑定带宽为12xVC-3或者63xVC-12+9xVC-3;映射方式为VC-3、VC-12、VC-12-Xv(X≤63)和VC-3-Xv(X≤3)。
华为OSN2500设备EFT4单板VCTRUNK规格数量为4,配置特点:① 同一个VCTRUNK只能绑定一种级别的通道,不能既绑定VC-12通道,又绑定VC-3通道。
② 第4个VC-4既能绑定为VC-3通道也能绑定为VC-12通道,其他VC-4只能绑定为VC-3通道。
③ 每个VCTRUNK最多可以绑定3个VC-3或63个VC-12。
④ 对于所有的VCTRUNK,1~63号VC-12不允许与10~12号VC-3同时配置。
华为OSN2500设备EFT4不支持TPS保护,但可以实现带宽的动态增加、动态减少和保护功能,满足ITU-T G.7042标准,支持点到点LPT,满足ITU-T G.7042标准。
环回能力支持内环回以太网端口PHY层及以太网端口MAC层,VC-4及VC-12级别不支持,VC-3级别支持内环回和外环回。
并可提供丰富的告警和性能事件,便于传输设备的管理和维护。
华为BSC侧单板的功能简介:GXPUM:GXPUM单板实现BSC的核心业务处理功能。
GXPUM单板完成以下功能:提供寻呼控制功能。
提供系统消息管理功能。
提供信道分配功能。
提供基站公共业务管理功能。
提供语音呼叫控制功能。
提供分组业务控制功能。
提供切换功能。
提供功率控制功能。
提供与小区广播中心CBC(Cell Broadcast Center)之间接口功能。
提供小区广播消息存储功能。
支持按小区广播信道CBCH(Cell Broadcast CHannel)调度小区广播消息。
提供LAPD(Link Access Procedure on the D channel)协议处理功能。
GXPUT:GXPUT单板处提供BSC的LAPD协议和SS7 MTP3协议处理功能。
GXPUT单板完成以下功能:提供LAPD(Link Access Procedure on the D channel)协议处理功能。
提供SS7 MTP3协议处理功能。
GEIUB:GEIUB单板为BSC的Abis接口提供E1/T1传输。
GEIUB单板完成以下功能:提供4个E1/T1电接口,用于TDM传输。
提供板级支路保护倒换TPS(Tributary Protect Switch)功能,即实现主备单板对应E1/T1物理链路的倒换。
提供32路E1/T1的收发和编解码功能,其中E1传输速率为2.048Mbit/s,T1传输速率为1.544Mbit/sGTNU:GTNU单板实现TDM交换功能,是整个系统电路域的交换中心。
GTNU单板完成以下功能:提供128K×128K的TDM交换功能。
提供TDM网络资源分配以及搭网和拆网功能。
GSCU:GEIUP:GEIUP单板为BSC的Pb接口提供E1/T1传输。
GEIUP单板完成以下功能:提供4个E1/T1电接口,用于TDM传输。
提供板级支路保护倒换TPS(Tributary Protect Switch)功能,即实现主备单板对应E1/T1物理链路的倒换。
华为接⼊⽹产品单板⼿册华为接⼊⽹产品产品⼿册1 概述在实际的维护中,如果现场⼯区⼯程师对各种单板的指⽰灯含义⽐较清楚,对定位故障是⼤有帮助的。
了解指⽰灯正常运⾏状态,可以直观判断单板的运⾏情况;了解单板在复位或加载过程中指⽰灯的变化情况,则能有效帮助我们定位故障点。
因此本⽂详细介绍了接⼊⽹主要单板的指⽰灯含义,希望能对⼴⼤客户的维护有所帮助。
2 单板指⽰灯详细说明2.1 AV5板指⽰灯详细说明03030561 HV01A V50-V5.2协议处理及主控板⽤于GV5-I主控框(2M板为DTM),⽀持2E1接⼝,与H30系列A V5不通⽤!03031229 H302A V50-协议处理及主控03036341 H303A V50-协议处理及主控⽤于GV5-III主控框(2M板为DTE)1、HV01A V5单板正常运⾏时的灯态:RUN:运⾏灯,指⽰运⾏状态、主备板状态、360程序加载等;1000ms亮,1000ms灭:主⽤正常1900ms亮,100ms灭:正在由备⽤升主⽤进⾏平滑处理100ms亮,1900ms灭:备⽤正常250ms亮,250ms灭:正在加载或主备⾝份还未确定<250ms亮,<250ms灭:加载程序的最后阶段,正在解压缩V5S:V5接⼝状态指⽰灯;亮:V5接⼝正常灭:V5接⼝异常V5L :V5链路状态指⽰灯;常亮:所有V5链路层正常常灭:所有V5链路层异常1s亮,1s灭:有⼀条链路不正常,如果这时候V5S亮,则说明有链路坏掉其他情况:若⼲条链路异常,闪的频率越⾼,坏的越多,但⼀般来说,只有上述三种状态。
MSL:主备板通信链路状态指⽰灯;亮:链路正常灭:链路异常COM:与后台通信状态指⽰等;亮:链路正常灭:链路异常CLK :当前时钟主⽤指⽰灯;亮:当前该板提供时钟,既该板时钟主⽤灭:当前该板不提供时钟,既该板时钟备⽤E11 :E11物理状态指⽰灯;亮:E11正常灭:E11异常E12 :E12物理状态指⽰灯;亮:E12正常灭:E12异常NOD :188NOD指⽰灯。
华为单板描述1. 单板简介1.1 单板分类S9300 支持的单板包括主控板(S9312 和S9306 为SRU,S9303 为MCU)和接口板LPU等。
S9300 中单板的名称、类型和描述如下所示。
单板单板名称描述种类SRU SRUA主控处理板(用于S9312 和S9306),交换容量单向为256Gbit/sSRUB主控处理板(用于S9312 和S9306),交换容量单向为512Gbit/sMCU MCUA主控处理板(用于S9303)CKM CKMA 时钟扣板-1588CMU CMUA 集中监控板,S9312 和S9306设备上用于监控设备工作状态的单板,板上有RS485 和MON 两个接口SPU VAMPA增值业务板FSU FSUA SRU 上的灵活业务子卡,用于对主控单元的业务增强VSU VSTSA SRU 上的堆叠插卡,用于支持设备的堆叠功能LPU●G24CA●G24SA●X12SA●G48SA●G48SBC●G48SC●G48SD●G48SFA●F48SA●F48SC●G48TA●G48TBC●G48TC●G48TFA●G48TD●G48VA●G48CEAT●F48TA LPU 板分为S 系列以太网接口板、E 系列以太网接口板、F 系列以太网接口板、B 系列以太网接口板、EPON 板和POS 接口板,其中:◆S系列LPU 包含SA 板。
例如:24 端口百兆/千兆以太网光接口板(SA,SFP)-32K MAC◆E系列LPU 包括EA、EC 和ED 板。
例如:48 端口百兆以太网光接口板(EA,SFP)-32K MAC◆F系列LPU 包括FA 和FC板。
例如:48 端口千兆以太网电接口板(FA, RJ45)-32K MAC◆B系列LPU 包括BC 板。
例●F48TC ●F48TFA ●S24XA ●S24XC ●T24XA ●G24CEAS ●G24SC ●G24SD ●G24TFA ●E12GA ●X4UXA ●X4UXC ●X4UXD ●X2UXA ●X2UXC ●X40SFC ●X16SFC ●WMNPA ●P1UF●4HF●P4CF如:48 端口百兆/千兆以太网光接口板(BC, SFP)-128K MAC◆E PON 单板即12 端口千兆EPON 光接口和12 端口百兆/千兆光接口板(SFP)。
◆P OS 接口板即WAN 接口板及其灵活插卡GE 电接口不支持同步以太网功能。
SFP(Small Form-Factor Pluggable)为可热插拔光模块。
XFP(10 Gigabit Small Form-FactorPluggable)为10G 可热插拔光模块。
SFP+(10 Gigabit Small Form-FactorPluggable)为10G 可热插拔光模块,相比较于1.2 9312槽位示意图1.3 9306槽位示意图1.4 9303槽位示意图2. SRU主控处理单元2.1简介SRU 是S9306 和S9312的主控处理单元。
SRU 单板是S9312 和S9306 的主控交换平台,集主控单元、时钟单元、交换单元和系统维护单元于一体。
SRU 单板是系统控制和管理核心,完成了控制平面和系统维护平面的功能。
主控处理单元有两种类型:SRUA 和SRUB,SRUA 又分为LE02SRUA 和LE03SRUA,SRUB 只有LE02SRUB,具体对比如下所示:单板名称交换容量是否有支持时间同步和时钟同步的时钟板否LE02SRUA 双向512Gbit/sLE03SRUA 双向是512Gbit/s是LE02SRUB 双向1Tbit/s2.2 功能SRU 是主控交换合一板,提供整个系统的控制平面,管理平面和业务交换平面。
控制平面完成系统的协议处理、业务处理、路由运算、转发控制、业务调度、流量统计、系统安全等功能。
◆管理平面完成系统的运行状态监控、环境监控、日志和告警信息处理、系统加载、系统升级等功能。
◆业务交换平面提供高速无阻塞数据通道,实现各个业务模块之间的业务交换功能。
主控交换板支持1:1 主备配置(数据交换单元支持1 + 1 负荷分担和1:1 备份模式),支持灵活插卡。
SRU 板按功能可划分为以下几个模块:◆主控模块:SRU 板以及整个系统的控制平面和管理平面,完成协议处理、路由运算、转发控制、系统管理、系统安全等功能。
◆交换模块:系统的业务交换平面,提供高速业务通道,完成系统的业务交换功能。
◆本地时钟模块:为SRU 板上的主控模块、交换模块、设备管理和监控模块内的芯片提供工作时钟。
◆设备管理和监控模块:提供CANbus(Controller Area Network bus)模块功能,完成SRU 板的监控管理以及线路板CANbus 模块的管理。
◆电源模块:为SRU 单板以及灵活插卡、时钟扣板提供各种电源。
◆灵活插卡:可选配的增值业务模块,提供OAM、BFD 等增强业务特性。
◆时钟扣板:可选配的时钟模块,提供三级时钟和同步以太时钟功能,支持IEEE1588v2。
◆堆叠插卡:可选配的堆叠功能模块,提供两台设备堆叠功能。
说明:◆系统配置数据、启动文件、升级文件、系统运行日志信息等均存放在SRU 板上。
◆S RU支持1:1冗余备份工作方式。
◆L E02SRUA不支持选配时钟模块◆S RU支持热插拔。
拔出主用SRU之前,需先进行主备倒换。
◆S RUA和SRUB不支持混插。
即两种板卡不能同时插在同一台设备上。
2.3 接口LE02SRUA 面板外观LE03SRUA 和LE02SRUB 面板外观接口说明如下:名称数量描述ETH 以太网接口(10M/100M BASETX自适应)1 用于和配置终端或网管工作站的网口连接,搭建现场或远程配置环境。
CON 口 1 用于连接控制台,实现对S9300 的现场配置功能。
BITS 接口 2 主控板上的CLK1 和CLK2接口分别对应时钟板BITS0和BITS1 接口。
BITS 接口用于连接BITS设备,或者与其他产品通过BITS 接口同步级联,实现时间和时钟同步。
3. MCUA主控处理单元3.1简介MCUA 是S9303 的主控交换平台。
MCUA 集主控单元、时钟单元和系统维护单元于一体。
MCUA 板是系统控制和管理核心,同时又作为系统时钟源和维护管理单元,完成了控制平面和系统维护平面的功能。
S9300 支持的MCUA 可分为LE02MCUA 和LE03MCUA。
两者的区别在于LE03MCUA可配置时钟扣板,支持时间和时钟同步功能。
3.2 功能MCUA 单板为S9303 的主控单元板,主要实现以下功能:提供整个系统单板间的带外通信通道。
为系统提供高精度三级时钟,同步以太IEEE1588 时钟,保证各业务板的接口同步和传输时钟同步。
◆系统运行状态监控:MCUA 负责定期收集系统各单元运行数据,根据各单元运行状态产生控制信息,如检测各单板在位、控制交换网运行状态、端口切换、转发引擎复位、风扇加速等。
◆作为网管软件的代理,提供设备管理、维护等功能,这些功能可以通过MCUA 对外提供的管理接口(串口、网口)来实现。
◆数据配置功能,系统配置数据、启动文件、计费信息、升级软件、系统运行日志信息等均放在MCUA 上。
MCUA 板上提供CF 卡,作为海量存储设备用来保存数据文件。
◆从可靠性方面考虑,MCUA 采用1:1 冗余备份工作方式,MCUA 之间相互进行状态监视,一旦主用MCUA 出现故障,则备用MCUA 自动升级到主用,保证系统正常运行。
◆可选配的时钟模块,提供三级时钟和同步以太时钟功能,支持IEEE1588v2。
说明LE02MCUA 不支持选配时钟模块。
4. FSUA增强灵活业务子卡FSUA 为SRU 上选配的、可插拔的灵活插卡单元,其主要作用是增强OAM、BFD 和安全等特性的功能,没有任何对外接口。
FSU 在SRU 上的位置如图所示:5. VSTSA-主控堆叠插卡S9300 支持主控堆叠插卡简称为VSTSA,可以安装于S9306 或者S9312 的SRU 子卡位置,提供设备堆叠功能。
VSTSA 在SRU 上的位置如图所示:每一块堆叠插卡VSTSA 可以提供4 个16G 电接口的数据接入和线速交换。
通过VSTSA 堆叠接口相连的交换机组成一个交换域,可以看作为一个设备,用户可以通过主交换机实现对所有交换机的管理。
6. CMU-集中监控板CMU 主要用于系统电源、风扇等模块的集中管理。
CMU 位于电源模块PWR4 槽位右侧,如下所示。
CMU 主要分为以下模块:◆设备管理控制模块:提供各种设备管理的接口控制信号。
◆背板接口模块:包括电源、风扇的管理通道以及CMUA 自己的主备等所有背板接口信号。
CMU 应用在S9312 或S9306 设备。
安装于插框CMU 槽位(主、备用各占一个槽位),CMU 在整框中可能单配或双配,视实际需要而定。
7. SPU-VAMPA-增值业务板SPU(Service Process Unit)是S9300 的增值业务板,提供负载均衡、防火墙、NAT、IP Sec、Net Stream 等业务功能,满足多种行业网的应用场景需求。
目前SPU 支持的单板仅一种,简称为VAMPA。
VAMPA 作为一种可选业务板可安装于S9312、S9306、S9303 机箱的任何业务线路板LPU 槽位。
VAMPA 为横插板,面板上包括一个串口(标识为“CON”)和一个FE 电接口(标识为“ETH”)。
面板如图所示。
VAMPA 上的接口及用途:数量描述接口名称CON 口 1 提供一个串口,用户可以通过电缆连接主机的串口和SPU 的CON 口,本地登录SPU,实现对设备的本地配置功能。
ETH 口1提供1 个FE 电口,用户可以通过Telnet 的方式从该口登录到SPU,实现对设备的配置功能。
8. G48S-48 端口百兆/千兆以太网光接口板(SFP)目前S9300 支持的48 端口GE 光接口板(SFP)简称G48S,主要有48 端口百兆/千兆以太网光接口板(EA,SFP)、48 端口百兆/千兆以太网光接口板(EC,SFP)、48 端口百兆/千兆以太网光接口板(ED,SFP)、48 端口百兆/千兆以太网光接口板(FA,SFP)。
单板的简称、英文缩写和MAC 地址容量如下表所示。
单板全称英文简称MAC 地址容量48 端口百兆/千兆以太网光G48SA 32K接口板(EA,SFP)48 端口百兆/千兆以太网光G48SC 128K接口板(EC,SFP)48 端口百兆/G48SD 512K千兆以太网光接口板(ED,SFP)48 端口百兆/千兆以太网光G48SFA 32K接口板(FA,SFP)G48SA和G48SFA MAC地址容量均为32K,但G48 SFA功耗小于G48SA.前一位:S/E 表示标准还是扩展卡,S标准卡不支持MPS等特性;E扩展卡支持;后一位:A/C/D表示板型号,越向后板卡支持的表项越多9. G48SBC-48端口百兆/千兆以太网光接口板(BC,SFP)G48SBC 提供48 个百兆/千兆光口的数据接入和线速交换,同时支持最大50G bit/s 的流量管理,MAC 地址容量为128K。