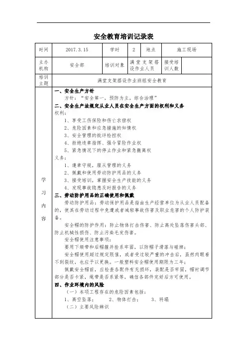
•
组合风荷载时:
•
N=1.2∑NGk+0.9ⅹ1.4∑NQk
• 式中:∑NGk——永久荷载对立杆的轴向力值总和(KN);
•
∑NQk——可变荷载对立杆的轴向力值总和(KN)。
立杆上部总的荷载除以立杆根数就是每根立杆所承受荷载。
4.4.2支架脚手架计算
• 4、立杆稳定性计算
•
不组合风荷载时:
•
组合风荷载时:
化;6、装拆方便;7、使用低碳合金结构 3、插销自锁性差。
钢材料,强度高。
4.1常用支架脚手架的类型
• 常用的脚手架类型:
碗扣式支架;钢管扣件式支架;门式支架。
• 脚手架总高度的要求:规范规定脚手架高度不宜超过50米。
规范要求,采用立杆单管落地的脚手架一般控制在50米以
下 。当需要搭设50米以上时,应慎重,并须采取加强措施,
• 按搭设的用途,则可分为作业架和承重架。
二、脚手架的分类
扣件式钢脚手架
承插型圆盘式钢脚手架
二、脚手架的分类
碗扣式脚手架
门式钢脚手架
安德固脚手架
三、各种类型的脚手架优缺
点的对比
序号
1
2
3
4
5
名称
优点
扣 件 式 1、承载力较大
钢 管 脚 2、装拆方便,搭设灵活
手架
3、比较经济
缺点
1、扣件容易丢失;
撑、扣件、平网立网、脚手板等的自重;
2)构、配件及可调托撑上主梁、次梁、支撑板的自重;
②可变(活)荷载
1)作业层上人员、器具、材料等的自重;
2)结构构件、施工材料等的自重;
3)风荷载;
4.4.2支架脚手架计算
• 3、立杆段的轴向力设计值N按下式计算: