塞规设计
- 格式:xlsx
- 大小:119.20 KB
- 文档页数:12
塞规的标准内容来源网络,由“深圳机械展(11万㎡,1100多家展商,超10万观众)”收集整理!更多cnc加工中心、车铣磨钻床、线切割、数控刀具工具、工业机器人、非标自动化、数字化无人工厂、精密测量、3D打印、激光切割、钣金冲压折弯、精密零件加工等展示,就在深圳机械展.常用的塞规有圆孔塞规和螺纹塞规。
圆孔塞规做成圆柱形状,两端分别为通端和止端,用来检查孔的直径。
螺纹塞规是测量内螺纹尺寸的正确性的工具,可分为普通粗牙、细牙和管子螺纹三种。
螺距为0.35毫米或更小的,2级精度及高于2级精度的螺纹塞规,和螺距为0.8毫米或更小的3级精度的螺纹塞规都没有止端测头。
100毫米以下的螺纹塞规为锥柄螺纹塞规。
100毫米以上的为双柄螺纹塞规。
塞规标准:1、塞规工作面的硬度值应不低于表1的要求2、非钢制塞规必须给出线膨胀系数,允差范围应在+ - 10%内。
3、塞规的长度尺寸不应小于表2的要求塞规应用在工件的精密测量上,因此在设计和生产上有以下的具体要求:1、塞规的工作面不得有划伤、毛刺和锈斑等缺陷。
2、塞规的一端或两端,距离面1mm内采用适当宽度和它的组合角度尺的倒角。
3、质量特征①粗糙度≤Ra0.20um;热处理淬火:60~63HRC;②产品精度:±0.001mm,±0.002mm,+ 0.005mm,-0.005mm。
③间距(间隔):0.01mm;0.02mm;0.025;0.05mm,0.10mm。
④尺寸范围:公制0.10mm~30.00mm英制0.011inch~1.000inch4、材质:高速钢(白钢)钨钢陶瓷5、公制塞规:①规格范围0.10mm~40.00mm;②间隔:0.01mm、0.02mm、0.025mm、0.05mm、0.10mm、0.50mm、1.00mm;③精度:±0.001mm、±0.002mm、±0.0005mm等6、英制塞规:①规格范围0.011in~1.000in;②规格间距:0.001in、0.0005in等,③精度:±0.001mm、±0.002mm、±0.0025mm、±0.005mm。
量规设计实例:
量规设计实例:
例1:设计检验Ф30+0.033/-0.00的孔用量规
一、根据被检工件的基本尺寸和公差等级,由表中可
查出相应量规的T值和Z值,公差等级为8级,与其相对应量规的Z值为0.005mm,T值为0.0034mm
二、根据量规公差带图,计算出量规的最大、最小以
及磨损尺寸(磨损尺寸略)
1.通规的计算
Tmax=MMS+Z+T/2
=D+EI+Z+T/2
=30+0+0.005+0.0034/2
=30.0067
Tmin=MMS+Z-T/2
=30.0033
由上式可知:孔用量规通规的公式为
2.止规的计算
Zmax=LMS
=D+ES
=30+0.033
=30.033
Zmin=LMS-T
=30.0296
由上式可知:孔用量规止规的公式为
例2:设计检验Ф30-0.020/-0.041的轴用量规
轴用通(止)规尺寸的计算与孔用通(止)规尺寸的计算方法类似,即:
轴用量规通规的公式为
轴用量规止规的公式为。
第6章光滑极限量规6.1概述检验光滑工件尺寸时,可用通用测量器具,也可使用极限量规。
通用测量器具可以有具体的指示值,能直接测量出工件的尺寸,而光滑极限量规是一种没有刻线的专用量具,它不能确定工件的实际尺寸,只能判断工件合格与否。
因量规结构简单,制造容易,使用方便,并且可以保证工件在生产中的互换性,因此广泛应用于成批大量生产中。
光滑极限量规的标准是GB/T 1957-2006。
光滑极限量规有塞规和卡规之分,无论塞规和卡规都有通规和止规,且它们成对使用。
塞规是孔用极限量规,它的通规是根据孔的最小极限尺寸确定的,作用是防止孔的作用尺寸小于孔的最小极限尺寸;止规是按孔的最大极限尺寸设计的,作用是防止孔的实际尺寸大于孔的最大极限尺寸,如图6.1所示。
卡规是轴用量规,它的通规是按轴的最大极限尺寸设计的,其作用是防止轴的作用尺寸大于轴的最大极限尺寸;止规是按轴的最小极限尺寸设计的,其作用是防止轴的实际尺寸小于轴的最小极限尺寸,如图6.2所示。
图6.1塞规检验孔图6.2环规检验轴量规按用途可分为以下三类:1)工作量规工作量规是工人在生产过程中检验工件用的量规,它的通规和止规分别用代号“T”和“Z”表示。
2)验收量规验收量规量是检验部门或用户代表验收产品时使用的量规。
3)校对量规校对量规是校对轴用工作量规的量规,以检验其是否符合制造公差和在使用中是否达到磨损极限。
6.2量规设计6.2.1极限尺寸判断原则(泰勒原则)单一要素的孔和轴遵守包容要求时,要求其被测要素的实体处处不得超越最大实体边界,而实际要素局部实际尺寸不得超越最小实体尺寸,从检验角度出发,在国家标准“极限与配合”中规定了极限尺寸判断原则,它是光滑极限量规设计的重要依据,阐述如下:孔或轴的体外作用尺寸不允许超过最大实体尺寸。
即对于孔,其体外作用尺寸应不小于最小极限尺寸;对于轴,其体外作用尺寸不大于最大极限尺寸。
任何位置上的实际尺寸不允许超过最小实体尺寸。
常用的塞规有圆孔塞规和螺纹塞规。
圆孔塞规做成圆柱形状,两端分别为通端和止端,用来检查孔的直径。
螺纹塞规是测量内螺纹尺寸的正确性的工具,可分为普通粗牙、细牙和管子螺纹三种。
螺距为0.35毫米或更小的,2级精度及高于2级精度的螺纹塞规,和螺距为0.8毫米或更小的3级精度的螺纹塞规都没有止端测头。
100毫米以下的螺纹塞规为锥柄螺纹塞规。
100毫米以上的为双柄螺纹塞规。
塞规标准:1、塞规工作面的硬度值应不低于表1的要求2、非钢制塞规必须给出线膨胀系数,允差范围应在+ - 10%内。
3、塞规的长度尺寸不应小于表2的要求塞规应用在工件的精密测量上,因此在设计和生产上有以下的具体要求:1、塞规的工作面不得有划伤、毛刺和锈斑等缺陷。
2、塞规的一端或两端,距离面1mm内采用适当宽度和它的组合角度尺的倒角。
3、质量特征①粗糙度≤Ra0.20um;热处理淬火:60~63HRC;②产品精度:±0.001mm,±0.002mm,+ 0.005mm,-0.005mm。
③间距(间隔):0.01mm;0.02mm;0.025;0.05mm,0.10mm。
④尺寸范围:公制0.10mm~30.00mm英制0.011inch~1.000inch4、材质:高速钢(白钢)钨钢陶瓷5、公制塞规:①规格范围0.10mm~40.00mm;②间隔:0.01mm、0.02mm、0.025mm、0.05mm、0.10mm、0.50mm、1.00mm;③精度:±0.001mm、±0.002mm、±0.0005mm等6、英制塞规:①规格范围0.011in~1.000in;②规格间距:0.001in、0.0005in等,③精度:±0.001mm、±0.002mm、±0.0025mm、±0.005mm。
扩展资料:塞规释义:[plug gauge] 一种量具,常用的有圆孔塞规和螺纹塞规。
光滑塞规标准尺寸公差
标题:光滑塞规标准尺寸公差
1. 概述
光滑塞规是一种用于检测孔的内径尺寸的量规,其标准尺寸公差对于保证产品质量和互换性至关重要。
本文将介绍光滑塞规的标准尺寸公差,帮助您了解和应用相关规定。
2. 塞规材料
光滑塞规通常采用高精度硬质合金或不锈钢制成,以保证其耐磨性和尺寸稳定性。
3. 塞规尺寸
光滑塞规的尺寸应符合国家标准或行业标准的规定。
一般情况下,塞规的直径分为0.10mm至100mm等多种规格。
4. 塞规公差
光滑塞规的尺寸公差应符合相应的标准规定。
根据不同的直径规格,塞规的公差等级可分为IT0、IT1、IT2、IT3、IT4、IT5、IT6等7个等级。
其中,IT表示国际公差等级,数字越小,公差等级越高,精度要求越严格。
5. 应用范围
光滑塞规广泛应用于机械制造、汽车、航空航天、电子等领域。
通过使用光滑塞规,可以快速准确地检测孔的内径尺寸,判断其是否符合设计要求,从而保证产品质量和互换性。
6. 总结
了解和应用光滑塞规的标准尺寸公差对于保证产品质量和互换性至关重要。
通过选择符合要求的塞规,可以有效提高检测精度,降低生产成本,提高生产效率。
因此,在实际生产中,应充分关注光滑塞规的标准尺寸公差规定,并严格按照要求进行选择和使用。
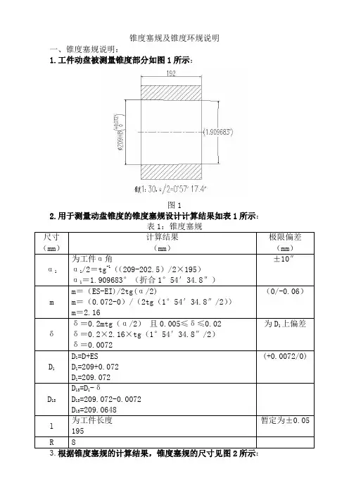
锥度塞规及锥度环规说明一、锥度塞规说明:1.工件动盘被测量锥度部分如图1所示:图12.用于测量动盘锥度的锥度塞规设计计算结果如表1所示:尺寸(mm)计算结果(mm)极限偏差(mm)α1为工件α角α1/2=tg-1((209-202.5)/2×195)α1=1.909683°(折合1°54′34.8″)±10″m m=(ES-EI)/2tg(α/2)m=(0.072-0)/(2tg(1°54′34.8″/2))m=2.16(0/-0.06)δδ=0.2mtg(α/2)且0.005≤δ≤0.02δ=0.2×2.16×tg(1°54′34.8″/2)δ=0.0072为D1上偏差D1D1=D+ESD1=209+0.072D1=209.072(+0.0072/0)D1S D1S=D1-δD1S=209.072-0.0072 D1S=209.0648l 为工件长度195暂定为±0.05R 8图2二、锥度环规说明:1.工件主轴被测量锥度部分如图3所示:图32.用于测量主轴锥度的锥度环规设计计算结果如表2所示:尺寸(mm)计算结果(mm)极限偏差(mm)α1为工件α角1.909683°(折合1°54′34.8″)m m=(es-ei)/2tg(α/2) (0/-0.06)m=(0-(-0.046))/(2tg(1°54′34.8″/2))m=1.38D1D1=D+esD1=209.6+0 D1=209.6l 为工件长度198暂定为±0.05d1d1=D1-2×l×tg(α/2)d1=209.6-2×198×tg(1.909683/2)d1=2033.根据锥度环规的计算结果,锥度环规的尺寸见图4所示:图44.附注:锥度环规的锥角在制造时难以测量的控制,一般配有校对塞规。
全国职业院校技能大赛环境艺术设计赛项赛程塞规
全国职业院校技能大赛环境艺术设计赛项赛程一般会按照以下规定进行安排:
1. 报名阶段:参赛学校进行报名,并提交相关报名材料和作品展示。
组委会对报名材料进行审核,并确定参赛学校名单。
2. 筹备阶段:组委会根据参赛学校名单,安排比赛所需的场地、设备、材料等。
同时,组委会也会为选手提供相关的技能培训和指导,帮助选手准备比赛。
3. 线上初赛阶段:选手在规定的时间内通过线上平台提交作品。
作品评审委员会会根据评分标准对作品进行评审,评选出进入决赛的选手。
4. 线下决赛阶段:决赛阶段通常会在一个集中的地点进行,选手进行现场创作或搭建。
评委会对选手的作品进行评审,并选出获奖选手。
5. 颁奖典礼:比赛结束后,会举行一个颁奖典礼,为获奖选手颁发奖项。
同时,还会举行展览,展示比赛的优秀作品。
需要注意的是,具体的赛程安排可能会因不同年份和组织者的规定而有所不同,以上只是一般的赛程参考。
参赛学校和选手可以在报名时获得详细的赛程安排和规定。