满分大物实验迈克尔逊数据处理
- 格式:doc
- 大小:1.43 MB
- 文档页数:6
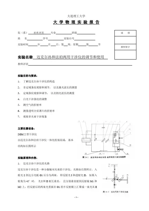
大连理工大学大学物理实验报告院(系)材料学院专业班级姓名学号实验台号实验时间年月日,第周,星期第节实验名称迈克尔孙和法珀两用干涉仪的调节和使用教师评语实验目的与要求:1,了解迈克尔孙干涉仪的构造2,非定域条纹观察和调节,以及激光波长的测量3,定域条纹观察和调节,以及钠光波长的测量4,白光干涉条纹的调整5,测空气的折射率6,测量透明介质薄片的折射率7,观察多光束干涉现象主要仪器设备:SGM-2型干涉仪由迈克尔孙和法珀干涉仪一体化组装而成,基本结构如右图所示实验原理和内容:1,迈克尔孙干涉仪的光路迈克尔孙干涉仪是一种分振幅双光束的干涉仪,光路如右图所示。
入射光S到达分光板G1后分为两束,即反射光I和透射光II;如果入射角为45°时,光I和II相互垂直,且分别垂直射到反射镜M1和M2上;经反射后的两束光重新在G1的半反射膜上汇聚成一束光从E 成绩教师签字方向射出。
补偿镜G2的作用是保证两束光的光程完全相同。
2, 干涉条纹的图样如上图所示, 可以将M2的像作到M1的平行位置M2’, 那么干涉图样的分析, 就变为基于M1和M2’之间的空气层的干涉分析。
2.1, 点光源照明——非定域干涉条纹激光束射向干涉镜的光可视作点光源, 图中S1和S2’是点光源相对于M1和M2’的虚像, 这两个虚光源发出的球面光波在相遇空间都可以发生干涉, 因而在这个光场中任何位置放置毛玻璃屏都可以接收到干涉条纹, 因而称之为非定域干涉。
当M1和M2’非平行时, 发生的是等厚干涉, 观察到为平行条纹; 平行时, 发生的是等倾干涉, 观察到为同心椭圆或双曲线形干涉条纹。
(光路图如上页所示)非定域同心圆条纹的特性分析如下:两虚光源S1和S2’到接受屏上任意一点P 的光程差均为P S P S L 12'-=∆, 当偏心距r 很小时(如上光路图所示), 可以对一些小量做出忽略, 可以认为光程差)21(222z r d L -=∆。
实验报告:迈克尔逊干涉实验一、摘要迈克尔逊干涉仪是光学干涉仪中最常见的一种,它是利用分振幅法产生双光束以实现干涉。
它主要用于长度和折射率的测量,若观察到干涉条纹移动一条,便是动臂移动λ/2。
本实验即利用迈克尔逊干涉仪对长度变化的测量功能,测量压电陶瓷的长度随着外加电压的变化规律。
(逆压电效应及压电系数)实验目的:学习了解迈克耳孙干涉仪的特点,初步掌握如何调整和使用迈克耳孙干涉仪;学习用迈克耳孙干涉仪测量微小位移的方法,并进行压电陶瓷逆压电效应的测量,计算材料的压电系数。
关键词:迈克尔逊干涉仪,压电陶瓷,逆压电效应,计算压电系数二、实验原理迈克耳逊干涉仪的原理是一束入射光经过分光镜分为两束后被对应的平面镜反射回来,这两束光满足干涉条件。
干涉中两束光的不同光程可以通过调节干涉臂长度以及改变介质的折射率来实现。
干涉条纹对应屏幕上等光程差的点,因此,若干涉条纹发生移动,一定是场点对应的光程差发生了变化,在本实验中,则是由于压电陶瓷长度的变化导致一臂的距离变化,光程改变。
光路如图,S为光源(本实验用激光器外接空间滤波器和光阑模拟相干点光源,再加准直镜L可拓展为平行光源),C、D为平面反射镜,其中D是定镜;C为动镜,它和压电陶瓷相连。
A为分光镜,能使入射光分成强度相等的两束(反射光和透射光)。
反射光和透射光分别垂直入射到反射镜C和D,它们经反射后回到A处,再分别经过透射和反射后,来到观察区域(可以是光屏)。
本实验无补偿板,若有,则它与A为相同材料,有相同的厚度,且平行安装,目的是要使参加干涉的两光束经过玻璃板的次数相等,避免引入额外的光程差。
当C和D'严格平行时(D’为D虚像),表现为等倾干涉的圆环形条纹,移动C时,会不断从干涉的圆环中心“吐出”或向中心“吞进”圆环。
M2和M1'不严格平行时,则表现为等厚干涉条纹.移动M2时,条纹不断移过光屏中某一标记位置,C平移距离 d 与条纹移动数 N 的关系满足:d=Nλ/2,λ为入射光波长。
竭诚为您提供优质文档/双击可除迈克尔逊干涉仪实验报告数据处理篇一:迈克尔逊干涉仪实验报告迈克耳逊干涉仪一.实验目的1.了解迈克尔逊干涉仪的结构和原理,掌握调节方法;2.用迈克尔逊干涉仪测量钠光波长和精细结构。
二.实验仪器迈克尔逊干涉仪、钠光灯、透镜等。
三.实验原理迈克耳孙干涉仪原理如图所示。
两平面反射镜m1、m2、光源s和观察点e(或接收屏)四者北东西南各据一方。
m1、m2相互垂直,m2是固定的,m1可沿导轨做精密移动。
g1和g2是两块材料相同薄厚均匀相等的平行玻璃片。
g1的一个表面上镀有半透明的薄银层或铝层,形成半反半透膜,可使入射光分成强度基本相等的两束光,称g1为分光板。
g2与g1平行,以保证两束光在玻璃中所走的光程完全相等且与入射光的波长无关,保证仪器能够观察单、复色光的干涉。
可见g2作为补偿光程用,故称之为补偿板。
g1、g2与平面镜m1、m2倾斜成45°角。
如上图所示一束光入射到g1上,被g1分为反射光和透射光,这两束光分别经m1和m2反射后又沿原路返回,在分化板后表面分别被透射和反射,于e处相遇后成为相干光,可以产生干涉现象。
图中m′2是平面镜m2由半反膜形成的虚像。
观察者从e处去看,经m2反射的光好像是从m′2来的。
因此干涉仪所产生的干涉和由平面m1与m′2之间的空气薄膜所产生的干涉是完全一样的,在讨论干涉条纹的形成时,只需考察m1和m2两个面所形成的空气薄膜即可。
两面相互平行可到面光源在无穷远处产生的等倾干涉,两面有小的夹角可得到面光源在空气膜近处形成的等厚干涉。
若光源是点光源,则上述两种情况均可在空间形成非定域干涉。
设m1和m′2之间的距离为d,则它们所形成的空气薄膜造成的相干光的光程差近似用下式表示若m1与m′2平行,则各处d相同,可得等倾干涉。
系统具有轴对称不变性,故屏e上的干涉条纹应为一组同心圆环,圆心处对应的光程差最大且等于2d,d越大圆环越密。
反之中心圆斑变大圆环变疏。
大学物理实验-迈克尔逊干涉仪测光波波长实验任务:调节仪器,利用等倾的干涉条纹来测量激光波长: 每过100环记录一个数据,连续的记录10个数据;再做连续20/50环,记录10组;数据,比较一下在不同条件下波长的精度了解实验中对波长测量的影响因素 对实验进行讨论,对结果进行定量分析 实验原理掌握薄膜干涉原理,干涉的前提条件? 是否要考虑半波损失 操作规范干涉仪的调节,两列光调成重合 激光与扩束器的调节要求, 如何避免回程差 数据处理测量氦氖激光束波长的数据处理(数据与我们测量的数据有差别,但是方法是一样的)注意:而且我们记录的数据小数点后面只有三位!注意有效数字的取舍! 公式:k d 2λ=Nd ∆∆=2λ(误差取两位有效数字)161d d d -=∆)(272mm d d d -=∆N=100 次数i1 …… …… ……2 …… ……3 ……45 67 8 9 10………… i d ()mm ii i d d d -=∆+5()mm d ∆()mm )mm d(∆∆λ⎪⎭⎫ ⎝⎛o A )(oA λ∆⋯⋯=∆±=)0(A λλλ%%100⋯⋯=⨯-=λλλE……平均波长注意:不确定度的计算:平均波长不确定度: 结果表达式: 相对误差:相对不确定度:误差分析:误差存在于一切测量中,而且贯穿测量过程的始末。
误差按照性质很产生原因的不同,可分为随机误差、系统误差、和过失误差三类。
该实验主要为随机误差和系统误差,比如读数时误差、计算中的数据误差等。
因此我们要进行多次测量,而且要避免测量过程中的光程差。
然后求出平均值。
以此来提高实验的科学性。
本实验误差主要有:、1.实验过程中人为的出现圈数的数错,从而导致了实验数据的偏差,2、实验调)(383mm d d d -=∆)(554321mm d d d d d d ⋯⋯≅∆+∆+∆+∆+∆=∆)(201N 2o A d ⋯⋯=⨯∆∆⨯=λ环)该相差为相隔的环数,此时应(500N ∆1)(12-∆-∆=∆∑=n d d ni id A()mm 2101.0⨯=∆=∆=∆仪右左()()()mm d 008.0005.0222B =⨯=∆+∆=∆右左()())(22mm BAd d d ⋯⋯=∆+∆=∆∆)(2012o d A N ⋯⋯=⨯∆∆⨯=∆∆λ))o o A A ((⋯⋯=∆±=λλλ%%100⋯⋯=⨯-=λλλE %%100⋯⋯=⨯∆=λλE出的干涉图象不够清晰以至不能准确的确定圈数导致读数的不准确,影响实验结果。
南昌大学物理实验报告课程名称:普通物理实验(2)实验名称:空气折射率学院:专业班级:学生姓名:学号:实验地点:座位号:实验时间:一、实验目的:1.进一步了解光的干涉现象及其形成条件,掌握迈克耳孙干涉光路的原理和调节方法。
2.利用迈克耳孙干涉光路测量常温下空气的折射率。
二、实验仪器:迈克耳孙干涉仪、气室组件、激光器、光阑。
三、实验原理:迈克尔逊干涉仪光路示意图如图1所示。
其中,G为平板玻璃,称为分束镜,它的一个表面镀有半反射金属膜,使光在金属膜处的反射光束与透射光束的光强基本相等。
M1、M2为互相垂直的平面反射镜,M1、M2镜面与分束镜G均成450角;M1可以移动,M2M2对G金属膜的虚像。
从光源S发出的一束光,在分束镜G的半反射面上被分成反射光束1和透射光束2。
光束1从G反射出后投向M1镜,反射回来再穿过G;光束2投向M2镜,经M2镜反射回来再通过G膜面上反射。
于是,反射光束1与透射光束2在空间相遇,发生干涉。
由图1可知,迈克尔逊干涉仪中,当光束垂直入射至M1、M2镜时,两束光(1)(2)时干涉相长,相应地在接收屏中心的总光强为极大。
由式(1)知,两束相干光的光程差不但与几何路程有关,还与路程上介质的折射率有关。
1)式和(2)式可知(3)路中折射率的微小变化。
的光的折射率,它与真空折射率之差为O图1 迈克尔逊干涉仪光路示意图方便地测量,且准确度高。
四、 实验装置:实验装置如图2所示。
用He-Ne 激光作光源(He-Ne 激光的真空波长为,并附加小孔光栏H 及扩束镜T 。
扩束镜T 可以使激光束扩束。
小孔光栏H 是为调节光束使之垂直入射在M1、M2镜上时用的。
另外,为了测量空气折射率,在一支光路中加入一个玻璃气室,气压表用来测量气室内气压。
在O 处用毛玻璃作接收屏,在它上面可看到干涉条纹。
然后再向气室内缓慢充气,此时,在接收屏上看到条纹移动。
当气室内压强由013)可知(4)但实际测量时,气室内压强难以抽到真空,因此利用(4)式对数据作近似处理所得结果的误差较大。
实验20 迈克耳孙干涉仪的调整和使用一、实验内容与实验数据1.观察干涉条纹(1)非定域干涉条纹的调节为了获得肉眼直接可观察到的干涉条纹,要求两束相干光的传播方向夹角必须很小,几乎是共线传播。
为此,作如下调节,在He-Ne 激光器前设一小孔光阑。
使激光束通过小孔,并经过分光板1G 中心透射到反射镜2M 中心上。
然后,调节2M 后面三个螺丝,使光点反射像返回到光阑上并与小孔重合。
再调从1G 后表面反射到1M 的光束,调节1M 后面三个螺丝,使其反射光到达1G 后表面时恰好与2M 的反射光相遇(两光点完全重合),同时两反射光在光阑的小孔处也完全重合。
这样的1M 和2M 就基本上垂直即'1M 和'2M 互相平行了。
去掉光阑,该处放一短焦距的透镜,使激光束会聚成一点光源,这时在屏上就可以看到干涉条纹了,再仔细调节2M 的两个微调拉簧螺钉,使'1M 和'2M 严格平行,则在屏上就可看到非定域的圆条纹。
迎着干涉光移动观察屏体会非定域干涉的含义。
转动手轮使1M 在导轨上移动,观察条纹变化情况。
(2)测量He-Ne 激光的波长利用非定域干涉条纹测定波长。
转动微调手轮移动1M 以改变d ,记下“冒”注:i d ∆的仪器误差为mm 4-10 mm S u -522104.334/3(⨯=∆+=)仪 测量结果表达:mm u -5-4104.334106.2682⨯±⨯=±=λλ 百分误差%9.0=E二、分析与讨论1.在调节仪器时,千万不能动两片平行透镜,因为它们是严格平行的,一动就有可能导致实验不准确。
2.如果发现屏幕上的条纹是没规律的一片,说明两反射光基本重合,但还有一些错开。
3.在数“冒”出或“缩”进的条纹数时,周围的同学一定不能随意跑动,因为地面的振动会导致仪器的振动,使得条纹模糊不清,导致读数的不准确,影响实验结果。
4.在未曾转动微调手轮前的第一次读数不能记录在实验数据内,因为该数据与后面的数据差距很大,会影响实验的准确性。
物理实验迈克尔逊干涉仪实验误差分析及结果讨论嘿,伙计们!今天咱们来聊聊那个让无数物理学家头疼的问题——迈克尔逊干涉仪实验。
这个实验可是物理学里的“经典”大戏,但你知道吗?它可不仅仅是个展示光的神奇魔法的地方,还是我们探索宇宙奥秘的一把钥匙呢!得说说这个迈克尔逊干涉仪到底是啥玩意儿。
简单来说,它就是一个利用光的波动性来进行测量的小神器。
想象一下,你手里有个小镜子,对着阳光一照,就能看到漂亮的干涉条纹。
但是啊,这玩意儿可不是随便玩玩的,你得精确控制光源、镜子的位置和角度,还得小心翼翼地调整观察的角度,才能看到那些神奇的干涉图案。
说到误差分析,那可是实验的灵魂啊!就像咱们做数学题,错了一步就得从头再来。
在迈克尔逊干涉仪实验里,误差可能来自好多地方,比如光源不稳定、镜子脏了或者没调好位置。
这些小问题都可能让结果变得模糊不清,甚至完全跑题。
所以啊,做实验的时候,一定要细心检查每一个细节,确保一切都按计划进行。
结果讨论嘛,那就是对实验数据进行分析和解读的时刻啦。
你得学会从一堆数字中找出规律,看看是不是跟理论相符。
有时候,数据会告诉你很多意想不到的事情,比如光的速度比我们想象的要快,或者光在不同介质中传播的速度是不一样的。
这些发现让我们对光的理解更加深入,也让我们能更好地利用光来造福人类。
当然了,说到实验的乐趣,那还得提提那些有趣的发现。
比如,科学家们发现了一种叫做“双缝实验”的现象,它告诉我们光是如何像雨点一样洒向四面八方的。
还有啊,迈克尔逊干涉仪实验让我们看到了光的波粒二象性,就像是光有双重性格似的。
这些发现不仅让我们对物理世界有了更深的理解,还让我们对科学充满了好奇和热情。
我想说的是,虽然迈克尔逊干涉仪实验听起来有点复杂,但它其实挺好玩的。
只要我们用心去做,就会发现其中的乐趣无穷无尽。
而且啊,每次实验都能带给我们新的惊喜和发现,这种感觉简直太棒了!所以啊,下次再做实验的时候,记得多观察、多思考、多记录。
迈克尔孙干涉实验【实验目的】(1) 掌握M-干涉仪的调节方法(2) 调出非定域干涉和定域干涉条纹(3) 了解各类型干涉条纹的形成条件、花纹特点、变化规律(4) 用M-干涉仪测量气体折射率【仪器用具】M-干涉仪,He-Ne激光器,毛玻璃片,小孔光阑,白炽灯,小气室,气囊,气压表,凸透镜,显微镜目镜【实验原理】(1)M-干涉仪光路图 1 迈克尔孙干涉仪光路迈克尔逊干涉仪的光学系统如图1所示。
它由分光板G1、补偿板G2、定反射镜M1和动反射镜M2组成。
M1和M2互相垂直,分光板和补偿板是一对材料和外型完全相同的平板光学玻璃,它们相互平行并分别和M1、、M2成大致45度夹角。
补偿板用于补偿色散。
来自点光源(或扩展光源)的光,入射到分光板上,分为强度相同的光线“1”和光线“2”的相干光,并分别由M1和M2反射后投射到光屏上(对于扩展光源用眼睛正对着观察)产生干涉现象。
(2)点光源的非定域干涉图 2 非定域干涉原理图激光束经过短焦距凸透镜会聚后可以得到点光源S,经过分束器G1、M1、M2反射后后射向屏E的光,如图2所示可以看做是由虚光源S1,S2发出的。
这两个虚光源发出的两列球面波在空间各处都能相干,所以是非定域干涉条纹。
图 3 点光源非定域干涉的等光程面设两点光源在z轴上,如图3所示,两个点光源形成的空间等光程曲面是一族旋转双曲面,而屏E放在不同位置将得到不同的干涉图样。
所若E平行yz轴,不过原点,则会得到一族同心圆干涉条纹。
若E平行xy轴,不过原点,则会得到一族共焦点双曲线干涉条纹,在中间双曲线退化为直线。
若E不严格平行于yz轴,而是有所倾斜,得得到一族椭圆干涉条纹。
(3)扩展光源的非定域干涉图 4 扩展光源等倾干涉等倾干涉使用扩展光源是有利的。
如图4所示,M1、M2相互平行,用扩展光源照明,对于倾角θ相同的各光束,其光程差均为Δl=2d cosθ此时在E方,用人眼聚焦于无穷远直接观察,可以看到一组同心圆,每一个圆上均对应同一恒定倾角θ,所以叫定域于无穷远的等倾条纹。
迈克尔逊干涉实验实验前请认真阅读本要点:(1)听完课后,同学们结合仪器请仔细阅读教材的相关容,特别是P189的干涉仪光路图(图5-61)、P191公式(5-123、5-124)的由来及应用、P193至P194的仪器说明与练习一。
测量固体试件的线膨胀系数还要阅读教材的P136与P138的实验容1。
注:迈克尔逊干涉仪有仿真实验,同学们可以在实验之前用其进行预习。
仿真实验位于:桌面\大学物理仿真实验\大学物理仿真实验 v2.0(第二部分),其中大学物理仿真实验 v2.0(第二部分).exe为正式版,大学物理仿真实验示教版 v2.0(第二部分).exe为示教版,同学们在使用之前可先看示教版。
(2)实验容1)掌握迈克尔逊干涉仪的调节方法,并记录位置改变时干涉条纹的变化,如条纹的“冒出”和“缩进”、条纹的疏密、条纹间距与“空气薄膜”的关系等。
2)根据逐差法的要求确定如何合理测量数据,规记录实验数据及已知参数等。
3)拟定利用迈克尔逊干涉仪测量透明薄片的折射率(厚度)的实验方案,并利用仿真实验来验证实验方案。
4)(选做)利用仿真实验测量测量钠光的波长、钠黄光双线的波长差、钠光的相干长度等。
(3)阅读F盘上的数据处理文件(迈克尔逊干涉仪的调整与应用数据处理、线膨胀系数测量数据处理(据环数记温度)、线膨胀系数测量数据处理(据温度记环数)),了解需测量的数据要求(处理需用逐差法),确定如何进行数据测量。
根据需测量的数据,在实验仪器上进行预测量与观察相应的实验现象,即先测量一小部份数据,弄清测量的重点与难点,确定测量方法,然后进行正式测量。
(4)测波长与测线膨胀系数的主要调节方法是一样的,需掌握迈克尔逊干涉光路的调节方法,并了解干涉条纹的变化情况,如条纹的“冒出”和“缩进”、条纹的疏密、条纹间距与“空气薄膜”的关系等。
(一些问题详见附录4 疑难解答)测量He-Ne激光的波长的同学还要掌握如何正确使用读数结构(包括如何读数、校零、消空程等)。
迈克尔逊干涉仪实验报告数据处理篇一:迈克尔逊干涉仪实验报告迈克尔逊干涉仪的调整与应用1. 原始数据及处理1.1 测量钠光灯波长(?Na?589.3nm)不确定度计算:?A?2.48?x?mm, ?B?0.00004mm?U?d?mm U??U2U?d=4.4nm,Ur????100%=0.74%. ?N?1.2 双线的波长差:??Na?0.59nm 2.思考题及分析:2.1、为什么白光干涉不易观察到?答:两光束能产生干涉现象除满足同频、同向、相位差恒定三个条件外,其光程差还必须小于其相干长度。
而白光的相干长度只有微米量级,所以只能在零光程附近才能观察到白光干涉。
2.2、为什么M1和M2没有严格垂直时,眼睛移动干涉条纹会吞吐?答:因为没有严格垂直时,会形成一个披肩状的光学腔。
各处的光程差不相同,其干涉条纹的级数也会不同。
所以眼睛移动时,干涉条纹会吞吐。
2.3、讨论干涉条纹吐出或吞入时的光程差变化情况。
答:吞入时,光程差变小。
而吐出时,光程差则变大。
2.4、为什么要加补偿板?答:因为分束板的加入,使其中一路光束比另一光束附加了一定的光程。
所以加入与分束板厚度相同的补偿板来补偿这部分光程差。
2.5、如何设计一个实验,利用迈克尔逊干涉仪测玻璃的折射率?答:以白光发生干涉现象时,确定零光程处。
测定在光路中加入玻璃与否,白光产生干涉时M2镜移动的距离。
再根据所加入玻璃的厚度,计算出玻璃的折射率。
2.6、试根据迈克尔逊干涉仪的光路,说明各光学元件的作用,并简要叙述调出等倾干涉、等厚干涉和白光干涉条纹的条件及程序.答:分束板:将光束分为两路光束。
补偿板:补偿因分束板产生的光程差。
粗调螺丝:调节使其与M1镜大致垂直。
细调拉丝:精密调节M2镜的方位,使使其与M1M2镜的方位,镜严格垂直。
鼓轮:调节M2镜的位置,使光学腔的厚度改变。
等倾干涉:光学腔应严格平行。
等厚干涉:此时光学腔为披肩状。
白光干涉:零光程处附近。
2.7、如何利用干涉条纹“吞”、“吐”现象,测定单色光的波长? 答:数一定量的“吞”或“吐”,再根据公式??2?d?N计算。
大学物理仿真实验迈克尔逊干涉仪大学物理仿真实验------迈克尔逊干涉仪实验名称:迈克尔逊干涉仪实验目的:1了解迈克尔孙干涉仪的原理、结构和调节方法。
2观察非定域干涉条纹。
3测量氦氖激光的波长。
4并增强对条纹可见度和时间相干性的认识。
实验仪器:迈克尔逊最早为了研究光速问题而精心设计了该装置。
它是一种分振幅的干涉装置,它将一路光分解成相互垂直的两路相干光,然后通过反射再重新汇聚在另一个方向上。
基于其结构原因,它是光源、两个反射镜、接收器(屏或眼睛)四者完全分立,东南西北各据一方,便于光路中安插其它器件。
如利用白光测玻璃折射率,测定气体折射率等。
迈克尔逊干涉仪可以使等厚干涉、等倾干涉及各种条纹的变动做到非常易于调整,很方便进行各种精密测量。
它的设计精巧,用途广泛,在许多科研领域都有它应用的身影。
迈克尔逊干涉仪原理图A,B是分光板和补偿板;M1,M2是反射镜;S是光源;O是观察点,可以用观察屏来获得实像,也可以直接观察镜中虚像。
图中的M2'是等效的M2位置。
M1可在光线行进方向移动,产生与M2'的不同光程差。
M1的位置使用粗调和细调旋钮调节,并且移动轨道上设有标尺。
A,B是分光板和补偿板;M1,M2是反射镜;S是光源;O是观察点,可以用观察屏来获得实像,也可以直接观察镜中虚像。
图中的M2'是等效的M2位置。
M1可在光线行进方向移动,产生与M2'的不同光程差。
M1的位置使用粗调和细调旋钮调节,并且移动轨道上设有标尺。
分光板、补偿板和反射镜A和B是取自同一块玻璃上的厚度和折射率一样的两个玻璃板,其中一块A 的背面镀上半透半反膜,它使光线分成光强大致相等的两束相干光。
另一块是补偿板,它的作用是在两个反射镜在等臂时光程相等;因为若没有补偿板,一路反射光通过A三次,而另一路透射光只通过A一次;这对于单色光时没有影响,对于复色光时则影响测量结果。
其背面有三个可调螺钉,在实验中它充当三维角度调整;其中一个镜子的虚像(M2')和另一个镜子(M1)之间形成"空气夹层"。
迈克尔逊干涉仪的调节与使用、实验目的1、了解迈克尔逊干涉仪的结构原理并掌握调节方法2、观察等厚干涉、等倾干涉以及白光干涉。
3、测量钠双线的波长差。
二、仪器用品迈克尔逊干涉仪,He-Ne多光束光纤激光器。
三、实验原理1、迈克尔逊干涉仪:迈克耳孙干涉仪是一个分振幅法的双光束干涉仪,其光路如图所示,它由反射镜M、M、分束镜P和补偿板P组1212成。
其中M是一个固定反射镜,反射镜M可以沿光轴前12后移动,它们分别放置在两个相互垂直臂中;分束镜和补偿板与两个反射镜均成45°,且相互平行;分束镜P的一1 个面镀有半透半反膜,它能将入射光等强度地分为两束补偿板是一个与分束镜厚度和折射率完全相同的玻璃板。
迈克耳孙干涉仪的结构如图所示。
镜M、M的背面各有三12个螺丝,调节M、M镜面的倾斜度,M的下端还附有两个121互相垂直的微动拉簧螺丝,用以精确地调整M的倾斜度。
1M镜所在的导轨拖板由精密丝杠带动,可沿导轨前后移动。
2M镜的位置由三个读数尺所读出的数值的和来确定:主尺、2粗调手轮和微调手轮。
1*14-5-2辺应匚孙卜沙腫1...I'劭型昇-川出世柿沖叶轨沖灯樓山氐川比II.T-帧和黑1」;k训“山射袒.M宀-分他出5M船比〔:川1机IWJMfili孜御LXII-训定乖血;is—flldtj PifcqM-jMttljrJ3M,的术T・|;f板蝉狀:IM盛刑P轮I订一MJ勺忙ll忡.Ji端迂如图所示,多光束激光器提供的每条光纤的输出端是一个短焦距凸透镜,经其会聚后的激光束,可以认为是一个很好的点光源S发出的球面光波。
5'为5经皿及6反射后111所成的像,S'为S经G及M反射后所成的像。
S'和S'21221 为两相干光源,发出的球面波在其相遇的空间处处相干,为非定域干涉,在相遇处都能产生干涉条纹。
空间任一点P的干涉明暗由S'和S'到该点的光程差A=r-r决定,2121 其中r和r分别为S'和S'到P点的光程。