【CN209723590U】装配式建筑用模板装置【专利】
- 格式:pdf
- 大小:269.17 KB
- 文档页数:5
专利名称:一种装配式建筑可调节式铝模板制作方法
专利类型:发明专利
发明人:于峰,谢常风,方圆,钱元第,秦尹,王静峰,完海鹰,沈万玉
申请号:CN202210071833.1
申请日:20220121
公开号:CN114319841A
公开日:
20220412
专利内容由知识产权出版社提供
摘要:本发明涉及建筑模板技术领域,具体涉及一种装配式建筑可调节式铝模板制作方法,该可调节式铝模板组成包括铝模板、滑动板、导轨、滑轮、限位块、缓冲装置、控制把手、封闭构件以及胶条;滑动板设置在与铝模板面板相互平行的下部,滑动板的两侧边缘处焊接安装有滑轮;铝模板的两侧位置安装有导轨,导轨处设有限制滑动板脱离导轨的封闭构件;限位块对应安装在导轨内侧中,并设置在封闭构件一侧,缓冲装置安装在封闭构件一侧,该可调节式铝模板通过沿着模板宽度方向自由伸缩,一方面可以及时调整铝模板与钢梁上翼缘端部的施工偏差,解决楼板端部边缘漏浆问题;另一方面提高铝模板的周转与利用、提升铝模板的灵活性、简化施工程序、提高施工效率进度。
申请人:安徽工业大学
地址:243002 安徽省马鞍山市花山区湖东路59号
国籍:CN
代理机构:安徽顺超知识产权代理事务所(特殊普通合伙)
代理人:李照
更多信息请下载全文后查看。
专利名称:一种装配式建筑
专利类型:实用新型专利
发明人:段风雷
申请号:CN201921455135.1申请日:20190903
公开号:CN210529949U
公开日:
20200515
专利内容由知识产权出版社提供
摘要:本实用新型实施例公开了一种装配式建筑,属于房屋建筑技术领域,其技术方案如下,包括多个墙板和楼板,每相邻两个墙板之间通过预构件连接;墙板包括多个预制板,预制板的其中一侧设有多个凸块,另外一侧设有多个凹槽,两个预制板对接后使每个凸块分别插接到每个凹槽中,并贯穿有第一钢筋;楼板包括第一预构板和第二预构板,第一预构板与第二预构板的两端设有多个安装块,第一预构板的两端搭接到相对的墙板之间,第二预构板两端搭接到相邻房间的两个墙板上,第二预构板上的安装块别卡接到第一预构板的每两个安装块之间,解决现有技术中由于对装配式建筑进行拼接时会比较繁琐、费力,且拼接后的建筑的结构强度较低的问题。
申请人:段风雷
地址:102488 北京市房山区良乡南关嘉瑞通小区2#楼1408室
国籍:CN
代理机构:北京知呱呱知识产权代理有限公司
代理人:张伟洋
更多信息请下载全文后查看。
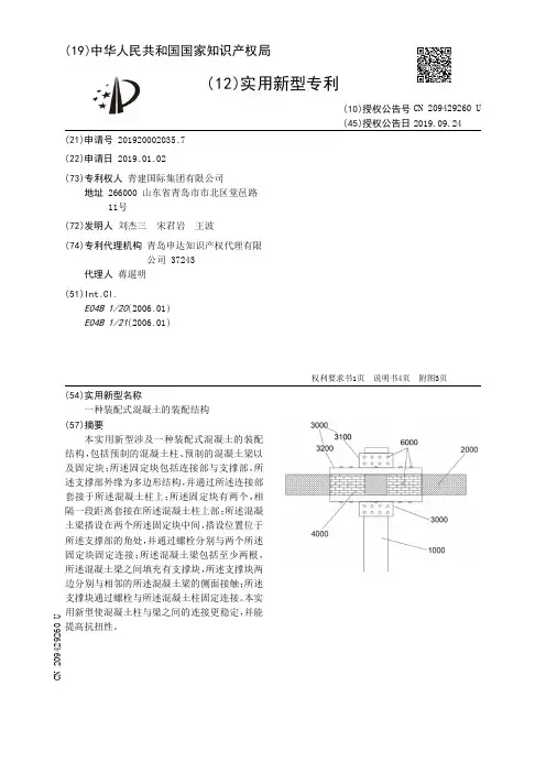
(19)中华人民共和国国家知识产权局(12)实用新型专利(10)授权公告号 (45)授权公告日 (21)申请号 201920497993.6(22)申请日 2019.04.14(73)专利权人 山东天衢建筑科技有限公司地址 277500 山东省枣庄市高新区南环路1379号第3幢(72)发明人 倪祖亮 刘圣洋 程正松 (51)Int.Cl.E04G 17/00(2006.01)(54)实用新型名称一种铝合金建筑模板支撑装置(57)摘要本实用新型公开了一种铝合金建筑模板支撑装置,包括支撑杆,所述支撑杆内螺纹连接有第一丝杆,所述第一丝杆上端设有第一连接块,所述第一连接块的一侧滑动连接有转轴,所述转轴的一端固定有第一锁止块,所述第一锁止块上设有齿牙,所述第一锁止块的一侧设有第二锁止块,所述第二锁止块上也设置有齿牙,所述转轴一端固定有安装箱,所述安装箱的一侧固定有第二丝杆,所述第二丝杆在第一连接块内转动,所述安装箱的内部滑动有推板,所述推板的下端与安装箱之间设有弹簧,所述推板的上端通过第二连接块固定支撑板,所述支撑板位于安装箱的上方。
通过上述结构实现支撑板的角度调节,实现对不同角度铝膜板的支撑,提供机动性。
权利要求书1页 说明书3页 附图5页CN 209891726 U 2020.01.03C N 209891726U权 利 要 求 书1/1页CN 209891726 U1.一种铝合金建筑模板支撑装置,包括支撑杆(1),其特征在于:所述支撑杆(1)的上端端部镶嵌有传动螺母(2),所述传动螺母(2)内螺纹传动连接有第一丝杆(3),所述第一丝杆(3)的上端端部固定有安装盘(4),所述安装盘(4)的上端固定有第一连接块(5),所述第一连接块(5)的上端一侧镶嵌有第一导套(6),所述第一导套(6)内滑动连接有转轴(7),所述转轴(7)的一端端部固定有第一锁止块(8),所述第一锁止块(8)上设置有齿牙(9),所述第一锁止块(8)的一侧设置有第二锁止块(10),所述第二锁止块(10)上也设置有齿牙(9),所述第一锁止块(8)和第二锁止块(10)通过齿牙(9)卡接在一起,所述第二锁止块(10)固定在第一连接块(5)的一侧,所述转轴(7)远离第一锁止块(8)的一端端部固定有安装箱(11),所述安装箱(11)远离转轴(7)的一侧固定有第二丝杆(12),所述第二丝杆(12)在第二导套(13)转动,所述第二导套(13)镶嵌在第一连接块(5)内,所述安装箱(11)的内部滑动有推板(14),所述推板(14)的下端与安装箱(11)的内部底端之间设置有弹簧(15),所述推板(14)的上端通过第二连接块(16)固定支撑板(17),所述支撑板(17)位于安装箱(11)的外侧上方。
(19)中华人民共和国国家知识产权局(12)实用新型专利(10)授权公告号 (45)授权公告日 (21)申请号 201920284704.4(22)申请日 2019.03.07(73)专利权人 中国电建集团昆明勘测设计研究院有限公司地址 650000 云南省昆明市盘龙区人民东路115号(72)发明人 李自强 梁宇 袁卓平 杨明江 陈昆波 陈勇 肖志颖 (74)专利代理机构 昆明祥和知识产权代理有限公司 53114代理人 施建辉(51)Int.Cl.E04B 1/00(2006.01)(54)实用新型名称装配式飘窗(57)摘要装配式飘窗,涉及装配式建筑技术领域,尤其是一种安全、经济,能够保证防水、保温隔热性能的装配式飘窗。
本实用新型的装配式飘窗,设置在高层建筑上,其特征在于该飘窗包括预制窗台、界面层、主体结构梁和预制窗顶,预制窗台设置在主体结构梁顶部,预制窗顶设置在主体结构梁底部,界面层分为上、下两个部分,分别设置在预制窗台与主体结构梁、预制窗顶与主体结构梁之间。
本实用新型具有良好的的抗变形能力,生产模具简单且易于运输和成品保护;连接形式可靠、简便;性能优越,可实施性强,产品质量易于控制。
权利要求书1页 说明书3页 附图2页CN 209723209 U 2019.12.03C N 209723209U权 利 要 求 书1/1页CN 209723209 U1.一种装配式飘窗,设置在高层建筑上,其特征在于该飘窗包括预制窗台(1)、界面层(2)、主体结构梁(3)和预制窗顶(4),预制窗台(1)设置在主体结构梁(3)顶部,预制窗顶(4)设置在主体结构梁(3)底部,界面层(2)分为上、下两个部分,分别设置在预制窗台(1)与主体结构梁(3)、预制窗顶(4)与主体结构梁(3)之间;其中:预制窗台(1)呈水平的L型,包括上连板(5)、灌浆料(6)、封堵料(7)、预埋管(8)、减重块(9)和加强筋(10),加强筋(10)设置在预制窗台(1)内,上连板(5)水平设置,竖直段内设置预埋管(8),预埋管(8)外侧设置有减重块(9),预埋管(8)内部填充灌浆料(6),预埋管(8)管口填充封堵料(7),预制窗台(1)整体用混凝土浇灌制成;界面层(2)包括找平层(11)、填充物(12)和双层止水层(13),找平层(11)设置在中间,找平层(11)外侧用填充物(12)包裹,双层止水层(13)设置在靠近高层建筑外壁的填充物(12)外侧;主体结构梁(3)包括预埋螺栓(14)、锚头(15)、预埋管(8)、灌浆料(6)和封堵料(7),预埋螺栓(14)设置在主体结构梁(3)中间位置,预埋螺栓(14)顶部高于主体结构梁(3)本体,预埋螺栓(14)位置与预制窗台(1)的预埋管(8)位置吻合,预埋螺栓(14)上部插入预制窗台(1)的预埋管(8)内;预埋螺栓(14)底部与锚头(15)固定连接,主体结构梁(3)内侧设置有预埋管(8),预埋管(8)内填充有灌浆料(6),预埋管(8)管口填充封堵料(7),主体结构梁(3)整体用灌浆料(6)浇灌制成;预制窗顶(4)包括下连板(16)、L型螺栓(17)和加强筋(10),预制窗顶(4)呈长方体状,内部设置由加强筋(10),L型螺栓(17)预埋在预制窗顶(4)内部,其竖直段位置与主体结构梁(3)内部的预埋管(8)位置匹配,竖直段上部插入主体结构梁(3)的预埋管(8)内;预制窗顶(4)整体用混凝土浇灌制成。
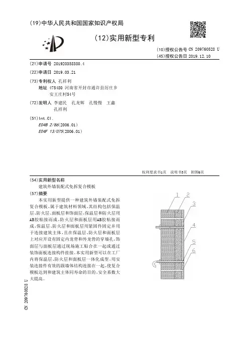
(19)中华人民共和国国家知识产权局(12)实用新型专利(10)授权公告号 (45)授权公告日 (21)申请号 201920358380.4(22)申请日 2019.03.21(73)专利权人 孔祥利地址 475480 河南省开封市通许县厉庄乡安王庄村54号(72)发明人 李建民 孔龙辉 孔慢慢 王鑫 孔祥利 (51)Int.Cl.E04B 2/86(2006.01)E04F 13/075(2006.01)(54)实用新型名称建筑外墙装配式免拆复合模板(57)摘要本实用新型提供一种建筑外墙装配式免拆复合模板,属于建筑材料领域,其结构包括保温层、防火层、面板层和饰面层,保温层和防火层用AB胶粘接而成,防火层和面板层用AB胶粘接而成,保温层、防火层和面板层用紧固件固定并用于连接建筑主体,且在保温层、防火层和面板层上对应开设有固定内龙骨和外龙骨的穿墙孔,饰面层与面板层通过现场施工贴合在一起或通过装饰面板连接构件挂接。
本实用新型可以在工厂内将保温层、防火层和面板层一体化成型,用安装连接件有效的跟墙体结构连接在一起,使复合模板达到和建筑主体同寿命的目的,安全系数大大提高。
权利要求书1页 说明书3页 附图6页CN 209760528 U 2019.12.10C N 209760528U权 利 要 求 书1/1页CN 209760528 U1.建筑外墙装配式免拆复合模板,包括保温层(1)、防火层(2)、面板层(3)和饰面层(4),其特征在于,所述保温层(1)和防火层(2)用AB胶粘接而成,防火层(2)和面板层(3)用AB胶粘接而成,保温层(1)、防火层(2)和面板层(3)用紧固件(5)固定并用于连接建筑主体,且在保温层(1)、防火层(2)和面板层(3)上对应开设有穿墙孔(6),饰面层(4)与面板层(3)通过现场施工贴合在一起或通过装饰面板连接构件(7)挂接。
2.根据权利要求1所述的建筑外墙装配式免拆复合模板,其特征在于,所述饰面层(4)包括钢丝网片或玻纤网、抹灰层和装饰层,钢丝网片或玻纤网固定在面板层(3)上,钢丝网片或玻纤网上设有抹灰层,抹灰层上设有装饰层。
专利名称:一种装配式组合模板系统专利类型:实用新型专利
发明人:张继敏,王成义,林俊天
申请号:CN202021352638.9
申请日:20200710
公开号:CN212295630U
公开日:
20210105
专利内容由知识产权出版社提供
摘要:本实用新型提供一种装配式组合模板系统,包括墙柱模板单元和楼面模板单元;墙柱模板单元包括:四组墙柱模板组,每组包括两墙柱模板,墙柱模板包括若干第一竖向模板和第二竖向模板,第一竖向模板和相邻第二竖向模板拼接;两阳角连接模板贴合形成阳角转角;两墙柱模板通过阴角转角模板连接形成阴角转角;墙柱模板下端面连接有底角铝;阴角连接模板与楼面模板连接;若干对拉螺杆,插设于固定孔内,墙柱模板外表面设置有背楞,螺母形成对拉螺杆与背楞之间的紧固;若干连接K板,分别连接于墙柱模板的上端面和下端面。
所述系统节省了销钉的使用数量,降低装配成本,墙柱模板配合对拉螺杆、螺母以及背楞的使用,保证了墙柱模板的刚度和强度。
申请人:广西汇林达科技有限公司
地址:543000 广西壮族自治区梧州市龙圩区梧州进口再生资源加工园区广源大道6号信息中心大楼3楼309室
国籍:CN
代理机构:北京盛凡智荣知识产权代理有限公司
代理人:戴秀秀
更多信息请下载全文后查看。
专利名称:一种装配式建筑用铝模板装置
专利类型:实用新型专利
发明人:许文甲,雷志东,于东东,张思睿,黄福寿,雷磊,黄婧申请号:CN202122212697.7
申请日:20210913
公开号:CN215631579U
公开日:
20220125
专利内容由知识产权出版社提供
摘要:本实用新型涉及建筑用模板领域,具体是一种装配式建筑用铝模板装置,包括板体;板体一端设有快拆机构,板体的另一端开设连接孔;快拆机构包括连接销、紧固螺栓和挤压板;连接销上下对称焊接在板体的一端面上,相邻两个板体之间,其中一个板体上连接销插入另一个板体上开设的连接孔内;挤压板板面上的滑销滑动连接在滑槽内,连接销的端部螺纹连接紧固螺栓,紧固螺栓的端部挤压在挤压板上,挤压板挤压在另一个板体的内侧壁上;相比通过螺栓螺母拼接,该铝模板装置不需要螺栓螺母紧固连接,避免螺栓螺母丢失问题,以及紧固螺栓一直螺纹连接在连接销,不需要旋转取下,也避免紧固螺栓丢失的问题,从而降低铝模板拼接的成本。
申请人:中铁建工集团有限公司
地址:100160 北京市丰台区南四环西路128号诺德中心1号楼
国籍:CN
代理机构:北京惟盛达知识产权代理事务所(普通合伙)
代理人:杨青
更多信息请下载全文后查看。
(19)中华人民共和国国家知识产权局(12)实用新型专利(10)授权公告号 (45)授权公告日 (21)申请号 201920337608.1(22)申请日 2019.03.18(73)专利权人 刘海青地址 067000 河北省承德市双桥区环城南路长安小区11号楼5单元409室(72)发明人 刘海青 (74)专利代理机构 北京东岩跃扬知识产权代理事务所(普通合伙) 11559代理人 谷岳(51)Int.Cl.E02D 27/14(2006.01)(54)实用新型名称用于房屋建筑工程基础承台的装配式钢模(57)摘要本实用新型公开了建筑工程技术领域的用于房屋建筑工程基础承台的装配式钢模,包括钢模单体,钢模单体设置有多个且互相嵌和顺次连接,钢模单体左右两端均间隔安装有三组卡块,钢模单体顶部左右两侧均开设有圆槽,圆槽底部设置有突起的圆台,钢模单体底部安装有和圆槽匹配的插接装置,本实用新型设计新颖,结构简单,通过钢模单体交错设置的卡块和槽口,将多组钢模单体组合起来,钢模单体顶部设置的圆槽和底部的插接装置,使得上方的钢模单体底部的圆柱插入下方的钢模单体顶部的圆槽内部,使得圆台嵌入异形槽内部,最后将加强钢筋依次贯穿卡块上的插孔,将本装置固定起来,节省时间,易于拆卸和安装,安全性高,可以多次循环使用。
权利要求书1页 说明书3页 附图2页CN 209723011 U 2019.12.03C N 209723011U权 利 要 求 书1/1页CN 209723011 U1.用于房屋建筑工程基础承台的装配式钢模,包括钢模单体(1),其特征在于:钢模单体(1)设置有多个且互相嵌和顺次连接,钢模单体(1)左右两端均间隔安装有三组卡块(2),钢模单体(1)顶部左右两侧均开设有圆槽(3),圆槽(3)底部设置有突起的圆台(31),钢模单体(1)底部安装有和圆槽(3)匹配的插接装置(4),钢模单体(1)中间开设有通槽(5),通槽(5)内部安装有固定装置(6)。
(19)中华人民共和国国家知识产权局
(12)实用新型专利
(10)授权公告号 (45)授权公告日 (21)申请号 201920304538.X
(22)申请日 2019.03.06
(73)专利权人 南通市达欣工程股份有限公司
地址 226671 江苏省南通市海安高新技术
产业开发区通阳东路10号
(72)发明人 丁国东 余中旺 徐仁贵 胡国平
(51)Int.Cl.
E04G 9/08(2006.01)
(54)实用新型名称装配式建筑用模板装置(57)摘要本实用新型提供装配式建筑用模板装置,包括竖板、横板以及调节板,所述竖板上端与横板下端边缘处相接触,所述竖板内侧设置L型固定板一,所述竖板外侧设置L型固定板二,所述L型固定板一上端焊接固定有螺纹杆一,所述螺纹杆一上端穿过横板和L型固定板二上端,所述L型固定板一右端焊接固定有螺纹杆二,所述螺纹杆二右端穿过竖板和L型固定板二右端,所述横板左端焊接固定有卡块,所述卡块卡接在调节板内,所述调节板上端焊接固定有套筒。
该设计便于操作,便于通过L型固定板一和L型固定板二进行拆装,通过调节板便于拼接,使用灵活,通过加强杆
提高了稳定性。
权利要求书1页 说明书2页 附图1页CN 209723590 U 2019.12.03
C N 209723590
U
权 利 要 求 书1/1页CN 209723590 U
1.装配式建筑用模板装置,包括竖板、横板以及调节板,其特征在于:所述竖板上端与横板下端边缘处相接触,所述竖板内侧设置L型固定板一,所述竖板外侧设置L型固定板二,所述L型固定板一上端焊接固定有螺纹杆一,所述螺纹杆一上端穿过横板和L型固定板二上端,所述L型固定板一右端焊接固定有螺纹杆二,所述螺纹杆二右端穿过竖板和L型固定板二右端,所述横板左端焊接固定有卡块,所述卡块卡接在调节板内,所述调节板上端焊接固定有套筒,所述套筒内通过螺纹连接有加强杆。
2.根据权利要求1所述的装配式建筑用模板装置,其特征在于:所述竖板左上方开设有安装槽一,所述横板右下方开设有安装槽二,所述L型固定板一放置在安装槽一和安装槽二内,所述调节板右端开设有卡槽,所述卡块卡接在卡槽内。
3.根据权利要求1所述的装配式建筑用模板装置,其特征在于:所述套筒内加工内螺纹,所述加强杆环形侧面加工有外螺纹,所述螺纹杆一和螺纹杆二外部均通过螺纹连接有螺母。
4.根据权利要求1所述的装配式建筑用模板装置,其特征在于:所述竖板、L型固定板
一、螺纹杆二、L型固定板二、螺纹杆一以及横板均设有四组,所述调节板和卡块均设有六组以上,所述竖板、横板以及调节板呈长方形进行布置连接。
5.根据权利要求1所述的装配式建筑用模板装置,其特征在于:所述竖板、横板以及调节板外侧均固定有套筒,所述套筒通过加强杆进行螺纹连接。
2。