装配式建筑专利技术共23页
- 格式:ppt
- 大小:2.46 MB
- 文档页数:23
装配式建筑施工技术的专利与知识产权分析引言:装配式建筑是一种新兴的建筑方式,通过在工厂中进行预制和装配,然后将构件运到现场进行组装。
这种方法能够提高施工速度、减少浪费及环境影响,并具有良好的质量控制。
在这个领域中,专利与知识产权对于促进技术创新和保护创新成果起着重要作用。
本文旨在分析装配式建筑施工技术的专利与知识产权现状,并探讨其对行业发展的影响。
一. 装配式建筑施工技术专利概况A. 专利数量评估B. 主要技术领域涉及范围C. 强势企业及其相关专利随着装配式建筑技术的不断发展,该领域涌现出了大量具有创新性的技术解决方案。
根据对相关数据库和专利申请信息的调研,目前已有大量针对装配式建筑施工技术的专利存在。
其中包括国内外上百家企业提交或拥有的专利申请。
这些专利涵盖了从构件制造到装配施工的方方面面,包括新材料的应用、结构设计的优化以及施工过程的改进等。
在主要技术领域上,装配式建筑专利主要集中在以下几个方向。
首先是构件制造技术,如采用新型材料或工艺进行模块化生产。
其次是连接方式和组装工艺,包括创新的连接元件以及快速、高效的组装方法。
此外,还涉及到施工设备和设施的发展,如自动化装配线和智能化施工设备等。
一些强势企业在装配式建筑施工技术领域表现出色,并且拥有大量相关专利。
以国内企业为例,公司A在构件制造方面具有多项核心专利,该公司通过研发出适合装配式建筑需求的新材料,并建立起完善的生产体系。
另外, 公司B在连接方式和组装工艺上取得了突破性进展,并获得了多项重要专利。
二. 装配式建筑施工技术知识产权保护机制A. 专利保护B. 商标保护C. 版权保护在装配式建筑领域,专利是一种主要的知识产权保护手段。
通过申请和获得专利,企业可以在法律的保护下享有其技术创新所带来的竞争优势。
专利提供了一种独占权,其他公司在未经许可的情况下无法复制该技术。
因此,在装配式建筑施工技术领域,专利保护对于企业具有重要意义。
此外,商标也是一种重要的知识产权保护方式。
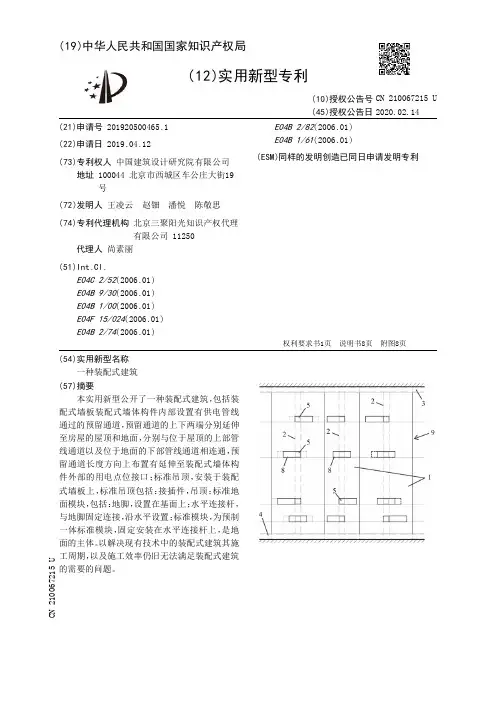
(19)中华人民共和国国家知识产权局(12)实用新型专利(10)授权公告号 (45)授权公告日 (21)申请号 201920500465.1(22)申请日 2019.04.12(73)专利权人 中国建筑设计研究院有限公司地址 100044 北京市西城区车公庄大街19号(72)发明人 王凌云 赵钿 潘悦 陈敬思 (74)专利代理机构 北京三聚阳光知识产权代理有限公司 11250代理人 尚素丽(51)Int.Cl.E04C 2/52(2006.01)E04B 9/30(2006.01)E04B 1/00(2006.01)E04F 15/024(2006.01)E04B 2/74(2006.01)E04B 2/82(2006.01)E04B 1/61(2006.01)(ESM)同样的发明创造已同日申请发明专利(54)实用新型名称一种装配式建筑(57)摘要本实用新型公开了一种装配式建筑,包括装配式墙板装配式墙体构件内部设置有供电管线通过的预留通道,预留通道的上下两端分别延伸至房屋的屋顶和地面,分别与位于屋顶的上部管线通道以及位于地面的下部管线通道相连通,预留通道长度方向上布置有延伸至装配式墙体构件外部的用电点位接口;标准吊顶,安装于装配式墙板上,标准吊顶包括:接插件,吊顶;标准地面模块,包括:地脚,设置在基面上;水平连接杆,与地脚固定连接,沿水平设置;标准模块,为预制一体标准模块,固定安装在水平连接杆上,是地面的主体。
以解决现有技术中的装配式建筑其施工周期,以及施工效率仍旧无法满足装配式建筑的需要的问题。
权利要求书1页 说明书8页 附图8页CN 210067215 U 2020.02.14C N 210067215U权 利 要 求 书1/1页CN 210067215 U1.一种装配式建筑,其特征在于,包括装配式墙板(9),包括:多个装配式墙体构件(1),所述装配式墙体构件(1)内部设置有至少一个供电管线通过的预留通道(2),所述预留通道(2)的上下两端分别延伸至房屋的屋顶和地面,分别与位于所述屋顶的上部管线通道(3)以及位于所述地面的下部管线通道(4)相连通,所述预留通道(2)长度方向上布置有延伸至所述装配式墙体构件(1)外部的至少一个用电点位接口(5);标准吊顶,安装于所述装配式墙板(9)上,所述标准吊顶包括:接插件(6),预制在所述装配式墙板(9)上,具有接插部;吊顶(7),具有与所述接插部插接的安装端(10);标准地面模块,包括:地脚(11),设置在基面(12)上,其高度可以调节;水平连接杆(13),与所述地脚(11)固定连接,沿水平设置;标准模块(14),为预制一体标准模块(14),固定安装在所述水平连接杆(13)上,是地面的主体。
(19)中华人民共和国国家知识产权局(12)实用新型专利(10)授权公告号 (45)授权公告日 (21)申请号 201921769782.X(22)申请日 2019.10.18(73)专利权人 广东玖米空间科技有限公司地址 510000 广东省广州市天河区天源路5号之三9楼(72)发明人 林雄强 (74)专利代理机构 广州市律帆知识产权代理事务所(普通合伙) 44614代理人 王伟(51)Int.Cl.E04B 1/32(2006.01)E04B 1/66(2006.01)E04B 1/78(2006.01)(ESM)同样的发明创造已同日申请发明专利(54)实用新型名称装配式建筑(57)摘要本实用新型涉及一种装配式建筑,包括外框结构和位于外框结构内的内框结构,内框结构包括两个相对设置的内拉弯门框、间隔布置于两个内拉弯门框之间的多根内主梁、及连接于两个内拉弯门框之间的多根辅梁,内主梁和辅梁配合形成第一穹形屋面,第一穹形屋面的顶部设有屋顶斜面骨架,外框结构包括两个相对设置的外拉弯门框、及连接于两个外拉弯门框之间并呈穹形的拉弯主梁,拉弯主梁的两端分别与两个外拉弯门框可拆卸连接,外拉弯门框从门框脚到门框头之间连接有多根间隔布置的拉弯主梁,两个外拉弯门框之间布置有多根与外拉弯门框平行布置并呈穹形的支撑梁,拉弯主梁和支撑梁配合形成第二穹形屋面,第二穹形屋面外罩于第一穹形屋面上。
权利要求书2页 说明书8页 附图10页CN 210976082 U 2020.07.10C N 210976082U1.一种装配式建筑,其特征在于,包括外框结构和位于所述外框结构内的内框结构,所述内框结构包括两个相对设置的内拉弯门框、平行间隔布置于两个所述内拉弯门框之间并呈穹形的多根内主梁、及连接于两个所述内拉弯门框之间的多根辅梁,每根所述辅梁均与所有所述内主梁可拆卸连接、并与每根所述内主梁垂直布置,所述内主梁和所述辅梁配合形成第一穹形屋面,所述第一穹形屋面的顶部设有屋顶斜面骨架,所述外框结构包括两个相对设置的外拉弯门框、及连接于两个所述外拉弯门框之间并呈穹形的拉弯主梁,所述拉弯主梁的两端分别与两个所述外拉弯门框可拆卸连接,所述外拉弯门框从门框脚到门框头之间连接有多根间隔布置的所述拉弯主梁,两个所述外拉弯门框之间布置有多根与所述外拉弯门框平行布置并呈穹形的支撑梁,两个所述内拉弯门框的正上方分别设置有一根所述支撑梁,所述支撑梁与对应的所述内拉弯门框可拆卸连接,每根所述支撑梁均与所有所述拉弯主梁可拆卸连接、并与每根所述拉弯主梁垂直布置,所述拉弯主梁和所述支撑梁配合形成第二穹形屋面,所述第二穹形屋面外罩于整个所述第一穹形屋面。
装配式建筑施工核心技术的国内外专利分析结果汇报一、引言近年来,随着人们对建筑质量和环保意识的提高认识,装配式建筑施工技术逐渐受到关注。
为了系统地了解国内外在装配式建筑施工核心技术方面的研发情况,本次报告基于对相关专利进行分析,旨在总结目前装配式建筑领域的专利趋势、主要技术路径和创新焦点。
二、全球装配式建筑专利概况1. 专利数量根据我们收集和分析的数据,全球范围内与装配式建筑施工相关的专利数量呈稳步增长趋势。
从2010年至今,这一趋势持续上升,并且在最近几年得到进一步加速。
2. 申请专利最多的国家/地区我们对世界各主要经济体和典型发展中国家进行了特别关注。
结果显示,中国是申请与装配式建筑施工相关专利最多的国家/地区。
其次是美国、日本和欧洲部分国家。
3. 最激进公司通过分析专利申请排名,我们发现,许多世界知名建筑企业和科技公司在装配式建筑领域展现出积极的创新态势。
例如,在中国市场上,中国建筑集团、中国南方建筑集团等公司都以其专利数量居于前列。
三、国内外核心技术路径1. 模块化设计与制造模块化设计与制造是装配式建筑施工的核心技术路径之一。
相关专利表明,在此领域,国内外企业纷纷提出了各种模块化设计和制造方法,如使用标准化构件、可快速组装的墙板等。
2. 自动化施工工艺自动化施工是实现高效装配式建筑的重要手段之一。
不同国家和地区采用的技术和设备存在差异。
在中国,机器人施工技术和3D打印技术得到了广泛应用,并取得了一系列创新成果。
3. 节能环保解决方案在绿色建筑和可持续发展背景下,节能环保是装配式建筑发展中的核心问题之一。
相关专利揭示了各种应对方案,如太阳能利用、雨水收集和再利用等,国内外企业在该领域都进行了积极探索。
四、主要创新焦点1. 设计优化与多功能性装配式建筑的设计优化和多功能性是当前专利申请中较为突出的创新焦点。
不同国家的企业通过改良结构和材料,实现建筑更好的适应性,并提供更多的使用功能。
2. 施工质量与安全管理在装配式建筑施工过程中,高质量和施工安全是至关重要的。
装配式建筑施工的专利技术解读随着现代工业化程度的不断提高,装配式建筑作为一种新兴的建筑模式,正逐渐受到业界和市场的关注。
装配式建筑相比于传统施工方法,具有施工速度快、构造精确、质量可控等优势。
在装配式建筑施工过程中,专利技术发挥了重要的作用。
本文将解读一些与装配式建筑施工相关的专利技术。
一、墙体拼接连接专利技术1. 接口密封技术:在装配式墙体拼接过程中,为了确保结构牢固和防水性能,需要使用密封材料来填充接缝。
相关专利技术可以提供更加高效和可靠的接口密封方案,例如采用聚氨酯泡沫胶条填充接口,并结合自锚固螺栓进行增强连接。
2. 键槽连接技术:为了增强拼接墙板之间的连接强度,在专利技术中引入了键槽连接设计。
通过在墙板边缘开设相应的凸起和凹槽,在拼接过程中实现墙板的互锁连接,从而提高施工效率和墙体的整体稳定性。
二、结构混凝土柱和梁系统专利技术1. 预制处理技术:预制是装配式建筑施工的关键环节之一。
相关专利技术可以通过模具、浇筑和养护等工艺控制,确保预制构件具有所需的强度、尺寸和表面质量。
例如,采用特殊的模具设计,使得混凝土预制构件表面能够形成细腻平整的纹理。
2. 快速连接技术:为了提高柱和梁之间的连接效率,在专利技术中引入了快速连接方案。
比如采用传统钢筋焊接方法进行连接时,容易出现焊点强度不均匀或者产生裂缝等问题。
而相关专利技术通过使用特殊连接件(如螺栓、夹具等)来实现快速固定,并且能够提高连接强度和可靠性。
三、楼层间板结构专利技术1. 施工工艺改进:在装配式楼层间板结构施工过程中,降低施工工序、提高施工效率是关键。
相关专利技术可以通过改善楼层间板制造工艺,设计出更加轻量化、节能环保的产品。
例如,采用高强度混凝土材料和钢筋网增强结构,不仅可以降低自重,还能够提高楼层间板的抗震性能。
2. 接缝处理技术:在楼层间板的拼接过程中,需要对接缝进行处理以确保整体结构的连续性和稳定性。
相关专利技术提供了多种解决方案,比如采用特殊密封胶条填充接缝、设计嵌入式螺栓连接等方法,使得楼层间板能够具有更好的承载力和抗拉强度。
了解装配式建筑施工过程中的专利技术应用装配式建筑施工过程中的专利技术应用是现代建筑行业中的一项重要趋势。
随着人们对建筑安全、质量和效率的需求不断提高,传统的施工方式已经不能满足市场需求。
因此,采用装配式建筑施工方式成为一种新兴的选择。
在这个过程中,专利技术的应用具有重要意义,它可以提升建筑质量、节省施工时间,并降低项目成本。
下面将介绍一些应用于装配式建筑施工过程中的专利技术。
一、结构连接专利技术在装配式建筑施工过程中,结构连接是一个至关重要和复杂的环节。
通过合理运用专利技术,可以使得结构连接更加牢固和安全。
1. 金属搭接连接系统金属搭接连接系统是一种常见且可靠的结构连接方法,在施工过程中广泛采用。
通过特殊设计以及专利技术支持,金属搭接连接系统能够实现高强度和刚性,并且方便快捷地完成组件之间的拼装。
2. 钢结构组合节点钢结构组合节点是用于连接钢结构构件的重要部分。
通过应用专利技术,可以实现节点的快速连接和拆卸,提高施工效率。
同时,优化节点设计可以保证建筑结构的安全稳定性。
3. 功能性连接件功能性连接件是一种能够满足特殊需求的结构连接元件,例如防震耐火、隔音减振等。
在装配式建筑领域,这类专利技术被广泛应用,以增强建筑整体性能和使用寿命。
二、节能环保专利技术装配式建筑施工过程中的节能环保专利技术是为了减少对环境的影响和降低能源消耗而研发的创新解决方案。
1. 绿色建材绿色建材是指具有环境友好、耐久、有效节能等特点的建筑材料。
在装配式建筑施工过程中,采用绿色建材可以降低室内有害物质释放和空气污染,并且可循环回收使用。
2. 高效隔热系统在冬季保温和夏季隔热方面,采用高效隔热系统具有明显的优势。
通过专利技术支持,隔热材料和设计可以实现更好的保温效果,降低供暖和空调负荷,从而降低能源消耗。
3. 光伏发电系统光伏发电系统是利用太阳能进行发电,实现能源可再生的一种方式。
在装配式建筑中,应用光伏发电系统的专利技术可以将建筑物转化为一个微型的清洁能源站点,减少对传统能源的依赖。
(19)中华人民共和国国家知识产权局(12)实用新型专利(10)授权公告号 (45)授权公告日 (21)申请号 201821288363.X(22)申请日 2018.08.10(73)专利权人 薛鹏静地址 054000 河北省邢台市桥西区泉北大街天厦综合楼专利权人 李琳琳 周广平 孟令飞(72)发明人 薛鹏静 李琳琳 周广平 孟令飞 (74)专利代理机构 北京市跃扬知识产权代理事务所(普通合伙) 11559代理人 谷岳(51)Int.Cl.E04B 1/61(2006.01)(54)实用新型名称一种新型装配式建筑结构(57)摘要本实用新型公开了建筑技术技术领域的一种新型装配式建筑结构,包括墙板,所述墙板的左侧安装有卡块,所述卡块的左侧中央均匀安装限位块,所述卡块的左侧顶部和底部均匀开设有安装槽,且两组安装槽内均安装密封条,所述墙板的右侧开设有与卡块相匹配的卡槽,所述卡槽的左侧均匀开设有与限位块相匹配的限位槽,所述卡块和墙板的右侧均开设有螺纹孔,所述墙板上均匀开设有通孔,该新型装配式建筑结构,通过将卡块安装到卡槽内,方便将两组墙板连接,并通过螺栓进行固定,提高其稳固性,且安装速度快,成本较低,同时设置有限位块和限位槽,进一步提高相邻墙板之间的紧固性,还开设有通孔,且通孔内均匀填充有消音棉,提高墙板的隔音效果。
权利要求书1页 说明书2页 附图1页CN 208701922 U 2019.04.05C N 208701922U1.一种新型装配式建筑结构,包括墙板(1),其特征在于:所述墙板(1)的左侧安装有卡块(2),所述卡块(2)的左侧中央均匀安装限位块(3),所述卡块(2)的左侧顶部和底部均匀开设有安装槽,且两组安装槽内均安装密封条(8),所述墙板(1)的右侧开设有与卡块(2)相匹配的卡槽(4),所述卡槽(4)的左侧均匀开设有与限位块(3)相匹配的限位槽(5),所述卡块(2)和墙板(1)的右侧均开设有螺纹孔(6),所述墙板(1)上均匀开设有通孔(7)。
装配式建筑施工技术的专利分析与应用一、简介装配式建筑施工技术是指在工厂预制构件,再将其运至现场进行组装,以快速搭建建筑物的一种先进施工方法。
本文将通过对装配式建筑施工技术相关专利的分析,以及探讨其在实际应用中的优势和发展前景。
二、专利分析1. 专利数量与趋势随着人们对快速、环保、高品质建筑需求的提高,装配式建筑施工技术逐渐受到关注,并引发了大量研究和创新。
从近年来相关专利数据来看,装配式建筑领域出现了快速增长的趋势。
这些专利涵盖了从构件设计、加工生产到组装安装等各个环节。
2. 主要技术领域在对专利进行分类分析后,可以得出以下几个主要技术领域:(1)模块化设计与生产:包括模块构件设计、自动化生产线等方面的创新;(2)连接与固定技术:例如采用螺栓连接、钩扣结构等创新连接方式;(3)隔热与防水技术:以提高建筑整体的隔音、保温、防水性能为目标的创新;(4)运输与组装技术:优化模块运输方案,研究高效组装技术等。
3. 专利分布地区目前,专利申请主要集中在发达国家以及一些有装配式建筑施工需求的地区,如中国、日本和德国等。
这些地区在装配式建筑领域有着雄厚的科研实力和产业基础,并且通过专利保护措施,促进了该技术的进一步发展与国际竞争力的提升。
三、应用案例分析1. 国内应用案例(1)上海金山某楼盘:该楼盘采用装配式混凝土结构施工方法进行建设,大幅度缩短了工期,并保证了建筑质量和安全性。
(2)北京奥运村:奥运村部分场馆采用钢结构模块化设计与施工,成功解决了项目时间紧迫、施工条件复杂等问题。
2. 国际应用案例(1)日本筑波学院:该学院采用装配式建筑施工技术,利用了模块化的设计和施工方法,大大提高了建造速度,并且方便后期维护与改造。
(2)德国欧柏林音乐厅:通过装配式建筑施工技术,节省了约40%的施工时间,大幅度降低了对周边环境的影响。
四、发展前景与应用优势1. 发展前景随着人们对快速、高效、绿色建筑需求不断增加,装配式建筑施工技术将得到更广泛的应用。
(19)中华人民共和国国家知识产权局(12)发明专利申请(10)申请公布号 (43)申请公布日 (21)申请号 201610612279.8(22)申请日 2016.07.31(71)申请人 蔡火足地址 362712 福建省泉州市石狮市祥芝镇环村东路50号(72)发明人 蔡火足 (74)专利代理机构 北京汇信合知识产权代理有限公司 11335代理人 廖秀玲(51)Int.Cl.E04B 1/343(2006.01)E04C 2/34(2006.01)(54)发明名称装配式房屋(57)摘要本发明公开了一种装配式房屋,该装配式房屋包含一个外墙单元、一连接于该外墙单元上方的屋顶单元及一用以组装的组装单元。
该外墙单元包括多数板材,每一板材具有二彼此间隔的面板、两分别衔接于该面板相反两端的端板及两分别连接于该端板的连接件。
该组装单元包括多数衔接条,每一衔接条均具有两个朝向不同方向的伸置件,每一个伸置件与对应的连接件紧配合,由此衔接该衔接条。
由于每个板材的相反两端为相同型态的连接件,只要配合该衔接条,自板材相反两端都得以发展建构,不需要考虑到连接件组装的方向性,故能有效提高建构时的自由度。
权利要求书1页 说明书5页 附图14页CN 106088340 A 2016.11.09C N 106088340A1.一种装配式房屋,其特征在于,包含一个外墙单元、一连接于该外墙单元相对上方的屋顶单元及一用以组装该外墙单元和屋顶单元的组装单元;该外墙单元包括多数板材,每一板材具有二彼此间隔的面板、两分别衔接于该面板相反两端的端板及两分别连接于该端板的连接件; 每一连接件具有二彼此间隔朝向远离同侧之端板延伸的凸出部,该凸出部与同侧之端板界定出一与该端板同向延伸的连接槽;该组装单元包括多数衔接条,每一衔接条具有二朝向不同方向的伸置件,每一伸置件得以伸置于其中一连接件的连接槽,并且与该链接件彼此紧配合,每一衔接条的伸置件分別伸置于二板材的连接槽时间,得以借此衔接该板材。
(19)中华人民共和国国家知识产权局(12)发明专利申请(10)申请公布号 (43)申请公布日 (21)申请号 202010143795.7(22)申请日 2020.03.04(71)申请人 中国五冶集团有限公司地址 610063 四川省成都市锦江区五冶路9号(72)发明人 刘劲 常武强 (74)专利代理机构 成都九鼎天元知识产权代理有限公司 51214代理人 陈法君(51)Int.Cl.E04B 1/00(2006.01)E04B 1/38(2006.01)E04B 2/00(2006.01)E04B 7/02(2006.01)(54)发明名称一种装配式建筑(57)摘要本发明公开了一种装配式建筑,所述装配式建筑至少包括墙体和屋架,所述墙体固设于支撑面之上,所述墙体的顶部与所述屋架的屋架龙骨相连,所述墙体至少包括底导梁、顶导梁和墙体立柱,所述底导梁和顶导梁平行设置,所述墙体立柱设置所述底导梁和顶导梁之间,并分别与底导梁和顶导梁垂直;且所述顶导梁和墙体立柱三维连接件与所述屋架龙骨相连。
本装配式建筑改变了现有高海拔、寒冷区域砼强度发展慢的情况和人材机组织难的情况。
因此采用本装配式建筑可以大大降低成本、绿色环保、劳动成本低且施工安全危险系数大大降低。
权利要求书1页 说明书4页 附图2页CN 111287313 A 2020.06.16C N 111287313A1.一种装配式建筑,其特征在于,所述装配式建筑至少包括墙体和屋架,所述墙体固设于支撑面之上,所述墙体的顶部与所述屋架的屋架龙骨相连,所述墙体至少包括底导梁、顶导梁和墙体立柱,所述底导梁和顶导梁平行设置,所述墙体立柱设置所述底导梁和顶导梁之间,并分别与底导梁和顶导梁垂直;且所述顶导梁和墙体立柱三维连接件与所述屋架龙骨相连。
2.如权利要求1所述的一种装配式建筑,其特征在于,所述三维连接件包括第一连接面、第二连接面和第三连接面,所述第一连接面与所述第二连接面相互垂直设置,所述第三连接面同时垂直于第一连接面和第二连接面设置,所述第一连接面经螺栓与所述屋架龙骨相连,所述第二连接面经螺栓与所述顶导梁相连,所述第三连接面经螺栓与墙体立柱相连。
装配式建筑施工的专利技术与知识产权保护随着城市化进程的加快和人们对于生活品质及环境要求的提高,装配式建筑作为一种新型而又高效的建筑方式逐渐走入大众视野。
装配式建筑施工涉及多项专利技术和知识产权保护问题,因此合理保护和应用这些技术成果,对于促进行业发展具有重要意义。
一、装配式建筑施工的专利技术保护1. 专利技术在装配式建筑中的应用装配式建筑是一种依托预制构件进行现场安装的建造方法,其核心是高度标准化与规范化。
在这样一个复杂的系统中,各个环节都存在着创新与发明,其中不乏涉及到新颖结构设计、连接方式、界面处理等方面的发明性技术。
通过对这些关键环节进行专利保护,可以推动整个行业向前发展。
2. 专利申请与布局在装配式建筑施工中,企业需要将自己独有的技术成果转化为具体的国家专利。
首先需要进行技术评估,判断其是否具备专利申请的条件。
然后,针对重点和核心技术进行专利布局,涵盖各个环节,以保护企业的技术优势。
此外,有效地整合与应用已有的相关专利也是一种常见策略,可以避免重复发明,并获得更大的市场竞争优势。
3. 多层次保护策略为了确保装配式建筑施工中的专利技术得到全面保护,在保证国内领域之外,还需要从国际层面进行布局。
通过申请国际专利以及参与国际标准制定等方式,进一步巩固企业的市场地位,并有效防范技术转移和知识侵权。
二、装配式建筑施工的知识产权保护1. 知识产权分类装配式建筑施工中涉及到的知识产权包括但不限于发明专利、实用新型专利、外观设计专利、商标、版权等。
这些知识产权不仅可以单独存在,也可以相互组合形成一个庞大而有力的体系。
2. 强化版权保护在装配式建筑施工中,涉及到的设计图纸、技术文档等均属于版权范畴。
企业应该在保护装配式建筑施工的基础上,注重美术创作、构思安排等方面的版权申请和保护,确保知识产权得到全面覆盖。
3. 商标注册与运用对于装配式建筑企业而言,商标是一个重要的知识产权形式。
通过商标注册,企业可以有效区别其产品与竞争对手之间的差异,并加强市场竞争力。
装配式建筑的专利技术与技术创新评价一、引言装配式建筑作为一种新兴的建筑方式,以其高效、环保和可持续发展的特点,得到了越来越多的应用和关注。
在这个领域中,专利技术和技术创新扮演着重要的角色。
本文旨在对装配式建筑领域中的专利技术及其相关评价进行探讨。
二、装配式建筑的专利技术概述1. 装配式建筑的定义装配式建筑是指将部分或全部建筑构件在工厂中预制成标准化模块,然后通过运输工具将其运送至施工现场进行组装安装而成的一种建筑方式。
2. 装配式建筑领域中存在的专利技术在装配式建筑领域中,涌现出了许多具有创新性和实用性的专利技术。
其中包括但不限于:节能环保型构件设计、智能模块化系统、结构连接与强度优化等方面。
3. 装配式建筑领域中专利技术带来的好处通过引入专利技术,可以提高装配式建筑的施工效率和质量,并降低成本。
专利技术还能促进装配式建筑的创新发展,推动产业升级。
三、装配式建筑技术创新评价体系1. 技术可行性评价技术可行性评价旨在确定技术方案的实施可能性和经济效益。
该评价考虑了安全性、稳定性、以及生产能力与需求之间的匹配程度。
2. 环境影响评价环境影响评价可以帮助判断技术创新对环境的影响程度,包括排放物质、资源消耗等。
优秀的技术应该具有较低的环境负荷。
3. 社会效益评价社会效益评价主要考虑技术创新对社会经济发展和居民生活造成的积极影响,如就业机会增加、住房问题解决等。
4. 经济效益评价经济效益评价是对技术创新所带来的直接和间接经济收益进行分析和估算。
包括成本节约、投资回报率等因素。
5. 创新潜力评价创新潜力评价是对技术创新是否具备进一步发展和应用的潜力进行评估。
考虑到市场需求、技术壁垒等因素。
四、案例分析:装配式建筑创新技术——模块化系统以模块化系统为例,探讨装配式建筑领域中专利技术的具体应用与评价。
1. 模块化系统的创新特点模块化系统采用了标准化设计和预制构件,可以根据用户需求进行快速组装和拆卸,极大提高了施工效率,同时还具有可重复性、可扩展性等特点。
装配式建筑中的专利技术和创新研发在装配式建筑领域,专利技术和创新研发起到了关键的作用。
装配式建筑,也称为预制建筑,是指在工厂内通过模块化和标准化的生产方式,将建筑构件制造完成后,再进行运输和安装的建筑方法。
专利技术和创新研发在装配式建筑中,既能提高建筑质量和施工效率,又能降低工程成本和资源消耗,具有广阔的应用前景。
一、专利技术在装配式建筑中的应用专利技术在装配式建筑中发挥着重要的作用。
首先,专利技术可以用于优化建筑设计。
通过独特的构造和材料选用,装配式建筑可以实现更高的抗震性能和隔音效果,提供更安全舒适的居住环境。
其次,专利技术可以用于改进装配式建筑的施工工艺和质量控制手段。
例如,通过自动化生产线和智能化控制系统,可以实现装配作业的标准化和精准化,提高建筑的整体质量和装配速度。
同时,专利技术还可以解决装配式建筑在节能、环保等方面的技术难题,推动建筑行业的可持续发展。
二、创新研发在装配式建筑中的推动作用创新研发是装配式建筑发展的重要动力。
装配式建筑的核心是技术创新和工业化生产,这离不开对新材料、新工艺和新技术的不断研发。
在材料方面,创新研发可以推动装配式建筑材料的绿色化和高性能化。
例如,研发出更轻、更坚固、更环保的装配式建筑材料,可以提高建筑的抗震性能和使用寿命,同时减少对自然资源的消耗。
在工艺方面,创新研发可以推动装配式建筑的自动化和智能化。
例如,研发出智能化的装配机器人和智能化的控制系统,可以实现装配作业的高效率和高精度,降低人工成本和人为错误。
在技术方面,创新研发可以推动装配式建筑的数字化和信息化。
例如,研发出建筑信息模型(BIM)和虚拟现实(VR)技术,可以实现建筑设计、施工和运维等各个环节的数据共享和协同,提高建筑的整体效能和管理水平。
三、专利技术和创新研发的应用案例在实际的装配式建筑项目中,专利技术和创新研发已经取得了显著的成果。
以某装配式建筑公司为例,他们研发了一种新型的装配式建筑墙体模块,通过引入专利技术的连接结构和防水材料,实现了墙体的高强度和防水性能,减少了设计和施工的难度。
装配式建筑施工中的专利技术保护与应用一、介绍装配式建筑是近年来快速发展的一种新型建筑方式,它具有工期短、质量可控、环境友好等众多优点。
而在装配式建筑施工过程中,专利技术的保护和应用,则能进一步提升其竞争力和价值。
本文将重点探讨装配式建筑施工中专利技术的保护与应用。
二、专利技术保护的重要性1. 促进技术创新:专利技术保护鼓励创新,激发企业积极性和动力,推动装配式建筑行业不断发展。
2. 维护合法权益:通过申请专利并获得保护,企业可以确保其发明或创新在市场上享有独特优势,并防止他人未经许可使用和复制。
3. 建设良性竞争环境:有效的专利技术保护可以减少恶意模仿和不公平竞争现象,为企业提供一个公平竞争的市场环境。
三、专利技术在装配式建筑中的应用1. 模块系统设计专利技术:模块化建筑是装配式建筑的核心,而在模块设计中,应用专利技术可以确保模块设计更加创新和高效,并提升整个建筑工程的质量和可持续性。
2. 新型连接方式专利技术:装配式建筑中的连接方式对整体结构的稳固性和安全性至关重要。
通过申请并运用新型连接方式专利技术,在施工过程中实现更可靠、高效的连接,从而保证建筑结构的稳定性。
3. 绿色环保技术专利:装配式建筑重视环境友好和节能减排,在施工过程中采用绿色环保技术能够降低能源消耗和环境污染。
通过申请相关专利并将其应用于装配式建筑领域,可以推动绿色环保理念在该行业得以实施。
4. 制造工艺与设备专利:装配式建筑需要大量先进的制造工艺与设备来实现高质量、高效率的生产。
在这方面申请并应用相应的制造工艺与设备专利技术,有助于提升生产流程和工艺,提高装配式建筑的整体质量。
四、专利技术保护策略1. 加强知识产权意识:企业应重视专利技术的保护,加强员工的知识产权意识,确保每个创新都能及时申请并得到保护。
2. 运用专利搜索与分析:在申请之前进行全面的专利搜索与分析,避免冲突和重复申请,并根据市场需求选择合适的专利策略。
3. 加强监督与执法:政府部门应当加强对装配式建筑领域的专利技术监督和执法力度,提供有效保护机制。
装配式建筑施工技术的专利与知识产权保护随着人们对绿色、可持续发展的追求,装配式建筑逐渐成为一种趋势。
装配式建筑是一种由预先制造好的模块组成的建筑方法,相比传统施工方式具有更快速、更高效、更节能等优势。
然而,随之而来的问题是如何保护装配式建筑领域中创新技术的专利和知识产权。
I. 装配式建筑施工技术的创新A. 装配式建筑带来的技术创新1. 模块化设计和定制化生产2. 可持续发展和环境友好性B. 装配式建筑相关领域中存在的创新技术1. 新型建材及生产工艺2. 系统集成和智能化控制II. 装配式建筑施工技术专利保护的重要性A. 法律意义上的专利保护1. 确立创新成果所有权2. 鼓励企业进行科研投入和技术开发B. 经济意义上的专利保护1. 提升企业核心竞争力2. 带动整个产业链的发展III. 装配式建筑施工技术专利申请与保护A. 制定合理的知识产权战略1. 定位核心技术及创新点2. 编制全面的发明创造名录和技术产品目录B. 积极申请专利和技术保密措施1. 提前申请国内外相关专利2. 实行必要的技术保密机制IV. 装配式建筑施工技术知识产权保护的挑战与应对措施A. 技术领域交叉性带来的挑战1. 需跨行业、跨学科进行联合创新2. 需加强各方之间的沟通与合作B. 国际标准和贸易壁垒对知识产权保护的影响1. 寻求国际间知识产权保护合作机制2. 加强国内相关法律法规的制定和完善V. 装配式建筑施工技术知识产权保护的推进途径A. 政府支持与政策引导1. 加大对装配式建筑行业的专项经费投入2. 完善相关法律法规和政策制度B. 行业自律管理与技术创新联盟的建立1. 增强行业凝聚力,共同应对挑战2. 促进技术集成和共享,提高整体创新能力VI. 装配式建筑施工技术知识产权保护的价值实现A. 技术转化与产学研结合1. 利用专利授权进行技术交易和转让2. 学术界与企业紧密合作,加速技术成果应用落地B. 增加装配式建筑科技产品出口和国际竞争力1. 提高装配式建筑产品标准合格率和质量认可度2. 推广装配式建筑施工技术到海外市场总结:随着装配式建筑施工技术的不断发展壮大,专利与知识产权保护变得至关重要。
装配式建筑施工技术的专利申请与保护引言:随着人们对绿色环保和高效节能建筑需求的不断增加,装配式建筑作为一种先进的施工技术被广泛应用。
然而,由于其独特性和创新性,装配式建筑面临着技术复杂、知识产权保护等诸多挑战。
本文将重点探讨装配式建筑施工技术的专利申请与保护,以帮助相关企业更好地保护自己的创新成果。
一、装配式建筑专利申请流程及要点1.1 了解专利类型在进行装配式建筑施工技术的专利申请前,首先需要了解各类专利类型。
通常包括发明专利、实用新型专利和外观设计专利。
发明专利主要用于技术方案或方法,实用新型专利则针对具体产品或设备的改进或创新,而外观设计专利则关注产品造型外观。
1.2 在理论层面提前准备好在向国家知识产权局提交申请之前,在理论上提前准备并确立自己的创新点。
装配式建筑是一个相对新兴的领域,理论上有许多尚未解决的问题。
因此,在发明专利申请中表达出在实践中解决这些问题的创意方案是非常重要的。
1.3 保护自己的技术先进性专利申请主要就是维护自己在某项技术上的先进性。
所以,为了使专利申请更具竞争力,可以考虑运用已有专利技术与自身技术进行对比,找到自己创新之处,并详细描述创新带来的技术优势。
二、装配式建筑施工技术专利的保护策略2.1 加强知识产权意识对于装配式建筑施工企业来说,加强知识产权意识至关重要。
只有真正认识到知识产权对企业创新和发展的积极推动作用,企业才能更好地应对外部风险和竞争挑战。
2.2 建立健全内部保护机制除了加强员工教育以提升知识产权保护意识外,企业还应建立完善的内部保密机制。
通过合理的技术控制和保密协议来确保技术信息的安全,从而避免内部信息泄露可能导致的商业风险。
2.3 合理运用布局设计专利装配式建筑在设计上有其特殊之处,因此可以通过布局设计专利来增强技术保护。
针对装配式建筑施工中使用的组件、连接方式、构造等方面进行专利申请,以确保自己在这些具体实施方案上享有独立权益。
2.4 加强海外知识产权布局随着装配式建筑施工技术的推广和市场需求的扩大,企业还应考虑加强对海外市场的知识产权保护。