【CN209855190U】装配式建筑外防护架【专利】
- 格式:pdf
- 大小:372.64 KB
- 文档页数:9
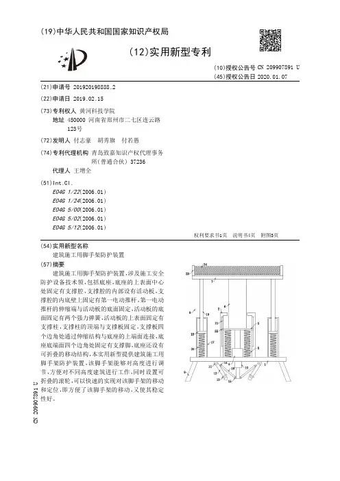
(19)中华人民共和国国家知识产权局(12)实用新型专利(10)授权公告号 (45)授权公告日 (21)申请号 201920198888.2(22)申请日 2019.02.15(73)专利权人 黄河科技学院地址 450000 河南省郑州市二七区连云路123号(72)发明人 付志豪 胡秀旗 付若愚 (74)专利代理机构 青岛致嘉知识产权代理事务所(普通合伙) 37236代理人 王增全(51)Int.Cl.E04G 1/22(2006.01)E04G 1/24(2006.01)E04G 5/00(2006.01)E04G 5/02(2006.01)E04G 5/12(2006.01)(54)实用新型名称建筑施工用脚手架防护装置(57)摘要建筑施工用脚手架防护装置,涉及施工安全防护设备技术领,包括底座,底座的上表面中心处固定有支撑腔,支撑腔的内部设有活动板,支撑腔的内底壁上固定有第一电动推杆,第一电动推杆的伸缩端与活动板的底面固定,活动板的底面固定有两个强力弹簧,活动板的上表面固定有支撑柱,支撑柱的顶端与支撑板固定,支撑板四个边角处通过伸缩结构与底座的上端面连接,底座底端面四个边角处固定有支撑脚,底座还设有可折叠的移动结构,本实用新型提供建筑施工用脚手架防护装置,该脚手架能够对高度进行调节,方便对不同高度建筑进行工作,同时设置可折叠的滚轮,可以快速的实现对该脚手架的移动和定位,即方便了该脚手架的移动,又使其稳定性好。
权利要求书1页 说明书4页 附图3页CN 209907891 U 2020.01.07C N 209907891U权 利 要 求 书1/1页CN 209907891 U1.建筑施工用脚手架防护装置,包括底座(1),其特征在于,所述底座(1)的上表面中心处固定有支撑腔(2),所述支撑腔(2)的内部设有与其相适配的活动板(3),所述活动板(3)可在支撑腔(2)的内部上下移动,所述支撑腔(2)的内底壁上固定有第一电动推杆(4),所述第一电动推杆(4)的伸缩端与活动板(3)的底面固定连接,所述活动板(3)的底面固定有两个相对称的强力弹簧(5),所述活动板(3)的上表面固定有支撑柱(6),所述支撑柱(6)的顶端贯穿支撑腔(2)的顶端并与支撑板(7)固定,所述支撑板(7)四个边角处通过伸缩结构(8)与底座(1)的上端面连接,所述底座(1)底端面四个边角处固定有支撑脚(9),所述底座(1)还设有可折叠的移动结构。
装配式建筑施工中工具式外防护架应用研究作者:邓星余来源:《中国房地产业·中旬》2021年第09期【摘要】在裝配式建筑施工过程中常采用工具式外防护架,其目的是为装配式建筑施工作业提供外围防护作用以及施工操作平台,保障施工人员安全。
本文针对装配式建筑施工中工具式外防护架的应用展开研究。
【关键词】装配式建筑;施工;工具式外防护架;应用【DOI】10.12334/j.issn.1002-8536.2021. 26.082在传统现浇混凝土结构施工中,常采用搭建悬挑脚手架作为外围防护体系,在搭建过程中应用到大量材料,搭建工作难度较大,全部工作完成需要消耗大量时间,拆除时危险性较大,质量、安全管控难度较大。
装配式混凝土结构一般是通过现场连接预制构件的方式形成外墙,其外围结构无需太复杂的施工作业工序,为进一步提升装配式建筑外防护体系的搭建效率,可采用工具式外防护架。
1、工程概况某工程建筑面积为16.75万m2,有7幢90m左右高层住宅,在国家住宅产业化政策指导下,为达到节能环保、节省施工时间和施工成本目的,此工程均采用装配式混凝土结构。
外墙、楼梯、阳台和部分内墙采用预制混凝土部品部件,在PC工厂制成成品混凝土部品部件,运输至施工现场,进行吊装、连接和部分现浇相结合而成整体。
2、外围护体系选型因为本工程是以装配式混凝土结构作为外墙,外墙体系是一个连贯的整体,在具体施工过程中不适合穿墙打洞作业或预留大量孔洞,因其与套筒连接钢筋打架碰撞,而且装配式混凝土结构不需要太过复杂的外墙粉刷和保温等作业工序,施工荷载较小,外脚手架只是发挥着外部围护的作用[1]。
在传统建筑工程中,设置传统悬挑式扣件钢管脚手架时,需进行大量穿墙孔洞作业,在一定程度上对外墙的整体性造成破坏,并且在具体搭建过程中存在诸多安全隐患,对施工人员人身安全造成威胁,不具备较好的经济性和安全性。
为使工程外围护工作中存在的困难得到解决,对本工程的特点和实际施工需要进行全面分析,根据分析结果确定选用工具式外挂防护架作为装配式混凝土结构的外围护体系,这种体系搭建过程比较简单,而且安全性较高,可节省大量施工成本,能够有效解决装配式混凝土结构现场吊装施工阶段安全防护问题,并且装配式混凝土结构吊装施工环节中存在的安全防护问题也能得到有效解决。
专利名称:一种装配式建筑施工防护设备专利类型:发明专利
发明人:唐太林
申请号:CN202111367905.9
申请日:20211118
公开号:CN114086826A
公开日:
20220225
专利内容由知识产权出版社提供
摘要:本发明提供一种装配式建筑施工防护设备,包括主体,所述主体的内部开设有凹槽,且凹槽中设置有两个防护板,两个所述防护板之间设置有联动组件,所述防护板的内侧开设有活动滑槽,所述活动滑槽中设置有活动滑块,所述活动滑块的外端安装有减震装置。
该装配式建筑施工防护设备,该装置通过设置防护板,当有一些不守纪律的人员试图攀爬防护装置,通过其攀爬在防护板上,基于其自身的重量带动防护板向下移动,基于联动组件的配合使用,促使另一块防护板形成向上移动的状态,从而达到增高防护板高度的目的,有效预防不守纪律的人员试图攀爬防护装置,有效避免造成一些不必要的损失,从而提升该防护装置的实用性。
申请人:唐太林
地址:247100 安徽省池州市江南产业集中区科技孵化园Z2综合楼408室
国籍:CN
更多信息请下载全文后查看。
(19)中华人民共和国国家知识产权局(12)实用新型专利(10)授权公告号 (45)授权公告日 (21)申请号 201920175667.3(22)申请日 2019.01.31(73)专利权人 班宁地址 253100 山东省德州市平原县平安西大街406号(72)发明人 班宁 (74)专利代理机构 北京权智天下知识产权代理事务所(普通合伙) 11638代理人 王新爱(51)Int.Cl.E04G 21/32(2006.01)(54)实用新型名称一种组装式建筑施工临边防护装置(57)摘要本实用新型属于建筑施工设备技术领域,具体涉及一种组装式建筑施工临边防护装置,其包括多个重复的排列单元,每个单元上具有防护架、固定座、防护栏组件,防护架与地面固定连接,固定座将防护栏组件连接在防护架上,连接装置连接相邻的防护栏将多个重复的排列单元连为一体,这些单元排列形成防护装置,防护栏组件在固定座内旋转不同的角度使防护栏组件与防护架之间具有不同的角度,由于施工现场情况不同,防护栏组件与防护架之间形成不同的角度可使整体防护装置变成不同的多边形形状,该防护装置能够适应不同的施工现场。
权利要求书1页 说明书3页 附图2页CN 209585674 U 2019.11.05C N 209585674U1.一种组装式建筑施工临边防护装置,包括多个重复的排列单元,每个单元包括防护架(1),其特征在于:还包括固定座(2)、防护栏组件(3),所述的相邻单元之间设置有连接装置(4),连接装置(4)与每个单元之间的防护栏组件(3)固定连接将相邻单元连接;所述的防护架(1)下端为底座(11),底座(11)上开设有第一通孔(111),底座(1)上端中间位置固定连接有垂直于底座(11)端面的第一支撑杆(12);所述的固定座(2)包括支撑杆连接板(21),所述的支撑杆连接板(21)上开设有第三通孔(211),第一支撑杆(12)的侧面上开设有螺孔,第三通孔(211)与螺孔共轴线,支撑杆连接板(21)中间部位向外侧突出形成半圆形凸起(22),半圆形凸起(22)上开设有第四通孔(221);所述的防护栏组件(3)包括旋转轴(31),旋转轴(31)上、下端均设置有环形凸起(32),旋转轴(31)上固定连接有多根管型的防护栏(33),防护栏(33)与旋转轴(31)连接处位于环形凸起(32)之间的旋转轴(31)上,防护栏(33)远离旋转轴(31)一端为带有防滑纹的防滑端(331),所述的环形凸起(32)抵接固定座(2)端面,旋转轴(31)与第四通孔(221)间隙配合;所述的连接装置(4)包括两端的卡箍(41)以及连接条(42),所述的连接条(42)与卡箍(41)外周固定连接,卡箍(41)内周与防护栏(33)的防滑端固定连接。
(19)中华人民共和国国家知识产权局(12)实用新型专利(10)授权公告号 (45)授权公告日 (21)申请号 201920391106.7(22)申请日 2019.03.26(73)专利权人 中国二十二冶集团有限公司地址 064000 河北省唐山市丰润区幸福道16号(72)发明人 孙明福 赵春梅 王雪峰 (74)专利代理机构 唐山永和专利商标事务所13103代理人 张云和(51)Int.Cl.E04G 3/28(2006.01)E04G 21/32(2006.01)(ESM)同样的发明创造已同日申请发明专利(54)实用新型名称装配式剪力墙结构可周转外防护架(57)摘要本实用新型涉及建筑施工领域,尤其是一种装配式剪力墙结构可周转外防护架及其施工方法,包括防护架本体,防护架本体由上、下横梁以及两侧边柱围成的框架结构,上、下横梁与两侧边柱之间设置有钢板网;防护架本体上设置有两个主立柱,防护架本体通过主立柱与预埋在墙体的支撑座连接,主立柱之间设置有悬挑边柱,悬挑边柱与主立柱之间设置有斜撑,防护架的顶部设置有吊环。
本实用新型操作简单,拆装速度快,能够减少外墙封堵施工工序,避免外墙渗水隐患。
权利要求书1页 说明书3页 附图5页CN 209703987 U 2019.11.29C N 209703987U权 利 要 求 书1/1页CN 209703987 U1.一种装配式剪力墙结构可周转外防护架,包括防护架本体,防护架本体由上、下横梁以及两侧边柱围成的框架结构,其特征在于:上、下横梁与两侧边柱之间设置有钢板网;防护架本体上设置有两个主立柱,防护架本体通过主立柱与预埋在墙体的支撑座连接,主立柱之间设置有悬挑边柱,悬挑边柱与主立柱之间设置有斜撑,防护架的顶部设置有吊环。
2.根据权利要求1所述的装配式剪力墙结构可周转外防护架,其特征在于:主立柱由固定立柱和独立立柱组成,固定立柱的两端分别与上横梁、下横梁固定连接,独立立柱分别通过其两端设置的挂钩与防护架本体连接。
(19)中华人民共和国国家知识产权局
(12)实用新型专利
(10)授权公告号 (45)授权公告日 (21)申请号 201920607733.X
(22)申请日 2019.04.29
(73)专利权人 中冶建工集团有限公司
地址 400084 重庆市大渡口区西城大道1号
(72)发明人 郭江 姜国祥 刘博 范彬
朱华川 韩君
(74)专利代理机构 重庆博凯知识产权代理有限
公司 50212
代理人 李海华
(51)Int.Cl.
E04G 3/20(2006.01)
E04G 5/04(2006.01)
E04G 5/00(2006.01)
(ESM)同样的发明创造已同日申请发明专利
(54)实用新型名称
装配式建筑外防护架
(57)摘要
本实用新型涉及一种装配式建筑外防护架,
包括水平的踏板,踏板的下表面连接有至少两个
三角架以用于连接墙体,各三角架沿踏板的长度
方向间隔设置,踏板的上表面连接有竖向的正护
板;三角架包括相连呈倒L形的竖向架板和水平
架板,水平架板与踏板的下表面连接,竖向架板
与踏板的靠墙侧面平齐,正护板与踏板的靠墙侧
面的相对侧面平齐;竖向架板上竖向间隔开设有
两个通孔以供穿墙螺栓穿过,竖向架板上还连接
有与通孔一对一配对使用的柔性绳索,柔性绳索
的一端与竖向架板相连,另一端连接有螺母,螺
母在因与柔性绳索相连而受限的活动范围内可
与对应的通孔相对应。
本实用新型可保持螺母与
架体的连接,可取得施工更方便、提高安全性的
效果。
权利要求书1页 说明书4页 附图3页CN 209855190 U 2019.12.27
C N 209855190
U
权 利 要 求 书1/1页CN 209855190 U
1.装配式建筑外防护架,包括水平的踏板(1),所述踏板(1)的下表面连接有至少两个三角架(2)以用于连接墙体,各三角架(2)沿踏板(1)的长度方向间隔设置,所述踏板(1)的上表面连接有竖向的正护板(3);所述三角架(2)包括相连呈倒L形的竖向架板(21)和水平架板(22),所述水平架板(22)与踏板(1)的下表面连接,所述竖向架板(21)与踏板(1)的靠墙侧面平齐,所述正护板(3)与踏板(1)的靠墙侧面的相对侧面平齐;其特征在于:所述竖向架板(21)上竖向间隔开设有两个通孔(211)以供穿墙螺栓穿过,所述竖向架板(21)上还连接有与通孔(211)一对一配对使用的柔性绳索(4),所述柔性绳索(4)的一端与竖向架板(21)相连,另一端连接有螺母(5),所述螺母(5)在因与柔性绳索(4)相连而受限的活动范围内可与对应的通孔(211)相对应以便与穿过通孔(211)的穿墙螺栓相栓接。
2.根据权利要求1所述装配式建筑外防护架,其特征在于:所述踏板(1)的下表面凸起设有防雷接线耳环(11)。
3.根据权利要求1所述装配式建筑外防护架,其特征在于:所述正护板(3)的外侧面的两端分别凸起设有连接耳环(31),任一连接耳环(31)上活动连接有金属挂钩(32)。
4.根据权利要求3所述装配式建筑外防护架,其特征在于:所述连接耳环(31)水平设置,所述金属挂钩(32)包括直段钢筋(321),所述直段钢筋(321)的一端折弯成圆圈状(322)并套在连接耳环(31)上,另一端垂直折弯形成挂钩部(323),所述挂钩部(323)和圆圈状(322)在同一平面上折弯以便转动并钩挂。
5.根据权利要求1所述装配式建筑外防护架,其特征在于:在踏板(1)的上表面四个角位置分别设有吊环(12)以便起吊外防护架。
6.根据权利要求1所述装配式建筑外防护架,其特征在于:所述螺母(5)包括螺母本体(51),所述螺母本体(51)的一端面周围设有凸沿(52),所述凸沿(52)上水平间隔开设有两个穿孔(521),所述穿孔(521)内活动穿设有制转螺栓(6),所述制转螺栓(6)的螺杆端连接在竖向架板(21)上,所述通孔(211)和穿孔(521)均为腰形槽且其开槽长度方向同向以便于与墙体连接位置的微调。
7.根据权利要求1所述装配式建筑外防护架,其特征在于:所述竖向架板(21)为槽钢(7),包括腹板(71)和两翼板(72),腹板(71)与所述踏板(1)的靠墙侧面平齐,所述通孔(211)开设在腹板(71)上;所述螺母(5)包括螺母本体(51),所述螺母本体(51)的一端面周围设有凸沿(52),所述凸沿(52)的外形为正方形,正方形的边长与两翼板(72)内侧面之间的间距对应以配合并起到制转作用;所述通孔(211)为腰形槽且其开槽长度方向与槽钢(7)的长度方向同向以便在竖向上微调与墙体的连接位置。
8.根据权利要求1所述装配式建筑外防护架,其特征在于:所述柔性绳索(4)为铁链。
2。