ZW真空断路器技术协议
- 格式:docx
- 大小:39.14 KB
- 文档页数:16
ZW32-20新型户外智能型高压永磁真空断路器技术规范书1.概述ZW32-12/M型永磁真空断路器采用了独特设计的永磁机构和高可靠性的智能控制器构成。
该装置主要应用于中压架空线电网,作为分、合负荷电流、过载电流、短路电流之用,并具有0~3次自动重合闸。
◆极高的可靠性◆在整个寿命期间完全免维护◆具有高机械寿命和电寿命◆整机体积小,重量轻,便于安装◆具有标准继电保护和快速自动重合闸功能1.1 使用条件☐周围空气温度:-30℃~+60℃;☐海拔高度:不超过3000米;☐风速不超过34m/s;☐来自开关设备和控制设备外部的振动或地动是可以忽略的;☐污秽等级:Ⅳ级;☐储存温度-40℃~+85℃。
1.2 技术参数断路器的主要技术参数序号项目单位数值1 额定电压kV 122 额定电流 A 6303 额定频率Hz 50或604 工频耐压1min(湿)(干)kV 30 42/49相间、对地/断口5 雷电冲击耐受电流(峰值)kV 75/85相间、对地/断口6 额定短路开断电流kA 207 额定短路关合电流(峰值)kA 508 额定峰值耐受电流kA 509 4S短时耐受电流kA 2010 额定操作循环分-0.1s-合分-3s-合分-6s合分-60s恢复11 额定短路电流开断次数次3012 机械寿命次3000013 永磁机构控制电压V DC22014 二次回路1min工频耐压KV 2断路器的主要机械参数序号参数名称单位数据1 触头开距 mm 9±12 触头超行程 mm 2.5±0.53 分闸速度 m/s 1±0.24 合闸速度 m/s 0.6±0.25 触头合闸弹跳时间 ms ≤26 相间中心距离 mm 340±1.57 三相分合闸不同期性 ms ≤28 各相导电回路电阻 μΩ <809 合闸时间 ms 25~45 10 分闸时间 ms 20~45 11重量Kg约90控制器主要技术指标2 断路器结构及工作原理ZW32-12/M 型真空永磁断路器主要由集成固封极柱、电流互感器、永磁操动机构及电 磁 兼 容 特 性绝缘电阻 ≥10M Ω 绝缘强度2.5kV电压突降和中断 100%、0.5s IEC 1000-4-1 高频干扰串模 1.5kVP IEC 60870-2-2:1996 共模2.5kVP IEC 60870-2-2:1996 瞬变脉冲群 4.0kVP ,1min IEC 60870-2-2:1996 浪涌干扰 4.0kVP ,1min IEC 60870-2-2:1996 静电放电 8kV IEC 60870-2-2:1996 工频磁场 100A/m IEC 1000-4-8 阻尼震荡 100A/m IEC 1000-4-8 冲击电压 5kV ,1.2/50μs IEC 60870-2-2:1996 电 源 工作电源 AC220V 或100V 功耗 ≤10W 频率 50Hz 或60Hz 额 定 值电流互感器 5A ,功耗<1.0VA/相 电压互感器 220V ,功耗<0.5VA/相 频率 50Hz 或60Hz保护性能参数 速断保护范围 (20%~2000%)ⅹIn 连续可调,分辨率0.01A 过流保护范围(20%~2000%)ⅹIn 连续可调,分辨率0.01A 过流保护延时0s ~99.99s 连续可调,分辨率0.01s 重合闸次数 0~3次 可自由设置重合次数 重合闸间隔0s ~999.9s 连续可调,分辨率0.1s 防护等级 不锈钢304户外壳体 不低于IP54 平均无故障时间 MTBF不低于80,000h箱体组成。
技术说明产品型号:ZW32-12F/630-20 产品名称:户外智能真空断路器浙江永固输配电设备气有限公司ZW32-12F户外智能真空断路器一、概述ZW32-12F型户外智能真空断路器为额定电压12KV,三相交流50Hz的户外配电设备。
主要用于开断、关合电力系统中的负荷电流、过载电流及短路电流。
适用于变电站及工矿企业配电系统中作保护和控制之用更适合用于城市、农村电网建设改造及频繁操作的场所。
该断路器带有隔离刀闸,有明显的隔离断口,自带PT可供断路器储能及操作电源,内置遥控控制器,有良好的涌流保护、过电流保护及故障瞬动功能和涌流延时功能。
射频遥控在50米内可以准确分合,并能防止误动作。
带有合成零序保护,具有自备操作电源AC220V自备电压回路有高压保险。
与控制器联接可以达到四遥远方通讯、三段式过流保护、三次重合闸以及零序电流保护功能。
故障事件记录并追忆功能。
二、适用工作环境1)安装地点海拔高度不超过1500m。
(超过1500m在工艺上加海拔修正系数)2)周围环境温度最高+40℃,最低-25℃。
3)相对湿度在周围环境温度为+25℃时,日平均相对不超过95%,月平均相对湿度不超过90%。
4)地震烈度不超过8度。
5)风压:不超过700Pa(相当于风速34m/s);6)振幅:无经常性剧烈震动场所;7)防污染等级Ⅳ级三、执行标准GB11022 《交流开关设备通用技术条件》GB311.7-1989 《高压输变电设备的绝缘配合》DL/T593-1996 《高压开关设备的共用定货技术条件》DL/T402-2007 《高压交流断路器订货技术条件》DL/T403 《12~40.5KV高压真空断路器订货技术条件》GB5583 《互感器局部放电测量》GB1984 《高压断路器》GB1207 《电压互感器》GB1208 《电流互感器》GB3804-90 《3-63kV交流高压负荷开关》GB/T16927.1 《高压试验技术》GB156-93 《标准电压》GB2706 《交流高压电器动热稳定试验方法》GB763 《交流高压电器在长期工作时的发热》GB5582 《高压电力设备外绝缘污秽等级》GB2900 《电工名词术语》GB5273 《变压器、高压电器和套管的接线端子》GB191 《包装储运标志》DL/T615 《交流高压断路器参数选用导则》DL/T620 《交流电气装置的过电压保护和绝缘配合》SD176-86 《3~500KV交流电力系统金属氧化物避雷器技术条件》DL/T486-2000《交流高压隔离开关接地开关订货技术条件》DL/T813-2002《12KV高压交流重合器技术协议》DL/T5222-2005《导体和电器选择设计技术规定》DL/T726-2002 《电力用电压互感器订货技术条件》四、ZW32-12F户外高压真空开关主要技术特征真空断路器1.同型号真空断路器所配用的真空灭弧室,其安装方式、端部联结方式及联结尺寸全部统一,完全保证了真空灭弧室的互换性。
XX市XX区XX年10kV及以下配网工程10kV柱上真空断路器自动投切型(智能型)技术协议书XXXX电力设计院XX年XX月前附表设备供货及需求一览表序号项目名称物资名称规格型号数量单位备注1 XXX改造工程10kV真空柱上断路器,630A,自动投切型ZW32-12/630-20 1.0 组双侧隔离2 XXX改造工程10kV真空柱上断路器,630A,自动投切型ZW32-12/630-20 1.0 组双侧隔离3 XXX改造工程10kV真空柱上断路器,630A,自动投切型ZW32-12/630-20 1.0 组双侧隔离4 XXX改造工程10kV真空柱上断路器,630A,自动投切型ZW32-12/630-20 1.0 组双侧隔离5 XXX改造工程10kV真空柱上断路器,630A,自动投切型ZW32-12/630-20 1.0 组双侧隔离6 XXX改造工程10kV真空柱上断路器,630A,自动投切型ZW32-12/630-20 1.0 组双侧隔离7 XXX改造工程10kV真空柱上断路器,630A,自动投切型ZW32-12/630-20 1.0 组双侧隔离8 XXX改造工程10kV真空柱上断路器,630A,自动投切型ZW32-12/630-20 1.0 组双侧隔离合计8组目录1总则 (1)2规范性引用文件 (1)3使用条件 (2)4一般要求 (2)5功能及技术要求 (3)5.1柱上断路器技术参数 (3)5.2断路器本体技术要求 (4)5.3配组CT、PT及接口部件技术要求。
(5)5.4控制箱(器)技术要求 (6)5.5柱上断路器在放射型线路结构短路故障时的工作原理 (7)6试验及验收要求 (7)6.1断路器开关本体 (7)6.2电流互感器(CT) (9)6.3单相电压互感器(PT) (9)6.4控制箱(器) (9)6.5安装、调试、试运行和验收 (10)7供货清单 (11)7.1一般规定 (11)7.2供货范围(每组设备配置) (11)8包装、运输和存储 (12)9技术文件 (13)10服务及培训要求 (13)11.1工程联络会 (13)11.2售后服务 (13)11.3技术培训 (13)11交货时间及地点 (14)12备品备件及专用工具 (14)12.1备品备件 (14)12.2易损件 (14)12.3专用工具 (15)13差异表 (15)1总则1.1本技术协议书适用于云南电网公司基建配网工程玉溪供电局2014年农网项目的中标产品技术要求。
10kV户外柱上真空断路器技术协议书辽宁润之峰科技有限公司新乡市裕诚电气有限公司2015年03月1 总则1.1 一般规定1.1.1 规定10kV 户外柱上真空断路器应遵循的基本技术原则,包括户外柱上真空断路器型式、技术性能、本体和附件结构、设计联络、工厂监造和检验、引用标准、使用条件、提供技术文件和数据、协调和配合、以及户外柱上真空断路器的具体技术参数和要求等内容。
1.1.2 本协议书不拟对设备的细节作详细的规定,供方须提供满足本协议书和工业标准的高质量10kV 户外柱上真空断路器。
1.1.3 本设备技术协议书所使用的标准如遇与卖方所执行的标准不一致时,应按较高标准执行。
1.1.4 本设备技术协议书经买、卖双方确认后,与合同正文具有同等的法律效力。
1.1.5 本设备技术协议书中涉及有关商务方面的内容,如与商务部分有矛盾时,以商务部分为准。
1.1.6 本设备技术协议书未尽事宜,由买、卖双方在合同技术谈判时双方协商确定。
1.2 引用标准本技术协议书未提及的内容均应符合以下的国家、行业和企业的标准及规范,但不仅限于此,若标准之间出现矛盾时,以较高标准为准。
选用标准应为签定合同时的最新版本。
断路器及隔离开关部分:DL/T402—1999 交流高压断路器订货技术条件DL/T486-2000 交流高压隔离开关订货技术条件DL/T593—1996 高压开关设备的共用订货技术导则智能控制终端部分:1.2.1 本协议书提出的断路器能够适应内蒙地区冬季寒冷、夏天炎热、昼夜温差大等恶劣环境;控制设备同样具备在恶劣环境下稳定运行的能力。
1.2.2 需方在本协议书中提出了最低限度的技术要求,并未规定所有的技术要求和适用的标准,供方应提供一套满足本协议书和所列标准要求的高质量产品及其相应服务。
1.2.3 在技术协议书中断路器任何组件和装置,如果在相关文件中未专门提到或遗漏,但对于构成一个完整的、性能良好的相关断路器设备为必不可少的,或者对于输电线路安全、稳定运行及改善运行品质是必要的,或施工、安装、调试和运行过程中易损坏的零部件(不限于此) ,供方应予以提供,其费用包括在相应的设备总价中。
;户外柱上高压永磁真空断路器ZW32-12带隔离刀闸通用技术参数及要求主要技术参数
智能控制器技术要求:
1、集成控制、监视、信号、测量、事件记录、故障判断、保护等多种功能;执行和操作机构简单..
2、操作面板配有LED指示;直观反映设备运行信息以及各保护动作状态;
操作面板配有合、分闸操作按键;手动复归按键;方便操作开关合分;
操作面板配有液晶以及功能按键;可方便修改各保护定值;并查看各种状态和测量值.. 3、完善的保护功能
电流速断保护
限时电流速断保护
定时限过流保护
反时限保护段
自动重合闸保护重合闸闭锁;重合闸后加速;多达三次重合闸
手合加速段保护
冷负荷启动保护:防励磁涌流保护
零序电流保护
配备备用电源;两组电源开关、一组电池激活按钮、一组电源插座盘
4、具有外部跳闸功能用于磁卡表控制
5、配备遥控器
其他技术要求:
1、开关控制器等全部使用不锈钢外壳;全部符合国家及行业技术规范
2、12-15米杆通用开关L63*6单杆安装架构、控制器安装架构
3、操作灵活、方便:电动储能;电动分合;同时具有手动储能;手动分合;并能近距离或远距离操作..
4、10米控制电缆;航空插头
5、带高压刀闸:10kV;1250A
6、带PT电源..。
ZW32M-12永磁真空断路器技术协议ZW32M-12高压永磁智能真空断路器 (智能型分支/分界开关、看门狗)订货技术协议供方: 需方: 单位名称: (盖章) 单位名称: (盖章) 代表签字: 代表签字: 签字日期: 签字日期:ZW32M-12高压永磁智能真空断路器订货技术协议1 适用范围本技术协议适用于 10kV用户分支/分界开关、看门狗的招标通用订货规范,是相关设备通用订货合同的技术条款。
2 适用标准GB 1984-2003 《高压交流断路器》GB 11022-1999 《高压开关设备和控制设备标准的共用技术条件》GB 3906-2006 《3.6KV~40.5KV交流金属封闭开关设备和控制设备》DL/T 721-2000 《配电网自动化系统远方终端》供货方应使用最新颁布执行的标准,在供货方同意时可以使用其他性能更高的标准。
行业标准中已对产品质量等作出规定的条款,供货方所提供的产品性能应达到优等品的标准。
当以上标准中的条款与本技术协议发生偏差时,应以本技术协议为准。
3 供货范围3.1 设备名称高压永磁智能真空断路器 ZW32M-12/630-20 数量: 台数量: 台 3.2 单套设备主要材料明细序号型号名称数量备注1 XT-ZW32 ZW32M开关本体 1台不锈钢壳体2 TD104E 真空灭弧室 3只内置于壳体3 YC-ZW 永磁机构 1个内置于壳体4 PT 电压互感器(含熔断器) 1只内置于壳体5 CKZ-300 智能控制装置 1台不锈钢壳体6 GSM/GPRS,300 GSM/GPRS,30通讯模块 1个内置于控制装置7 开关本体、智能控制装置安装支架 1套 4 主要技术要求4.1 使用环境条件序号项目参数值1 环境温度1.1 最高气温(?) 501.2 最低气温(?) -401.3 最大日温差(K) 352 海拔(?m) 2000223 太阳辐射强度(?W/cm) 0.1 4 污秽等级 ? 5 覆冰厚度(?mm) 10 6 风速(?m/s) 34 7 风压(?Pa) 700 8 湿度8.1 日相对湿度平均值(?,) 95 8.2 月相对湿度平均值(?,) 90 9 耐受地震能力9.1 水平加速度(g) 0.3g 9.2 垂直加速度(g) 0.2g4.2 断路器性能参数要求序号项目参数值 1 额定电压 12kV 2 额定电流 630A 3 额定频率 50Hz 4 额定短路关合电流(峰值) 50kA 5 额定短时耐受电流持续时间 4s 6 额定短时耐受电流 20kA 7 额定峰值耐受电流 50kA 8 额定短路开断电流 20kA 9 额定短路电流开断次数 30次干试 42kV 10 1min工频耐压湿试 34kV 11 雷电冲击耐压(峰值) 75kV 12 动静触头允许磨损累计厚度 3mm 13 控制回路电源电压 AC220V 14 电流互感器变比 1000:1 15 机械寿命 10000次16 断路器触头开距 9?1mm317 断路器触头超程 3?1mm18 主回路电阻?200μΩ19 三相分闸同期性 ?1.5ms20 三相合闸同期性 ?2ms21 平均分闸速度 1.1?0.2m/s22 平均合闸速度 0.8?0.2m/s23 合闸时间 ?60ms24 分闸时间 ?60ms4.3 控制装置参数配置表参数设置设置范围出厂预值备注电流变比 1000:1 1000:1电压等级 6kV或者10kV 10kV 按实设置即速断保护定值是过流保速断设置 1—10倍 2倍护定值的2倍。
10kV户外柱上真空断路器技术协议书辽宁润之峰科技有限公司新乡市裕诚电气有限公司2015年 03月1 总则1.1 一般规定1.1.1规定10kV 户外柱上真空断路器应遵循的基本技术原则,包括户外柱上真空断路器型式、技术性能、本体和附件结构、设计联络、工厂监造和检验、引用标准、使用条件、提供技术文件和数据、协调和配合、以及户外柱上真空断路器的具体技术参数和要求等容。
1.1.2本协议书不拟对设备的细节作详细的规定,供方须提供满足本协议书和工业标准的高质量10kV 户外柱上真空断路器。
1.1.3 本设备技术协议书所使用的标准如遇与卖方所执行的标准不一致时,应按较高标准执行。
1.1.4本设备技术协议书经买、卖双方确认后,与合同正文具有同等的法律效力。
1.1.5本设备技术协议书中涉及有关商务方面的容,如与商务部分有矛盾时,以商务部分为准。
1.1.6 本设备技术协议书未尽事宜,由买、卖双方在合同技术谈判时双方协商确定。
1.2 引用标准本技术协议书未提及的容均应符合以下的国家、行业和企业的标准及规,但不仅限于此,若标准之间出现矛盾时,以较高标准为准。
选用标准应为签定合同时的最新版本。
断路器及隔离开关部分:DL/T402—1999 交流高压断路器订货技术条件DL/T486-2000 交流高压隔离开关订货技术条件DL/T593—1996 高压开关设备的共用订货技术导则智能控制终端部分:1.2.1本协议书提出的断路器能够适应蒙地区冬季寒冷、夏天炎热、昼夜温差大等恶劣环境;控制设备同样具备在恶劣环境下稳定运行的能力。
1.2.2需方在本协议书中提出了最低限度的技术要求,并未规定所有的技术要求和适用的标准,供方应提供一套满足本协议书和所列标准要求的高质量产品及其相应服务。
1.2.3在技术协议书中断路器任何组件和装置,如果在相关文件中未专门提到或遗漏,但对于构成一个完整的、性能良好的相关断路器设备为必不可少的,或者对于输电线路安全、稳定运行及改善运行品质是必要的,或施工、安装、调试和运行过程中易损坏的零部件(不限于此),供方应予以提供,其费用包括在相应的设备总价中。
Z W真空断路器说明书集团企业公司编码:(LL3698-KKI1269-TM2483-LUI12689-ITT289-1.概述ZW7-40.5系列户外高压交流真空断路器(以下简称“断路器”)是三相交流50Hz的户外高压开关设备;配用CT19BW型弹簧操动机构或CD型电磁操动机构,适用于35kV输配电系统的控制和保护;本产品具用开断能力大、安全可靠、可频繁操作、少维护等优点;也可用于联络断路器、切空载长线用开合电容器组的场合。
断路器符合GB1984-2003《交流高压断路器》和IEC62271-100:2001《交流高压断路器》等国家及国际标准。
2.型号及含义3.使用条件3.1正常使用条件a)周围空气温度不超过40℃,且在24h内测得的平均值不超过35℃;最低周围空气温度为-25℃。
b)应当考虑高达1000W/m2(睛天中午)阳光辐射的影响。
c)海拔:不超过2000m。
D)周围空气可以受到尘埃、烟、腐蚀性和/或可燃性气体、蒸气或盐雾的污染;污秽等级不超过GB/T5582中Ⅲ级。
e)风速不超过34m/s.F)来自开关设备和控制设备的振动或地动是可以忽略的。
g)在二次系统中感应的电磁干扰幅值不超过1.6KV。
3.2如超出上述正常使用条件,由用户与制造厂协商。
上海昌开电器有限公司4.技术参数4.1断路器主要技术参数4.2断路器装配调整参数5.结构和工作原理5.1?该断路器结构为瓷瓶支柱式,上瓷瓶为灭弧室瓷瓶,内装真空灭弧室,下瓷瓶为支柱瓷柱,三相瓷瓶共装在一个结构箱上,灭弧室动端通过拐臂、绝拉杆与弹簧机构的输出轴相联。
弹簧机构及断路器联结的联杆在一个防水的机构箱内。
该产品主要由真空灭弧室、电流互感器、传动机构及弹簧操动机构组成。
5.1.1?断路器灭弧室灭弧室是断路器的主要部件,如图1所示。
断路器配所配用真空灭弧室,具有极高的真空度,由于灭弧室触头为CuCr50材料,采用杯状纵磁场结构,因而具有开断容量大、绝缘水平高、灭弧能力强、寿命长、体积小等特点和维护简单、无爆炸危险、无污染、噪音低等优点。
ZW32-12型10kV户外真空断路器技术协议需方:供方:1 范围本技术协议提出了ZW32型真空断路器的技术要求,主要包括设备的执行标准、使用环境、主要技术参数、结构、性能等方面的内容,供方应保证提供符合本协议的产品。
2 引用标准GB1984-2003 高压交流断路器GB3309-1989 高压开关设备常温下的机械试验GB/T5465.2-1996 电气设备用图形符号GB5582-1993 高压电力设备外绝缘污秽等级GB7354-1987 局部放电测量GB11022-1999 高压开关设备和控制设备标准的共用技术要求GB/T16927.1-1999 高电压试验技术第一部分:一般试验要求DL402-1999 交流高压断路器订货技术条件DL403-2000 12kV~40.5kV高压真空断路器订货技术条件3 使用环境条件──周围空气温度上限不超过40℃,下限不超过—45℃;──风速不大于35m/s;──海拔不高于2000m;──地震烈度不超过8度;──环境湿度:月平均相对湿度不大于90%;日平均相对湿度不大于95%;──安装场所应没易燃、爆炸、化学腐蚀物质及经常性剧烈振动;──污秽等级:Ⅳ级。
4 主要技术参数4.1断路器技术参数:见表1。
4.2 断路器调整后应达到的机械特性参数:见表2。
表1表25 结构要求5. 1 断路器外壳采用2mm不锈钢板。
5. 2 断路器装有M12的保护接地装置,并按GB/T5465.2规定标志符号。
5. 3 辅助回路端子和辅助开关的绝缘,应具有不漏电和防潮性能。
5. 4 断路器在长期工作时的温升值应符合GB/T11022的规定。
5. 5 断路器的机械特性参数应符合本标准表2的规定。
5. 6 断路器的机械操作次数:机械操作寿命应达到10000次。
5. 7 断路器应具有20kA的短路开断、50kA短路关合、以及表1规定的额定短路电流的开合能力,同时还应具有异相接地条件下的开断能力。
35kV 户外真空开关技术协议书2016年 2 月 26 日1.总则本设备技术协议适用于 35kV 真空断路器,它提出了该断路器本体及附属设备的功能设计、结构、性能、安装和试验等方面的技术要求。
本设备技术协议提出的是最低限度的技术要求。
凡本技术协议中未规定,但在相关设备的国家标准或 IEC 标准中有规定的规范条文,卖方应按相应标准的条文进行设备设计、制造、试验和安装。
如果卖方没有以书面形式对本技术协议的条文提出异议 , 则买方认为卖方提供的设备完全符合本技术协议的要求。
本技术协议所建议使用的标准如与卖方所执行的标准不一致,卖方应按较高标准的条文执行或按双方商定的标准执行。
本技术协议未尽事宜 , 由买、卖双方协商确定。
2.工作范围2.1 从生产厂家至买方的运输由卖方完成。
2.2 现场安装由买方完成,买房如需卖方协助安装,另行协商。
技术文件(随产品提供)卖方在订货前应向买方提供一般性资料 , 如产品说明书、总装图和主要技术参数等。
以下资料随产品提供:a. 组装图 : 应表示设备总的装配情况, 包括外型尺寸、设备的重心位置与总质量、受风面积、运输尺寸和质量,控制柜位置,电缆入口位置,端子尺寸及其它附件;b.基础图:应标明设备和其控制柜的尺寸、基础螺栓的位置和尺寸、设备的静态负荷及操作时的动态负荷等 ;c.电气原理图:应包括设备控制柜及操动机构的内部接线和远方操作用的控制、信号、照明等交流及直流回路 ;设备供货时提供下列资料: 设备的开箱资料除了条所述图纸资料外, 还应包括安装、运行、维护、修理等实用说明书, 部件清单 , 工厂试验报告 , 产品合格证等。
3.技术要求应遵循的主要现行标准:GB156-93《额定电压》《高压输变电设备的绝缘配合》GB/ 《电工术语高压开关设备》DL/T 403-2000 《12kV ~高压真空断路器订货技术条件》GB4473-1996 《交流高压断路器的合成试验》《交流系统用高压绝缘子人工污秽试验方法固定层法》GB7354-87 《局部放电测量》DL/T593-1996 《高压开关设备的共用订货技术条件》DL/T615-1997 《交流高压断路器参数选用导则》DL/T402-1999 《交流高压断路器订货技术条件》JB 8738-1998 《~交流高压开关设备真空灭弧室》以及其它相关标准。
附件2:技术协议书电力设备/材料采购合同合同编号:工程名称:货物名称:35KV真空断路器买方:卖方:石家庄科林电气设备有限公司项目单位:设计单位:签订时间:签订地点:35kV真空断路器技术协议1、总则:1.1本技术协议的使用范围仅限于35kV真空断路器的订货。
主要包括设备的使用条件、主要技术参数、结构、性能、试验、包装、运输、及所需技术资料等方面的内容。
1.2本协议书提出的是最低限度的技术要求,并未对一切技术细节作出规定,也未充分引述有关标准和规范条文。
供方应提供符合规范书的优质产品。
1.3如供方未以书面形式对本技术协议的条文提出异议,供方提供的产品应完全满足本技术协议的要求。
1.4本协议书所使用的标准及规定如与供方所执行标准不一致时,应按水平较高标准执行。
1.5本协议书经供需双方确认后作为合同的技术附件,与合同正文具有同等法律效力。
随合同一起生效。
1.6本协议书未尽事宜,双方协商确定。
2、应遵循的标准:设备制造满足下列规范和标准:其中所示版本为相应最新版本。
GB1984-2003 《高压交流断路器》GB11022-1999 《高压开关设备和控制设备标准的共用订货技术条件》GB 50150 《电气装置安装工程电气设备交接试验标准》DL/T 402-1999 《交流高压断路器订货技术条件》DL/T 593-1996 《高压开关设备的共用订货技术导则》IEC 62271-100 《高压交流断路器》DL/T 403-XXXX 《12~40.5kV高压真空断路器订货技术条件》DL/T 615-1997 《交流断路器参数选用导则》JB3855-1996 《3.6~40.5kV户内交流高压真空断路器》GB3309-89 《高压开关设备常温下的机械试验》GB2706-89 《交流高压电器动、热稳定试验方法》GB5465.2 《电气设备用图形符号》JB/DQ2080 《高压开关设备防雨试验方法》GB/T1627-1997 《高压试验技术》GB311.1-1997 《高压输变电设备的绝缘配合》GB763-1990 《交流高压电器在长期工作时的发热》GB191 《包装储运标志》IEC56 《高压交流断路器》其它有关现行标准。
ZW32真空断路器说明书,由浙江高耀电气有限公司提供,ZW32真空断路器说明书里面包括了,ZW32真空断路器型号含义和ZW32真空断路器使用条件,ZW32真空断路器参数,ZW32真空断路器,ZW32真空断路器安装尺寸,及ZW32真空断路器动作原理,ZW32真空断路器安装与维护等,如果觉得好或还算全面,可以下给我们评价,这样我们才能力量拿出更好的做品出来分享,谢谢!ZW32-12型户外柱上高压真空断路器1. 概述ZW32-12系列户外交流高压真空断路器(以下简称“断路器”)系三相交流50Hz户外高压开关设备,主要用于农网和城网的10kV户外配电系统,作为分、合负荷电流、过载电流及短路电流之用;也可用于其它类似场所。
ZW32-12系列户外交流高压真空断路器符合国家GB 1984《交流高压断路器》和国际电工委员会IEC 60056《高压交流断路器》等标准。
2. 型号及含义3. 使用条件3.1 正常使用条件a) 周围空气温度: -40℃~+40℃;b) 海拔高度: 不超过2000m;c) 周围空气可以受到尘埃、烟、腐蚀性气体、蒸汽或盐雾的污染;d) 风速不超过34m/s(相当于圆柱表面上的700Pa);e) 来自开关设备和控制设备处部的振动或地动是可以忽略的;f) 污秽等级:Ⅲ级。
3.2 特殊使用条件断路器可以在不同于以上规定的正常使用条件下使用,这时用户的要求应和制造厂家进行协商,并取得一致的意见。
3.3 如超出上述正常使用条件,由用户与制造厂协商。
4. 技术参数4.1 断路器主要技术参数4.2 断路器装配调整参数4.3 CTB弹簧操动机构主要技术参数4.4 带隔离开关的ZW32户外真空断路器,除满足表1、表2的要求外,隔离开关部分还应满足表4的要求5. 断路器结构特点5.1 断路器采用三相支柱式结构,具有开断性能稳定可靠、无燃烧和爆炸危险、免维修、体积小、重量轻和使用寿命长等特点。
5.2 断路器采用全封闭结构,密封性能好,有助于提高防潮、防凝露性能,特别适用于严寒或潮湿地区使用。
一、概述
ZW10-12系列户外高压真空断路器是三相交流户外高压开关设备,主要用于12KV等级,额定电流630A,
额定频率50HZ的农网、城网、矿山、铁道、港口的配电系统,特别适用于户外架空线路,分合负荷电流、
过载电流、短路电流,对电网进行切换和保护。
断路器可根据用户需要配装隔离开关,产品内部可装设电压互感器作为操作电源用。
断路器整体结构为本相共箱式,壳体密封,内部采用复合绝缘结构,具有抗凝露、抗污秽的特点,
绝缘水平高。
ZW10-12户外柱上真空断路器是由ZW10-12断路器与隔离刀组合而成的,称为组合
断路器,可作为分
段开关使用。
本系列产品的操动机构为CT23型弹簧储能操动机构,分为电动和手动而成。
二、使用环境条件
1、周围空气温度:上限+40度,下限—40度;
2、海拔:≤2000m(若海拔增高,则额定绝缘水平相应提高);
3、风压:不超过700Pa(相当于风速34m/s);
4、地震烈度:不超过8度;
5、污秽等级:Ⅳ级;
6、最大日温差:不超过25度;
7、相对湿度:日平均不大于95%,月平均不大于90%
8、无易燃、爆炸危险、化学腐蚀及剧烈振动的场所。
三、型号及含义
四、主要技术参数
五、外形及安装尺寸
六、订货须知
1、产品名称、型号、额定电流、额定电压、额定开断电流;
2、额定操作电压及储能电动机额定电压;
3、所配电流互感器电流比及准确级次;
4、箱体外壳的材质及颜色;
5、若有其他特殊要求,订货时协商。
835012kV户外高压真空断路器技术协议二〇一二年九月一、总则1.1本技术协议适用于工程12kV户外高压真空断路器订货技术协议。
1.2本技术协议提出的是最低限度的技术要求,并未对一切技术细节等做出规定,供方应保证提供符合本技术协议和国家标准的优质产品。
二、断路器制造应遵循的标准按本协议书供货的设备,包括供货方由其它厂家外购的设备和附件都应符合下列标准的最新版本。
GB1984-2003《交流高压断路器》GB/T11022-1999《高压开关设备通用技术条件》GB/T3309-1989《高压开关设备常温下的机械试验》GB311.1-1997《高压输变电设备的绝缘配合》DL/T402-1999《交流高压断路器订货技术条件》三、使用环境条件1.周围空气温度:上限+40℃,下限-40℃。
2.海拔:1530m。
3.相对环境湿度:日平均相对值不大于95%,月平均相对值不大于90%。
4.风压:不超过700Pa(相当于风速34m/s)。
5.地震:烈度不超过8度。
6.污秽等级:Ⅳ级。
四、断路器主要参数及要求1.型号ZW8-12/1250-252.额定电压(kV)123.额定电流(A)12504.额定频率(Hz)505.额定短路开断电流(kA)256.额定短时关合电流(峰值)kA 637.额定峰值耐受电流(kA)638.额定短时耐受电流(kA)259.额定短路持续时间(s) 410.机械寿命(次)1000011.合闸同期(ms)≤212.分闸同期(ms)≤213.弹跳时间(ms)≤214.平均分闸速度(m/s) 1.0±0.215.平均合闸速度(m/s)0.75±0.15 16.额定绝缘水平(kV)雷电冲击耐受电压(峰值):相间、对地75,断口85 1min工频耐受电压:相间、对地42,断口48 17.操动机构:□CT23手动弹簧操动机构■CT23电动弹簧操动机构,操作电压DC220V□CT23电动弹簧操动机构,操作电压AC220V□CT23电动弹簧操动机构,操作电压V18. 隔离开关:□配单侧隔离开关□配双侧隔离开关■无隔离开关19.断路器上有明显的“分”、“合”指示牌,可以清晰地识别开关的分闸和合闸位置。
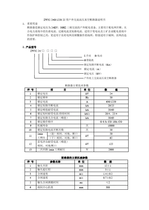
Z W 32 - 24630/- 25额定短路开断电流(kA)额定电流(A)额定电压(kV)设计序号户外真空断路器概述产品型号及其含义ZW32-24户外高压交流真空断路器是额定电压24kV,50Hz的户外配电设备。
是我集团公司根据我国电力系统远景规划及有关标准自行开发研制的开关设备,各项性能指标完全符合GB/T 1984《高压交流断路器》、GB/T 11022《高压开关设备和控制设备标准的共用技术要求》中规定要求。
具有开断和关合线路中的负荷电流、过载电流及短路电流的能力。
适用于变电站、工矿企业配电系统中作保护和控制设备,也适用于农村电网及频繁操作的场所。
三相交流● 采用三相支柱式结构,具有开断性能稳定,无燃烧和爆炸危险、免维护、体积小、重量轻、使用寿命长。
● 采用全密封结构,真空灭弧室系统、操作系统全封闭在密封性能好的箱体中,有助于提高防潮、防凝露,特别适合于严寒或潮湿的环境中。
● 三相支柱及电流互感器采用进口高性能户外环氧树脂固体绝缘,具有耐高低温、耐紫外线、抗老化的特点。
● 小型化弹簧操作机构,分合闸能耗低,直动式传动方式,整机零部件少可靠性高。
● 断路器的分合闸操作可以手动也可电动操作,配置智能控制器,可满足电网自动化功能。
主要功能特点断路器主要技术参数ZW32-24户外高压交流真空断路器0662-φ12外形尺寸与安装尺寸1、下出线2、电流互感器3、上进线4、绝缘支柱5、真空灭弧室6、 导电夹7、软连接 8、绝缘拉杆 9、操作机构10、箱体1、额定电压、额定电流;2、电流互感器变比;3、外壳采用不锈钢,还是普通钢板。
4、操作方式:电动或手动;订货须知ZW32-24户外高压交流真空断路器067。
35kV 户外真空开关技术协议书2016年 2 月26日1. 总则1.1本设备技术协议适用于35kV 真空断路器,它提出了该断路器本体及附属设备的功能设计、结构、性能、安装和试验等方面的技术要求。
1.2本设备技术协议提出的是最低限度的技术要求。
凡本技术协议中未规定,但在相关设备的国家标准或IEC 标准中有规定的规范条文,卖方应按相应标准的条文进行设备设计、制造、试验和安装。
1.3如果卖方没有以书面形式对本技术协议的条文提出异议, 则买方认为卖方提供的设备完全符合本技术协议的要求。
1.4本技术协议所建议使用的标准如与卖方所执行的标准不一致,卖方应按较高标准的条文执行或按双方商定的标准执行。
1.5本技术协议未尽事宜, 由买、卖双方协商确定。
2. 工作范围2. 1 从生产厂家至买方的运输由卖方完成。
2. 2 现场安装由买方完成,买房如需卖方协助安装,另行协商。
2.3技术文件(随产品提供)2.3.1卖方在订货前应向买方提供一般性资料, 如产品说明书、总装图和主要技术参数等。
2.3.2 以下资料随产品提供:a.组装图: 应表示设备总的装配情况, 包括外型尺寸、设备的重心位置与总质量、受风面积、运输尺寸和质量,控制柜位置,电缆入口位置,端子尺寸及其它附件;b.基础图:应标明设备和其控制柜的尺寸、基础螺栓的位置和尺寸、设备的静态负荷及操作时的动态负荷等;c.电气原理图:应包括设备控制柜及操动机构的内部接线和远方操作用的控制、信号、照明等交流及直流回路;2.3.3 设备供货时提供下列资料: 设备的开箱资料除了2.3.2 条所述图纸资料外,还应包括安装、运行、维护、修理等实用说明书, 部件清单, 工厂试验报告, 产品合格证等。
3. 技术要求3.1应遵循的主要现行标准:以上标准如有新版本,按最新版本执行。
3.2环境条件321周围空气温度最高温度:最低温度: -400最大日温差: 30K日照强度: 0.1W/cm2(风速0.5m/s)3.2.2 海拔高度:330m3.2.3 最大风速:35m/s3.2.4 环境相对湿度(在25 r时)日平均值:95%月平均值:90%3.2.5降雨量年最大:2600mm日最大:300mm3.2.6雷暴日:65日/年327地震烈度:8度水平加速度:0.25g垂直加速度:0.125g3.2.8污秽等级:W级(配防污型绝缘子)3.2.覆冰厚度:10 mm(风速不大于15 m/s时)3.3工程条件3.3.1系统概况a. 系统额定电压: 35kVb.系统最高电压: 40.5kVc.系统额定频率: 50Hz3.3.2 安装地点:室外3.4 基本设计要求3.4.1 耐震能力水平分量0.25g垂直分量0.125g本设备应能承受用三周正弦波的0.25g水平加速度和0.125g垂直加速度同时施加于支持结构最低部分时,在共振条件下所发生的动态地震应力,并且安全系数应大于1.67。
3.4.2 外绝缘爬电比距:31mm/kV按40.5kV计)3.4.3 设计寿命全部设备必须是全新的、持久耐用的。
保证设备能耐用20年。
3.5对设备的一般要求3.5.1 一般结构(1)单断口(2) 设备应为防水结构, 以防止水渗进设备的内部。
(3) 设备应设计成防噪音、防电晕式。
(4) 需要检查和更换的设备部件, 必须用螺栓和螺帽加以固定, 不用内装螺栓。
3.5.2 控制和站用电源控制电源及操动机构电机电源为直流220V 设计。
3.6 电气要求3.6.1电压(1) 额定电压35kV(2) 最高运行电压40.5kV(3) 额定频率50HZ(4) 雷电冲击耐受电压(1.2/50相对地185kV(峰值)断口间185kV(峰值)(5) 1 分钟工频耐受电压(干燥状态)相对地95kV ( 有效值)断口间95kV(有效值)(6) 1 分钟工频耐受电压(淋雨状态)相对地80kV ( 有效值)断口间80kV(有效值)3.6.2 电流(1 ) 额定电流2500A(2 ) 额定短路开断电流交流分量有效值31.5 kA( 有效值)(3 ) 额定短路关合电流80kA ( 峰值)(4 ) 额定短路时间4s(5)开断额定短路电流次数20对于上述操作循环不应降低额定值。
3.6.5 首相开断系数 1.53.6.6 投切能力(1) 在 100%额定短路开断电流时 , 不用维修的操作次数小于 20 次。
(2) 在 100%额定电流时 , 不用维修的操作次数不受限制。
3.7 机械要求3.7.1 断路器的型式真空断路器为独立敞开式有支持构架的三相户外式 , 由三个单极元件组成。
3.7.2 操动机构1)断路器的操动机构为弹簧式,三相联动。
2)操作系统互相联接。
(3)操动机构在80%-110%®定电压的范围内应可靠关合额定短路关合电流,并关合后能立即分闸。
操动机构在65%-120%勺额定电压的范围内应可靠分断额定短路开 断电流,并分闸后能立即关合。
4)操动机构提供自动脱扣及防跳装置,自动脱扣允许断路器在任何位置跳闸,防跳装置防止断路器在故障状态合闸时多次分合。
7)每台断路器应提供用户使用的辅助触点 24对,其中 12对常开、12对常闭, 3.6.3 时 间(1) 全开断时间 小于 100ms(2) 固有分闸时间 20- 70ms(3) 合闸时间 50 - 120ms(4) 分闸不同期性 相间 不大于 2ms(5) 合闸不同期性 相间 不大于 2ms3.6.4 额定操作顺序分 合分 0.3s 180s合分并能按需要更换。
3.7.3 空载机械寿命断路器的机械寿命不应低于在三相断路器上操作3000次而不用机械调整、维修或更换零件。
3.7.4 接线端允许的机械负荷断路器接线端的允许机械荷载不应小于下列数值, 其安全系数应不小于3.5 。
断路器应配用平板式接线端子板,其耐受弯矩应不小于400N・m。
纵向水平拉力2000N横向水平拉力2000N垂直力(向上、下)1800N3.7.6 接地每相断路器及控制箱应装设有接触面积不小于360mm2的接地板极。
3.7.7 寿命整台断路器正常使用年限20 年。
机械寿命(连续操作不调整)10000 次。
电气寿命(连续操作不调整):开断100%额定短路开断电流》20次开断50%额定短路开断电流》80次开断100%额定持续电流》5000次3.7.8每相断路器配有分、合闸位置指示器:合闸——红分闸——绿分、合闸位置指示器应装在操动机构外部直观、便于观察的位置。
3.7.9 断路器所有底架材料应为喷塑钢件、支架材料应为户外喷漆。
3.7.10 有符合国标要求的铭牌, 铭牌用耐腐蚀材料制成, 字样、符号应清晰耐久, 铭牌在正常运行和安装位置应明显可见。
3.7.11 真空灭弧室额定参数应符合机械行业标准 JB8738 的有关规定。
3.7.12 同型号真空断路器所配用的真空灭弧室,其安装方式、端部连接方式及 连接尺寸应统一,以保证真空灭弧室的互换性。
真空断路器应设有易于监视真空灭弧室触头磨损程度的标记。
真空灭弧室随同真空断路器出厂时的真空灭弧室内部气体压器不得大于1.33x10-3 Pa,其上应标明编号、生产厂家及出厂年月。
4. 质量保证4.1 订购的新型产品除应满足本规范外 , 厂家还应提供该产品的鉴定证书。
4.2 厂家应保证制造过程中的所有工艺、 材料试验等 (包括卖方的外购件在内 )均应符合本规范的规定。
4.3 附属及配套设备必须满足本规范的有关规定的厂标和行业标准的要求 , 并提 供试验报告和产品合格证。
4.4厂家应有遵守本规范中各条款和工作项目的IS09000-GB/T19000质量保证体系 , 该质量保证体系已经通过国家认证和正常运转。
5 试验5.1 型式试验除卖方能够提出五年内在同类产品上根据IEC 出版物56进行了这些试验的证据外,按合同供货的断路器在各方面都满足招标文件的要求。
3.7.13 真空断路器应装设操作次数的计数器。
3.7.16 真空灭弧室生产厂家成都旭光。
3.7.145.1.1 机械试验5.1.2 温升试验5.1.3 绝缘试验(1) 雷电冲击耐受电压试验(2) 工频耐受电压试验(3) 辅助和控制回路的试验5.1.4 开断短路试验5.1.5 短路关合试验5.1.6 热稳定和动稳定试验5.1.7 失步操作试验5.1.8 开断空载线路试验5.1.9 开断小电感电流(空载变压器)试验5.1.10 近区故障试验5.1.1 1 切断电流试验的累计总值报价时应提供切断短路电流累计总值的试验报告。
5.1.12 抗震试验:5.2 例行试验(出厂试验)例行试验应按IEC标准56中规定的及下列要求进行。
5.2.1 泄漏试验5.2.2 主回路的工频耐压试验5.2.3 辅助及控制回路的试验5.2.4 绝缘电阻及泄漏电流测量5.2.5 主回路电阻的测量主回路和电弧触头的电阻测量数值不应超过由型式试验获得的数值的断路器现场试验在现场安装后进行 , 而且试验将在卖方代表参加下由买方进行。
现场获得的数据应与在工厂或由卖方指定的地点进行的例行试验所获得的数据相接近 现场验收试验应包括下述项目。
5.3.1 绝缘电阻测量5.3.2 直流电压试验5.3.3 辅助及控制回路试验。
5.3.4 工频耐压试验5.3.5 主回路电阻的测量5.3.6 辅助设备的检验5.3.7 合闸线圈和跳闸线圈的检验5.3.8 操作特性的检查5.3.9 机械特性的检查5.3.10 闭锁及防跳能力的试验5.3.11 开断试验5.3.12 测量各时间参量6. 包装、运输和储存6.1 断路器制造完成并通过试验后应及时包装 , 否则应得到切实的保护。
其包装应 符合铁路、公路和海运部门的有关规定。
6.2 包装箱上应有明显的包装储运图示标志 , 并应标明买方的订货号和发货号。
6.3 断路器及其操动机构应有包装规范 ,并应能保证断路器各零部件在运输过程中不致遭到脏污、损坏、变形、丢失及受潮。
对于其中的绝缘部件及由有机绝缘材料制 成的绝缘件应特别加以保护, 以免损坏和受潮; 对于外露的接触表面, 应有预防腐蚀的5.2.6 机械操动试验 5.2.7 环氧树脂浇注件试验5.3 现场交接验收试验1.2 倍。
措施。
所有运输措施均应经过验证。
凡有运输损坏,应由制造厂负责赔偿。
6.4断路器在运输时,应将可动部分和触头保持在一定的固定位置。
6.5断路器单独运输的零部件应有标志,便于用户安装装配。
6.6整体产品或分别运输的部件,都要适合于运输及装卸的要求。
6.7制造厂应提供按全部解体检修用的备品备件和装用机具,随同产品发运。
6.8随产品提供的技术资料应完整无缺。
7.断路器规范表高压断路器规范表表7.18.备品备件及专用工具本文件要求采购的断路器规范和数量如下:ZW30-40.5/2500A-31.5 6 台,灰(喷塑)支架(户外喷漆)每台断路器的供货范围包括:a. 断路器本体(包括支架、附件、基础螺栓);8.1备品备件专用工具及其他附件表8.1 9、互感器配置1 台ZW30-40.5/2500A-31.5带电流互感器3只,变比 2*600/5 ,5P20/5P20/5P20/0.5/0.2S,40/40/40/50/50VA要求内置与开关一体化安装。