ZW32真空断路器使用说明书
- 格式:docx
- 大小:1.35 MB
- 文档页数:14
ZW32真空断路器说明书,由浙江高耀电气有限公司提供,ZW32真空断路器说明书里面包括了,ZW32真空断路器型号含义和ZW32真空断路器使用条件,ZW32真空断路器参数,ZW32真空断路器,ZW32真空断路器安装尺寸,及ZW32真空断路器动作原理,ZW32真空断路器安装与维护等,如果觉得好或还算全面,可以下给我们评价,这样我们才能力量拿出更好的做品出来分享,谢谢!ZW32-12型户外柱上高压真空断路器1. 概述ZW32-12系列户外交流高压真空断路器(以下简称“断路器”)系三相交流50Hz户外高压开关设备,主要用于农网和城网的10kV户外配电系统,作为分、合负荷电流、过载电流及短路电流之用;也可用于其它类似场所。
ZW32-12系列户外交流高压真空断路器符合国家GB 1984《交流高压断路器》和国际电工委员会IEC 60056《高压交流断路器》等标准。
2. 型号及含义3. 使用条件正常使用条件a) 周围空气温度: -40℃~+40℃;b) 海拔高度: 不超过2000m;c) 周围空气可以受到尘埃、烟、腐蚀性气体、蒸汽或盐雾的污染;d) 风速不超过34m/s(相当于圆柱表面上的700Pa);e) 来自开关设备和控制设备处部的振动或地动是可以忽略的;f) 污秽等级:Ⅲ级。
特殊使用条件断路器可以在不同于以上规定的正常使用条件下使用,这时用户的要求应和制造厂家进行协商,并取得一致的意见。
如超出上述正常使用条件,由用户与制造厂协商。
4. 技术参数断路器主要技术参数断路器装配调整参数CTB弹簧操动机构主要技术参数带隔离开关的ZW32户外真空断路器,除满足表1、表2的要求外,隔离开关部分还应满足表4的要求5. 断路器结构特点断路器采用三相支柱式结构,具有开断性能稳定可靠、无燃烧和爆炸危险、免维修、体积小、重量轻和使用寿命长等特点。
断路器采用全封闭结构,密封性能好,有助于提高防潮、防凝露性能,特别适用于严寒或潮湿地区使用。
ZW32-12F/T630-20户外交流高压真空分界断路器使用说明书ZW32-12F 型户外交流高压真空分界断路器(以下简称分界断路器)是我公司自主研发的一款新型产品,分界断路器是集真空断路器、分界断路器、分段器四大开关于一体的多功能智能化装置产品,主要配置由真空分界断路器本体、MGK16型控制器、外置电压互感器(注:配网自动化环网线路中可选双侧PT)三大部分组成,产品广泛用于10kV 城市、农村配电网架空环网线路中作分段隔离开关、联络开关、可实行环网线路负荷调配的自动化开关装置,在大用户供电的分支线路中可作为分界开关(俗称看门狗),馈线架空配电网络作分界断路器分段器之用,真空分界断路器具有远程管理模式,保护控制功能及通讯功能。
能可靠判断、检测界内毫安级零序电流及相间短路故障电流,实现自动切除单相接地故障和相间短路故障。
本安装使用说明书规定了分界断路器的引用标准、使用环境条件、型号和额定参数、结构特点、工作原理、订货须知、以及操作、安装、使用、维护的方法等内容。
二、功能特点自动切除单相接地故障,当用户支线发生单相接地故障时,分界断路器自动分闸,变电站及馈线上的其它分支用户感受不到故障的发生。
自动隔离相间短路故障,当用户支线发生相间短路故障时,分界断路器先于变电站出线保护开关跳闸,自动隔离故障线路,不会波及馈线上的其它分支用户停电。
快速定位故障点,当用户支线故障造成分界断路器保护动作后,仅责任用户停电,由其主动报送故障信息,电力公司可迅速派员到场排查;分界断路器如配有通信模块,则自动将信息报送到电力管理中心。
监控用户负荷,当分界断路器可配置有线或无线通信附件,将监测数据传送到电力管理中心,实现对用户负荷的远方实时数据监控。
远方操作功能,用户可以通过手机短信或计算机后台方式操作真空分界断路器合分闸。
三、使用环境条件1)海拔高度:≤2000米2)环境温度:户外-30℃~+55℃最高年平均气温20℃最高日平均气温30℃3)相对湿度:95%(25℃)4)抗震能力:地面水平加速度0.3g地面垂直加速度0.15g5)地震烈度:7度6)最大日温差:25℃7)日照强度(风速0.5m/s 时):0.1W/cm28)最大风速:34m/s 9)最大覆冰厚度:10mm10)安装位置:户外、10kV 架空线路用户责任分界点处。
ZW32真空断路器说明书,由浙江高耀电气有限公司提供,ZW32真空断路器说明书里面包括了,ZW32真空断路器型号含义和ZW32真空断路器使用条件,ZW32真空断路器参数,ZW32真空断路器,ZW32真空断路器安装尺寸,及ZW32真空断路器动作原理,ZW32真空断路器安装与维护等,如果觉得好或还算全面,可以下给我们评价,这样我们才能力量拿出更好的做品出来分享,谢谢!ZW32-12型户外柱上高压真空断路器1. 概述ZW32-12系列户外交流高压真空断路器(以下简称“断路器”)系三相交流50Hz户外高压开关设备,主要用于农网和城网的10kV户外配电系统,作为分、合负荷电流、过载电流及短路电流之用;也可用于其它类似场所。
ZW32-12系列户外交流高压真空断路器符合国家GB 1984《交流高压断路器》和国际电工委员会IEC 60056《高压交流断路器》等标准。
2. 型号及含义3. 使用条件正常使用条件a) 周围空气温度: -40℃~+40℃;b) 海拔高度: 不超过2000m;c) 周围空气可以受到尘埃、烟、腐蚀性气体、蒸汽或盐雾的污染;d) 风速不超过34m/s(相当于圆柱表面上的700Pa);e) 来自开关设备和控制设备处部的振动或地动是可以忽略的;f) 污秽等级:Ⅲ级。
特殊使用条件断路器可以在不同于以上规定的正常使用条件下使用,这时用户的要求应和制造厂家进行协商,并取得一致的意见。
如超出上述正常使用条件,由用户与制造厂协商。
4. 技术参数断路器主要技术参数断路器装配调整参数CTB弹簧操动机构主要技术参数带隔离开关的ZW32户外真空断路器,除满足表1、表2的要求外,隔离开关部分还应满足表4的要求5. 断路器结构特点断路器采用三相支柱式结构,具有开断性能稳定可靠、无燃烧和爆炸危险、免维修、体积小、重量轻和使用寿命长等特点。
断路器采用全封闭结构,密封性能好,有助于提高防潮、防凝露性能,特别适用于严寒或潮湿地区使用。
ZW32-12F/T630-20 户外交流高压分界真空断路器使用说明书启南电力设备有限公司一、概述ZW32-12F 型户外交流高压真空分界断路器(以下简称分界断路器)是我公司自主研发的一款新型产品,分界断路器是集真空断路器、分界断路器、分段器四大开关于一体的多功能智能化装置产品,主要配置由真空分界断路器本体、MGK16 型控制器、外置电压互感器(注:配网自动化环网线路中可选双侧PT)三大部分组成,产品广泛用于10kV 城市、农村配电网架空环网线路中作分段隔离开关联络开关、可实行环网线路负荷调配的自动化开关装置,在大用户供电的分支线路中可作为分界开关(俗称看门狗),馈线架空配电网络作分界断路器分段器之用,真空分界断路器具有远程管理模式,保护控制功能及通讯功能。
能可靠判断、检测界内毫安级零序电流及相间短路故障电流,实现自动切除单相接地故障和相间短路故障。
本安装使用说明书规定了分界断路器的引用标准、使用环境条件、型号和额定参数、结构特点、工作原理、订货须知、以及操作、安装、使用、维护的方法等内容。
二、分界断路器的功能自动切除单相接地故障,当用户支线发生单相接地故障时,分界断路器自动分闸,变电站及馈线上的其它分支用户感受不到故障的发生。
自动隔离相间短路故障,当用户支线发生相间短路故障时,分界断路器先于变电站出线保护开关跳闸,自动隔离故障线路,不会波及馈线上的其它分支用户停电。
快速定位故障点,当用户支线故障造成分界断路器保护动作后,仅责任用户停电,由其主动报送故障信息,电力公司可迅速派员到场排查;分界断路器如配有通信模块,则 动将信息报送到电力管理中心。
监控用户负荷,当分界断路器可配置有线或无线通信附件,将监测数据传送到电力管理中心,实现对用户负荷的远方实时数据监控。
远方操作功能,用户可以通过手机短信或计算机后台方式操作真空分界断路器分闸。
三、使用的环境条件1) 海拔高度:≤2000米2) 环境温度:户外 -30℃~ +55℃最高年平均气温20℃最高日平均气温30℃3) 相对湿度:95% (25℃)4) 抗震能力:地面水平加速度 0.3g地面垂直加速度 0.15g5)地震烈度:7度6) 最大日温差: 25℃7) 日照强度(风速0.5m/s 时):0.1W/cm28) 最大风速:34m/s9) 最大覆冰厚度:10mm10) 安装位置:户外 、10kV 架空线路用户责任分界点处11)接地方式:中性点不接地、经消弧线圈接地及低电阻接地。
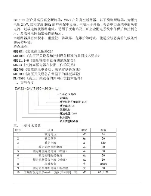
产品概述ZW32-12(F)□/T系列户外高压交流智能真空断路器(以下简称“智能断路器”), 为额定电压1 2kV、三相交流50Hz的户外高压配电开关设备, 主要用于开断、关合电力系统中的负荷电流、过载电流及短路电流, 适用于变电站及工矿企业配电系统中作保护和控制之用, 亦可用于农村电网等需要频繁操作的场所。
智能断路器符合GB 1984—2014《高压交流断路器》、DL/T 402—2007《高压交流断路器订货技术条件》、DL/T 403—2000《12kV~40.5kV高压真空断路器订货技术条件》及DL/T 721—2013《配电自动化系统远方终端》等技术标准。
适用场所海拔: 不超过1000m, 如海拔高于1000m,则额定绝缘水平应进行相应修正;环境温度: 上限+45℃, 下限-40℃,最大日温差25K;湿度: 日相对湿度平均值≤95%, 月相对湿度平均值≤90%;太阳辐射强度: ≥0.1W/cm2;风速: 34m/s;风压: 700Pa;污秽等级: e级;覆冰厚度: ≤10mm;耐受地震能力: 水平加速度0.3g, 垂直加速度0.2g。
结构功能特点总体结构为三相支柱式, 壳体密封性能良好;外壳(箱体) 采用SUS304无磁不锈钢材料, 经进口氩弧焊机精密焊接并亮化(抛光)处理, 外观精美, 永不锈蚀;真空灭弧室通过绝缘拉杆与操动机构连接, 性能稳定可靠;真空灭弧室与主导电回路及绝缘支撑等部件用环氧树脂经APG工艺浇注成一个有机的整体, 并采用硅橡胶包封,具有良好的抗凝露性能和机械强度; 采用高性能的小型化弹簧操动机构, 其结构简单, 机械寿命长, 兼具电动、手动储能及分、合闸操作功能;结构新颖, 体积小, 重量轻, 便于安装;可实现三段式保护、零序接地保护、重合闸及远方通信等功能。
技术参数外形尺寸。
zw32-40.5 高压断路器技术参数2018年12月20日zw32-40.5 高压断路器目录1、概述……………………………………………………………………………2、结构特征和工作原理…………………………………………………………3、技术特征………………………………………………………………………4、安装、调试与维护……………………………………………………………5、运输、验收及保管……………………………………………………………6、随机文件………………………………………………………………………7、订货须知………………………………………………………………………8、产品执行的标准及编号………………………………………………………9、隔离部分技术说明……………………………………………………………1zw32-40.5 高压断路器概述1.1 产品型号、名称、规格ZW 32 -40.5 M /630(1250)-20(31.5)额定短路开断电流(KA)额定电流(A)永磁机构额定电压(KV)设计序号户外真空断路器1.2 产品用途及使用范围、使用条件ZW32-40.5 高压断路器(以下简断路器)为额定电压40.5KV,三相交流50HZ 的户外配电设备。
主要用于开断、关合电力系统中的负荷电流、过载电流及短路电流。
适用于变电站及工矿企业配电系统中作保护和控制之用,也适用于农村电网及频繁操作场所。
本安装使用说明书规定了断路器的主要技术参数、产品结构、以及操作、安装、使用维护的方法等内容。
1. 3 使用的环境条件a. 海拔高度不超过1000 米;b. 周围空气温度:-45℃~+40℃日温差:日变化不大于25℃;c. 风速不大于35m/s;d. 无易燃、爆炸危险、化学腐蚀及剧烈震动的场所。
2. zw32-40.5 高压断路器结构特征和工作原理2.1 断路器总体结构及特点断路器由三相高压系统及内装操动部件的主体箱构成,主体箱上设有供安装固定、吊运用支座和吊身。
ZW32-12F/T630-20 户外交流高压分界真空断路器使用说明书上海五高电力设备有限公司一、概述ZW32-12F 型户外交流高压真空分界断路器(以下简称分界断路器)是我公司自主研发的一款新型产品,分界断路器是集真空断路器、分界断路器、分段器四大开关于一体的多功能智能化装置产品,主要配置由真空分界断路器本体、MGK16 型控制器、外置电压互感器(注:配网自动化环网线路中可选双侧PT)三大部分组成,产品广泛用于10kV 城市、农村配电网架空环网线路中作分段隔离开关联络开关、可实行环网线路负荷调配的自动化开关装置,在大用户供电的分支线路中可作为分界开关(俗称看门狗),馈线架空配电网络作分界断路器分段器之用,真空分界断路器具有远程管理模式,保护控制功能及通讯功能。
能可靠判断、检测界内毫安级零序电流及相间短路故障电流,实现自动切除单相接地故障和相间短路故障。
本安装使用说明书规定了分界断路器的引用标准、使用环境条件、型号和额定参数、结构特点、工作原理、订货须知、以及操作、安装、使用、维护的方法等内容。
二、分界断路器的功能自动切除单相接地故障,当用户支线发生单相接地故障时,分界断路器自动分闸,变电站及馈线上的其它分支用户感受不到故障的发生。
自动隔离相间短路故障,当用户支线发生相间短路故障时,分界断路器先于变电站出线保护开关跳闸,自动隔离故障线路,不会波及馈线上的其它分支用户停电。
快速定位故障点,当用户支线故障造成分界断路器保护动作后,仅责任用户停电,由其主动报送故障信息,电力公司可迅速派员到场排查;分界断路器如配有通信模块,则动将信息报送到电力管理中心。
监控用户负荷,当分界断路器可配置有线或无线通信附件,将监测数据传送到电力管理中心,实现对用户负荷的远方实时数据监控。
远方操作功能,用户可以通过手机短信或计算机后台方式操作真空分界断路器分闸。
三、使用的环境条件1) 海拔高度:≤2000米2) 环境温度:户外 -30℃~ +55℃最高年平均气温20℃最高日平均气温30℃3) 相对湿度:95% (25℃)4) 抗震能力:地面水平加速度 0.3g地面垂直加速度 0.15g5)地震烈度:7度6) 最大日温差: 25℃7) 日照强度(风速0.5m/s 时):0.1W/cm28) 最大风速:34m/s9) 最大覆冰厚度:10mm10) 安装位置:户外、10kV架空线路用户责任分界点处11)接地方式:中性点不接地、经消弧线圈接地及低电阻接地。
ZW32-12/M630-20户外智能高压永磁真空断路器安装使用说明书1 概述ZW32-12型永磁真空断路器采用了独特设计的永磁机构和高可靠性的RN2012智能控制器构成。
该装置主要应用于中压架空线电网,作为分、合负荷电流、过载电流、短路电流之用,并具有0~3次自动重合闸。
◆极高的可靠性◆在整个寿命期间完全免维护◆具有高机械寿命和电寿命◆整机体积小,重量轻,便于安装◆具有标准继电保护和快速自动重合闸功能1.1 使用条件☐周围空气温度:-30℃~+60℃;☐海拔高度:不超过2000米;☐风速不超过34m/s;☐来自开关设备和控制设备外部的振动或地动是可以忽略的;☐污秽等级:Ⅳ级;☐储存温度-40℃~+85℃。
1.2 技术参数断路器的主要技术参数断路器的主要机械参数控制器主要技术指标ZW32-12型真空永磁断路器主要由集成固封极柱、电流互感器、永磁操动机构及箱体组成。
该型号断路器为小型化设计,外壳采用优质不锈钢箱体。
同时配有手动紧急分闸装置。
隔离开关和电流互感器可根据用户需要选择。
ZW32-12型永磁真空断路器的控制由配套的智能控制单元完成。
可就地实现开关分合闸操作,也可以通过通信接口由远方遥控操作。
断路器的其他信息也可以传输到控制中心,通信通道可以选择电缆、光纤、GPRS/CDMA、GSM等。
智能控制单元接近断路器安装,通过控制电缆与断路器连接。
智能控制单元的电源分主备供电,主电源为AC或DC 220V,由高压线路经PT取得;后备电源由蓄电池提供(安装于智能控制单元箱内)。
当正常工作时主电源对后备电源充电;当主电源失去时,由后备电源供电,仍可完成对断路器的控制以及控制单元内的其他操作,后备电源(满载时)可维持整机不小于48小时工作。
断路器操动机构中设有手动紧急分闸把手,作为控制系统或电源故障时紧急分闸操作之用。
ZW32-12/D断路器内部结构原理图1:永磁机构;2:手动分闸转轮;3:驱动扁钢;4:辅助开关;5:分闸弹簧6:壳体;7:绝缘拉杆;8:下绝缘筒;9:软连接;10:上绝缘筒;11:真空灭弧室灭弧原理:ZW32-12型真空永磁断路器采用真空灭弧室,以真空作为灭弧和绝缘介质,具有极高的真空度。
ZW32 系列高压真空断路器说明书产品归纳产品型号及名称ZW32-12型户外高压真空断路器主要用途ZW32-12系列户外高压真空断路器(以下简称“断路器”)用于交流 50Hz、额定电压 12kV的三相电力系统中,作为分、合负荷电流、过载电流及短路电流之用。
断路器可配置重合控制器能鉴别电流特点并实现多次自动重合闸或永久故障的隔断;自备 PT作为电源,成为有电压、电流信号输出并可控制的智能断路器;由电子 PT供给电源并可达成过流延时、涌流延时、短路速断的三段复合保护。
功能特点可配用弹簧操动机构,拥有开断关合负荷电流、过载电流及短路电流等基本功能,是 ZW32-12系列的基本型。
断路器与隔走开关配合使用可组成拥有明显断口的“组合断路器”(以下简称“组合断路器”)。
在隔走开关上可供用户选择使用硅橡胶绝缘护套,该护套拥有防雨雪风沙、抗污秽腐化的特点,可有效防备隔走开关的冰冻和氧化。
断路器能够加装避雷器,避雷器可依照用户要求装在进、出线任意侧;断路器可配装涌流控制器,使其拥有躲涌流和过流速断的功能;断路器可加装 2~3 个测量或计量互感器。
可配重合控制器组成重合器型智能断路器。
基本型与重合控制器配合适用于易取电源的场合, PT 型与重合控制器配合适用于无电源的场合,智能断路器适用于辐射型供电及环网供电系统,帮助系统除掉瞬时故障,自动恢复供电,也可隔断永久故障,实现配网自动化。
使断路器具备 1~3 次重合闸功能,且重合器参数能够整定。
智能断路器具备合闸涌流控制、过流保护和短路速断三段复合保护的功能,且参数能够连续整定;智能断路器具备小电流接地保护功能,且参数能够连续整定;智能断路器既能够实现有线远方控制,也可在杆下无线遥控。
可配有电压互感器,电压互感器从线路高压侧取电,可依照需要供给给自己或其他控制设备 220V、110V、100V的电压;该断路器(小水电型)可用于线路电压的监测,当过电压或欠电压时,控制器自动断开断路器,可广泛用于小水电支路与主电网的并网分支处,实现网络的监控和故障的自动隔断;该断路器(计量型)可输出级精度的电压、电流信号,是农网变电所、站外散点开关和简单计量开关的理想选择。
ZW32-12/630(1250)-20(25)户外交流高压真空断路器安装使用说明书(使用前必须仔细阅读说明书)第一章户外交流高压真空断路器产品概述ZW32-12型户外真空断路器是额定电压12kV的户外高压开关设备,主要用于城网和农网的配电系统中,作为分、合负荷电流、过载电流及短路电流之用。
也可用于其它类似场所,还可用为城市区12kV级电网的分段开关。
还可与配网自动化装置组成户外真空重合器、分段器,智能型控制设备。
ZW32-12型户外真空断路器采用密封结构设计,壳内除环氧支座外,不再有辅助绝缘材料,套管垂直安装,输出与输入端是横向布置,即便于架空线联接,也利于电缆的接入;整体成型套管,可保证良好的气密性。
可配置隔离刀闸,具备明显断开点,维护方便、安全。
本产品符合以下标准及规范:GB1984 《交流高压断路器》GB11022《高压开关设备通用技术条件》《高压输变电设备的绝缘配合》DL/T593 《高压开关设备的共用订货技术条件》DL/T402 《交流高压断路器订货技术条件》型号含义例如:ZW32-12P/630-20户外高压真空断路器,不锈钢外壳、电动机构、额定电流630A、额定开断电流为20kA。
工作条件本产品适用于以下工作条件:a、周围空气温度:-40℃~+85℃;B、海拨高度:不超过2500m;c、相对湿度:日平均不大于95%,月平均不大于90%;d、风压:不超过700Pa(相当于风速34m/s);e、空气污秽程度:按GB5582规定为IV级;F、地震烈度:不超过8度。
附加其它装置后主要性能可加装户外隔离开关和断路器形成一体化,断路器与隔离开关具有可靠的机构联锁,具有防误操作功能。
可加装外置电子PT,使断路器具有操作电源和具有防涌流,过流保护,就近遥控控制功能。
可加装避雷器,避雷器可根据用户需要装于电源侧或负荷侧。
可与配网自动化装置组成户外真空重合器、分段器,智能型控制设备。
可以与柱上开关远程监控系统配套使用,采用GPRS无线通信,实现户外真空断路器远程实时监控,满足配电自动化要求。
ZW32M型永磁户外真空断路器安装使用说明书有限公司1.概况ZW32M-12型户外高压永磁真空断路器(以下简称断路器)是三相交流50Hz,适用于额定电压为7.2~12kV的户外高压开关设备。
断路器符合国标GB1984《高压交流断路器》及专业标准JB3855《3.6~40.5kV户外交流高压真空断路器》和相关的IEC标准。
可供工矿企业、发电厂以及变电站作电气设备的控制和保护之用,并适用于频繁操作的场所。
断路器具有多次开断和快速重合闸的能力。
断路器采用永磁操动机构,断路器机械寿命为5万次,5万次之内,无需检修、调整,实现了高可靠,长寿命。
2. 技术参数2.1断路器型号、名称及含义Z W 32 M –12 G / 630 – 20额定短路开断电流(kA)额定电流(A)带隔离开关额定电压(kV)永磁操动机构产品设计序号户外真空断路器2.2使用环境条件a) 环境温度不高于+ 45 ℃,不低于– 35 ℃;b) 空气相对湿度:日平均值不大于95%,月平均值不大于90%;饱和蒸汽压:日平均值不大于2.2×10-3 MPa,月平均值不大于1.8×10-3 MPa;在高湿度期温度急降时,可能凝露;c) 海拔高度不超过1000 米;d) 地震烈度不超过8级;e) 无火灾、爆炸、严重污秽、化学腐蚀以及剧烈震动的场所。
客户如有其它特殊要求,可在订货时提出,我公司可给予最大满足。
2.3技术数据2.3.1断路器主要技术参数,见下表1。
表1 主要技术参数表2 机械特性参数2.4 结构尺寸3. 整体结构特点3.1 断路器总体结构采用操动机构和灭弧室上下布置的形式,真空灭弧室纵向安装在一个管状的绝缘筒内。
绝缘筒由户外环氧树脂浇注而成,因而特别抗爬电。
这种结构不仅可以防止真空灭弧室受到外部因素的损坏,而且可以确保即使在湿热及严重污秽环境下,也可对电压效应呈现出高阻态。
3.2 断路器操动机构采用永磁操动机构,具有电动分、合闸和紧急分闸三种功能。
ZW32-12/630型⼾外⾼压真空断路器产品安装使⽤前,请仔细阅读使⽤说明书,目录1、产品概述 (1)2、工作原理 (2)3、隔离开关主要技术参数和结构特点 (5)4、运输、调试和安装 (7)5、FDK 复合控制使用方法 (7)6、产品检修和维护 (9)7、随机文件 (9)8、订货须知 (10)图一断路器外形及安装尺寸 (10)图二断路器(带隔离)外形及安装尺寸 (11)图三断路器手动控制接线图 (12)图四断路器电动控制接线图 (13)图五断路器安装方式 (14)Table of Contents1. Product description2. Working principle3. Main technical parameters and structural characteristics of isolating switch4. Transportation, debugging and installation5. FDK compound control method of usage6. Product maintenance7. Documents together8. Ordering InformationFigure 1 circuit breaker shape and installation dimensionsFigure 2 circuit breaker (with isolation) shape and installation dimensionsFigure 3 circuit breaker manual control wiring diagramFigure 4 circuit breaker electric control wiring diagramFigure 5 circuit breaker installation1、产品概述 Product Overview1.1、主要用途 The main purposeZW32-12型户外高压真空断路器(以下简称断路器)是额定电压为12kV,50Hz 三相交流的户外配电设备。
一:真空断路器的结构和工作原理真空断路器的生产厂家比较多,型号也较繁杂。
按使用条件分为户内(ZN—)和户外(ZW —)两种类型。
主要由框架部分,灭弧室部分(真空泡),和操动机构部分组成。
下面以乐清市启轩电气有限公司生产的ZW32—12型户外高压真空断路器为例,说明其结构与工作原理。
1. 断路器本体结构一断路器本体部分由导电回路,绝缘系统,密封件和壳体组成。
整体结构为三相共箱式。
其中导电回路由进出线导电杆,进出线绝缘支座,导电夹,软连接与真空灭弧室连接而成。
2. 操作机构此机构为电动储能,电动分合闸,同时具有手动功能。
整个结构由合闸弹簧,储能系统,过流脱扣器,分合闸线圈,手动分合闸系统,辅助开关,储能指示等部件组成。
3.工作原理真空断路器利用高真空中电流流过零点时,等离子体迅速扩散而熄灭电弧,完成切断电流的目的。
4.动作原理储能过程:当储能电机14接通电源时,电机带动偏心轮转动,通过紧靠在偏心轮上的滚子10带动拐臂9及连板7摆动,推动储能棘爪6摆动,使棘轮11转动,当棘轮11上的销与储能轴套32的板靠住以后,二者一起运动,使挂在储能轴套上32上的合闸弹簧21拉长。
储能轴套32由定位销13固定,维持储能状态,同时,储能轴套32上的拐臂推动行程开关5切断储能电机14的电源,并且储能棘爪被抬起,与棘轮可靠脱离。
合闸操作过程:当机构接到合闸信号后(开关处于断开,已储能状态),合闸电磁铁15的铁心被吸向下运动,拉动定位件13向逆时针方向转动,解除储能维持,合闸弹簧21带动储能轴套32逆时针方向转动,其凸轮压动传动轴套30,带动连板29及摇臂27运动,使摇臂27扣住半轴25,使机构处于合闸状态。
此时,连锁装置28锁住定位件,使定位牛不能逆时针方向转动,达到机构联销的目的,保证了机构在合闸位置不能合闸操作。
分闸操作过程:断路器合闸后,分闸电磁铁接到信号,铁芯吸合,分闸脱扣器19中的顶杆向上运动,使脱扣轴16转动,带动顶杆18向上运动,顶动弯板26并带动半轴25向反时针方向转动。
ZW32-12型户外交流高压智能真空断路器安装使用说明书许昌普锐鑫电气有限公司一、概述ZW32-12F 型户外交流高压真空分界断路器(以下简称分界断路器)是我公司自主研发的一款新型产品,分界断路器是集真空断路器、分界断路器、分段器,隔离开关四大开关于一体的多功能智能化装置产品,主要配置由真空分界断路器本体、型控制器、外置电压互感器(注:配网自动化环网线路中可选双侧PT )三大部分组成,产品广泛用于10kV 城市、农村配电网架空环网线路中作分段隔离开关 联络开关、可实行环网线路负荷调配的 自动化开关装置,在大用户供电的分支线路中可作为分界开关(俗称看门狗),馈线架空配电 网络作分界断路器分段器之用,真空分界断路器具有远程管理模式,保护控制功能及通讯 功能。
能可靠判断、检测界内零序电流及相间短路故障电流,实现自动切除单相接地 故障和相间短路故障。
本安装使用说明书规定了分界断路器的引用标准、使用环境条件、型号和额定参数、结构特点、工作原理、订货须知、以及操作、安装、使用、维护的方法等内容。
二、产品型号及含义户外真空断路器设计序号额定电压()分界型额定电流()额定短路开断电流(□-□三、使用的环境条件3.1海拔高度:≤2000米 3.2环境温度:户外-30℃~+55℃ 最高年平均气温20℃ 最高日平均气温30℃3.3相对湿度:95%(25℃)3.4抗震能力:地面水平加速度:0.3g地面垂直加速度0.15g3.5地震强度:7级3.6最大日温差:25℃3.7日照强度(风速0.5m/s时):0.1W/cm23.8最大风速:34m/s3.9最大覆冰厚度:10mm3.10安装位置:户外、10kV架空线路用户责任分界点处3.11接地方式:中性点不接地、经消弧线圈接地及低电阻接地。
四、控制器及分界断路器的功能4.1 控制器的功能◇速断保护◇过流保护◇三次重合闸◇重合闸后加速◇涌流保护◇零序保护◇实时时钟◇事件记录◇实时状态查询◇智能掌上电脑控制◇ GSM短信控制4.2 控制器的特点◇可带485/232通讯接口,或通过智能掌上机、GSM短信无线实现远距离监控;◇重合闸后加速功能:当开关重合于永久性故障时,会加速跳闸;◇三次重合闸延时时间可以调整;◇跳合闸回路采用防误动设计,并具有防跳功能;◇零序电流可以区分区内和区外故障;遥控分合闸采用了防止误动设计;4.3 控制器结构特点a) 控制器为微机型的继电保护及监控装置;b) 控制器具有耐候性强、抗凝露的防护特点;c) 通过航空接插件与开关本体进行连接;d) 连接可靠性好、防护等级高。
1. 概述
ZW32-12 系列户外交流高压真空断路器(以下简称“断路器”)系三相交流50Hz户外高压开关设备,主要用于农网和城网的10kV户外配电系统,作为分、合负荷电流、过载电流及短路电流之用;也可用于其它类似场所。
ZW32-12系列户外交流高压真空断路器符合国家GB 1984《交流高压断路器》和国际电工委员会IEC 60056《高压交流断路器》等标准。
2. 型号及含义
3. 使用条件
3.1 正常使用条件
a) 周围空气温度: -40℃~+40℃;
b) 海拔高度: 不超过2000m;
c) 周围空气可以受到尘埃、烟、腐蚀性气体、蒸汽或盐雾的污染;
d) 风速不超过34m/s(相当于圆柱表面上的700Pa);
e) 来自开关设备和控制设备处部的振动或地动是可以忽略的;
f) 污秽等级:Ⅲ级。
3.2 特殊使用条件
断路器可以在不同于以上规定的正常使用条件下使用,这时用户的要求应和制造厂家进行协商,并取得一致的意见。
3.3 如超出上述正常使用条件,由用户与制造厂协商。
4. 技术参数
4.1 断路器主要技术参数
4.2 断路器装配调整参数
4.3 CTB弹簧操动机构主要技术参数
4.4 带隔离开关的ZW32户外真空断路器,除满足表1、表2的要求外,隔离开关部分还应满足表4的要求
5. 断路器结构特点
5.1 断路器采用三相支柱式结构,具有开断性能稳定可靠、无燃烧和爆炸危险、免维修、体积小、重量轻和使用寿命长等特点。
5.2 断路器采用全封闭结构,密封性能好,有助于提高防潮、防凝露性能,特别适用于严寒或潮湿地区使用。
5.3 三相支柱及电流互感器采用进口户外环氧树脂固体绝缘,或采用户内环氧树脂外包有机硅橡胶固体绝缘;具有耐高低温、耐紫外线、耐老化等特点。
5.4 操动机构采用小型化弹簧操动机构,储能电机功率小,分合闸能耗低;机构传动采用直动传输方式,零部件数量少,可靠性高。
操动机构置于密封的机构箱内,解决了操动机构锈蚀的问题,提高了机构的可靠性。
5.5 断路器的分、合闸操作可采用手动或电动操作及远方遥控操作。
可与智能控制器配套实现配电自动化,也可以与重合控制器配合组成自动重合器、分段器。
5.6 断路器可以装设二相或三相电流互感器,供过电流或短路保护用,也可以给智能控制器提供电流采集信号;根据用户要求可加装计量用电流互感器。
5.7 断路器可外带三相联动的隔离开关,在隔离开关分闸状态下有明显可见断口,并具备与断路器本体之间的防误联锁装置。
断路器处在合闸位置时,隔离开关不能进行分、合闸操作;只有隔离刀完全合闸或完全分闸时才可操作断路器。
可连装避雷器支柱绝缘子,维护方便。
6. 动作原理
6.1 手动机构动作原理
合闸操作:先拉动储能手柄进行储能,所施操作力矩由小变大,当合闸弹簧过中瞬时,合闸弹簧释放能量,促使储能系统逆时针旋转并带动拐臂转动,带动传动轴使断路器合闸,同时分闸拐臂扣住分闸半轴,使断路器处于合闸状态;机构在合闸状态下,凸轮与转动轴套脱离,机构不能再次合闸。
分闸操作:断路器合闸后,拉动分闸手柄或当线路电流超过防涌流装置的设定值时过流线圈被驱动,均使分闸半轴转动,分闸拐臂解扣,传动杆在分闸弹簧的带动下使断路器分闸。
6.2 电动机构动作原理
储能操作:拉动储能手柄,或储能电机转动,在传动齿轮的带动下使凸轮转动,合闸弹簧被逐渐拉长,当弹簧过中后,凸轮由定位件保持不再转动,断路器处于准备合闸状态;同时凸轮与传动轴脱离,使机构不能再次储能。
合闸操作:储能完毕后,拉动手动合闸手柄或给合闸线圈施加电压,使合闸半轴转动,合闸拐臂与合闸半轴解扣,合闸弹簧释放能量,带动传动轴使断路器合闸,同时分闸弹簧被储能。
机构在合闸状态下,再进行储能操作,合闸弹簧再次被拉长,弹簧过中后,合闸半轴被联锁装置扣住,避免机构误合闸。
在合闸已储能状态,机构处于重合闸状态,可实现“O-0.3S-CO”一次重合闸操作。
分闸操作:断路器合闸后,拉动分闸手柄或给分闸线圈施加电压或当线路电流超过防涌流装置的设定值时过流线圈被驱动,均使分闸半轴转动,分闸拐臂解扣,传动杆在分闸弹簧的带动下使断路器分闸。
注:操动机构过流线圈为短时工作制,不能长时间通流。
断路器的过流保护及机构控制电气原理图见图3。
(注:以随断路器的二次接线原理图为主)
7. 断路器的外形及安装尺寸
8. 安装、维护
8.1 操作人员应初步了解产品的性能及安装调整、维护知识,对运行中问题应予以记录,必要时通知制造厂家。
8.2 产品在安装前要进行外观检查。
观察一下产品的绝缘套管是否有损伤,分合指示、储能指示是否有漏装现象,箱体是否有变形等。
检查完毕后,产品要装在高4m以上的柱子上使用。
带隔离开关的断路器安装时应认真检查隔离开关与断路器之间的机械联锁装置动作的准确性。
8.3 产品在投入运行前,就仔细核对各操作元件的额定电压、额定电流与实际情况是否相符。
并用机构进行操作,以检查各种动作是否正确。
8.4 断路器的各项参数在出厂检验时就已经调整好,用户不必开机检查;按要求进行耐压试验后,即可安装。
8.5 断路器可以单杆架设,也可以双杆架设。
断路器应平稳、牢固地安装在专用钢架上。
安装示意图见图19。
8.6 产品定期进行小检,主要检查断路器的动作是否正常。
带隔离开关的断路器,隔离开关每年检查2次,内容有检查隔离开关与断路器之间的机械联锁动作是否正常,并在活动部件注入一些润滑脂。
9. 运输、验收及贮存
9.1 运输运输时必整台装入封闭的包装箱内加以固定。
运输过程中不得翻转、倾斜,需采取防震措施。
超吊断路器本体时,勾在箱体上的四个吊环,不得直接搬运环氧绝缘筒。
超吊断路器带隔离开关时,重心偏于隔离开关侧,起吊时应缓慢进行。
9.2 验收用户收到断路器后应进行如下验收工作: 1)检查包装是否损坏;2)对照产品装箱单检查文件、附件是否齐全;3)检查断路器铭牌上的技术参数、产品合格证是否符合订货要求。
9.3 贮存本断路器应存放在干燥、通风、防潮、防震及防有害气体侵袭的室内,长期存放应定期检查环境是否符合要求。
装箱、开箱和保管应在干燥的室内进行,对产品及各部件要进行核对是否完整和相符。
10. 常见故障及排除方法常见故障及排除方法
11. 随机文件及备品配件
11.1 产品合格证;
11.2 断路器使用说明书;
11.3 出厂检验报告;
11.4 装箱单;
11.5 二次配线图;
11.6 操动机构使用说明书;
11.7 随机备品配件。