双气缸控制
- 格式:doc
- 大小:258.50 KB
- 文档页数:6
双作用气缸的速度控制回路1. 引言大家好,今天我们来聊聊一个听起来有点复杂,但其实挺有趣的主题——双作用气缸的速度控制回路。
听名字就觉得有点高大上,其实它就是个让机器更聪明的装置。
你想啊,就像我们在开车的时候,时速表可以让你知道车子开的快不快,气缸的速度控制回路也能让机器按照预定的速度“走”起来。
现在,快跟我一起深入这个“机械小世界”,看看它到底有多有趣吧!2. 什么是双作用气缸2.1 基本概念首先,我们得了解什么是双作用气缸。
简单来说,它就是一个可以往复运动的气缸。
它有两个工作腔,气体可以从一个腔体进入,推动活塞向一个方向移动;然后再从另一个腔体进入,活塞再返回。
听起来是不是有点像玩秋千?一来一去,挺有节奏的!2.2 工作原理那么,这个双作用气缸的工作原理又是怎样的呢?想象一下,你在玩气球。
把气球吹满,手一松,它就会“扑通”一下飞走。
气缸就是通过气体的压力推动活塞,完成相似的动作。
可别小看它,这里面可是有很多“门道”的。
通过控制气体的流入和流出,气缸就能精准地控制运动速度。
就像你的遥控小车,快慢随你调!3. 速度控制的重要性3.1 为何需要速度控制接下来,我们来聊聊为什么速度控制这么重要。
想象一下,如果没有速度控制,机器就像个失控的小孩,急得像热锅上的蚂蚁,快得让人心惊胆战。
想让它慢下来?没门!这可就麻烦了。
实际上,很多工业生产中,速度控制能提高效率,减少错误,让工作更安全。
3.2 如何实现速度控制那么,如何实现这种速度控制呢?这里就涉及到控制回路了。
我们可以通过调节气体的流量,改变气缸内气体的压力,从而控制活塞的运动速度。
就像调节水龙头,想让水流得快点还是慢点,随你便!所以,速度控制回路就像一个聪明的小管家,时刻关注着气缸的“动态”。
4. 控制回路的组成4.1 关键部件接下来,我们来看看速度控制回路的关键部件。
首先要提的是“阀门”,它就像个守门员,负责气体的进出。
然后是“传感器”,这小家伙就像眼镜蛇,敏锐得很,能够实时监测气缸的状态,让整个系统保持在最佳状态。
项目八双作用气缸的速度控制1、实验目的
1)通过气管连接、安装、掌握元件原理技能。
2)通过实验掌握与连接控制气路回路。
2、实验元件
双作用气缸
三联件
图1 连接气动图
3、操作步骤
图中装了两只单向节流阀,目的是对活塞向两个方向运动时的气进行节流,而气流是通过单向节流阀里的节流阀供给活塞,所以调节阀的旋转可以调节起的大小,以控制活塞杆的运动速度。
按下按钮阀1调节单向节流阀1的大小,越大,活塞伸出速度越快。
越小,活塞伸出速度越慢,按下按钮阀2调节单向节流阀2的大小,越大,活塞缩回速度越快,反之,调节越小,活塞速度就越慢。
松开按钮阀,压缩空气从按钮阀R排气。
4、实验气路
首先从空气压缩机的出气口连接到三联件进气口(P口),三联件由排水过滤器,减压阀、油雾器组成。
气管由三联件的出口(A口)分三路,第一路连接到按钮阀1的进气口(P口),在从按钮阀的(A口)连接到二位五通阀(Z口)
的进气口进气,第二路连接到二位五通阀的(P口),第二路连接到按钮阀2的(P口),再从按钮阀2的(A口)连接到减压阀的(P口),从减压阀的(A口)连接到二位五通阀的(Y口),从二位五通阀的(A口)连接调节单向阀1的(P 口),单向调节阀1的(A口)连接到气缸(A口),再从二位五通阀的(B口)连接到单向节流阀2的(P口),从节流阀的(A口)到气缸的(B口)。
减压阀有压力显示。
5、实验指导
1)根据实验要求,将元件安装在实验屏上。
2)根据气动回路图,用塑料软管和附件将气动元件连接起来。
双作用气缸的速度控制教学目标:1、知识与技能1)、掌握各元件的名称、符号、功用;2)、读懂原理图,并利用原理图连接气路;3)、通过气路连接、控制,了解元件的工作原理;2、过程与方法:首先讲解各元器件的名称、符号、功用和原理图;其次通过老师的连接演示,启发学生;然后由学生自己动手进行气路连接和操作,通过实验由学生自己分析实验现象,进行总结。
3、情感态度价值观:培养学生分析问题,解决问题的能力。
教学重点:1、各元器件的名称、符号、功用;2、气路连接3、现象分析教学难点:气路连接及现象分析教学方法:讲授、演示、实操课时安排:2课时课前准备:各实验实训用元件教学过程:课堂小结:这一节主要实验了双作用气缸的速度控制,在这里要注意各元器件的功用、符号、名称作业:实验报告一份板书设计:一、实验目的:二、实验元件:三、实验原理图:四、实验步骤:五、实验现象记录:1、刚开始通气时,气缸如何动作?2、分别按下按钮常闭阀1和2,气缸如何动作?3、分别调节单向节流阀1和2,气缸动作有何变化?六、现象分析:双作用气缸的与逻辑功能控制教学目标:2、知识与技能1)、掌握各元件的名称、符号、功用;2)、读懂原理图,并利用原理图连接气路;3)、理解与逻辑功能;2、过程与方法:首先讲解各元器件的名称、符号、功用和原理图;其次通过老师的连接演示,启发学生;然后由学生自己动手进行气路连接和操作,通过实验由学生自己分析实验现象,进行总结。
4、情感态度价值观:培养学生分析问题,解决问题的能力。
教学重点:4、各元器件的名称、符号、功用;5、气路连接6、现象分析教学难点:气路连接及现象分析教学方法:讲授、演示、实操课时安排:2课时课前准备:各实验实训用元件教学过程:课堂小结:这一节主要实验了双作用气缸与逻辑控制,在这里要注意各元器件的功用、符号、名称作业:实验报告一份板书设计:一、实验目的:二、实验元件:三、实验原理图:四、实验步骤:五、实验现象记录:1、刚开始通气时,气缸如何动作?2、分别按下按钮常闭阀A和B,气缸如何动作?六、现象分析:课堂反思:双作用气缸的或逻辑功能控制教学目标:1、知识与技能1)、掌握各元件的名称、符号、功用;2)、读懂原理图,并利用原理图连接气路;3)、理解梭阀、杠杆滚轮常闭阀功能;2、过程与方法:先讲解,再试验,后分析。
双作用气缸的直接控制原理
双作用气缸的直接控制原理是通过控制气源进出气缸的进气口和出气口的开闭,来实现气缸的运动。
具体步骤如下:
1. 当气源压力与气缸进气口相连接时,气源通过进气管道进入气缸的一侧,使该侧气缸内部的气体压力增加。
2. 同时,出气口与气源断开连接,气缸的另一侧出气口打开,气体从出气口流出,使该侧气缸内部的气体压力减小。
3. 由于气压差的存在,气缸受到两侧气压差的作用,使得活塞向压力较小的一侧移动。
当活塞移动到一定位置后,进气口和出气口的状态会发生改变,即进气口关闭,出气口打开。
4. 当进气口关闭,出气口打开时,气缸的气压差消失,此时,气缸内部的气体压力相等,活塞停止运动。
通过改变进气口和出气口的状态,可以控制气源的进出,从而实现气缸的正反转运动。
液压传动与气动技术课程教案-双作用气缸直接与间接控制一、教学目标1. 理解液压传动与气动技术的基本概念。
2. 掌握双作用气缸的直接控制与间接控制原理。
3. 学会分析并设计双作用气缸的控制系统。
4. 能够应用所学知识解决实际工程问题。
二、教学内容1. 液压传动与气动技术概述液压传动的原理及应用气动技术的原理及应用2. 双作用气缸的结构与工作原理双作用气缸的构造双作用气缸的工作原理3. 双作用气缸的直接控制控制信号的发出与接收控制阀的结构与工作原理直接控制系统的组成与工作原理4. 双作用气缸的间接控制间接控制的概念与分类常用的间接控制方法间接控制系统的组成与工作原理5. 双作用气缸控制系统的分析与设计控制系统的基本原理控制系统的分析方法控制系统的设计步骤三、教学方法1. 讲授法:讲解基本概念、原理和方法。
2. 案例分析法:分析实际工程案例,加深对知识点的理解。
3. 实验法:进行实验操作,巩固理论知识。
4. 小组讨论法:分组讨论,培养团队合作能力。
四、教学资源1. 教材:液压传动与气动技术相关教材。
2. 课件:液压传动与气动技术的相关图片、图表、动画等。
3. 实验设备:双作用气缸及其控制系统。
五、教学评价1. 课堂参与度:考察学生课堂发言、提问等情况。
2. 作业完成情况:考察学生作业的正确性、完整性等。
4. 课程设计:考察学生对双作用气缸控制系统的分析与设计能力。
六、教学重点与难点1. 教学重点:液压传动与气动技术的基本原理与应用。
双作用气缸直接控制与间接控制的工作原理。
控制系统的设计与分析方法。
2. 教学难点:液压传动与气动技术中的复杂现象及其计算。
双作用气缸控制系统中多变量相互影响的理解。
控制系统在不同工况下的性能分析。
七、教学安排1. 课时:共计40课时,每课时45分钟。
2. 教学计划:液压传动与气动技术概述(2课时)双作用气缸的结构与工作原理(3课时)双作用气缸的直接控制(4课时)双作用气缸的间接控制(4课时)双作用气缸控制系统的分析与设计(6课时)实验操作与实践(10课时)八、教学进度计划1. 第一周:液压传动与气动技术概述2. 第二周:双作用气缸的结构与工作原理3. 第三周:双作用气缸的直接控制4. 第四周:双作用气缸的间接控制5. 第五周:双作用气缸控制系统的分析与设计(上)6. 第六周:双作用气缸控制系统的分析与设计(下)7. 第七周:实验操作与实践(1)8. 第八周:实验操作与实践(2)9. 第九周:实验操作与实践(3)九、教学反思1. 课程结束后,教师应认真反思教学效果,包括学生的学习情况、教学方法的适用性、学生的反馈等。
双气缸控制继电器逻辑电路系列文章(谨以此书献给广大的电工朋友图1. 气缸和行程开关的分布这个电路的要求: 当按下启动开关后,气缸A前进,压住行程开关K1后,气缸B前进,气缸B碰到K2后退,碰到K3后,气缸A退回,全过程结束.气缸由二位四通电磁阀控制,常态下使气缸保持在后止点,得电后气缸前进.象这样的电路说难不难,说易不易.关键在于对信号的认识和处理,时序图的绘制.和我的另一篇文章<气缸的四行程控制>相比,这个电路要简单些,但是有共同之处.对于信号的分类,可以分为 1.瞬时信号 2.持续信号 3.启动信号 4.停止信号 5.额外启动信号 6额外停止信号.在本例中,K1就是一个持续信号,它一直保持到过程的结束,如果有继电器以它为启动信号,而这个继电器并不工作到终点,就要考虑如何停止的问题.根据信号的出现顺序和控制要求,画出以下时序图从上图看得出:气缸A(YV1)实际上是全程通电,气缸B(YV2)是在K1到K2区间工作. K1是一个持续信号,一直保持到终点.K1和K2之间有一个额外信号K3,它是气缸B在前进过程中必须要碰到行程开关K3所发出的.现在我们按照一般思路来设计电路,给气缸A和B各分配一个继电器J1和J2,对应各自的工作区间.J1的启动由按钮发出,停止信号由K3发出. J 2由K1启动,K2停止.电路如下上面的电路能达到控制要求吗?肯定不行根据气缸布置图和时序图,很容易看出问题:1.气缸A是保持不到终点的,因为气缸B开始向前运动时会碰到K3,它会使气缸A(电磁阀YV1)提前断电. 这是因为继电器J1选择了以K3为停止信号,但是K3提前出现了一次,破坏了程序.我们把K3称之为“额外停止信号”,想办法把它排除就可以了,这里我们并联J2的触点来排除,如下图我们在行程开关K3上并联2号继电器的常开触点,就解决了1号继电器提前停止的问题. 因为气缸B前进时要启动2号继电器,它在K3上并联的常开触点闭合,然后K3再动作时1号继电器就不会断电了.2.我们发现气缸B(电磁阀YV2,继电器2)的动作也不对,它由K1启动向前运动,然后压下K2,断电后退,工作过程完成.但气缸B后退会让K2复位,气缸又向前运动-------如此反复不止,出现振荡现象. 原因就在于K1是一个持续信号,虽然K2想让它停下来,但只要K2不被压住,这个支路又通电了,如下图要解决这个问题只有增加继电器了,如此一来共用到3个继电器,它的分布和时序如下图在时序图右边的是器件的逻辑代数式,J1=(S+j1)(K3b+j2)的电路如下所示它的意思是:启动按钮和自锁触点并联,行程开关K3和2号继电器常开触点并联,避免提前断电.然后两个部分再串联.完整的电路如下所示那么这个电路能不能用两个继电器来完成呢? 当然可以的.我们把继电器的分布更合理一些,就可以了.如下图所示,两个继电器成阶梯形布置,它就能可靠地运算出三个独立的区间(逻辑与运算), 也能够运算出全部区间(逻辑或运算).这一点在电磁阀的驱动上最能看出来上图中继电器呈阶梯(交叉)分布,能够很好地运算出各个区间从下面的线圈驱动电路可以看出,YV1的驱动,1号和2号继电器任何一个都可以. YV2的驱动,必须要两个继电器都工作才行,这样就很巧妙地把两个电磁阀的工作区间确定了.。
双作用气缸的速度控制1.增大气缸的工作压力:增大气缸的工作压力可以提高气缸的速度。
因为气缸的速度与气压成正比,所以只需适当增大气压即可加快气缸的速度。
但是过高的工作压力会增加能耗,同时也会对气缸和其他液压元件产生一定的负面影响,因此需要根据具体情况进行合理的调整。
2.控制油流量:双作用气缸的速度也可以通过控制油的流量来实现。
通过调整气缸的进油口和出油口的阀门开度,可以改变油的流动速度,进而控制气缸的速度。
可以使用流量控制阀或比例阀等液压元件来实现对油流的控制。
这种方法可以实现精确的速度控制,但需要较为复杂的控制系统和较高的成本。
3.使用减速装置:双作用气缸的速度也可以通过使用减速装置来实现。
例如,在气缸的活塞上安装一个齿轮或链条装置,通过改变传动比,可以减小活塞的运行速度。
这种方法简单可行,并且成本较低,但是精度相对较低,适合对速度要求不太高的应用。
4.使用气缸节流:气缸的节流控制是指在气缸出油口处设置一个节流阀,通过改变节流阀开口的大小,可以控制气缸的出油速度,从而实现速度控制。
节流阀的开度越大,出油速度越大,气缸的速度也越快。
这种方法简单可行,适用于速度要求比较低的应用。
5.使用伺服系统:双作用气缸的速度还可以通过使用伺服系统来实现。
伺服系统可以通过控制电机的转速来实现对气缸速度的控制。
伺服系统可以实现高精度的速度控制,适用于对速度要求较高的应用,但是成本较高。
以上是双作用气缸的速度控制的几种常见方法,具体的应用需要根据实际情况进行选择和调整。
在选择速度控制方法时,需要考虑工作要求、成本、精度等因素,从而找到最适合的方法。
双向气缸原理
双向气缸是一种常见的执行元件,它能够将气能转化为机械能,实现物体的运动。
其原理是利用气体的压力进行驱动,通过控制气体进出气缸的通道来实现气缸的双向移动。
在一个双向气缸中,通常包含一个活塞和两个活塞杆。
当气缸的一侧通入气体时,气缸内的压力增加,使得活塞受到推力向另一侧移动。
同时,另一侧的气体被释放出来,从而保持气缸内的平衡。
当控制气体通道反转时,气缸的另一侧将通入气体,而先前处于工作状态的一侧将释放气体。
这个过程会导致活塞从另一侧移向刚才的位置,实现了气缸的双向移动。
双向气缸通常通过气动阀控制气体的进出,可以根据需要调整气缸的工作方向和速度。
此外,在控制气体通道的设计上,还可以实现气缸的精确控制,以满足不同的工作需求。
双向气缸广泛应用于各种机械装置和自动化系统中,例如工业机械、汽车制造和物流设备等。
它具有结构简单、操作可靠、响应速度快等优点,是一种非常重要的执行元件。
液压传动与气动技术课程教案-双气缸运行的顺序控制一、教学目标1. 理解液压传动与气动技术的基本原理。
2. 掌握双气缸运行的顺序控制方法。
3. 能够设计并实施双气缸顺序控制的应用实例。
二、教学内容1. 液压传动与气动技术概述液压传动的原理与应用气动技术的原理与应用2. 双气缸运行的顺序控制原理双气缸的工作原理与结构顺序控制的基本方法与实现方式3. 顺序控制阀的使用顺序控制阀的类型与功能顺序控制阀的安装与调试4. 顺序控制应用实例分析实例一:双气缸顺序控制实现物料搬运实例二:双气缸顺序控制实现机械手动作5. 故障分析与排除常见故障现象与原因故障排除方法与技巧三、教学方法1. 讲授法:讲解液压传动与气动技术的基本原理,双气缸运行的顺序控制原理及应用实例。
2. 实践操作法:引导学生进行顺序控制阀的使用与调试,分析故障原因并排除。
3. 案例分析法:分析双气缸顺序控制的应用实例,培养学生解决实际问题的能力。
四、教学准备1. 教室环境:多媒体教学设备,投影仪,教学PPT。
2. 实践场地:液压传动与气动技术实验设备,包括双气缸、顺序控制阀等。
3. 教学材料:教材、实验指导书、故障分析与排除手册。
五、教学评价1. 课堂参与度:评估学生在课堂上的发言与提问情况。
2. 实践操作能力:评估学生在实验过程中的操作技能与问题解决能力。
3. 课后作业:布置相关题目,评估学生对教学内容的掌握程度。
4. 故障分析与排除能力:评估学生在实际操作中分析故障原因并排除故障的能力。
六、教学步骤1. 引言:回顾上节课的内容,引入本节课的主题——双气缸运行的顺序控制。
2. 液压传动与气动技术概述:讲解液压传动与气动技术的基本原理,引导学生了解液压传动的应用范围。
3. 双气缸运行的顺序控制原理:讲解双气缸的工作原理与结构,引导学生理解顺序控制的基本方法与实现方式。
4. 顺序控制阀的使用:讲解顺序控制阀的类型与功能,演示顺序控制阀的安装与调试过程。
plc双作用气缸控制块-概述说明以及解释1.引言1.1 概述概述:PLC双作用气缸控制块是指利用可编程逻辑控制器(PLC)来控制双作用气缸的一种设备或模块。
双作用气缸是一种常用的执行元件,能够实现双向推拉运动。
而PLC双作用气缸控制块则可以通过编程实现对气缸的控制和监测,从而实现自动化控制系统的功能。
本文将对PLC双作用气缸控制块的定义、工作原理、优势以及未来发展进行探讨,旨在帮助读者更加深入地了解和应用这一技术。
"1.2 文章结构"部分为:本文将首先介绍PLC双作用气缸控制块的定义,包括其功能和特点。
然后将详细探讨PLC双作用气缸控制块的工作原理,解析其在工业自动化控制中的应用。
最后,将总结PLC双作用气缸控制块的优势,为读者提供指导和建议。
在结尾处,对PLC双作用气缸控制块的未来发展进行展望,探讨其可能的发展方向和潜力。
通过本文的阐述,读者将对PLC双作用气缸控制块有一个更深入的了解,以便在实际应用中更好地运用和优化。
1.3 目的本文的目的是介绍和探讨PLC双作用气缸控制块的相关知识和技术。
通过深入分析PLC双作用气缸控制块的定义和工作原理,我们可以更好地了解其在工业自动化领域的应用和优势。
同时,本文也将展望PLC双作用气缸控制块在未来的发展方向,希望为相关领域的研究和应用提供一定的参考和指导。
通过本文的阐述,读者可以对PLC双作用气缸控制块有着更清晰和全面的认识,从而为相关领域的实践和创新提供理论支持和技术指导。
2.正文2.1 PLC双作用气缸控制块的定义PLC双作用气缸控制块是一种在工业自动化领域广泛应用的控制装置,用于控制双作用气缸的运动。
双作用气缸是一种常见的执行元件,可以通过气压的正反转来实现双向运动。
PLC双作用气缸控制块通常由PLC控制器、气动元件(如电磁阀、气缸)和传感器等组成。
PLC控制器是控制系统的核心部件,可以通过编程实现对气缸的控制逻辑。
气动元件则负责将PLC控制器输出的信号转换为实际的气动动作,控制气缸的运动。
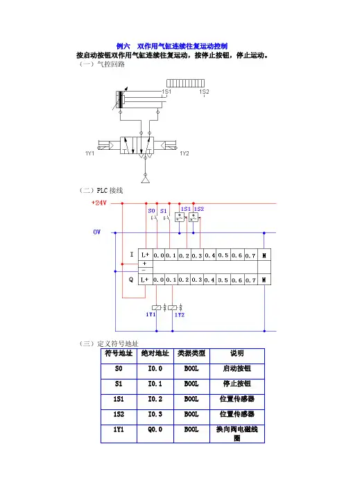
例六双作用气缸连续往复运动控制按启动按钮双作用气缸连续往复运动,按停止按钮,停止运动。
(一)气控回路(二)PLC接线练习:编制电动机点动和连续运转控制程序。
(一)定义符号地址练习:编制双控灯控制程序,要求开关K1或K2任意一个开关的开和关的操作均可以控制灯L的亮和灭。
完成后可再编制三控灯。
参考程序程序1:4. RS触发器在逻辑串中,影响右边的逻辑操作结果。
例一控制传送带一个由电气启动的传送带,在传送带的起点有两个按钮开关:用于START的S1和STOP的S2。
在传送带的尾部也有两个按钮开关:用于START的S3和STOP的S4。
可以从任何一端起动或停止传送带。
另外,当传送带上的物件到达末端时,传感器S5使传送带停机。
(一)PLC接线思考题:如下的程序有什么不足之处?应如何改正?例二双缸顺序动作控制程序设计程序,使两个气缸顺序动作,其顺序为:A1B1B0A0。
(一)气控回路(二)位移-步骤图1 2 3 4 5=11A1B(三)I型障碍信号分析(四)PLC接线(五)定义符号地址(六)梯形图程序RLO上升沿检测指令识别RLO从0至1(上升沿)的信号变化,并且在操作之后以RLO=1表示这一变化。
用边沿存储位比较RLO的现在的信号状态与该地址上周期的信号状态,如果操作之前地址的信号状态是0,并且现在RLO=1,那么操作之后,RLO将为1(脉冲),所有其它的情况为0。
在该操作之前,RLO存储于地址中。
RLO下降沿检测指令识别RLO从1至0(下降沿)的信号变化,并且在操作之后以RLO=1表示这一变化。
用边沿存储位比较RLO的现在的信号状态与该地址上周期的信号状态,如果操作之前地址的信号状态是1,并且现在RLO=0,那么操作之后,RLO将为1(脉冲),所有其它的情况为0。
在该操作之前,RLO存储于地址中。
如果RLO在相邻的两个扫描周期中相同(全为1或0),那么FP或FN语句把RLO位清0。
6.地址上升沿、下降沿检测指令地址上升沿检测指令将<位地址1>的信号状态与存储在<位地址2>中的先前信号状态检查时的信号状态比较。
双作用气缸速度控制双作用气缸是工业领域中常见的一种执行元件,它具有多种应用场景。
而双作用气缸的速度控制则是实现气缸动作精确控制的关键。
本文将就双作用气缸速度控制的原理、方法和应用进行详细介绍。
一、双作用气缸速度控制的原理双作用气缸的速度控制是通过控制气源进出口的流量来实现的。
当气源流入气缸时,气缸的活塞运动受到气源的推动力,从而实现工作。
而当气源流出气缸时,活塞受到负载力的作用,从而实现回程。
因此,通过控制气源流入和流出的流量,可以实现气缸的速度控制。
1. 阀门控制法:通过调节进气和出气阀门的开度来控制气源的流量,从而控制气缸的速度。
这种方法简单易行,但是对于较大的气缸和复杂的工作环境,需要较为精确的控制时,阀门控制法的精度和效果就有限了。
2. 节流控制法:通过在气缸进气或出气口设置节流阀来控制气源的流量,从而控制气缸的速度。
节流阀的开度可以通过手动或自动控制,可以实现较为精确的速度控制。
但是,节流控制法在实际应用中需要根据具体情况不断调试和优化,以确保气缸的速度控制稳定可靠。
3. 气源压力控制法:通过控制气源的压力来实现气缸的速度控制。
当气源压力较高时,气缸的速度较快;当气源压力较低时,气缸的速度较慢。
这种方法的优点是简单易行,但是对于较大的气缸和复杂的工作环境,需要较为精确的控制时,气源压力控制法的精度和效果也有限。
三、双作用气缸速度控制的应用双作用气缸速度控制广泛应用于各个工业领域,特别是需要精确控制的自动化生产线上。
以下是几个常见的应用场景:1. 机械加工:在机床上,双作用气缸的速度控制可以实现工件的定位、夹紧和放置等动作,从而实现高效自动化的加工过程。
2. 输送系统:在物流行业中,双作用气缸的速度控制可以实现货物的输送、分拣和堆垛等动作,从而提高物流效率和准确性。
3. 汽车制造:在汽车生产线上,双作用气缸的速度控制可以实现车身焊接、装配和喷漆等工序,从而实现高效率和高质量的汽车生产。
4. 包装行业:在包装生产线上,双作用气缸的速度控制可以实现产品的装箱、封箱和标签贴附等动作,从而提高包装效率和质量。
实训1:PLC控制单气缸往复运动1.1控制要求(1)按下启动按钮,气缸向右运行。
(2)气缸向右运行到位后延时3秒。
(3)气缸向左运行。
(4)气缸向右运行到位后延时2秒。
(5)气缸向右运行。
(6)气缸向右运行到位后停止,等待。
1.2部件分配控制系统的硬件组成:启动按钮X0,停止按钮X1,急停按钮X2,复位按钮X3,传感器X4,X5 气缸电磁阀2个Y A1,Y A2,控制气缸前进与后退等。
1.3控制电路设计1.4 PLC控制系统的I/O地址分配表1.5.功能流程图1.6.梯形图实训2:PLC控制双气缸顺序动作回路实训2.1控制要求(1)按下X0按钮,A气缸向右。
(2)A气缸向右到位后延时3秒。
(3)B气缸向右后延时3秒。
(4)B气缸向左到位后延时3秒。
(5)B气缸向左。
(6)B气缸到位后延时3秒。
(7)A气缸向左。
(8)A气缸向左延时3秒后等待。
2.2部件分配控制系统的硬件组成:启动按钮X0,停止按钮X1,急停按钮X2,复位按钮X3,传感器X4,X5,X6,X7 气缸电磁阀4个Y A1,Y A2,Y A3,Y A4。
控制气缸前进与后退等。
2.3控制电路设计2.4 PLC控制系统的I/O地址分配表PLC I/O列表序号PLC地址代号名称用途备注1 X0 SB1 启动按钮触发常开2 X1 SB2 停止按钮停止常开3 X2 SB3 急停紧急停止常开4 X3 SB4 复位回复初始位置常开5 X4 ST1 磁性开关前进到位信号常开6 X5 ST2 磁性开关后退到位信号常开7 X6 ST3 磁性开关前进到位信号常开8 X7 ST4 磁性开关后退到位信号常开9 Y0 YV1 电磁阀A气缸前进常开10 Y1 YV2 电磁阀A气缸后退常开11 Y2 YV3 电磁阀B气缸前进常开12 Y3 YV4 电磁阀B气缸后退常开2.5.功能流程图2.6.梯形图实训3:PLC控制四气缸顺序动作实训3.1控制要求(1)按下启动按钮,A气缸向右。
液压传动与气动技术课程教案-双作用气缸自锁电路控制一、教学目标:1. 让学生了解双作用气缸的工作原理及其在工业中的应用。
2. 使学生掌握双作用气缸自锁电路的控制原理及设计方法。
3. 培养学生动手操作和实际问题解决能力,提高学生的创新意识和团队协作能力。
二、教学内容:1. 双作用气缸的结构与工作原理2. 双作用气缸自锁电路的控制原理3. 自锁电路的设计方法与步骤4. 常见故障分析与排除方法5. 动手实践与操作三、教学方法:1. 采用讲授法,讲解双作用气缸的结构、工作原理及自锁电路的控制原理。
2. 采用案例分析法,分析实际应用案例,让学生更好地理解双作用气缸自锁电路的应用。
3. 采用实践操作法,让学生动手设计并搭建自锁电路,提高学生的实际操作能力。
4. 采用小组讨论法,培养学生的团队协作能力和创新意识。
四、教学准备:1. 教室内需配备双作用气缸及其控制电路的实验设备。
2. 准备相关教学PPT、案例资料及实验指导书。
3. 准备疑问解答环节所需的知识点资料。
五、教学过程:1. 引入新课:简要介绍双作用气缸及其在工业中的应用,激发学生的学习兴趣。
2. 讲解双作用气缸的结构与工作原理,让学生了解其工作原理。
3. 讲解双作用气缸自锁电路的控制原理,引导学生理解自锁电路的作用。
4. 讲解自锁电路的设计方法与步骤,让学生学会如何设计自锁电路。
5. 分析常见故障案例,教授学生如何排除故障。
6. 组织学生进行动手实践,设计并搭建自锁电路,培养学生的实际操作能力。
7. 课程总结:回顾本节课所学内容,强调重点知识点。
8. 布置课后作业:让学生巩固所学知识,提高实际应用能力。
9. 疑问解答环节:解答学生提出的疑问,提高学生的理解水平。
10. 课程反馈:收集学生对本节课教学的意见和建议,不断改进教学方法。
六、教学评估:1. 课堂讲解评估:观察学生对双作用气缸自锁电路控制原理的理解程度,以及学生对自锁电路设计方法的掌握情况。
2. 动手实践评估:检查学生动手搭建自锁电路的正确性和熟练程度,以及对故障排除的方法应用能力。
双作用气缸调速回路工作原理在工业自动化领域,气动技术以其低成本、高效率和易于维护等特点,被广泛应用于各种机械设备中。
双作用气缸作为气动系统中的重要执行元件,其调速回路的设计和工作原理对于整个系统的性能具有重要影响。
本文将深入探讨双作用气缸调速回路的工作原理,并分析其在实际应用中的优化策略。
一、双作用气缸的基本概念双作用气缸是一种能够在两个方向上产生推力和拉力的气动执行元件。
它主要由缸筒、活塞、活塞杆、前后端盖及密封件等组成。
当压缩空气从气缸的一端进入时,推动活塞向另一端移动;反之,当压缩空气从另一端进入时,推动活塞反向移动。
这种双向运动的特点使得双作用气缸在工业自动化领域具有广泛的应用。
二、调速回路的作用与重要性调速回路是气动系统中的关键部分,它负责控制气缸的运动速度。
通过调节进入气缸的压缩空气流量和压力,调速回路可以实现气缸的快速、平稳和精确运动。
这对于提高机械设备的生产效率、降低能耗和减少维护成本具有重要意义。
三、双作用气缸调速回路的工作原理双作用气缸调速回路的工作原理主要依赖于对压缩空气流量和压力的控制。
一般来说,调速回路包括以下几个关键部分:1. 气源处理元件:负责提供稳定、干燥的压缩空气,以满足气缸的工作需求。
这包括空气压缩机、储气罐、干燥器和过滤器等。
2. 方向控制阀:用于控制压缩空气进入气缸的方向。
常见的方向控制阀有二位三通阀、二位五通阀等。
通过改变阀芯的位置,可以实现气缸的正向和反向运动。
3. 流量控制阀:负责调节进入气缸的压缩空气流量,从而控制气缸的运动速度。
流量控制阀通常与方向控制阀配合使用,以实现气缸在不同方向上的速度调节。
常用的流量控制阀有节流阀和调速阀等。
节流阀通过改变阀口的通流面积来调节流量,而调速阀则能在负载变化时保持稳定的流量输出。
4. 压力控制元件:用于监测和调节气缸的工作压力。
这包括压力表和压力开关等。
当气缸的工作压力过高或过低时,压力控制元件可以发出信号或切断气源,以保护气缸和整个气动系统免受损坏。
单控和双控气缸程序块1.引言1.1 概述概述部分的内容:单控和双控气缸程序块是在自动化控制系统中常用的控制元件。
它们通过将气动或液动传动机构与PLC(可编程逻辑控制器)相结合,实现对气缸的控制,从而使机械设备具备更加智能化的运动控制能力。
单控气缸程序块是一种基本的气缸控制程序,它通过向气缸的进气阀和排气阀分别提供控制信号,实现单向运动控制。
单控气缸程序块具有结构简单、操作方便、成本低等优点,适用于一些简单的气动控制场景。
双控气缸程序块是在单控气缸程序块的基础上发展起来的一种更加复杂的气缸控制程序。
它通过在气缸的进气阀和排气阀之间增加两个控制阀,实现气缸的双向运动控制。
双控气缸程序块具有控制灵活、运动平稳、功能强大等优点,适用于一些对气缸运动要求较高的场景。
本文将详细介绍单控气缸程序块和双控气缸程序块的定义和原理,并分析它们在实际应用中的场景和优缺点。
通过对比分析这两种气缸程序块,可以更好地了解它们的特点和适用范围,为工程师们在实际控制系统中的选择提供一定的参考依据。
在进一步了解单控和双控气缸程序块之后,我们可以更好地理解它们的控制原理和功能特点,并在实际应用中准确选择和使用适合的气缸程序块,从而实现更高效、稳定和可靠的机械设备运动控制。
1.2文章结构文章结构部分的内容:本文主要围绕单控和双控气缸程序块展开讨论。
首先,在引言部分概述了本文的主要内容和目的。
接下来,正文部分将分为两个小节,分别介绍了单控气缸程序块和双控气缸程序块。
在每个小节中,将对其定义和原理进行详细分析,并列举了它们在实际应用中的场景。
最后,在结论部分对单控和双控气缸程序块进行了对比分析,并对整篇文章进行了总结。
通过这样的文章结构安排,读者可以清晰地了解到单控和双控气缸程序块的定义、原理和应用场景,并掌握它们之间的差异和联系。
1.3 目的本文的目的是介绍和解释单控和双控气缸程序块的概念、原理和应用场景。
通过对这两种气缸程序块的详细描述和比较分析,旨在帮助读者深入理解这两种控制方式的特点和优劣,并在实际应用中能够选择适合的控制方式。
一个双作用气缸与逻辑功能及延时控制学训心得
双作用气缸是常见的气动执行元件之一,其具有正反两个方向的运动能力,可用于推动、拉动、升降、夹持等机械行动。
在控制双作用气缸的运动过程中,逻辑功能和延时控制是常用的控制方式,下面是我的学习心得:
一、逻辑功能控制
1. 逻辑功能控制可以通过简单的开关电路实现,适合控制简单动作或者单个气缸的动作;
2. 当需要控制多个气缸进行协同动作时,逻辑功能控制不够灵活,且难以维护,因此可以采用PLC等程序控制器对多个气缸进行协同控制;
3. 在逻辑功能控制过程中,需要注意开关电路的接线正确,避免反向通电或短路等安全问题。
二、延时控制
1. 延时控制主要用于控制气缸运动的速度和运动顺序;
2. 延时控制可通过电磁阀、节流阀、缓冲器等方式实现;
3. 在延时控制过程中,需要根据气缸的规格和运动速度确定调整参数,避免延时过长或者过短的情况发生。
总体来说,逻辑功能和延时控制是气动系统中常用的控制方式,可以帮助实现复杂的机械动作。
在实际应用中,需要合理选择控制方式,并注意安全性和实用性问题。
双气缸控制
继电器逻辑电路系列文章(谨以此书献给广大的电工朋友
图1. 气缸和行程开关的分布
这个电路的要求: 当按下启动开关后,气缸A前进,压住行程开关K1后,气缸B前进,气缸B碰到K2后退,碰到K3后,气缸A退回,全过程结束.
气缸由二位四通电磁阀控制,常态下使气缸保持在后止点,得电后气缸前进.
象这样的电路说难不难,说易不易.关键在于对信号的认识和处理,时序图的绘制.
和我的另一篇文章<气缸的四行程控制>相比,这个电路要简单些,但是有共同之处.
对于信号的分类,可以分为 1.瞬时信号 2.持续信号 3.启动信号 4.停止信号 5.额外启动信号 6额外停止信号.在本例中,K1就是一个持续信号,它一直保持到过程的结束,如果有继电器以它为启动信号,而这个继电器并不工作到终点,就要考虑如何停止的问题.
根据信号的出现顺序和控制要求,画出以下时序图
从上图看得出:气缸A(YV1)实际上是全程通电,气缸B(YV2)是在K1到K2区间工作. K1是一个持续信号,一直保持到终点.K1和K2之间有一个额外信号K3,它是气缸B在前进过程中必须要碰到行
程开关K3所发出的.
现在我们按照一般思路来设计电路,给气缸A和B各分配一个继电器J1和J2,对应各自的工作区间.J1的启动由按钮发出,停止信号由K3发出. J 2由K1启动,K2停止.电路如下
上面的电路能达到控制要求吗?肯定不行
根据气缸布置图和时序图,很容易看出问题:
1.气缸A是保持不到终点的,因为气缸B开始向前运动时会碰到K3,
它会使气缸A(电磁阀YV1)提前断电. 这是因为继电器J1选择了以K3为停止信号,但是K3提前出现了一次,破坏了程序.
我们把K3称之为“额外停止信号”,想办法把它排除就可以了,这里我
们并联J2的触点来排除,如下图
我们在行程开关K3上并联2号继电器的常开触点,就解决了1号继电器提前停止的问题. 因为气缸B前进时要启动2号继电器,
它在K3上并联的常开触点闭合,然后K3再动作时1号继电器就不会
断电了.
2.我们发现气缸B(电磁阀YV2,继电器2)的动作也不对,它由K1启动
向前运动,然后压下K2,断电后退,工作过程完成.但气缸B后退会让
K2复位,气缸又向前运动-------如此反复不止,出现振荡现
象. 原因就在于K1是一个持续信号,虽然K2想让它停下来,但只要
K2不被压住,这个支路又通电了,如下图
要解决这个问题只有增加继电器了,如此一来共用到3个继电器,它的分布和时序如下图
在时序图右边的是器件的逻辑代数式,J1=(S+j1)(K3b+j2)的电路如下所示
它的意思是:启动按钮和自锁触点并联,行程开关K3和2号继电器常开触点并联,避免提前断电.然后两个部分再串联.
完整的电路如下所示
那么这个电路能不能用两个继电器来完成呢? 当然可以的.
我们把继电器的分布更合理一些,就可以了.如下图所示,两个继电器成阶梯形布置,它就能可靠地运算出三个独立的区间(逻辑与运算), 也能够运算出全部区间(逻辑或运算).
这一点在电磁阀的驱动上最能看出来
上图中继电器呈阶梯(交叉)分布,能够很好地运算出各个区间
从下面的线圈驱动电路可以看出,YV1的驱动,1号和2号继电器任何一个都可以. YV2的驱动,必须要两个继电器都工作才行,这样就很
巧妙地把两个电磁阀的工作区间确定了.。