柱模板(有对拉螺栓)-3
- 格式:rtf
- 大小:11.75 MB
- 文档页数:11
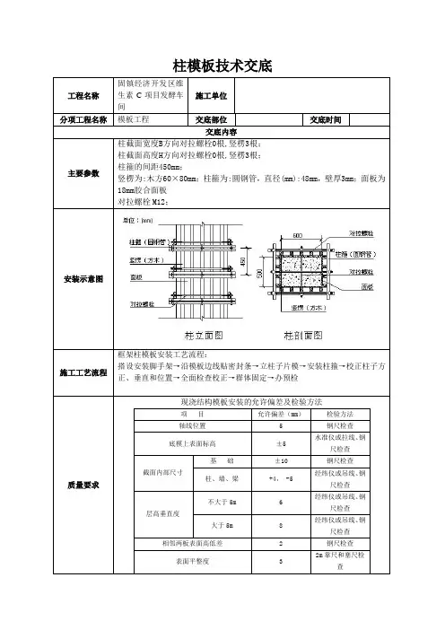
柱模板技术交底工程名称固镇经济开发区维生素C项目发酵车间施工单位分项工程名称模板工程交底部位交底时间交底内容主要参数柱截面宽度B方向对拉螺栓0根,竖楞3根;柱截面高度H方向对拉螺栓0根,竖楞3根;柱箍的间距450mm;竖楞为:木方60×80mm;柱箍为:圆钢管,直径(mm):48mm,壁厚3mm;面板为18mm胶合面板对拉螺栓M12;安装示意图施工工艺流程框架柱模板安装工艺流程:搭设安装脚手架→沿模板边线贴密封条→立柱子片模→安装柱箍→校正柱子方正、垂直和位置→全面检查校正→群体固定→办预检质量要求现浇结构模板安装的允许偏差及检验方法项目允许偏差(mm)检验方法轴线位置 5 钢尺检查底模上表面标高±5水准仪或拉线、钢尺检查截面内部尺寸基础±10 钢尺检查柱、墙、梁+4, -5经纬仪或吊线、钢尺检查层高垂直度不大于5m 6经纬仪或吊线、钢尺检查大于5m 8经纬仪或吊线、钢尺检查相邻两板表面高低差 2 钢尺检查表面平整度 32m靠尺和塞尺检查1)墙体施工缝防止漏浆处理:墙体模板下压2cm,下压部位混凝土上粘贴海绵条。
所有模板体系在预制拼装时,边线平直,四角归方,接缝平整;梁底边、二次模板接头处和转角处均加垫10mm厚海绵条以防止漏浆。
2)框架柱施工缝防止漏浆处理:框架柱与底(顶)板模板接槎处防止漏浆方法与外墙内侧模板处防止漏浆方法相同,模板就位后抹水泥砂浆堵缝;框架柱与框架梁接缝处沿接缝贴2厘米宽海绵条,由模板下压及柱箍锁紧以防止漏浆。
3)梁、板施工缝防止漏浆处理:梁、板模板转角、接缝处应尽量拼接密实,并粘贴塑料胶带或填塞水泥腻子用以防止漏浆。
4)地下室施工缝的留置及防水处理:地下室外墙第一道水平施工缝留设在-5.9m 标高处。
第二道水平施工缝设于顶板板底往上20mm左右处,水平施工缝防水采用BW型膨胀橡胶止水条。
基础底板后浇带处、外墙竖向施工缝采用预埋钢板止水带进行止水。
一、工程概况本工程为某住宅小区的6层住宅楼,建筑面积为15000平方米。
建筑结构为框架结构,柱最大截面为600×600mm,梁最大截面为300×600mm,板最大厚度为120mm。
为确保施工质量和进度,特制定本模板工程施工方案。
二、施工准备1. 技术准备(1)组织技术人员学习施工图纸,熟悉施工工艺,掌握相关技术要求。
(2)对施工人员进行技术交底,确保施工人员了解施工方案和施工要求。
2. 材料准备(1)模板材料:采用复合木模板,满足设计要求。
(2)支撑材料:采用48×3.5mm钢管,满足强度和刚度要求。
(3)连接件:采用扣件、螺栓等,确保模板的稳定性和安全性。
3. 机械设备准备(1)电动工具:电钻、切割机、螺丝刀等。
(2)手动工具:扳手、锤子、水平尺等。
(3)起重设备:卷扬机、滑轮等。
三、施工工艺1. 模板安装(1)柱模板安装:先安装柱箍,再安装柱模板,最后安装支撑体系。
(2)梁模板安装:先安装梁侧模板,再安装梁底模板,最后安装支撑体系。
(3)板模板安装:先安装板侧模板,再安装板底模板,最后安装支撑体系。
2. 支撑体系安装(1)柱支撑体系:采用钢管和扣件组成,间距为500mm。
(2)梁支撑体系:采用钢管和扣件组成,间距为600mm。
(3)板支撑体系:采用钢管和扣件组成,间距为800mm。
3. 模板加固(1)柱模板加固:采用对拉螺栓进行加固,间距为600mm。
(2)梁模板加固:采用对拉螺栓进行加固,间距为600mm。
(3)板模板加固:采用对拉螺栓进行加固,间距为800mm。
四、施工质量控制1. 模板安装质量:确保模板平整、垂直、牢固,无变形、裂缝等现象。
2. 支撑体系质量:确保支撑体系稳定、可靠,无松动、变形等现象。
3. 模板加固质量:确保加固措施到位,无遗漏、松动等现象。
五、施工安全措施1. 施工人员必须佩戴安全帽、安全带等防护用品。
2. 严禁在模板支撑体系上进行攀登、跳跃等危险行为。
柱模板(设置对拉螺栓)技术交底使用。
5、为防止模底烂根,放线后应用水泥砂浆找平并加垫海绵。
6、所有柱子模板拼缝、梁与柱、柱与梁等节点处均用海绵胶带贴缝,楼板缝用胶带纸贴缝,以确保混凝土不漏浆。
7、模板安装应严格控制轴线、平面位置、标高、断面尺寸、垂直度和平整度,模板接缝隙宽度、高度、脱模剂刷涂及预留洞口、门洞口断面尺寸等的准确性。
严格控制预期拼模板精度。
8、严格执行预留洞口的定位控制,预留洞口时,木工严格按照墨线留洞。
9、每层主轴线和分部轴线放线后,规定负责测量记录人员及时记录平面尺寸测量数据,并要及时记录墙、柱、成品尺寸,目的是通过数据分析梁体和柱子的垂直度误差。
并根据数据分析原因,将问题及时反馈到有关生产负责人,及时进行整改和纠正。
10、所有竖向结构的阴、阳角均须加设橡胶海绵条于拼缝中,拼缝要牢固。
11、阴、阳角模必须严格按照模板设计图进行加固处理。
12、为防止梁模板安装出现梁身不平直、梁底不平下挠、梁侧模胀模等质量问题,支模时应将侧模包底模,梁模与柱模连接处,下料尺寸应略为缩短等。
安全保证措施1、模板安装高度在2m及以上时,应符合现行国家标准《建筑施工高处作业安全技术规范》JGJ 80的有关规定。
2、模板及其支撑系统在安装过程中必须设置防倾覆的可靠临时设施。
3、登高作业时,各种配件应放在工具箱或工具袋中严禁散放在模板或脚手板上,各种工具应系挂在操作人员身上或放在工具袋中,不得掉落。
4、安装模板时,上下应有人接应,随装随运,严禁抛掷。
且不得将模板支搭在门窗框上,也不得将脚手板支搭在模板上,并严禁将模板与上料井架及有车辆运行的脚手架或操作平台支成一体。
5、当模板安装高度超过3.0m时,必须搭设脚手架,除操作人员外,脚手架下不得站其他人。
高处作业时,操作人员应佩戴安全帽、系安全带、穿防滑鞋。
安全帽和安全带应定期检查,不合格者严禁使用。
6、作业人员严禁攀登模板、斜撑杆、拉条或绳索等,不得在高处的墙顶、独立梁或在其模板上行走。
柱模板KZZ2(设置对拉螺栓)计算书柱模板(设置对拉螺栓)计算书计算依据:1、《建筑施工模板安全技术规范》jgj162-20212、《混凝土结构设计规范》gb50010-20213、《建筑结构荷载规范》gb50009-20214、《钢结构设计规范》gb50017-2021一、工程属性崭新淋混凝土柱名称崭新淋混凝土柱的排序高度(mm)14楼负一层kzz1崭新淋混凝土柱长边边长(mm)4200崭新淋混凝土柱短边边长(mm)900900二、荷载女团《建筑施工模板恩侧压力排序依据规范全系列技术规范》混凝土重力密度γc(kn/m)jgj162-2021崭新淋混凝土初稀时间t0(h)混凝土坍落度影响修正系数β241外加剂影响修正系数β1混凝土铺设速度v(m/h)4.2min{0.22γct0β1β2v1/232512混凝土侧压力排序边线处至新淋混凝土顶面总高度h(m)2崭新淋混凝土对模板的侧压力标准值g4k(kn/m)2,γch}=min{0.22×25×4×1×1×221/2,25×4.2}=min{31.113,105}=31.113kn/m2飞溅混凝土时对垂直面模板荷载标准值q3k(kn/m)崭新淋混凝土对模板的侧压力标准值g4k=min[0.22γct0β1β2v1/2,γch]=min[0.22×25×4×1×1×21/2,25×4.2]=min[31.11,105]=31.11kn/m2承载能力音速状态设计值s承=0.9max[1.2g4k+1.4q3k,1.35g4k+1.4×0.7q3k]=0.9max[1.2×31.11+1.4×2,1.35×31.11+1.4×0.7×2]=0.9max[40.132,43.959]=0.9×43.959=39.563kn/m2正常采用音速状态设计值s正=g4k=31.11kn/m2三、面板验算面板类型面板抗弯强度设计值[f](n/mm)柱长边小梁根数柱箍间距l1(mm)2覆面竹胶合板14.744700面板厚度(mm)面板弹性模量e(n/mm)柱短边小梁根数21589254模板设计平面图1、强度求函数最不利受力状态如下图,按三等跨连续梁验算静载线荷载q1=0.9×1.35bg4k=0.9×1.35×0.7×31.11=26.459kn/m活载线荷载q2=0.9×1.4×0.7bq3k=0.9×1.4×0.7×0.7×2=1.235kn/mmmax=-0.1q1l2-0.117q2l2=-0.1×26.459×0.32-0.117×1.235×0.32=-0.251knmσ=mmax/w=0.251×106/(1/6×700×152)=9.567n/mm2≤[f]=14.74n/mm2满足要求!2、挠度求函数作用线荷载q=bs正=0.7×31.11=21.777kn/mν=0.677ql4/(100ei)=0.677×21.777×3004/(100×8925×(1/12×700×153))=0.68mm≤[ν]=l/400=300/400=0.75mm满足要求!四、小梁验算小梁类型小梁横截面惯性矩i(cm)4矩形木楞256小梁横截面类型(mm)小梁横截面抵抗矩w(cm)360×8064小梁抗弯强度设计值[f](n/mm)小梁抗剪强度设计值[τ](n/mm)2213.51.35小梁弹性模量e(n/mm)最高处柱缝距楼面距离(mm)290001801、强度求函数小梁上促进作用线荷载q=bs顺=0.3×39.563=11.869kn/m小梁弯矩图(knm)mmax=1.605knmσ=mmax/w=1.605×106/64×103=25.073n/mm2>[f]=13.5n/mm2不满足要求!请优化柱箍间距,或增大相应柱边小梁根数!2、抗剪验算小梁抠力图(knm)vmax=6.185knτmax=3vmax/(2bh0)=3×6.185×1000/(2×60×80)=1.933n/mm2>[τ]=1.35n/mm2不满足要求!恳请增大梁底提振小梁间距或挑选最合适材料类型,或减少梁底提振小梁,或优化小梁边线!3、挠度求函数小梁上作用线荷载q=bs正=0.3×31.11=9.333kn/m小梁变形图(mm)ν=7.716mm>[ν]=1.75mm不满足要求!恳请优化柱箍边线,或减小适当柱边小梁根数!4、支座反力排序承载能力音速状态rmax=12.357正常采用音速状态。
6⽶⾼800截⾯柱模板(设置对拉螺栓)施⼯⽅案XXXXXX⼯程模板安全专项施⼯⽅案编制⼈:职务:校对⼈:职务:审核⼈:职务:审批⼈:职务:⽬录第⼀章⼯程概况-------------------------------------------------------------- 1⼀、危⼤⼯程概况和特点-------------------------------------------------- 1⼆、施⼯平⾯布置-------------------------------------------------------- 3三、施⼯要求------------------------------------------------------------ 3四、技术保证条件-------------------------------------------------------- 3 第⼆章编制依据-------------------------------------------------------------- 4 第三章施⼯计划-------------------------------------------------------------- 6⼀、施⼯进度计划-------------------------------------------------------- 6⼆、材料与设备计划------------------------------------------------------ 6 第四章施⼯⼯艺技术--------------------------------------------------------- 10⼀、技术参数----------------------------------------------------------- 10⼆、⼯艺流程----------------------------------------------------------- 11三、施⼯⽅法----------------------------------------------------------- 11四、操作要求----------------------------------------------------------- 22五、检查要求----------------------------------------------------------- 28 第五章施⼯安全保证措施----------------------------------------------------- 29⼀、组织保障措施------------------------------------------------------- 29⼆、技术措施----------------------------------------------------------- 32三、监测监控措施------------------------------------------------------- 33 第六章施⼯管理及作业⼈员配备和分⼯----------------------------------------- 35⼀、施⼯管理⼈员------------------------------------------------------- 35⼆、安全⽣产管理⼈员--------------------------------------------------- 36三、特种作业⼈员------------------------------------------------------- 36四、其他作业⼈员------------------------------------------------------- 37 第七章验收要求------------------------------------------------------------- 37⼀、验收标准----------------------------------------------------------- 37⼆、验收程序----------------------------------------------------------- 38三、验收内容----------------------------------------------------------- 38四、验收⼈员----------------------------------------------------------- 39 第⼋章应急处置措施--------------------------------------------------------- 39第九章计算书及相关施⼯图纸------------------------------------------------- 41⼀、计算书------------------------------------------------------------- 41⼆、施⼯图纸----------------------------------------------------------- 52第⼀章⼯程概况⼀、危⼤⼯程概况和特点1、⼯程基本情况2、各责任主体名称3、危⼤⼯程概况和特点(1)、主要特点:层⾼⼤,⽀模架搭设⾼度8m;荷载⼤,根据《危险性较⼤的分部分项⼯程安全管理规定》要求,本模板⼯程属⾼⼤模板⼯程。
柱模板支撑计算书一、柱模板基本参数柱模板的截面宽度 B=900mm ,B 方向对拉螺栓1道, 柱模板的截面高度 H=900mm ,H 方向对拉螺栓1道, 柱模板的计算高度 L = 5860mm , 柱箍间距计算跨度 d = 300mm 。
柱箍采用50×100mm 木方。
柱模板竖楞截面宽度50mm ,高度100mm 。
B 方向竖楞5根,H 方向竖楞5根。
面板厚度18mm ,剪切强度1.4N/mm 2,抗弯强度15.0N/mm 2,弹性模量6000.0N/mm 2。
木方剪切强度1.6N/mm 2,抗弯强度13.0N/mm 2,弹性模量9000.0N/mm 2。
900柱模板支撑计算简图二、柱模板荷载标准值计算强度验算要考虑新浇混凝土侧压力和倾倒混凝土时产生的荷载设计值;挠度验算只考虑新浇混凝土侧压力产生荷载标准值。
新浇混凝土侧压力计算公式为下式中的较小值:其中 γc —— 混凝土的重力密度,取24.000kN/m 3;t —— 新浇混凝土的初凝时间,为0时(表示无资料)取200/(T+15),取5.714h ; T —— 混凝土的入模温度,取20.000℃; V —— 混凝土的浇筑速度,取2.500m/h ;H —— 混凝土侧压力计算位置处至新浇混凝土顶面总高度,取3.000m ; β—— 混凝土坍落度影响修正系数,取0.850。
根据公式计算的新浇混凝土侧压力标准值 F1=40.540kN/m 2考虑结构的重要性系数0.9,实际计算中采用新浇混凝土侧压力标准值: F1=0.9×51.610=46.449kN/m 2考虑结构的重要性系数0.9,倒混凝土时产生的荷载标准值: F2=0.9×4.000=3.600kN/m 2。
三、柱模板面板的计算面板直接承受模板传递的荷载,应该按照均布荷载下的连续梁计算,计算如下18.23kN/mA面板计算简图 面板的计算宽度取柱箍间距0.30m 。
最新资料推荐500 X 500柱模板计算书柱模板的背部支撑山两层组成,第一层为直接支撑模板的竖楞,用以支撑 混凝土对模板的侧压力;笫二层为支撑竖楞的柱箍,用以支撑竖楞所受的压 力;柱箍之间用对拉螺栓相互拉接,形成一个完整的柱模板支撑体系。
单位:(mm)柱立面图 柱模板设计示意图柱截面宽度B(mm):500.00:柱截面高度H(mm):500.00:柱模板的总讣算高 度:H = 3.00m ;拄箍〔方木)竖愣〔方木)面板 对拉螺栓柱剖面图址新资料推荐叩022Q , 22。
计算简图一、参数信息1 •基本参数柱截面宽度B方向对拉螺栓数U:0;柱截面宽度B方向竖楞数U:3;柱截面高度H方向对拉螺栓数I」:0:柱截面高度H方向竖楞数U:3;2 •柱箍信息柱箍材料:木方;宽度(mm):60.00;高度(mm):80.00;柱箍的间距(mm):450;柱箍合并根数:1;3 •竖楞信息竖楞材料:木方;竖楞合并根数:1;宽度(mm):60.00;高度(mm):80.00;4 •面板参数面板类型:胶合面板;面板厚度(mm):l&00;面板弹性模量(N/mnr):6000.00;面板抗弯强度设讣值fc(N/mnr): 13.00:最新资料推荐面板抗剪强度设计ffl(N/mm2):l .50;5 •木方参数方木抗弯强度设讣值fc(N/mm2): 13.00:方木弹性模量E(N/mnr):9000.00:方木抗剪强度设计值ft(N/mm2): 1.50:二、柱模板荷载标准值计算按《施工手册》,新浇混凝土作用于模板的最大侧压力,按下列公式计算,并取其中的较小值:F二0. 22ytpip2V1/2F 二YH其中丫-混凝土的重力密度,取24. 000kN/m3;t —新浇混凝土的初凝时间,取2. OOOh;T 一混凝土的入模温度,取20.000C;V —混凝土的浇筑速度,取2. 500m/h:H —模板计算高度,取3. 000m;pi-外加剂影响修正系数,取1. 200;畑-混凝土坍落度影响修正系数,取l.OOOo分别计算得20. 036 kN/m\ 72. 000 kN/m2,取较小值20. 036 kN/m‘作为本工程计算荷载。
型钢混凝土柱施工方案(一)结构柱模板设计及施工本工程框架柱模板均采用覆膜木胶合板,沿模板短边设置50×100方木,木枋与九夹板之间用钉子钉牢,模板就位后用短钢管临时固定,柱模板用柱箍加固。
(1) 对于截面小于800mm 的柱模板加固采用双向 “十”字形排列的对拉螺栓相结合的方法.示意图如1—1:(2)柱模每边设置两道对拉螺栓从而确保模板的刚度.示意图如1—2: (3)对于单边截面大于1200mm 的柱模,该长边再增设一道拉杆,其余做法同上,如图1-3所示.(4)异型柱模板(核心筒体剪力墙) 工程的异型柱模板支设见示意见图8.2。
1-4。
(5)劲性型钢混凝土柱模板。
本工程有大量的方形、圆形型钢柱,柱的模板设计同普通方形、圆形柱模板,但其加固方式不同,型钢柱模板加固螺杆焊接固定于柱箍筋上。
如图8.2。
1—5所示。
(二) 柱钢筋绑扎(1) 工艺流程:套柱箍筋→竖向受力筋连接→画箍筋间距线→绑箍筋(2)施工要点:1) 套柱箍筋:按图纸要求间距,计算好每根柱箍筋数量,先将箍筋套在下层伸出的搭接筋上,然后立柱子钢筋,进行直螺纹连接.2) 采用直螺纹连接柱钢筋.3) 画箍筋间距线:在立好的柱子竖向钢筋上,按图纸要求做好皮数杆,用1—1 800mm 以下方柱模板支设示意图图1-2 800—1200mm 柱模板支设示意图图1-3 单边截面大于1200m 柱模板示意图图8.2。
1-5 型钢柱模板支设示意图图1-4 异型柱模板支设示意图粉笔划箍筋间距线,保证箍筋间距,如图2—1。
4) 柱箍筋绑扎:按已划好的箍筋位置线,将已套好的箍筋往上移动,由上往下绑扎,采用缠扣绑扎。
箍筋的接头(弯钩叠合处)交错布置在四角纵向钢筋上;箍筋转角与纵向钢筋交叉点均应扎牢(箍筋平直部分与纵向钢筋交叉点可间隔扎牢),绑扎箍筋时绑扣相互间应成八字形。
箍筋与主筋要垂直。
箍筋的弯钩叠合处应沿柱子竖筋交错布置,并绑扎牢固。
柱箍筋端头应弯成135°,平直部分长度不小于10d ,(d 为箍筋直径)。
柱模板(设置对拉螺栓)计算书一、工程属性新浇混凝土柱名称A 楼3层KL11 新浇混凝土柱长边边长(mm) 500 新浇混凝土柱的计算高度(mm)13200新浇混凝土柱短边边长(mm)500二、荷载组合新浇混凝土对模板的侧压力标准值G 4k =min[0.22γc t 0β1β2v 1/2,γc H]=min[0.22×24×4×1×1.15×2.51/2,24×13.2]=min[38.4,316.8]=38.4kN/m 2承载能力极限状态设计值S 承=0.9max[1.2G 4k +1.4Q 3k ,1.35G 4k +1.4×0.7Q 3k ]=0.9max[1.2×38.4+1.4×2,1.35×38.4+1.4×0.7×2]=0.9max[48.88,53.8]=0.9×53.8=48.42kN/m 2正常使用极限状态设计值S 正=G 4k =38.4 kN/m 2三、面板验算模板设计平面图1、强度验算最不利受力状态如下图,按三等跨连续梁验算静载线荷载q1=0.9×1.35bG4k=0.9×1.35×0.5×38.4=23.33kN/m活载线荷载q2=0.9×1.4×0.7bQ3k=0.9×1.4×0.7×0.5×2=0.88kN/mM max=-0.1q1l2-0.117q2l2=-0.1×23.33×0.172-0.117×0.88×0.172=-0.07kN·mσ=M max/W=0.07×106/(1/6×500×152)=3.61N/mm2≤[f]=15N/mm2满足要求!2、挠度验算作用线荷载q=bS正=0.5×38.4=19.2kN/mν=0.677ql4/(100EI)=0.68×19.2×166.674/(100×10000×(1/12×500×153))=0.07mm≤[ν]=l/400=166.67/400=0.42mm满足要求!四、小梁验算1、强度验算小梁上作用线荷载q=bS承=0.17×48.42=8.07 kN/m小梁弯矩图(kN·m)M max=0.21kN·mσ=M max/W=0.21×106/54×103=3.95N/mm2≤[f]=15.44N/mm2 满足要求!2、挠度验算小梁上作用线荷载q=bS正=0.17×38.4=6.4 kN/m面板变形图(mm)ν=0.12mm≤[ν]=1.5mm满足要求!五、柱箍验算(规范中缺少相关计算说明,仅供参考)模板设计立面图1、柱箍强度验算长边柱箍计算简图长边柱箍弯矩图(kN·m)长边柱箍剪力图(kN) M1=0.74kN·m,N1=3.43kN短边柱箍计算简图短边柱箍弯矩图(kN·m)短边柱箍剪力图(kN)M2=0.74kN·m,N2=3.43kNM/W n=0.74×106/(4.73×103)=156.29N/mm2≤[f]=205N/mm2 满足要求!2、柱箍挠度验算长边柱箍计算简图长边柱箍变形图(mm)短边柱箍计算简图短边柱箍变形图(mm)ν1=1.31mm≤[ν]=l/400=1.78mmν2=1.31mm≤[ν]=l/400=1.78mm满足要求!六、对拉螺栓验算对拉螺栓型号M14 轴向拉力设计值N t b(kN) 17.8 扣件类型3形26型扣件容许荷载(kN) 26N=3.43×2=6.86kN≤N t b=17.8kN 满足要求!N=3.43×2=6.86kN≤26kN满足要求!。
柱模板(设置对拉螺栓)计算书计算依据:1、《建筑施工模板安全技术规范》JGJ162-20082、《混凝土结构设计规范》GB50010-20103、《建筑结构荷载规范》GB 50009-20124、《钢结构设计规范》GB 50017-2003一、工程属性二、荷载组合新浇混凝土对模板的侧压力标准值G4k=min[0.22γc t0β1β2v1/2,γc H]=min[0.22×24×4×1×1×21/2,24×3]=min[29.87,72]=29.87kN/m2承载能力极限状态设计值S承=0.9max[1.2G4k+1.4Q3k,1.35G4k+1.4×0.7Q3k]=0.9max[1.2×29.87+1.4×2,1.35×29.87+1.4×0.7×2]=0.9max[38.64,42.28]=0.9×42.28=38.06kN/m2正常使用极限状态设计值S正=G4k=29.87 kN/m2三、面板验算模板设计平面图1、强度验算最不利受力状态如下图,按三等跨连续梁验算静载线荷载q1=0.9×1.35bG4k=0.9×1.35×0.5×29.87=18.15kN/m活载线荷载q2=0.9×1.4×0.7bQ3k=0.9×1.4×0.7×0.5×2=0.88kN/mM max=-0.1q1l2-0.117q2l2=-0.1×18.15×0.22-0.117×0.88×0.22=-0.08kN·mσ=M max/W=0.08×106/(1/6×500×152)=4.09N/mm2≤[f]=14.74N/mm2满足要求!2、挠度验算作用线荷载q=bS正=0.5×29.87=14.94kN/mν=0.677ql4/(100EI)=0.68×14.94×2004/(100×8925×(1/12×500×153))=0.13mm≤[ν]=l/400=200/400=0.5mm满足要求!四、小梁验算1、强度验算小梁上作用线荷载q=bS承=0.2×38.06=7.61 kN/m小梁弯矩图(kN·m)M max=0.2kN·mσ=M max/W=0.2×106/42.67×103=4.71N/mm2≤[f]=15.44N/mm2 满足要求!2、挠度验算小梁上作用线荷载q=bS正=0.2×29.87=5.97 kN/m面板变形图(mm) ν=0.15mm≤[ν]=1.5mm满足要求!五、柱箍验算(规范中缺少相关计算说明,仅供参考)模板设计立面图1、柱箍强度验算长边柱箍计算简图长边柱箍弯矩图(kN·m)长边柱箍剪力图(kN) M1=0.73kN·m,N1=3.24kN短边柱箍计算简图短边柱箍弯矩图(kN·m)短边柱箍剪力图(kN)M2=0.73kN·m,N2=3.24kNM/W n=0.73×106/(4.12×103)=178.1N/mm2≤[f]=205N/mm2 满足要求!2、柱箍挠度验算长边柱箍计算简图长边柱箍变形图(mm)短边柱箍计算简图短边柱箍变形图(mm) ν1=1.85mm≤[ν]=l/400=1.98mmν2=1.85mm≤[ν]=l/400=1.98mm满足要求!六、对拉螺栓验算N=3.24×2=6.48kN≤N t b=17.8kN满足要求!N=3.24×2=6.48kN≤26kN满足要求!。
500×500柱模板(设置对拉螺栓)计算书计算依据:1、《建筑施工模板安全技术规范》JGJ162-20082、《混凝土结构设计规范》GB50010-20103、《建筑结构荷载规范》GB 50009-20124、《钢结构设计规范》GB 50017-2003一、工程属性4k c012cmin[0.22×24×4×1×1×21/2,24×4.07]=min[29.87,97.68]=29.87kN/m2 承载能力极限状态设计值S承=0.9max[1.2G4k+1.4Q3k,1.35G4k+1.4×0.7Q3k]=0.9max[1.2×29.868+1.4×2,1.35×29.868+1.4×0.7×2]=0.9max[38.642,42.282]=0.9×42.282=38.054kN/m2正常使用极限状态设计值S正=G4k=29.868 kN/m2三、面板验算模板设计平面图1、强度验算最不利受力状态如下图,按四等跨连续梁验算静载线荷载q1=0.9×1.35bG4k=0.9×1.35×0.5×29.868=18.145kN/m活载线荷载q2=0.9×1.4×0.7bQ3k=0.9×1.4×0.7×0.5×2=0.882kN/mM max=-0.107q1l2-0.121q2l2=-0.107×18.145×0.12-0.121×0.882×0.12=-0.02kN·m σ=M max/W=0.02×106/(1/6×500×152)=1.092N/mm2≤[f]=14.742N/mm2满足要求!2、挠度验算作用线荷载q=bS正=0.5×29.868=14.934kN/mν=0.632ql4/(100EI)=0.632×14.934×1004/(100×8925×(1/12×500×153))=0.008mm≤[ν]=l/400=100/400=0.25mm满足要求!四、小梁验算小梁上作用线荷载q=bS承=0.1×38.054=3.805 kN/m小梁弯矩图(kN·m)M max=0.289kN·mσ=M max/W=0.289×106/42.667×103=6.782N/mm2≤[f]=13.5N/mm2满足要求!2、抗剪验算小梁剪力图(kN·m)V max=1.484kNτmax=3V max/(2bh0)=3×1.484×1000/(2×40×80)=0.696N/mm2≤[τ]=1.35N/mm2 满足要求!3、挠度验算小梁上作用线荷载q=bS正=0.1×29.868=2.987 kN/m小梁变形图(mm) ν=1.167mm≤[ν]=1.25mm满足要求!4、支座反力计算承载能力极限状态R max=2.968正常使用极限状态R max=2.33五、柱箍验算(规范中缺少相关计算说明,仅供参考)模板设计立面图1、柱箍强度验算连续梁中间集中力取小P值;两边集中力为小梁荷载取半后,取P/2值。
柱模板支撑计算书一、柱模板基本参数柱模板的截面宽度 B=800mm,B方向对拉螺栓1道,柱模板的截面高度 H=800mm,H方向对拉螺栓1道,柱模板的计算高度 L = 6200mm,柱箍间距计算跨度 d = 600mm。
柱箍采用双钢管48mm×3.0mm。
柱模板竖楞截面宽度40mm,高度80mm。
B方向竖楞5根,H方向竖楞5根。
面板厚度18mm,剪切强度1.4N/mm2,抗弯强度15.0N/mm2,弹性模量9000.0N/mm2。
木方剪切强度1.6N/mm2,抗弯强度13.0N/mm2,弹性模量10000.0N/mm2。
800190190190190819191919柱模板支撑计算简图二、柱模板荷载标准值计算强度验算要考虑新浇混凝土侧压力和倾倒混凝土时产生的荷载设计值;挠度验算只考虑新浇混凝土侧压力产生荷载标准值。
新浇混凝土侧压力计算公式为下式中的较小值:其中γc——混凝土的重力密度,取24.000kN/m3;t —— 新浇混凝土的初凝时间,为0时(表示无资料)取200/(T+15),取4.000h ; T —— 混凝土的入模温度,取20.000℃;V —— 混凝土的浇筑速度,取2.500m/h ;H —— 混凝土侧压力计算位置处至新浇混凝土顶面总高度,取3.000m ;β—— 混凝土坍落度影响修正系数,取0.850。
根据公式计算的新浇混凝土侧压力标准值 F1=28.380kN/m 2考虑结构的重要性系数0.9,实际计算中采用新浇混凝土侧压力标准值:F1=0.9×36.130=32.517kN/m 2考虑结构的重要性系数0.9,倒混凝土时产生的荷载标准值:F2=0.9×4.000=3.600kN/m 2。
三、柱模板面板的计算面板直接承受模板传递的荷载,应该按照均布荷载下的连续梁计算,计算如下26.44kN/mA面板计算简图面板的计算宽度取柱箍间距0.60m 。
荷载计算值 q = 1.2×32.517×0.600+1.40×3.600×0.600=26.436kN/m面板的截面惯性矩I 和截面抵抗矩W 分别为:本算例中,截面惯性矩I 和截面抵抗矩W 分别为:W = 60.00×1.80×1.80/6 = 32.40cm 3;I = 60.00×1.80×1.80×1.80/12 = 29.16cm 4;(1)抗弯强度计算f = M / W < [f]其中 f ——面板的抗弯强度计算值(N/mm2);M ——面板的最大弯距(N.mm);W ——面板的净截面抵抗矩;[f] ——面板的抗弯强度设计值,取15.00N/mm2;M = 0.100ql2其中 q ——荷载设计值(kN/m);经计算得到M = 0.100×(1.20×19.510+1.40×2.160)×0.190×0.190=0.095kN.m经计算得到面板抗弯强度计算值 f = 0.095×1000×1000/32400=2.946N/mm2面板的抗弯强度验算 f < [f],满足要求!(2)抗剪计算T = 3Q/2bh < [T]其中最大剪力Q=0.600×(1.20×19.510+1.4×2.160)×0.190=3.014kN 截面抗剪强度计算值T=3×3014.0/(2×600.000×18.000)=0.419N/mm2截面抗剪强度设计值 [T]=1.40N/mm2面板抗剪强度验算 T < [T],满足要求!(3)挠度计算v = 0.677ql4 / 100EI < [v] = l / 250面板最大挠度计算值v = 0.677×19.510×1904/(100×9000×291600)=0.066mm面板的最大挠度小于190.0/250,满足要求!四、竖楞木方的计算竖楞木方直接承受模板传递的荷载,应该按照均布荷载下的三跨连续梁计算,计算如下600600 600 8.37kN/mA B竖楞木方计算简图竖楞木方的计算宽度取 BH 两方向最大间距0.190m。
柱模板(设置对拉螺栓)计算书计算依据:1、《建筑施工模板安全技术规范》JGJ162-20082、《混凝土结构设计规范》GB50010-20103、《建筑结构荷载规范》GB 50009-20124、《钢结构设计规范》GB 50017-2003一、工程属性4k c012c=min[0.22×24×4×1×1×21/2,24×4.8]=min[29.87,115.2]=29.87kN/m2承载能力极限状态设计值S承=0.9max[1.2G4k+1.4Q3k,1.35G4k+1.4×0.7Q3k]=0.9max[1.2×29.87+1.4×2,1.35×29.87+1.4×0.7×2]=0.9max[38.644,42.285]=0.9×42.285=38.056kN/m2正常使用极限状态设计值S正=G4k=29.87 kN/m2三、面板验算模板设计平面图1、强度验算最不利受力状态如下图,按四等跨连续梁验算静载线荷载q1=0.9×1.35bG4k=0.9×1.35×0.5×29.87=18.146kN/m活载线荷载q2=0.9×1.4×0.7bQ3k=0.9×1.4×0.7×0.5×2=0.882kN/mM max=-0.107q1l2-0.121q2l2=-0.107×18.146×0.22-0.121×0.882×0.22=-0.082kN·m σ=M max/W=0.082×106/(1/6×500×152)=4.37N/mm2≤[f]=14.74N/mm2满足要求!2、挠度验算作用线荷载q=bS正=0.5×29.87=14.935kN/mν=0.632ql4/(100EI)=0.632×14.935×2004/(100×8925×(1/12×500×153))=0.12mm≤[ν]=l/400=200/400=0.5mm满足要求!四、小梁验算小梁上作用线荷载q=bS承=0.2×38.056=7.611 kN/m小梁弯矩图(kN·m)M max=0.342kN·mσ=M max/W=0.342×106/83.333×103=4.11N/mm2≤[f]=15.444N/mm2满足要求!2、挠度验算小梁上作用线荷载q=bS正=0.2×29.87=5.974 kN/m小梁变形图(mm)ν=0.316mm≤[ν]=1.5mm满足要求!五、柱箍验算(规范中缺少相关计算说明,仅供参考)模板设计立面图1、柱箍强度验算长边柱箍计算简图长边柱箍弯矩图(kN·m)长边柱箍剪力图(kN) M1=0.272kN·m,N1=6.335kN短边柱箍计算简图短边柱箍弯矩图(kN·m)短边柱箍剪力图(kN)M2=0.272kN·m,N2=6.335kNM/W n=0.272×106/(5.26×103)=51.634N/mm2≤[f]=205N/mm2满足要求!2、柱箍挠度验算长边柱箍计算简图长边柱箍变形图(mm)短边柱箍计算简图短边柱箍变形图(mm)ν1=0.096mm≤[ν]=l/400=1.288mmν2=0.096mm≤[ν]=l/400=1.288mm满足要求!六、对拉螺栓验算t满足要求!N=6.335×2=12.671kN≤26kN 满足要求!。
柱模板(设置对拉螺栓)计算书计算依据:1、《建筑施工模板安全技术规范》JGJ162-20082、《混凝土结构设计规范》GB50010-20103、《建筑结构荷载规范》GB 50009-20124、《钢结构设计规范》GB 50017-2003一、工程属性4k c012cmin[0.22×24×4×1×1×21/2,24×4.8]=min[29.87,115.2]=29.87kN/m2 承载能力极限状态设计值S承=0.9max[1.2G4k+1.4Q3k,1.35G4k+1.4×0.7Q3k]=0.9max[1.2×29.87+1.4×2,1.35×29.87+1.4×0.7×2]=0.9max[38.644,42.285]=0.9×42.285=38.056kN/m2正常使用极限状态设计值S正=G4k=29.87 kN/m2三、面板验算面板类型覆面竹胶合板面板厚度(mm) 15 面板抗弯强度设计值[f](N/mm2) 14.74 面板弹性模量E(N/mm2) 8925 柱长边小梁根数 5 柱短边小梁根数 5柱箍间距l1(mm) 500模板设计平面图1、强度验算最不利受力状态如下图,按四等跨连续梁验算静载线荷载q1=0.9×1.35bG4k=0.9×1.35×0.5×29.87=18.146kN/m活载线荷载q2=0.9×1.4×0.7bQ3k=0.9×1.4×0.7×0.5×2=0.882kN/mM max=-0.107q1l2-0.121q2l2=-0.107×18.146×0.22-0.121×0.882×0.22=-0.082kN·m σ=M max/W=0.082×106/(1/6×500×152)=4.37N/mm2≤[f]=14.74N/mm2满足要求!2、挠度验算作用线荷载q=bS正=0.5×29.87=14.935kN/mν=0.632ql4/(100EI)=0.632×14.935×2004/(100×8925×(1/12×500×153))=0.12mm≤[ν]=l/400=200/400=0.5mm满足要求!四、小梁验算小梁类型矩形木楞小梁材质规格(mm) 50×100小梁截面惯性矩I(cm4) 416.667 小梁截面抵抗矩W(cm3) 83.333小梁抗弯强度设计值[f](N/mm2) 15.444 小梁弹性模量E(N/mm2) 9350最低处柱箍离楼面距离(mm) 300小梁上作用线荷载q=bS承=0.2×38.056=7.611 kN/m小梁弯矩图(kN·m)M max=0.342kN·mσ=M max/W=0.342×106/83.333×103=4.11N/mm2≤[f]=15.444N/mm2 满足要求!2、挠度验算小梁上作用线荷载q=bS正=0.2×29.87=5.974 kN/m小梁变形图(mm)ν=0.316mm≤[ν]=1.5mm满足要求!五、柱箍验算(规范中缺少相关计算说明,仅供参考)柱箍类型钢管柱箍合并根数 2柱箍材质规格(mm) Φ48.3×3.6 柱箍截面惯性矩I(cm4) 12.71 柱箍截面抵抗矩W(cm3) 5.26 柱箍抗弯强度设计值[f](N/mm2) 205 柱箍弹性模量E(N/mm2) 206000模板设计立面图1、柱箍强度验算长边柱箍计算简图长边柱箍弯矩图(kN·m)长边柱箍剪力图(kN) M1=0.272kN·m,N1=6.335kN短边柱箍计算简图短边柱箍弯矩图(kN·m)短边柱箍剪力图(kN)M2=0.272kN·m,N2=6.335kNM/W n=0.272×106/(5.26×103)=51.634N/mm2≤[f]=205N/mm2 满足要求!2、柱箍挠度验算长边柱箍计算简图长边柱箍变形图(mm)短边柱箍计算简图短边柱箍变形图(mm) ν1=0.096mm≤[ν]=l/400=1.288mmν2=0.096mm≤[ν]=l/400=1.288mm满足要求!六、对拉螺栓验算t满足要求!N=6.335×2=12.671kN≤26kN 满足要求!。
地下室柱模板计算书计算依据:建筑施工模板安全技术规范 JGJ 162-2008.下面简称规范KZ 截面1000×1100,柱高5.1m (不包括板厚)。
板厚250。
梁的尺寸及梁与柱的相对位置: 由于柱截面尺寸较大,决定采用槽钢和对拉螺栓做柱箍:KL2 400*750KZ45011004001000325325300300KL1 450*750柱模板材料:15厚胶合板,方木50×80,对拉螺栓φ16,[ 12.6槽钢由规范 4.1,当采用内部振捣器时,新浇筑混凝土作用于模板的侧压力标准值(G 4K ),可按下列公式计算,并取其中的较小值: 我们采用(4.1.1-2)计算侧压力。
因为现在混凝土的坍落度往往大于150mm ,此时混凝土坍落度影响系数β2 无数据可查。
此外,当用混凝土泵车浇筑柱时,混凝土上升的速度大于6m/h 。
以本例柱计算,柱混凝土体积为1.1*1*5.1=5.61m 3 。
一台10m 3 的罐车供料,用泵车浇筑,在10分钟内完全可以将柱的混凝土浇筑完毕。
此时,混凝土的上升的速度为 5.1/(10/60)=30.6m/h 。
大于6m/h 。
而公式(4.1.1-1)只适用于混凝土浇筑速度≤6m/h 的情况。
(规范106面,4.1.1条文说明)所以,我们采用(4.1.1-2)计算混凝土对模板的侧压力: 侧压力标准值 G 4K =γc H=24*5.1=122.4KN/m 2倾倒混凝土时对垂直面模板产生的水平荷载标准值:Q 3K =2KN/m 2 由规范4.3, 有结构重要性系数 0.9 荷载组合值系数 0.7 本例,显然恒载起控制作用。
因为G 4K > Q 3K 。
于是 底部荷载设计值 0.9*122.4*1.35=148.72KN/m 2 顶部荷载设计值 0.9*2*0.7*1.4=1.76KN/m 2 侧压力设计值分布图:)11.1.4(22.021210-=V t F c ββγ)21.1.4(-=HF C γ计算过程见下面的电子表格Excel。
柱模板(设置对拉螺栓)计算书
一、计算依据
1、《建筑施工模板安全技术规范》JGJ162-2008
2、《混凝土结构设计规范》GB50010-2010
3、《建筑结构荷载规范》GB50009-2012
4、《钢结构设计规范》GB50017-2012
5、《建筑施工临时支撑结构技术规范》JGJ300-2013
二、计算参数
(图1)模板设计平面图
(图2)模板设计立面图
三、荷载统计
新浇混凝土对模板的侧压力
F1=0.22γc t0β1β2V0.5=0.22×24×4×1.2×1.15×20.5=41.218kN/m2 F2=γc H=24×3700/1000=88.8kN/m2
标准值G4k=min[F1,F2]=41.218kN/m2
承载能力极限状态设计值
根据柱边的大小确定组合类型:
由于柱长边大于300mm,则:
S=0.9max[1.2G4k+1.4Q3k, 1.35G4k+1.4×0.7Q3k] =0.9×max(1.2×41.218+1.4×2,1.35×41.218+1.4×0.7×2)=51.844kN/m2
正常使用极限状态设计值S k=G4k=41.218kN/m2
四、面板验算
根据规范规定面板可按简支跨计算,故可按简支跨一种情况进行计算,取b=1m 单位面板宽度为计算单元。
W=bh2/6=1000×152/6=37500mm3,I=bh3/12=1000×153/12=281250mm4
其中的h为面板厚度。
(图3)承载能力极限状态受力简图
1、强度验算
q=bS=1×51.844=51.844kN/m
(图4)面板弯矩图(kN·m)
M max=0.18kN·m
σ=M max/W=0.18×106/37500=4.8N/mm2≤[f]=22N/mm2
满足要求
2、挠度验算
(图5)正常使用极限状态受力简图
q k=bS k=1×41.218=41.218kN/m
(图6)面板变形图(mm)
νmax=0.147mm≤[ν]=450/400=1.125mm
满足要求
五、小梁验算
柱箍的道数:e=[e≤(H-a)/b,e∈Z]=7
次梁上部悬挑长度
a1=H-a-eb=3700-250-7×450=300mm
根据实际情况次梁的计算简图应为两端带悬挑的多跨连续梁,次梁按四跨连续
梁计算偏安全且比较符合实际情况,计算简图如下:
(图7)承载能力极限状态受力简图次梁上作用线荷载q=Max(L/m,B/n)S=125/1000×51.844=6.48kN/m
q k=Max(L/m,B/n)S k=125/1000×41.218=5.152kN/m
1、强度验算
(图8)次梁弯矩图
M max=0.292kN·m
σ=M max/W=0.292×106/(83.333×1000)=3.499N/mm2≤[f]=17N/mm2
满足要求
2、抗剪验算
(图9)次梁剪力图
V max=1.946kN
τ=V max S0/(Ib) = 1.946×103×62.5×103/(416.667×104×5×10)=0.584N/mm2≤[f v]=1.7N/mm2
满足要求
3、挠度验算
(图10)正常使用极限状态受力简图
(图11)次梁变形图
ν=0.26mm≤[ν]=450/400=1.125mm
满足要求
4、支座反力计算
R max=3.919kN
R maxk=3.116kN
六、柱箍验算
取
s=Max[L/(X+1),B/(Y+1)]=max((500+(100+48)×2)/(1+1),(500+(100+48)×2)/(1+1))=398 mm为计算跨度。
荷载主要有次梁传递至柱箍,简化为每跨作用两个集中力。
(图12)承载能力极限状态受力简图
1、强度验算
(图13)弯矩图(kN·m)
M max=0.481kN·m
σ=M max/W=0.481×106/(8.986×1000)=53.543N/mm2≤[f]=205N/mm2
满足要求
2、抗剪验算
(图14)剪力图(kN·m)
V max=5.765kN
τ=V max S0/(Ib)= 5.765×103×6.084×103/(21.566×104×1.2×10)=13.554N/mm2≤[f v]=120N/mm2
满足要求
3、挠度验算
(图15)正常使用极限状态受力简图
(图16)变形图ν=0.055mm≤[ν]=398/400=0.995mm
满足要求
4、支座反力计算
R max=11.53kN
七、对拉螺栓验算
N=R max=11.53kN≤17.8kN
满足要求。