柱模板(有对拉螺栓)600-1分析
- 格式:doc
- 大小:180.50 KB
- 文档页数:11
一、工程概况本工程为某住宅小区的6层住宅楼,建筑面积为15000平方米。
建筑结构为框架结构,柱最大截面为600×600mm,梁最大截面为300×600mm,板最大厚度为120mm。
为确保施工质量和进度,特制定本模板工程施工方案。
二、施工准备1. 技术准备(1)组织技术人员学习施工图纸,熟悉施工工艺,掌握相关技术要求。
(2)对施工人员进行技术交底,确保施工人员了解施工方案和施工要求。
2. 材料准备(1)模板材料:采用复合木模板,满足设计要求。
(2)支撑材料:采用48×3.5mm钢管,满足强度和刚度要求。
(3)连接件:采用扣件、螺栓等,确保模板的稳定性和安全性。
3. 机械设备准备(1)电动工具:电钻、切割机、螺丝刀等。
(2)手动工具:扳手、锤子、水平尺等。
(3)起重设备:卷扬机、滑轮等。
三、施工工艺1. 模板安装(1)柱模板安装:先安装柱箍,再安装柱模板,最后安装支撑体系。
(2)梁模板安装:先安装梁侧模板,再安装梁底模板,最后安装支撑体系。
(3)板模板安装:先安装板侧模板,再安装板底模板,最后安装支撑体系。
2. 支撑体系安装(1)柱支撑体系:采用钢管和扣件组成,间距为500mm。
(2)梁支撑体系:采用钢管和扣件组成,间距为600mm。
(3)板支撑体系:采用钢管和扣件组成,间距为800mm。
3. 模板加固(1)柱模板加固:采用对拉螺栓进行加固,间距为600mm。
(2)梁模板加固:采用对拉螺栓进行加固,间距为600mm。
(3)板模板加固:采用对拉螺栓进行加固,间距为800mm。
四、施工质量控制1. 模板安装质量:确保模板平整、垂直、牢固,无变形、裂缝等现象。
2. 支撑体系质量:确保支撑体系稳定、可靠,无松动、变形等现象。
3. 模板加固质量:确保加固措施到位,无遗漏、松动等现象。
五、施工安全措施1. 施工人员必须佩戴安全帽、安全带等防护用品。
2. 严禁在模板支撑体系上进行攀登、跳跃等危险行为。
600×600柱模板计算书一、参数信息1.基本参数柱截面宽度B方向对拉螺栓数目:1;柱截面宽度B方向竖楞数目:3;柱截面高度H方向对拉螺栓数目:1;柱截面高度H方向竖楞数目:3;2.柱箍信息柱箍材料:钢楞;截面类型:圆钢管48×3.5,按48×3.0计算;钢楞截面惯性矩I(cm4):10.78;钢楞截面抵抗矩W(cm3):4.49;柱箍的间距(mm):500;柱箍肢数:2;3.竖楞信息竖楞材料:木楞;宽度(mm):50.00;高度(mm):80.00;竖楞肢数:1;4.面板参数面板类型:竹胶合板;面板厚度(mm):18.00;面板弹性模量(N/mm2):9500.00;(N/mm2):13.00;面板抗弯强度设计值fc面板抗剪强度设计值(N/mm2):1.30;5.木方和钢楞(N/mm2):13.00;方木弹性模量E(N/mm2):10000.00;方木抗弯强度设计值fc方木抗剪强度设计值f(N/mm2):1.70;t钢楞弹性模量E(N/mm2):210000.00;钢楞抗弯强度设计值fc(N/mm2):205.00;计算简图二、柱模板荷载标准值计算按《施工手册》第四版P51,边长>300mm的柱侧面模板计算荷载组合为新浇混凝土对模板侧面的压力标准值+倾倒混凝土是产生的荷载标准值新浇混凝土作用于模板的最大侧压力,按下列公式计算,并取其中的较小值:其中γ-- 混凝土的重力密度,取25.0kN/m3;ct -- 新浇混凝土的初凝时间,t=200/(T+15);T -- 混凝土的入模温度,取25.0℃;V -- 混凝土的浇筑速度,取2.5m/h;H -- 模板计算高度,取3.0m;-- 外加剂影响修正系数,取1.0;β1β-- 混凝土坍落度影响修正系数,取1.0。
2根据参数可知:t=200/(25+15)=5=0.22×25×5×1.0×1.0×2.51/2=43.48 kN/m2故F1F=25.0×3.0=75.0 kN/m22取较小值43.48 kN/m2作为本工程计算荷载。
柱模板(设置对拉螺栓)计算书计算依据:1、《建筑施工模板安全技术规范》JGJ162-20082、《混凝土结构设计规范》GB50010-20103、《建筑结构荷载规范》GB 50009-20124、《钢结构设计规范》GB 50017-2003一、工程属性二、荷载组合新浇混凝土对模板的侧压力标准值G4k=min[0.22γc t0β1β2v1/2,γc H]=min[0.22×24×4×1×1×21/2,24×3]=min[29.87,72]=29.87kN/m2承载能力极限状态设计值S承=0.9max[1.2G4k+1.4Q3k,1.35G4k+1.4×0.7Q3k]=0.9max[1.2×29.87+1.4×2,1.35×29.87+1.4×0.7×2]=0.9max[38.64,42.28]=0.9×42.28=38.06kN/m2正常使用极限状态设计值S正=G4k=29.87 kN/m2三、面板验算模板设计平面图1、强度验算最不利受力状态如下图,按三等跨连续梁验算静载线荷载q1=0.9×1.35bG4k=0.9×1.35×0.5×29.87=18.15kN/m活载线荷载q2=0.9×1.4×0.7bQ3k=0.9×1.4×0.7×0.5×2=0.88kN/mM max=-0.1q1l2-0.117q2l2=-0.1×18.15×0.22-0.117×0.88×0.22=-0.08kN·mσ=M max/W=0.08×106/(1/6×500×152)=4.09N/mm2≤[f]=14.74N/mm2满足要求!2、挠度验算作用线荷载q=bS正=0.5×29.87=14.94kN/mν=0.677ql4/(100EI)=0.68×14.94×2004/(100×8925×(1/12×500×153))=0.13mm≤[ν]=l/400=200/400=0.5mm满足要求!四、小梁验算1、强度验算小梁上作用线荷载q=bS承=0.2×38.06=7.61 kN/m小梁弯矩图(kN·m)M max=0.2kN·mσ=M max/W=0.2×106/42.67×103=4.71N/mm2≤[f]=15.44N/mm2 满足要求!2、挠度验算小梁上作用线荷载q=bS正=0.2×29.87=5.97 kN/m面板变形图(mm) ν=0.15mm≤[ν]=1.5mm满足要求!五、柱箍验算(规范中缺少相关计算说明,仅供参考)模板设计立面图1、柱箍强度验算长边柱箍计算简图长边柱箍弯矩图(kN·m)长边柱箍剪力图(kN) M1=0.73kN·m,N1=3.24kN短边柱箍计算简图短边柱箍弯矩图(kN·m)短边柱箍剪力图(kN)M2=0.73kN·m,N2=3.24kNM/W n=0.73×106/(4.12×103)=178.1N/mm2≤[f]=205N/mm2 满足要求!2、柱箍挠度验算长边柱箍计算简图长边柱箍变形图(mm)短边柱箍计算简图短边柱箍变形图(mm) ν1=1.85mm≤[ν]=l/400=1.98mmν2=1.85mm≤[ν]=l/400=1.98mm满足要求!六、对拉螺栓验算N=3.24×2=6.48kN≤N t b=17.8kN满足要求!N=3.24×2=6.48kN≤26kN满足要求!。
500×500柱模板(设置对拉螺栓)计算书计算依据:1、《建筑施工模板安全技术规范》JGJ162-20082、《混凝土结构设计规范》GB50010-20103、《建筑结构荷载规范》GB 50009-20124、《钢结构设计规范》GB 50017-2003一、工程属性4k c012cmin[0.22×24×4×1×1×21/2,24×4.07]=min[29.87,97.68]=29.87kN/m2 承载能力极限状态设计值S承=0.9max[1.2G4k+1.4Q3k,1.35G4k+1.4×0.7Q3k]=0.9max[1.2×29.868+1.4×2,1.35×29.868+1.4×0.7×2]=0.9max[38.642,42.282]=0.9×42.282=38.054kN/m2正常使用极限状态设计值S正=G4k=29.868 kN/m2三、面板验算模板设计平面图1、强度验算最不利受力状态如下图,按四等跨连续梁验算静载线荷载q1=0.9×1.35bG4k=0.9×1.35×0.5×29.868=18.145kN/m活载线荷载q2=0.9×1.4×0.7bQ3k=0.9×1.4×0.7×0.5×2=0.882kN/mM max=-0.107q1l2-0.121q2l2=-0.107×18.145×0.12-0.121×0.882×0.12=-0.02kN·m σ=M max/W=0.02×106/(1/6×500×152)=1.092N/mm2≤[f]=14.742N/mm2满足要求!2、挠度验算作用线荷载q=bS正=0.5×29.868=14.934kN/mν=0.632ql4/(100EI)=0.632×14.934×1004/(100×8925×(1/12×500×153))=0.008mm≤[ν]=l/400=100/400=0.25mm满足要求!四、小梁验算小梁上作用线荷载q=bS承=0.1×38.054=3.805 kN/m小梁弯矩图(kN·m)M max=0.289kN·mσ=M max/W=0.289×106/42.667×103=6.782N/mm2≤[f]=13.5N/mm2满足要求!2、抗剪验算小梁剪力图(kN·m)V max=1.484kNτmax=3V max/(2bh0)=3×1.484×1000/(2×40×80)=0.696N/mm2≤[τ]=1.35N/mm2 满足要求!3、挠度验算小梁上作用线荷载q=bS正=0.1×29.868=2.987 kN/m小梁变形图(mm) ν=1.167mm≤[ν]=1.25mm满足要求!4、支座反力计算承载能力极限状态R max=2.968正常使用极限状态R max=2.33五、柱箍验算(规范中缺少相关计算说明,仅供参考)模板设计立面图1、柱箍强度验算连续梁中间集中力取小P值;两边集中力为小梁荷载取半后,取P/2值。
柱模板(设置对拉螺栓)技术交底使用。
5、为防止模底烂根,放线后应用水泥砂浆找平并加垫海绵。
6、所有柱子模板拼缝、梁与柱、柱与梁等节点处均用海绵胶带贴缝,楼板缝用胶带纸贴缝,以确保混凝土不漏浆。
7、模板安装应严格控制轴线、平面位置、标高、断面尺寸、垂直度和平整度,模板接缝隙宽度、高度、脱模剂刷涂及预留洞口、门洞口断面尺寸等的准确性。
严格控制预期拼模板精度。
8、严格执行预留洞口的定位控制,预留洞口时,木工严格按照墨线留洞。
9、每层主轴线和分部轴线放线后,规定负责测量记录人员及时记录平面尺寸测量数据,并要及时记录墙、柱、成品尺寸,目的是通过数据分析梁体和柱子的垂直度误差。
并根据数据分析原因,将问题及时反馈到有关生产负责人,及时进行整改和纠正。
10、所有竖向结构的阴、阳角均须加设橡胶海绵条于拼缝中,拼缝要牢固。
11、阴、阳角模必须严格按照模板设计图进行加固处理。
12、为防止梁模板安装出现梁身不平直、梁底不平下挠、梁侧模胀模等质量问题,支模时应将侧模包底模,梁模与柱模连接处,下料尺寸应略为缩短等。
安全保证措施1、模板安装高度在2m及以上时,应符合现行国家标准《建筑施工高处作业安全技术规范》JGJ 80的有关规定。
2、模板及其支撑系统在安装过程中必须设置防倾覆的可靠临时设施。
3、登高作业时,各种配件应放在工具箱或工具袋中严禁散放在模板或脚手板上,各种工具应系挂在操作人员身上或放在工具袋中,不得掉落。
4、安装模板时,上下应有人接应,随装随运,严禁抛掷。
且不得将模板支搭在门窗框上,也不得将脚手板支搭在模板上,并严禁将模板与上料井架及有车辆运行的脚手架或操作平台支成一体。
5、当模板安装高度超过3.0m时,必须搭设脚手架,除操作人员外,脚手架下不得站其他人。
高处作业时,操作人员应佩戴安全帽、系安全带、穿防滑鞋。
安全帽和安全带应定期检查,不合格者严禁使用。
6、作业人员严禁攀登模板、斜撑杆、拉条或绳索等,不得在高处的墙顶、独立梁或在其模板上行走。
模板支撑体系的主要搭设方法验收拆除要求一、技术参数【600X600柱模板(设置对拉螺栓)】【500X500柱模板(设置对拉螺栓)】【墙模板(支撑不等间距)】【5.5米高支模梁模板(扣件式,梁板立柱共用)】【5.5米高支模板模板(扣件式,梁板立柱共用)】【4.8米架空层梁模板(扣件式,梁板立柱共用)】【4.8米架空层板模板(扣件式,梁板立柱共用)】【地下车库顶板300X600梁模板(盘扣式,梁板立柱共用)】【地下车库顶板350X1000梁模板(盘扣式,梁板立柱共用)】【地下车库顶板400X1200梁模板(盘扣式,梁板立柱共用)】【地下车库顶板板模板(盘扣式,梁板立柱共用)】【标准层梁模板(盘扣式,梁板立柱共用)】【标准层板模板(盘扣式,梁板立柱共用)】【梁侧模】二、模板施工准备、制作、加工、存放1、施工准备技术准备:认真审核施工图纸,发现问题及时解决,根据工程结构的实际情况和施工方案制定详细的有针对性和可操作性的技术交底。
根据施工组织设计对施工工期的安排,明确需要配制模板的层数量,计算好每层所需模板量,做到随用随到,保证现场材料充分利用。
机具准备:依据模板使用材料的规格和数量,制定加工订货计划,按照施工进度的要求,组织材料进场。
木工设备进场要组织质量验收。
机具及工具准备一览表材料准备:15mm厚胶合板、钢管Ф48X3.0、50×80mm松木方木等,主要材料量见下表。
(1)、材料进场验收制度材料进场时,由施工单位现场技术负责人组织租赁单位、监理单位,根据进场材料进行抽检,抽检数量应符合规范要求。
材料质量满足方案设计和相关规程要求,搭设模板支架用的钢管、扣件、盘扣式脚手架,使用前必须进行抽样检测,抽检的数量按有关规定执行。
未经检测和检测不合格的一律不得使用。
①材料进入施工现场时,必须检查产品质量证、使用说明书、生产许可证、国家安全认证标志。
②钢管扣件进入施工现场使用前,检查该批次钢管扣件的产品质量合格证和质量检验报告。
柱模板(设置对拉螺栓)计算书计算依据:1、《建筑施工模板安全技术规范》JGJ162-20082、《混凝土结构设计规范》GB50010-20103、《建筑结构荷载规范》GB 50009-20124、《钢结构设计规范》GB 50017-2003一、工程属性4k c012cmin[0.22×24×4×1×1×21/2,24×4.8]=min[29.87,115.2]=29.87kN/m2 承载能力极限状态设计值S承=0.9max[1.2G4k+1.4Q3k,1.35G4k+1.4×0.7Q3k]=0.9max[1.2×29.87+1.4×2,1.35×29.87+1.4×0.7×2]=0.9max[38.644,42.285]=0.9×42.285=38.056kN/m2正常使用极限状态设计值S正=G4k=29.87 kN/m2三、面板验算面板类型覆面竹胶合板面板厚度(mm) 15 面板抗弯强度设计值[f](N/mm2) 14.74 面板弹性模量E(N/mm2) 8925 柱长边小梁根数 5 柱短边小梁根数 5柱箍间距l1(mm) 500模板设计平面图1、强度验算最不利受力状态如下图,按四等跨连续梁验算静载线荷载q1=0.9×1.35bG4k=0.9×1.35×0.5×29.87=18.146kN/m活载线荷载q2=0.9×1.4×0.7bQ3k=0.9×1.4×0.7×0.5×2=0.882kN/mM max=-0.107q1l2-0.121q2l2=-0.107×18.146×0.22-0.121×0.882×0.22=-0.082kN·m σ=M max/W=0.082×106/(1/6×500×152)=4.37N/mm2≤[f]=14.74N/mm2满足要求!2、挠度验算作用线荷载q=bS正=0.5×29.87=14.935kN/mν=0.632ql4/(100EI)=0.632×14.935×2004/(100×8925×(1/12×500×153))=0.12mm≤[ν]=l/400=200/400=0.5mm满足要求!四、小梁验算小梁类型矩形木楞小梁材质规格(mm) 50×100小梁截面惯性矩I(cm4) 416.667 小梁截面抵抗矩W(cm3) 83.333小梁抗弯强度设计值[f](N/mm2) 15.444 小梁弹性模量E(N/mm2) 9350最低处柱箍离楼面距离(mm) 300小梁上作用线荷载q=bS承=0.2×38.056=7.611 kN/m小梁弯矩图(kN·m)M max=0.342kN·mσ=M max/W=0.342×106/83.333×103=4.11N/mm2≤[f]=15.444N/mm2 满足要求!2、挠度验算小梁上作用线荷载q=bS正=0.2×29.87=5.974 kN/m小梁变形图(mm)ν=0.316mm≤[ν]=1.5mm满足要求!五、柱箍验算(规范中缺少相关计算说明,仅供参考)柱箍类型钢管柱箍合并根数 2柱箍材质规格(mm) Φ48.3×3.6 柱箍截面惯性矩I(cm4) 12.71 柱箍截面抵抗矩W(cm3) 5.26 柱箍抗弯强度设计值[f](N/mm2) 205 柱箍弹性模量E(N/mm2) 206000模板设计立面图1、柱箍强度验算长边柱箍计算简图长边柱箍弯矩图(kN·m)长边柱箍剪力图(kN) M1=0.272kN·m,N1=6.335kN短边柱箍计算简图短边柱箍弯矩图(kN·m)短边柱箍剪力图(kN)M2=0.272kN·m,N2=6.335kNM/W n=0.272×106/(5.26×103)=51.634N/mm2≤[f]=205N/mm2 满足要求!2、柱箍挠度验算长边柱箍计算简图长边柱箍变形图(mm)短边柱箍计算简图短边柱箍变形图(mm) ν1=0.096mm≤[ν]=l/400=1.288mmν2=0.096mm≤[ν]=l/400=1.288mm满足要求!六、对拉螺栓验算t满足要求!N=6.335×2=12.671kN≤26kN 满足要求!。
对拉螺栓一、定义对拉螺栓(对拉螺杆),用于墙体模板内、外侧模板之间的拉结,承受混凝土的侧压力和其他荷载,确保内外侧模板的间距能满足设计要求,同时也是模板及其支撑结构的支点,因此对拉螺栓的布置对模板结构的整体性、刚度和强度影响很大。
对拉螺栓一般采用两端套丝的圆钢螺栓,又称穿墙螺栓,也有用扁钢两端留长孔用楔形铁插入固定楔紧。
二、施工工艺1前言地下室剪力墙混凝土模板施工时,采用对拉螺栓固定两侧模板,对拉螺栓的定位钢筋直接与模板接触。
螺栓切割后,必然是螺栓的表面与混凝土的表面平齐,这样在墙面装修时容易在此处造成钢筋透锈。
为了克服这一问题,在鹏利广场C区工程施工中,采用了止水对拉螺栓的定位钢筋与模板之间放置木垫块的方法,收到了较好的效果。
2施工标准的特点施工方法简单易行、成本低、效果显著。
3适用范围适用于有防水要求的剪力墙中的止水对拉螺栓施工。
也可推广到其它部位剪力墙施工。
4工艺原理在对拉螺栓中间加焊止水钢板,内档间距为混凝土剪力墙厚度减去两块固定木垫块厚度。
模板拆除后,首先将对拉螺栓孔两端的木垫片剔除干净,然后用火焊将对拉螺栓齐根割掉;将孔内清理干净后用掺硅质防水剂的干硬性细石混凝土压实抹平。
5施工工艺流程及操作要点5.1工工艺流程止水对拉螺栓加工→木垫块加工→止水对拉螺栓、木垫块安装→安装模板→浇注混凝土→剔除木垫块→混凝土表面处理。
5.2操作要点5.2.1止水对拉螺栓加工1传统止水对拉螺栓加工方法见图5.2.1-1。
图5.2.1-12改进后止水对拉螺栓加工方法见图5.2.1-2。
图5.2.1-25.2.2木垫块加工木垫块一般采用现场竹木模板的边角料制作,其尺寸为长×宽×高=100×100×18mm,中间孔洞与对拉螺栓直径相同。
5.2.3止水对拉螺栓、木垫块安装1传统止水对拉螺栓安装方法见图5.2.3-1。
图5.2.3-1。
2改进后止水对拉螺栓、木垫块安装方法见图5.2.3-2。
常见的16种模板工程质量通病,防治措施请收好!模板的安装质量对于建筑工程至关重要,直接影响着砼、钢筋的混凝土结构与构件的外观平整和几何尺寸的准确,以及结构的强度和刚度。
因此,模板安装的质量直接影响着建筑工程的质量。
今天,我们就来了解一下模板工程中常见的十六种质量通病及防治措施。
01接缝不严1、现象由于模板间接缝不严有间隙,混凝土浇筑时产生漏浆,混凝土表面出现蜂窝,严重的出现孔洞、露筋。
2、原因分析(1)翻样不认真或有误,模板制作马虎,拼装时接缝过大。
(2)木模板安装周期过长,因模板干缩造成裂缝。
轴线测放产生误差。
(3)木模板制作粗糙,拼缝不严。
(4)浇筑混凝土时,木模板未提前浇水湿润,使其胀开。
(5)梁柱交接部位,接头尺寸不准,错位。
3、防治措施(1)翻样要认真,严格按1/10~1/50的比例将各部位翻成详图,详细编注,,经复核无误后认真向操作工人交底,强化工人质量意识,认真制作定型模板和拼装。
(2)严格控制模板含水率,制作时拼缝要严密。
(3)木模板安装周期不易过长,浇筑混凝土时,木木板要提前浇水湿润,使其胀开密缝。
(4)梁柱交接部位支撑要牢靠,拼缝要严密,发生错位要校正好。
(本文图片来源网络,版权归原作者所有)02模板未清理干净1、现象(1)模板内残留木块、浮浆残渣、碎石等建筑垃圾,拆模后发现混凝土中有缝隙,且有垃圾夹杂物。
(2)模板内残留木块、浮浆残渣、碎石等建筑垃圾,拆模后发现砼有缝隙,且有垃圾杂物。
2、原因分析(1)钢筋绑扎完毕,未用压力水冲洗模板,封模前未进行清扫。
(2)墙柱根部,梁柱接头最低处未留清扫孔,或所留位置不当无法进行清扫。
3、防治措施(1)钢筋绑扎完毕,用高压水冲洗模板,清除模内垃圾。
(2)封模前派专人清扫模内垃圾。
(3)墙柱根部、梁柱接头处预留清扫孔,预留孔尺寸:100mm*100mm,模内垃圾清除完毕后及时封严清扫口。
03柱模板缺陷1、现象(1)炸模,造成截面尺寸不准,鼓出、漏浆,混凝土不密实或蜂窝麻面。
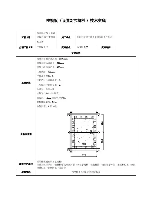
柱模板支撑计算书一、柱模板基本参数柱模板的截面宽度 B=600mm ,B 方向对拉螺栓2道, 柱模板的截面高度 H=600mm ,H 方向对拉螺栓2道, 柱模板的计算高度 L = 6000mm , 柱箍间距计算跨度 d = 400mm 。
柱箍采用单钢管48mm ×2.8mm 。
柱模板竖楞截面宽度50mm ,高度100mm 。
B 方向竖楞5根,H 方向竖楞5根。
面板厚度12mm ,剪切强度1.4N/mm 2,抗弯强度15.0N/mm 2,弹性模量6000.0N/mm 2。
229000.0N/mm 2。
6007137137137柱模板支撑计算简图二、柱模板荷载标准值计算强度验算要考虑新浇混凝土侧压力和倾倒混凝土时产生的荷载设计值;挠度验算只考虑新浇混凝土侧压力产生荷载标准值。
新浇混凝土侧压力计算公式为下式中的较小值:其中 c —— 混凝土的重力密度,取24.000kN/m 3;t —— 新浇混凝土的初凝时间,为0时(表示无资料)取200/(T+15),取5.714h ; T —— 混凝土的入模温度,取20.000℃; V —— 混凝土的浇筑速度,取2.500m/h ;H —— 混凝土侧压力计算位置处至新浇混凝土顶面总高度,取3.000m ;1—— 外加剂影响修正系数,取1.000;2—— 混凝土坍落度影响修正系数,取0.850。
根据公式计算的新浇混凝土侧压力标准值 F1=40.540kN/m 2考虑结构的重要性系数0.9,实际计算中采用新浇混凝土侧压力标准值 F1=0.9×40.550=36.495kN/m 2考虑结构的重要性系数0.9,倒混凝土时产生的荷载标准值 F2=0.9×3.000=2.700kN/m 2。
三、柱模板面板的计算面板直接承受模板传递的荷载,应该按照均布荷载下的简支梁计算,计算如下19.03k N/mA面板计算简图 面板的计算宽度取柱箍间距0.40m 。
浅析对拉螺栓费用的计算在土建模板工程进度款及工程结算时,甲乙双方常发生对拉螺栓钢筋切割费用及堵眼费用是否另外计算及如何计算的争议,另外对拉螺栓工程量采用现场签证的方式确认,造成了现场签证量很大、工作繁琐、依据不足、规范性不大等现象。
现分析如下:一、对拉螺栓的概念对拉螺栓(对拉螺杆),用于墙体内、外侧模板之间的拉结,承受混凝土的侧压力和其他荷载,确保内外侧模板的间距能满足设计要求,同时也是模板及其支撑结构的支点。
有防水要求的剪力墙的对拉螺栓是止水型的,是留在混凝土中,把2头突出的螺栓头切割掉就可以没有要求的,把螺栓取出后,用砂浆堵死。
止水螺栓与对拉螺栓的区别:因为模板工程必须使用对拉螺栓来固定,但是对于有防水要求的工程,对拉螺栓因不具备防水作用,所以就在对拉螺栓中间焊接了一个圆形的止水片,这样就称为止水对拉螺栓,也叫止水螺栓。
在模板拆除后,止水螺栓就留墙里,以阻止地下水通过丝杠与混凝土之间细小间隙而渗入墙内。
对拉螺栓是节约型的材料,可再次使用;而止水螺栓则是用于地下工程,不能循环使用,是一种消耗型的,使用之后就不能再继续使用了。
二、工程量计算一般原则:施工图纸有规定的遵从施工图纸规定;如没有,业主可发布施工统一做法,特殊情况根据审批的施工方案计算。
(1)工程量根据模板面积计算的,根数要根据规范、定额或施工组织设计给出的螺栓的间距来计算考虑的,止水螺栓针对防水剪力墙考虑。
对拉螺栓使用数量的计算:1.根据板墙的高度计算出单位面积混凝土对模板产生的侧压力是多少;2.根据侧压力和螺杆的拉力值计算出配置螺杆使用的间距;3.根据间距和板墙的面积算出所需止水螺杆的总量即可。
(2)河北省消耗量定额2012中规定:高度≥500mm的梁、宽度≥600mm的柱及混凝土墙模板使用对拉螺栓时,按照下列规定以“t”为单位计算,并扣除相应子目的铁件消耗量。
1.对拉螺栓长度按混凝土厚度每侧增加270mm,直径按14mm计算。
2.对拉螺栓间距按下列规定计算:(1)复合木模板中对拉螺栓间距400mm;(2)组合钢模板中对拉螺栓间距800mm。
框架柱的对拉螺栓计算公式框架结构在建筑工程中起着非常重要的作用,而框架柱作为框架结构的重要组成部分,其承载能力和稳定性就显得尤为重要。
在框架柱的设计中,对拉螺栓是一个重要的连接部件,其计算公式的准确性直接影响着框架柱的安全性和稳定性。
本文将对框架柱的对拉螺栓计算公式进行详细介绍,希望能够为相关工程师和设计人员提供一些参考。
1. 对拉螺栓的基本原理。
对拉螺栓是一种常用的连接件,其主要作用是通过螺栓的拉伸来承受框架柱上的拉力。
在框架结构中,框架柱承受着来自横梁和楼板的荷载,而对拉螺栓则起到了连接和传递这些荷载的作用。
因此,对拉螺栓的设计和计算是非常重要的。
2. 对拉螺栓的计算公式。
对拉螺栓的计算公式一般包括两个方面,一个是对拉螺栓的承载能力,另一个是对拉螺栓的稳定性。
(1)对拉螺栓的承载能力计算公式。
对拉螺栓的承载能力一般可以通过以下公式进行计算:P = A σt。
其中,P为螺栓的承载能力,A为螺栓的截面积,σt为螺栓的抗拉强度。
(2)对拉螺栓的稳定性计算公式。
对拉螺栓的稳定性一般可以通过以下公式进行计算:N = A σc。
其中,N为螺栓的稳定性能力,A为螺栓的截面积,σc为螺栓的抗压强度。
3. 对拉螺栓的选用原则。
在实际工程中,对拉螺栓的选用需要考虑多个因素,包括螺栓的材料、尺寸、工作环境等。
一般来说,螺栓的材料应选择高强度和耐腐蚀的材料,如合金钢或不锈钢。
螺栓的尺寸应根据实际荷载和工作环境来确定,以保证其承载能力和稳定性。
此外,对拉螺栓的安装和预紧也是非常重要的,需要严格按照相关规范和要求进行操作,以确保其连接的牢固性和可靠性。
4. 对拉螺栓的计算实例。
为了更好地理解对拉螺栓的计算公式,我们可以通过一个实际的计算实例来进行说明。
假设某框架柱上的拉力为100kN,选用直径为20mm的合金钢螺栓进行连接。
根据螺栓的抗拉强度和抗压强度,可以计算出螺栓的承载能力和稳定性。
首先,计算螺栓的承载能力:A = π d^2 / 4 = 3.14 20^2 / 4 = 314mm^2。
支模的一般质量通病轴线位移1.现象混凝土浇筑后拆除模板时,发现柱、墙实际位置与建筑物轴线位置有偏移。
2.原因分析(1)翻样不认真或技术交底不清,模板拼装时组合件未能按规定到位。
(2)轴线测放产生误差。
(3)墙、柱模板根部和顶部无限位措施或限位不牢,发生偏位后又未及时纠正,造成累积误差。
(4)支模时,未拉水平、竖向通线,且无竖向垂直度控制措施。
(5)模板刚度差,未设水平拉杆或水平拉杆间距过大。
(6)混凝土浇筑时未均匀对称下料,或一次浇筑高度过高造成侧压力过大挤偏模板。
(7)对拉螺栓、顶撑、木楔使用不当或松动造成轴线偏位。
3.防治措施(1)严格按1/10~1/50的比例将各分部、分项翻成详图并注明各部位编号、轴线位置、几何尺寸、剖面形状、预留孔洞、预埋件等,经复核无误后认真对生产班组及操作工人进行技术交底,作为模板制作、安装的依据。
(2)模板轴线测放后,组织专人进行技术复核验收,确认无误后才能支模。
(3)墙、柱模板根部和顶部必须设可靠的限位措施,如采用现浇楼板混凝土上预埋短钢筋固定钢支撑,以保证底部位置准确。
(4)支模时要拉水平、竖向通线,并设竖向垂直度控制线,以保证模板水平、竖向位置准确。
(5)根据混凝土结构特点,对模板进行专门设计,以保证模板及其支架具有足够强度、刚度及稳定性。
(6)混凝土浇筑前,对模板轴线、支架、顶撑、螺栓进行认真检查、复核,发现问题及时进行处理。
(7)混凝土浇筑时,要均匀对称下料,浇筑高度应严格控制在施工规范允许的范围内。
标高偏差1.现象测量时,发现混凝土结构层标高及预埋件、预留孔洞的标高与施工图设计标高之间有偏差。
2.原因分析(1)楼层无标高控制点或控制点偏少,控制网无法闭合;竖向模板根部未找平。
(2)模板顶部无标高标记,或末按标记施工。
(3)高层建筑标高控制线转测次数过多,累计误差过大。
(4)预埋件、预留孔洞未固定牢,施工时未重视施工方法。
(5)楼梯踏步模板未考虑装修层厚度。
柱模板(设置对拉螺栓)计算书一、计算依据1、《建筑施工模板安全技术规范》JGJ162-20082、《混凝土结构设计规范》GB50010-20103、《建筑结构荷载规范》GB50009-20124、《钢结构设计标准》GB50017-20175、《建筑施工临时支撑结构技术规范》JGJ300-2013二、计算参数图(1) 模板设计平面图图(2) 模板设计立面图三、荷载统计新浇混凝土对模板的侧压力F1=0.22γc t0β1β2V0.5=0.22×24×4×1.2×1.15×20.5=41.218kN/m2 F2=γc H=24×9380/1000=225.12kN/m2标准值G4k=min[F1,F2]=41.218kN/m2承载能力极限状态设计值根据柱边的大小确定组合类型:由于柱长边大于300mm,则:S=0.9max[γG1G4k+γQ1Q3k,γG2G4k+γQ2×0.7Q3k]=0.9×max(1.2×41.218+1.4×2,1.35×41.218+1.4×0.7×2)=51.844kN/m 2正常使用极限状态设计值S k=G4k=41.218kN/m2四、面板验算根据规范规定面板可按简支跨计算,故可按简支跨一种情况进行计算,取b=1m 单位面板宽度为计算单元。
W=bh2/6=1000×122/6=24000mm3,I=bh3/12=1000×123/12=144000mm4其中的h为面板厚度。
图(3) 面板强度计算简图1、强度验算q=bS=1×51.844=51.844kN/m图(4) 面板弯矩图(kN·m)M max=0.146kN·mσ=M max/W=0.146×106/24000=6.075N/mm2≤[f]=31N/mm2满足要求2、挠度验算图(5) 面板挠度计算简图q k=bS k=1×41.218=41.218kN/m图(6) 面板挠度图(mm)νmax=0.164mm≤[ν]=150/400=0.375mm满足要求五、次楞验算柱子截面的长短边分别进行安全验算如下:A、柱长边次楞验算根据实际情况次楞的计算简图应为两端带悬挑的多跨连续梁,计算简图如下:图(7) 次楞强度计算简图次楞上作用线荷载:q=(L/m)S=600/(5-1)/1000×51.844=7.777kN/mq k=(L/m)S k=600/(5-1)/1000×41.218=6.183kN/m1、强度验算图(8) 次楞弯矩图(kN·m)M max=0.243kN·mσ=M max/W=0.243×106/(49.045×1000)=4.955N/mm2≤[f]=15N/mm2满足要求2、抗剪验算图(9) 次楞剪力图(kN)V max=1.944kNτ=V max S0/(Ib)=1.944×103×36.784×103/(215.799×104×3.8×10)=0.872N/mm2≤[f v]=2N/mm2满足要求3、挠度验算图(10) 次楞挠度计算简图图(11) 次楞挠度图(mm)ν=0.326mm≤[ν]=500/400=1.25mm满足要求4、支座反力计算R max=3.888kNR maxk=3.091kNB、柱短边次楞验算根据实际情况次楞的计算简图应为两端带悬挑的多跨连续梁,计算简图如下:图(12) 次楞强度计算简图次楞上作用线荷载:q=(B/n)S=600/(5-1)/1000×51.844=7.777kN/mq k=(B/n)S k=600/(5-1)/1000×41.218=6.183kN/m1、强度验算图(13) 次楞弯矩图(kN·m)M max=0.243kN·mσ=M max/W=0.243×106/(49.045×1000)=4.955N/mm2≤[f]=15N/mm2满足要求2、抗剪验算图(14) 次楞剪力图(kN)V max=1.944kNτ=V max S0/(Ib)=1.944×103×36.784×103/(215.799×104×3.8×10)=0.872N/mm2≤[f v]=2N/mm2满足要求3、挠度验算图(15) 次楞挠度计算简图图(16) 次楞挠度图(mm)ν=0.326mm≤[ν]=500/400=1.25mm满足要求4、支座反力计算R max=3.888kNR maxk=3.091kN六、柱箍验算柱子截面的长短边分别进行安全验算如下:A、柱长边柱箍验算取s=(600+(88+48)×2)/(2+1)=290.667mm为计算跨度。
柱模板(设置对拉螺栓)计算书
一、计算依据
1、《建筑施工模板安全技术规范》JGJ162-2008
2、《混凝土结构设计规范》GB50010-2010
3、《建筑结构荷载规范》GB50009-2012
4、《钢结构设计规范》GB50017-2003
5、《建筑施工临时支撑结构技术规范》JGJ300-2013
6、《施工手册》(第五版)
二、计算参数
(图1)模板设计平面图
(图2)模板设计立面图
三、荷载统计
新浇混凝土对模板的侧压力
F1=0.22γc t0β1β2V0.5=0.22×24×4×1.2×1.15×20.5=41.218kN/m2 F2=γc H=24×4200/1000=100.8kN/m2
标准值G4k=min[F1,F2]=41.218kN/m2
承载能力极限状态设计值
根据墙厚的大小确定组合类型:
由于柱长边大于300mm,则:
S=0.9max[1.2G4k+1.4Q3k, 1.35G4k+1.4×0.7Q3k] =0.9×max(1.2×41.218+1.4×2,1.35×41.218+1.4×0.7×2)=51.844kN/m2
正常使用极限状态设计值S k=G4k=41.218kN/m2
四、面板验算
根据规范规定面板可按简支跨计算,故可按简支跨一种情况进行计算,取b=1m 单位面板宽度为计算单元。
W=bh2/6=1000×182/6=54000mm3,I=bh3/12=1000×183/12=486000mm4
其中的h为面板厚度。
(图3)承载能力极限状态受力简图
1、强度验算
q=bS=1×51.844=51.844kN/m
(图4)面板弯矩图(kN·m)
M max=0.146kN·m
σ=M max/W=0.146×106/54000=2.7N/mm2≤[f]=25N/mm2
满足要求
2、挠度验算
(图5)正常使用极限状态受力简图
q k=bS k=1×41.218=41.218kN/m
(图6)面板变形图(mm)
νmax=0.07mm≤[ν]=600/400=1.5mm
满足要求
五、小梁验算
柱箍的道数:e=[e≤(H-a)/b,e∈Z]=6
次梁上部悬挑长度
a1=H-a-eb=4200-250-6×600=350mm
根据实际情况次梁的计算简图应为两端带悬挑的多跨连续梁,次梁按四跨连续
梁计算偏安全且比较符合实际情况,计算简图如下:
(图7)承载能力极限状态受力简图次梁上作用线荷载q=Max(L/m,B/n)S=120/1000×51.844=6.221kN/m
q k=Max(L/m,B/n)S k=120/1000×41.218=4.946kN/m
1、强度验算
(图8)次梁弯矩图
M max=0.381kN·m
σ=M max/W=0.381×106/(83.333×1000)=4.573N/mm2≤[f]=13N/mm2
满足要求
2、抗剪验算
(图9)次梁剪力图
V max=2.24kN
τ=V max S0/(Ib) = 2.24×103×62.5×103/(416.667×104×5×10)=0.672N/mm2≤[f v]=1.4N/mm2
满足要求
3、挠度验算
(图10)正常使用极限状态受力简图
(图11)次梁变形图
ν=0.497mm≤[ν]=600/400=1.5mm
满足要求
4、支座反力计算
R max=4.455kN
R maxk=3.542kN
六、柱箍验算
取
s=Max[L/(X+1),B/(Y+1)]=max((600+(100+48)×2)/(1+1),(600+(100+48)×2)/(1+1))=448 mm为计算跨度。
荷载主要有次梁传递至柱箍,简化为每跨作用两个集中力。
(图12)承载能力极限状态受力简图
1、强度验算
(图13)弯矩图(kN·m)
M max=0.664kN·m
σ=M max/W=0.664×106/(8.986×1000)=73.866N/mm2≤[f]=205N/mm2
满足要求
2、抗剪验算
(图14)剪力图(kN·m)
V max=5.917kN
τ=V max S0/(Ib)= 5.917×103×6.084×103/(21.566×104×1.2×10)=13.909N/mm2≤[f v]=125N/mm2
满足要求
3、挠度验算
(图15)正常使用极限状态受力简图
(图16)变形图ν=0.109mm≤[ν]=448/400=1.12mm
满足要求
4、支座反力计算
R max=16.288kN
七、对拉螺栓验算
N=R max=16.288kN≤17.8kN
满足要求。