EIS5000用电信息采集管理系统v11
- 格式:ppt
- 大小:19.84 MB
- 文档页数:69
EIS简要操作说明书2. EIS主界面进入主菜单界面,单击图标进入EIS主界面。
在EIS主界面可以设置各种测量参数,比如,扫描模式、频率范围、每一数量级取点数和测量周期,还可以进入各个子界面,比如,Series Measurement, Control Potentiostat或Display Spectrum文件操作2.1.1 打开单击File Operations图标,如果仪器内存中没有数据,会跳过子菜单。
单击Open后,打开文件浏览器,只显示EIS数据文件(文件扩展名 .ism)。
选择路径和文件,单击LOAD按钮载入文件到Thales软件。
单击EIS主界面的DisplaySpectrum图标显示图形。
接下来的信息框显示被载入数据的测量参数。
单击框内可以关闭它。
提示:打开一个文件将关闭恒电位仪并根据被载入数据的参数设置自动配置恒电位仪。
载入一个文件是用以前使用过的设置执行新的测量的一种简单的方法。
2.1.2 保存通常完成一次EIS测量之后会有数据在仪器内存。
单击Save按钮一个描述框会打开,你可以输入测量参数和记录。
其中几行由软件自动填写(比如,电位,电流和测量时间),其它几行留空由用户填写。
最后三行为序列测量信息保留。
一个序列EIS测量运行时,它们会由软件自动填写。
接受输入信息,点击右上角的按钮放弃输入信息,点击按钮。
找到希望存储的路径(文件夹名称不可以使用中文)。
输入文件名并点击按钮保存数据;点击按钮取消保存。
显示谱图点击这个图标可以显示仪器内存中数据的谱图点击这个图标可以改变图形类型选择图形类型阻抗谱分析点击这个图标进入SIM页,可以做等效电路并拟合。
了解更多信息,请查阅说明书的SIM章节。
信号采集(需相关配件,通常无需了解此项)3. 电极连接方式首先连接测量体系到Zennium的前端。
标准阻抗体系(1 Ω到100 MΩ),用随仪器附带的其中一套电极引线。
提醒:短电极引线测量效果要稍好一些。
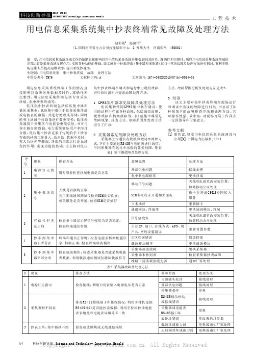
工程技术科技创新导报 Science and Technology Innovation Herald54用电信息采集系统终端工作的情况直接影响到系统采集数据及时性、准确性和完整性。
用电信息采集终端包括专变采集终端、集中抄表终端等。
低压集中抄表终端包括低压集中器和低压采集器:低压集中器用于收集采集终端或电能表的数据,并进行处理或存储,同时能和主站或手持设备进行数据交换;低压采集器用于采集多个电能表电能信息,并可与集中器交换数据。
电力系统低压用户多而且分散,低压集中抄表克服了传统的手工抄表存在的抄表工作量大、效率低、数据不及时、有人为误差等弊端。
终端的正常运行是系统发挥作用,实现功能的基础。
该文将对低压集中抄表终端在调试和运行中出现的故障,进行原因剖析并提出故障处理方法。
1 GPRS集中器常见故障及处理方法低压集抄常用G PR S 集中器在调试、使用的过程中存在各种故障,包括通信故障、硬件故障和档案故障等。
表1就集中器常见故障现象、排查方法、故障原因及处理方法进行了汇总。
2 采集器常见故障及处理方法采集器上行通信有载波和微功率两种方式,下行主要通过RS485与电能表进行通信。
不同采集器在运行中出现的各类故障,排查用电信息采集系统集中抄表终端常见故障及处理方法赵彩霞1 赵祖伟2(1.国网河南省电力公司技能培训中心;2.郑州大学 河南郑州 450001)摘 要:用电信息采集系统终端工作的情况直接影响到用电信息采集系统采集数据的及时性、准确性和完整性,所以用电信息采集系统终端的正常运行是采集系统发挥作用,实现各种功能的基础。
该文就集中抄表终端(集中器和采集器)运行中常见故障及处理方法进行探讨,有利于现场运维人员提高运维效率,提升系统抄通率。
关键词:用电信息采集 集中抄表终端 故障 处理方法中图分类号:TM76 文献标识码:A 文章编号:1674-098X(2015)07(b)-0054-01方法、故障原因分析及处理方法见表2。
2024年用电信息采集系统市场需求分析概述用电信息采集系统是一种用于收集和分析电力消费数据的软件系统。
它可以帮助用户实时监测和管理电力使用情况,提高用电效率,降低能源浪费。
本文将对用电信息采集系统市场需求进行分析,并探讨其潜在的商业机会。
市场背景近年来,随着能源消耗的不断增长和能源浪费的问题日益突出,对电力行业的管理和监测需求也越来越高。
传统的抄表方式效率低下,数据采集不准确,并且无法实时监测用户的用电情况。
因此,用电信息采集系统应运而生,成为电力行业管理的重要工具。
市场需求分析1. 提高用电效率用电信息采集系统可以实时监测用户的用电情况,包括用电量、用电时间等数据。
通过对这些数据的分析和反馈,用户可以了解自己的用电习惯,从而采取相应的措施来降低用电成本和能源浪费。
对于企业用户而言,通过用电信息采集系统,可以有效管理多个用电点的用电情况,降低能源消耗,提高用电效率。
2. 提升用户体验传统的抄表方式需要人工参与,耗时耗力。
而用电信息采集系统可以自动实时采集用户的用电数据,使用户不再需要通过反复抄表来统计用电量。
这不仅提高了用户的用电体验,还减少了抄表工作的工作量和错误率。
3. 优化电力供应链用电信息采集系统可以对电力供应链进行优化和管理。
通过实时获取用户的用电数据,电力公司可以更准确地预测和计划电力需求,合理安排电力生产和供应。
这有助于提升电力供应的稳定性和可靠性,提高电力公司的运营效率和利润。
4. 数据安全和隐私保护用电信息采集系统涉及大量用户的用电数据,因此数据安全和隐私保护是市场需求的重要方面。
系统应具备严格的数据加密和权限管理机制,确保用户的用电数据不会被泄露或滥用。
潜在商业机会1. 用电信息采集系统的开发与销售随着用电信息采集系统需求的增长,还存在很大的商业机会。
不同规模的电力公司、企事业单位和个人用户都可能成为潜在的客户。
可以通过开发和销售基于云计算和物联网技术的用电信息采集系统来满足市场需求,并提供相关的技术支持和咨询服务。
电力用户用电信息采集系统操作手册————————————————————————————————作者:————————————————————————————————日期:采集系统终端管理操作手册1.远程调试1.1业务描述从营销业务应用系统获取终端调试工单,根据调试工单内容,配合现场完成终端调试工作。
1.2操作说明点击【基本应用】->【终端管理】->【远程调试】进入远程调试页面。
通过该功能可实现按单位、工单编号、用户类型、工单起始日期、调试结果等查询条件查询终端调试工单信息。
如下图所示:点击查询结果超链接,进入终端调试结果明细页面,如下图所示:点击工单编号超链接,在下方展示选中终端下的表计信息;选择一条工单,点击触发调试按钮,进行终端调试页面,如下图所示:调试触发与在运系统终端调试业务基本一致,不一样的地方为调试结果页面增加了调试结果记录功能,记录终端进行那几步调试;如下图所示:选择一条工单,点击【归档】按钮,将此工单进行归档保存,仅能对调试完成的工单进行归档。
2终端参数设置2.1业务描述对终端设置终端配置参数、控制参数、限值参数等,设置的参数如下:➢终端通讯参数终端上行通信口通信参数设置终端上行通信口无线中继转发设置主站IP地址和端口主站电话号码和短信中心号码终端上行通信消息认证参数设置终端组地址设置终端IP地址和端口终端上行通信工作方式(以太专网或虚拟专网)虚拟专网用户名、密码终端上行通信流量门限设置终端级联通信参数➢测量点参数终端电能表/交流采样装置配置参数测量点基本参数测量点限值参数测量点铜损、铁损参数测量点功率因数分段限值终端当地电能表显示号台区集中抄表停抄/投抄设置载波从节点附属节点地址➢抄表参数终端抄表运行参数设置集中器下行通信模块的参数设置终端台区集中抄表重点户设置➢事件参数有功总电能量差动越限事件参数设置终端声音告警允许∕禁止设置电能表异常判别阈值设定➢本地端口参数终端脉冲配置参数终端状态量输入参数终端电压/电流模拟量配置参数➢直流模拟量参数直流模拟量接入参数直流模拟量输入变比直流模拟量限值直流模拟量冻结参数➢终端配置参数终端版本信息终端支持的输入、输出及通信端口配置终端支持的其他配置终端支持的参数配置终端支持的控制配置终端支持的事件记录配置注意:此功能页面只支持09或13规约终端进行参数设置,对于04或山东规约终端任然在终端调试功能功能菜单下操作,与在运系统业务一致。
水电工程Һ㊀用电信息采集出现的问题及解决方法王竹兵摘㊀要:一直以来ꎬ社会经济的发展带动了中国各个行业的飞速发展ꎬ随着社会经济水平的不断提升ꎬ中国电力行业发展水平也在逐步提升ꎮ因而在电力行业中广泛使用信息采集系统是其发展趋势ꎬ事实也证明这种方式对电力行业有推动作用ꎬ它不但能够确保信息数据的完整性及时效性ꎬ同时还能够帮助加快电力生产频率ꎮ但在实际操作中应用信息采集处理技术对其进行运维管理时有一定的要求ꎬ文章对用电信息采集系统运维管理要点进行了分析ꎮ关键词:用电信息采集ꎻ问题ꎻ解决方法一㊁用电信息采集出现的问题及解决方法(一)终端离线1.问题终端离线是指终端无法正常登录采集系统主站的现象ꎮ造成终端离线的常见原因有:终端安装区域停电或终端掉电ꎻ运营商网络故障ꎬ通信卡损坏㊁丢失㊁欠费㊁信号强度弱ꎬ终端参数设置错误ꎬ远程通信模块天线丢失等原因造成的远程通信信道故障ꎻ远程通信模块故障㊁采集终端故障等ꎮ2.故障处理办法若因停电引起终端离线ꎬ则需现场送电跟踪终端在线情况ꎻ若当地没有实现网络覆盖ꎬ联系运营商处理或更换其他运营商通信卡测试ꎻ若终端外观出现黑屏㊁烧毁等现象ꎬ则更换终端ꎻ若终端电源无接入ꎬ需接入电源ꎻ若终端死机或拨号异常ꎬ重启终端测试联系设备生产商查明原因ꎻ经检查发现参数设置不正确ꎬ需正确设置参数测试ꎻ若模块指示灯工作不正常ꎬ重新安装或更换模块ꎻ若模块针脚发生弯曲ꎬ直接更换模块ꎻ若通信卡丢失㊁损坏或接触不良ꎬ重新安装或更换通信卡ꎮ(二)采集数据失败1.问题采集数据失败是指采集系统主站无法成功获取采集终端或电能表数据信息的现象ꎮ造成数据采集失败的常见原因有:采集终端的参数设置错误ꎻ通信模块故障㊁时钟故障㊁传输距离过远等ꎻ采集终端㊁电能表RS485通信故障ꎬ载波通道故障等ꎻ采集终端软件通信协议不兼容㊁自身程序缺陷等ꎻ现场施工相线未接ꎬRS485线接线错误或未接ꎬ电源线㊁通信模块等接触不良ꎮ2.故障处理办法若终端参数设置错误或未设置ꎬ现场设置相关参数后现场测试抄表ꎬ将现场参数反馈主站人员纠正基础数据ꎻ对故障设备进行更换或校正时ꎬ观察抄表情况ꎻ若设备电源线存在缺相或虚接ꎬ正确连接电源线ꎻ若集中器或载波模块故障ꎬ更换相应设备ꎻ若RS485端口故障ꎬ更换终端或电能表ꎻ若接线错误ꎬ则更正接线ꎻ若通信线损坏ꎬ更换通信线ꎮ(三)采集数据时有时无1.问题采集数据时有时无是指采集数据不完整㊁不连续ꎬ采集成功率波动较大的现象ꎮ造成数据采集时有时无的常见原因有:采集终端软件版本存在缺陷ꎻ采集终端天线安装位置处无线信号强度较弱ꎬ无法与基站正常通信ꎻ由于台区供电半径过大ꎬ导致电能表与集中器通信距离过远ꎬ载波或微功率信号衰减严重ꎻ采集终端㊁电能表故障ꎮ2.故障处理办法若终端软件存在缺陷ꎬ升级程序处理ꎮ若现场采集正常ꎬ反馈主站人员处理ꎮ观察终端液晶屏显示的信号强度ꎬ检查信号强度是否符合要求㊁天线是否正常ꎮ信号强度弱或不稳定ꎬ可加装外延天线或信号放大器ꎮ加装通信中继器或抗干扰设备ꎮ(四)终端频繁登录主站1.问题终端频繁登录主站是指采集终端频繁切换在线㊁离线状态的现象ꎮ造成终端频繁登录主站的常见原因有:终端心跳周期参数设置错误ꎻ终端安装位置信号强度弱ꎻ采集终端故障㊁远程通信模块故障ꎻ采集终端软件缺陷故障ꎮ2.故障处理办法重新设置终端心跳周期参数ꎬ确保参数设置成功ꎮ信号强度弱或不稳定ꎬ可紧固天线或加装外延天线㊁信号放大器ꎮ若仍无法解决ꎬ需联系运营商处理ꎮ若远程通信模块故障ꎬ更换远程通信模块ꎮ若采集终端远程通信模块接口输出电压值不在3.8~4.2Vꎬ更换采集终端ꎮ二㊁用电信息采集系统运维管理分析(一)采用闭合式管理将用电信息采集系统应用到电力行业可使电力用户用电信息自动化ꎬ带来的好处主要包括以下两方面:提升抄表信息数据的时效性和全面性ꎬ防止出现客观人为因素对用电信息采集造成的误差ꎬ避免出现一些严重违反规章制度的行为ꎬ防止出现估计抄表㊁错抄表㊁漏抄表现象ꎬ同时还能够避免抄表过程中出现的跑㊁冒㊁滴㊁漏情况ꎻ用电信息采集系统具有自动采集功能ꎮ若用户的电表出现了问题ꎬ自动采集功能可以及时发现异常ꎮ这种功能不仅能够及时发现问题ꎬ还能够让企业与用户之间形成联系ꎬ同时还能够确保用户满意ꎬ从而提升电力企业的整体形象ꎮ(二)采用远程管理电力企业可以通过远程停电㊁送电㊁催缴电费及预交电费等方式对用户用电进行管理ꎮ用电信息采集系统能够实现远程跳合闸㊁远程断电ꎬ抄表者不需像以前一样到现场停电催费ꎬ这种方法不仅能够提高催缴电费的时效性ꎬ同时还能避免出现缴费员工现场停电和用户之间造成的不愉快ꎮ运用用电信息采集系统ꎬ用户可预交电费ꎬ极大解决了用电量少的用户预交电费的难题ꎮ(三)采取监测和报警装置用电信息采集系统采用监测和报警装置ꎬ可以使电力企业及时监测到用户在信息数据采集过程中出现的问题ꎮ在用电管理过程中发现问题能及时提示报警ꎬ用电企业可及时发现问题并安排工作人员远程或者现场去解决异常ꎻ还能实时监测用户用电情况ꎬ对用户的采集信息进行分析ꎬ确定主要用户ꎬ如果用户用电发生问题ꎬ可对用户的用电数据进行细分㊁采用及时监测㊁分析数据并且采取一定的解决方法和策略ꎮ还可以使用这个系统发现那些蓄意破坏电表的人ꎬ防止出现偷电的行为ꎮ如果一旦出现这种行为也能提供相关的证据ꎮ三㊁结语总而言之ꎬ通过分析可看出ꎬ电力企业的快速发展离不开用电信息采集系统ꎬ特别是在工厂生产和人们生活对用电需求不断加大的情况下ꎬ强化对该系统运维管理是首要任务ꎬ不仅能降低对电力企业的经济损耗ꎬ还能为社会生态环保做出贡献ꎮ参考文献:[1]王军.用电信息采集系统加强运维管理的要点[J].中外企业家ꎬ2017(32):77-78.[2]陈新武.加强用电信息采集系统运维管理要点分析[J].通讯世界ꎬ2019(20):198-199.作者简介:王竹兵ꎬ南京三新供电服务有限公司六合分公司ꎮ502。
三系统功能1、术语和定义1)电力用户用电信息采集系统是对电力用户的用电信息进行采集、处理和实时监控的系统,实现用电信息的自动采集、计量异常监测、电能质量监测、用电分析和管理、相关信息发布、分布式能源监控、智能用电设备的信息交互等功能。
包括5类用户和 1 个公变考核计量点:A 类——大型专变用户B 类——中小型专变用户C类一一三相一般工商业用户D 类——单相一般工商业用户E类一一居民用户F 类——公变考核计量点2)用电信息采集终端是对各信息采集点用电信息采集的设备,简称采集终端。
可以实现电能表数据的采集、数据管理、数据双向传输以及转发或执行控制命令的设备。
用电信息采集终端按应用场所分为专变采集终端、集中抄表终端(包括集中器、采集器)、分布式能源监控终端等类型。
3)专变采集终端专变采集终端是对专变用户用电信息进行采集的设备,可以实现电能表数据的采集、电能计量设备工况和供电电能质量监测,以及客户用电负荷和电能量的监控,并对采集数据进行管理和双向传输。
4)集中抄表终端集中抄表终端是对低压用户用电信息进行采集的设备,包括集中器、采集器。
集中器是指收集各采集器或电能表的数据,并进行处理储存,同时能和主站或手持设备进行数据交换的设备。
采集器是用于采集多个或单个电能表的电能信息, 并可与集中器交换数据的设备。
采集器依据功能可分为基本型采集器和简易型采集器。
基本型采集器抄收和暂存电能表数据,并根据集中器的命令将储存的数据上传给集中器。
简易型采集器直接转发集中器与电能表间的命令和数据。
5)分布式能源监控终端是对接入公用电网的用户侧分布式能源系统进行监测与控制的设备,可以实现对双向电能计量设备的信息采集、电能质量监测,并可接受主站命令对分布式能源系统接入公用电网进行控制。
2、系统功能数据采集根据不同业务对采集数据的要求,编制自动采集任务,并管理各种采集任务的执行,检查任务执行情况。
采集的主要数据项有电能量数据、交采数据、工况数据、电能质量统计数据、事件记录数据等。
燃料电池eis测试方法燃料电池(Fuel Cell)是一种能够将化学能直接转化为电能的设备,它是一种绿色、高效、低污染的能源转换技术。
为了评估燃料电池的性能和特性,可以使用电化学阻抗谱(EIS)测试方法。
本文将介绍燃料电池EIS测试方法及其应用。
一、电化学阻抗谱(EIS)简介电化学阻抗谱(EIS)是一种通过测量电化学系统的交流响应来研究其界面特性和电化学过程的方法。
它通过施加交流电信号并测量响应电流和电压,从而得到电化学界面的阻抗谱。
通过分析阻抗谱,可以获取电化学系统的电荷传递特性、电极表面的反应速率和电化学界面的等效电路等信息。
二、燃料电池EIS测试方法1. 实验装置进行燃料电池EIS测试需要一套完整的实验装置,包括电化学工作站、交流信号发生器、电压控制器和数据采集系统等设备。
2. 测试步骤(1)准备工作:将燃料电池样品安装在测试夹具中,并连接到实验装置的电极。
确保所有连接良好,避免电阻或接触问题对测试结果的影响。
(2)初始状态测量:在燃料电池初始状态下,记录其开路电压(OCV)和电流密度(Jsc)。
(3)频率扫描范围选择:根据燃料电池的特性和测试需求,选择合适的频率扫描范围。
一般情况下,可以从0.1 Hz到100 kHz范围内进行扫描。
(4)扫描参数设定:设置扫描电势幅度(通常为0.01 V)、起始频率和终止频率等测试参数。
(5)开始测试:根据设定的参数,启动测试程序,开始进行频率扫描,并记录电流和电压响应。
(6)数据分析:通过对测得的电流和电压响应进行处理和分析,得到阻抗谱图。
根据阻抗谱的特征,可以评估燃料电池的性能和特性。
三、燃料电池EIS测试应用1. 燃料电池电极材料的研究:通过EIS测试,可以评估燃料电池电极材料的电化学性能,包括电子传导性、离子传输性和界面反应速率等。
这对于优化电极材料的制备工艺和改进燃料电池的性能具有重要意义。
2. 燃料电池系统的性能评估:EIS测试可以评估燃料电池系统的动态特性和稳态特性,包括响应时间、阻抗变化和电化学过程等。
智能化管理节能减排系统背景与意义系统目标01020304实时监测数据分析用户需求响应系统稳定性系统管理层负责系统的运行维护、安全管理等工作,确保系统的稳定可靠运行。
应用服务层根据用户需求,提供相应的用电信息服务,如用电查询、用电分析、用电报警等。
数据处理层对收集到的数据进行清洗、整合、存储和分析,提供数据支持和决策依据。
数据采集层负责从电力用户处收集用电信息,包括用电量、电压、电流数据传输层将采集到的数据通过通信网络传输至数据中心。
系统组成与架构优点相比传统电表,智能电表具有高精度、高可靠性、可远程抄表、可实时监测用电信息等优点,为用电信息采集系统提供了更加准确、全面的数据源。
定义和功能智能电表是一种具有测量、计量、数据处理和通信功能的电表,可以实现用电信息的实时采集、处理和传输。
技术应用智能电表采用了微处理器技术、传感器技术、通信技术等,实现了对用电信息的实时采集、处理、存储和传输,满足了电力用户对用电信息的需求。
智能电表技术定义和功能优点技术应用远程通信技术定义和功能数据加密与安全性技术是指通过加密算法和安全机制,保证用电信息采集、传输和处理过程中的数据安全性。
要点一要点二必要性由于用电信息涉及到电力用户和电力企业的切身利益,因此必须采取严格的数据加密和安全性措施,防止数据泄露、篡改和攻击。
技术应用数据加密与安全性技术包括数据加密算法(如AES、RSA等)、身份认证机制(如数字证书、用户名/密码等)、访问控制策略(如基于角色的访问控制、基于权限的访问控制等),以及防火墙、入侵检测等安全防护措施,确保用电信息采集系统的数据安全性和完整性。
要点三数据加密与安全性技术实时监测多通道采集高频率采样030201用电信息实时采集大容量存储历史数据查询数据导出与分析数据存储与历史查询异常检测算法一旦发现异常用电情况,系统会通过声光、短信等多种方式实时报警。
实时报警异常记录与分析异常用电检测与报警负荷预测需求响应策略能源优化建议电力需求侧管理支持系统软件安装安装系统软件,包括操作系统、数据库、中间件等。
用电信息采集系统电力是国民经济的重要组成部分,随着社会的发展,对电力的要求也在不断的提高。
因而,在电力领域,需要建立起一种高效、安全的用电信息采集系统。
这样的系统可以对电力的使用情况进行动态监测和管理,为电力的发展提供有力的保障。
一、用电信息采集系统的概述用电信息采集系统是指通过特定的传感器和信号处理装置,对用电设备进行实时监控、收集、处理和分析,从而实现对用电情况的动态监测和管理。
该系统主要分为采集、通讯、控制和管理等几个层次,其中采集层是整个系统的基础,通讯层是信息传输的桥梁,控制层是用电设备的远程控制和管理平台,而管理层则是系统的监督和管理平台。
二、用电信息采集系统的技术架构用电信息采集系统的技术架构主要包括以下几个方面:(1)传感器:用于检测用电设备的电流、电压、功率因数等参数,并将所检测到的数据反馈给系统;(2)数据采集设备:用于实时采集传感器的数据,并将其转化为数字信号,存储到数据库中;(3)通讯设备:用于与用电设备进行远程通讯,进行控制和监测;(4)服务器:用于管理采集的数据,提供数据查询、报表生成等服务;(5)客户端:用于用户的管理和查询,提供实时监测、报警和控制等功能。
三、用电信息采集系统的功能模块(1)实时监测:对电压、电流、功率因数等参数进行实时监测,并在数据异常或报警时及时提醒用户;(2)数据采集:对用电情况进行数据采集和存储,向数据库中添加新的数据;(3)数据分析:对采集到的数据进行分析和处理,形成图表和报告,并提供决策依据;(4)报警管理:对用电设备进行故障检测,一旦出现故障,实时向用户发送报警信息;(5)远程控制:对用电设备进行远程管理和控制,例如开关、调节电压等;(6)用户管理:对系统的用户进行管理,包括用户权限、登陆和退出等。
四、用电信息采集系统与电网安全的关系用电信息采集系统对于电网管理的安全性具有重要意义。
首先,该系统可以帮助电网管理层及时掌握用电情况,随时了解电网荷电状态,从而及时进行调度。