土的物理力学指标经验值
- 格式:docx
- 大小:16.87 KB
- 文档页数:1
实验一 土的三项基本物理性指标的测定一、实验目的土的三项基本物理性指标是指土粒比重ds 、土的含水量w 和密度ρ,一般由实验室直接测定其数值。
在测定这三个基本指标后,可以换算出其余各个指标。
二、实验原理和方法 1.土粒相对密度ds土粒质量与同体积的4℃时纯水的质量比,称为土粒比重(无量纲),亦称土粒相对密度,即式中 ρs ——土粒密度,即土粒单位体积的质量,g/cm 3;ρw1——4℃时纯水的密度,等于1g/cm 3或1t/ m 3。
一般情况下,土粒相对密度在数值上就等于土粒密度,11ds w ss w s V m ρρρ==但两者的含义不同。
土粒比重决定于土的矿物成分,一般无机矿物颗粒的比重为2.6~2.8;有机质为2.4~2.5;泥炭为1.5~1.8。
土粒(一般无机矿物颗粒)的比重变化幅度很小。
土粒比重可在试验室内用比重瓶法测定。
通常也可按经验数值选用,一般土粒土粒相对密度参考值见下表。
土粒相对密度参考值2.土的含水量w土中水的质量与土粒质量之比,称为土的含水量,用百分数表示,即%100⨯=swm m ω含水量w 是标志土含水程度(湿度)的一个重要物理指标。
天然土层的含水量变化范围很大,它与土的种类、埋藏条件及所处的自然地理环境等有关。
土的含水量通常采用“烘干法”测定。
从含水量的定义可知,实验的关键是怎样测得一块土中所含水份质量以及颗粒质量。
所谓烘干法便是为此设计的一种实验方法。
先称小块原状土样的湿土质量,然后置于烘箱内维持100~105℃烘至恒重,再称干土质量,湿、干土质量之差与干土质量的比值,就是土的含水量。
计算公式为:%1000221⨯--=m m m m ω 式中: W ——含水量(%) m 1——盒加湿土质量(g ) m 2——盒加干土质量(g )m 0——铝盒的质量(g ),按盒号查表可得,由实验室提供。
3.土的密度ρ土单位体积的质量称为土的密度,g/cm 3。
在天然含水量情况下的密度称为天然密度,即Vm =ρ 测定密度的目的是为了了解土体内部结构的密实情况。
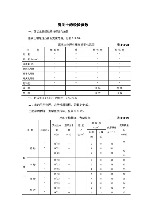
有关土的经验参数一、原状土物理性质指标变化范围原状土物理性质指标变化范围,见表3-3-28。
注:粘砂土3<I p≤7;砂粘土7<I p≤17二、土的平均物理、力学性质指标,见表3-3-29。
土的平均物理、力学性质指标,见表3-3-29。
注:①平均比重采取:砂——2.66;粘砂土——2.70;砂粘土——2.71;粘土——2.74;②粗砂和中砂的E 0值适用于不均匀系数C u = = 3者,当C u >5时应按表中所列值减少 。
C u为中间值时E 0 值按内插法确定;③对于地基稳定计算,采用人摩擦角φ的计算值低于标准值2°。
1060d d 32三、土的压缩模量一般范围值土的压缩模量一般范围值,见表3-3-3-。
注:砂粘土7<I p≤7;粘土I p>17四、粘性土剪强度参考值粘性土抗剪强度参考值,见表3-3-31。
注:粘砂土3<I p≤7;砂粘土7<I p≤7;粘土I p>17五、土的侧压力系数(ξ)和泊松比(u)参考值注:粘土I p>17;粉质粘土10<I p≤17;I p≤10五、变形模量于压缩模量的关系变形模量E0是指土体在无侧限条件下应力与应变之比,其中的应变包含弹性应变和塑性应变两部分。
因此,变形模量较弹性模量E小,通常在土与基础的共同作用分析中用变形模量E。
变形模量一般是通过现场载荷试验确定,一些地方通过静力触探、标贯试验与变形模量建立了经验公式。
压缩模量Es是在侧限条件下应力与应变的比值,是通过室内试验获取的参数。
两者的关系:对于软土E0近似等于Es;较硬土层,E0=βEs,β=2~8,土愈坚硬,倍数愈大。
土的经验参数一、物理指标1.比重:土壤的比重是指单位体积土壤的质量与同体积纯水的质量之比,通常用干重比重和湿重比重表示。
2.含水量:土壤的含水量是指土壤中水分的质量与干重土壤质量之比,常用百分比表示。
3.孔隙度:土壤的孔隙度是指土壤中孔隙体积与总体积之比,常用百分比表示。
4.总容重:土壤的总容重是指单位体积土壤的质量,通常用干重表示。
5.粒径分布:土壤的粒径分布是指不同粒径组分在土壤中的含量分布状况。
二、压缩指标1.压缩系数:土壤的压缩系数是指单位压力下土壤体积变化的比例,通常用体积压缩系数和线性压缩系数表示。
2.压缩指数:土壤的压缩指数是指土壤在其中一固定压力下的压缩变化量与干重土壤质量之比,表示土壤的可压缩性。
3.压缩模量:土壤的压缩模量是指土壤在荷载作用下的压缩刚度,通常用单位应力下的压缩应变表示。
三、变形模量1.杨氏模量:土壤的杨氏模量是指土壤在单位应力下的应变、变形关系,反映土壤的刚度。
2.泊松比:土壤的泊松比是指土壤沿径向收缩时垂直于径向的应变与径向应变之比,反映土壤的可压缩性和变形能力。
3.弯曲模量:土壤的弯曲模量是指土壤在受弯曲荷载作用下的弯曲刚度,通常用单位应力下的弯曲应变表示。
1.内摩擦角:土壤的内摩擦角是指土壤在剪切状态下达到极限强度时,切线与水平方向之间的夹角,反映土壤抗剪性能。
2.剪切模量:土壤的剪切模量是指土壤在剪切应力作用下的应变、剪切关系,反映土壤的刚度。
以上是土的经验参数的主要内容,在土壤工程设计和分析中起到重要的作用。
不同类型的土壤具有不同的参数值,通过对土的经验参数的研究可以更好地了解土壤的物理和力学特性,为土壤工程设计提供依据。
(水利水电)部分常用岩土物理力学参数经验数值-CAL-FENGHAI-(2020YEAR-YICAI)_JINGBIAN使用说明:1、资料涉及各行各业;2、资料出处为黄底加粗字体的为最新版本内容。
可按规范适用范围选择使用;3、资料出处非黄底加粗字体的为引用资料,很多为老版本,参考用。
水利水电工程部分岩土物理力学参数经验数值1岩土的渗透性(1)渗透系数《地下铁道、轻轨交通岩土工程勘察规范》GB50307-1999 139~140页土体的渗透系数值2《水利水电工程水文地质勘察规范》SL373-2007 62~63页岩土体渗透性分级Lu:吕荣单位,是1MPa压力下,每米试段的平均压入流量。
以L/min计摘自《水利水电工程地质勘察规范》GB50287-99 附录J 66页表F 岩土体渗透性分级3《水利水电工程地质勘察规范》(GB50487-2008)109页附录F (2)单位吸水量各种构造岩的单位吸水量(ω值)上表可以看出:同一断层内,一般碎块岩强烈透水;压碎岩中等透水;断层角砾岩弱透水;糜棱岩和断层泥不透水或微透水。
摘自高等学校教材天津大学《水利工程地质》第三版 113页坝基(肩)防渗控制标准4注:透水率1Lu(吕荣)相当于单位吸水量0.01摘自高等学校教材天津大学《水利工程地质》第三版 118页。
(3)简易钻孔抽注水公式1)简易钻孔抽水公式根据水位恢复速度计算渗透系数公式1.57γ(h2-h1)K= ———————t (S1+S2)式中:γ---- 井的半径;h1---- 抽水停止后t1时刻的水头值;h2---- 抽水停止后t2时刻的水头值;S1、S2---- t1或t2时刻从承压水的静止水位至恢复水位的距离;H---- 未抽水时承压水的水头值或潜水含水层厚度。
《工程地质手册》第三版 927页2)简易钻孔注水公式当l/γ<4时0.366Q 2lK= ———— lg ———Ls γ式中:K—渗透系数(m/d);l---试验段或过滤器长度(m);Q---稳定注水量(m3/d);s---孔中水头高度(m);γ---钻孔或过滤器半径(m)。
有关土的经验参数一、原状土物理性质指标变化范围
原状土物理性质指标变化范围,见表3-3-28。
注:粘砂土3<I p≤7;砂粘土 7<I p≤17
二、土的平均物理、力学性质指标,见表3-3-29。
土的平均物理、力学性质指标,见表3-3-29。
注:①平均比重采取:砂——;粘砂土——;砂粘土——;粘土——;
②粗砂和中砂的E 0值适用于不均匀系数C u = = 3者,当C u >5时应按表中所列值减少 。
C u
为中间值时E 0 值按内插法确定;
③对于地基稳定计算,采用人摩擦角φ的计算值低于标准值2°。
10
60d d 32
三、土的压缩模量一般范围值
土的压缩模量一般范围值,见表3-3-3-。
注:砂粘土7<I p≤7;粘土I p>17
四、粘性土剪强度参考值
粘性土抗剪强度参考值,见表3-3-31。
注:粘砂土3<I p≤7;砂粘土7<I p≤7;粘土I p>17
五、土的侧压力系数(ξ)和泊松比(u)参考值
注:粘土I p>17;粉质粘土10<I p≤17;I p≤10
五、变形模量于压缩模量的关系
变形模量E0是指土体在无侧限条件下应力与应变之比,其中的应变包含弹性应变和塑性应变两部分。
因此,变形模量较弹性模量E小,通常在土与基础的共同作用分析中用变形模量E。
变形模量一般是通过现场载荷试验确定,一些地方通过静力触探、标贯试验与变形模量建立了经验公式。
压缩模量Es是在侧限条件下应力与应变的比值,是通过室内试验获取的参数。
两者的关系:对于软土E0近似等于Es;较硬土层,E0=βEs,β=2~8,土愈坚硬,倍数愈大。
使用说明:1、资料涉及各行各业;2、资料出处为黄底加粗字体得为最新版本内容。
可按规范适用范围选择使用;3、资料出处非黄底加粗字体得为引用资料,很多为老版本,参考用。
水利水电工程部分岩土物理力学参数经验数值1岩土得渗透性(1)渗透系数《地下铁道、轻轨交通岩土工程勘察规范》GB50307-1999 139~140页《水利水电工程水文地质勘察规范》SL373-2007 62~63页Lu:吕荣单位,就是1MPa压力下,每米试段得平均压入流量。
以L/min计摘自《水利水电工程地质勘察规范》GB50287-99 附录J 66页(2)单位吸水量一般碎块岩强烈透水;压碎岩中等透水;断层角砾岩弱透水;糜棱岩与断层泥不透水或微透水。
摘自高等学校教材天津大学《水利工程地质》第三版113页注:透水率1Lu(吕荣)相当于单位吸水量0、01摘自高等学校教材天津大学《水利工程地质》第三版118页。
(3)简易钻孔抽注水公式1)简易钻孔抽水公式根据水位恢复速度计算渗透系数公式1、57γ(h2-h1)K= ———————t (S1+S2)式中:γ---- 井得半径;h1---- 抽水停止后t1时刻得水头值;h2---- 抽水停止后t2时刻得水头值;S1、S2---- t1或t2时刻从承压水得静止水位至恢复水位得距离;H---- 未抽水时承压水得水头值或潜水含水层厚度。
《工程地质手册》第三版927页2)简易钻孔注水公式当l/γ<4时0、366Q 2lK= ———— lg ———Ls γ式中:K—渗透系数(m/d);l---试验段或过滤器长度(m);Q---稳定注水量(m3/d);s---孔中水头高度(m);γ---钻孔或过滤器半径(m)。
《工程地质手册》第三版936页(4)水力坡降0~3、0,即Ⅰ允= Ⅰ临/2、0~3、0。
摘自长春地质学院《中小型水利水电工程地质》1978年139页出口保护情况下地基允许渗流比降见上表。
摘自《堤防工程地质勘察与评价》水规总院李广诚司富安杜忠信等。
(水利水电)部分常用岩土物理力学参数经验数值-CAL-FENGHAI-(2020YEAR-YICAI)_JINGBIAN使用说明:1、资料涉及各行各业;2、资料出处为黄底加粗字体的为最新版本内容。
可按规范适用范围选择使用;3、资料出处非黄底加粗字体的为引用资料,很多为老版本,参考用。
水利水电工程部分岩土物理力学参数经验数值1岩土的渗透性(1)渗透系数《地下铁道、轻轨交通岩土工程勘察规范》GB50307-1999 139~140页土体的渗透系数值2《水利水电工程水文地质勘察规范》SL373-2007 62~63页岩土体渗透性分级Lu:吕荣单位,是1MPa压力下,每米试段的平均压入流量。
以L/min计摘自《水利水电工程地质勘察规范》GB50287-99 附录J 66页表F 岩土体渗透性分级3《水利水电工程地质勘察规范》(GB50487-2008)109页附录F (2)单位吸水量各种构造岩的单位吸水量(ω值)上表可以看出:同一断层内,一般碎块岩强烈透水;压碎岩中等透水;断层角砾岩弱透水;糜棱岩和断层泥不透水或微透水。
摘自高等学校教材天津大学《水利工程地质》第三版 113页坝基(肩)防渗控制标准4注:透水率1Lu(吕荣)相当于单位吸水量0.01摘自高等学校教材天津大学《水利工程地质》第三版 118页。
(3)简易钻孔抽注水公式1)简易钻孔抽水公式根据水位恢复速度计算渗透系数公式1.57γ(h2-h1)K= ———————t (S1+S2)式中:γ---- 井的半径;h1---- 抽水停止后t1时刻的水头值;h2---- 抽水停止后t2时刻的水头值;S1、S2---- t1或t2时刻从承压水的静止水位至恢复水位的距离;H---- 未抽水时承压水的水头值或潜水含水层厚度。
《工程地质手册》第三版 927页2)简易钻孔注水公式当l/γ<4时0.366Q 2lK= ———— lg ———Ls γ式中:K—渗透系数(m/d);l---试验段或过滤器长度(m);Q---稳定注水量(m3/d);s---孔中水头高度(m);γ---钻孔或过滤器半径(m)。
岩土主要物理力学指标参考值(2)溢洪道工程地质条件坝址溢洪道位于左坝肩斜坡顶部,进口段至坡顶地形较平缓,坡顶至出口段为降坡段,斜坡坡度25~28°。
浅表层为全、强风化石英闪长岩,工程地质条件与大坝左坝肩基本一致,但全、强风化石英闪长岩风化严重,抗冲刷能力较弱。
(3)放水、冲沙洞工程地质条件①隧洞地质条件洞区地形、地质条件较简单,主要物理地质作用为自然风化、剥蚀,无滑坡、崩塌、泥石流等不良地质作用,未见断裂构造通过,整体稳定。
隧洞进口段为第四系冲洪积砾砂土覆盖层,结构松散,强度低,对洞口边坡需进行加固护坡。
隧洞洞身前段主要由弱风化石英闪长岩组成,岩体较破碎,岩体基本质量等级为Ⅳ级,自稳能力较差,成洞后稳定性差,隧洞开挖容易产生局部塌方、掉块等挤压形式变形破坏;隧洞中段主要由微风化石英闪长岩组成,岩体较完整,自稳能力较好,开挖后可基本稳定,局部可能会出现岩块位移错动掉块;隧洞出口段主要由弱风化石英闪长岩组成,岩体较破碎,自稳能力较差,隧洞开挖容易产生局部塌方、掉块等挤形式压变形破坏。
隧洞出口段该段地层为第四系冲洪积漂石土覆盖层,结构松散,强度低,开挖易产生塌方。
②隧洞岩土物理力学特性隧洞岩土物理力学特性主要物理力学指标参考前表。
工程岩体分级标准(上)2010-04-15 | 作者:| 来源:中国地质环境信息网| 【大中小】【打印】【关闭】1 总则1.0.1 为建立统一的评价工程岩体稳定性的分级方法;为岩石工程建设的勘察、设计、施工和编制定额提供必要的基本依据,制定本标准。
1.0.2 本标准适用于各类型岩石工程的岩体分级。
1.0.3 工程岩体分级,应采用定性与定量相结合的方法,并分两步进行,先确定岩体基本质量,再结合具体工程的特点确定岩体级别。
1.0.4 工程岩体分级所必需的地质调查和岩石试验,除应符合本标准外,尚应符合有关现行国家标准的规定。
2 术语、符号2.l 术语2.1.1 岩石工程rock engineering以岩体为工程建筑物地甚或环境,并对岩体进行开挖或加固的工程,包括地下工程和地面工程。
有关土的经验参数一、原状土物理性质指标变化范围原状土物理性质指标变化范围,见表3-3-28。
原状土物理性质指标变化范围表3-3-28注:粘砂土3<I p≤7;砂粘土 7<I p≤17二、土的平均物理、力学性质指标,见表3-3-29。
土的平均物理、力学性质指标,见表3-3-29。
土的平均物理、力学指标表3-3-29注:①平均比重采取:砂——;粘砂土——;砂粘土——;粘土——;②粗砂和中砂的E 0值适用于不均匀系数C u = = 3者,当C u >5时应按表中所列值减少 。
C u为中间值时E 0 值按内插法确定;③对于地基稳定计算,采用人摩擦角φ的计算值低于标准值2°。
三、土的压缩模量一般范围值土的压缩模量一般范围值,见表3-3-3-。
土的压缩模量一般范围值 表3-3-30注:砂粘土7<I p ≤7;粘土I p >17四、粘性土剪强度参考值1060d d 32粘性土抗剪强度参考值,见表3-3-31。
注:粘砂土3<I p≤7;砂粘土7<I p≤7;粘土I p>17五、土的侧压力系数(ξ)和泊松比(u)参考值土的侧压力系数ξ和泊松比u参考值表3-3-32注:粘土I p>17;粉质粘土10<I p≤17;I p≤10五、变形模量于压缩模量的关系变形模量E0是指土体在无侧限条件下应力与应变之比,其中的应变包含弹性应变和塑性应变两部分。
因此,变形模量较弹性模量E小,通常在土与基础的共同作用分析中用变形模量E。
变形模量一般是通过现场载荷试验确定,一些地方通过静力触探、标贯试验与变形模量建立了经验公式。
压缩模量Es是在侧限条件下应力与应变的比值,是通过室内试验获取的参数。
两者的关系:对于软土E0近似等于Es;较硬土层,E0=βEs,β=2~8,土愈坚硬,倍数愈大。
岩土主要物理力学指标参考值(2)溢洪道工程地质条件坝址溢洪道位于左坝肩斜坡顶部,进口段至坡顶地形较平缓,坡顶至出口段为降坡段,斜坡坡度25~28°。
浅表层为全、强风化石英闪长岩,工程地质条件与大坝左坝肩基本一致,但全、强风化石英闪长岩风化严重,抗冲刷能力较弱。
(3)放水、冲沙洞工程地质条件①隧洞地质条件洞区地形、地质条件较简单,主要物理地质作用为自然风化、剥蚀,无滑坡、崩塌、泥石流等不良地质作用,未见断裂构造通过,整体稳定。
隧洞进口段为第四系冲洪积砾砂土覆盖层,结构松散,强度低,对洞口边坡需进行加固护坡。
隧洞洞身前段主要由弱风化石英闪长岩组成,岩体较破碎,岩体基本质量等级为Ⅳ级,自稳能力较差,成洞后稳定性差,隧洞开挖容易产生局部塌方、掉块等挤压形式变形破坏;隧洞中段主要由微风化石英闪长岩组成,岩体较完整,自稳能力较好,开挖后可基本稳定,局部可能会出现岩块位移错动掉块;隧洞出口段主要由弱风化石英闪长岩组成,岩体较破碎,自稳能力较差,隧洞开挖容易产生局部塌方、掉块等挤形式压变形破坏。
隧洞出口段该段地层为第四系冲洪积漂石土覆盖层,结构松散,强度低,开挖易产生塌方。
②隧洞岩土物理力学特性隧洞岩土物理力学特性主要物理力学指标参考前表。
工程岩体分级标准(上)2010-04-15 | 作者:| 来源:中国地质环境信息网| 【大中小】【打印】【关闭】1 总则1.0.1 为建立统一的评价工程岩体稳定性的分级方法;为岩石工程建设的勘察、设计、施工和编制定额提供必要的基本依据,制定本标准。
1.0.2 本标准适用于各类型岩石工程的岩体分级。
1.0.3 工程岩体分级,应采用定性与定量相结合的方法,并分两步进行,先确定岩体基本质量,再结合具体工程的特点确定岩体级别。
1.0.4 工程岩体分级所必需的地质调查和岩石试验,除应符合本标准外,尚应符合有关现行国家标准的规定。
2 术语、符号2.l 术语2.1.1 岩石工程rock engineering以岩体为工程建筑物地甚或环境,并对岩体进行开挖或加固的工程,包括地下工程和地面工程。
土的固结系数经验值土的固结系数经验值是土力学中一个重要的参数,用于描述土壤在固结过程中的变形特性。
在工程实践中,了解土的固结系数经验值对于土壤固结性质的研究和工程设计具有重要意义。
本文将对土的固结系数经验值进行全面评估,并从简到繁、由浅入深地探讨该主题,以帮助读者更加深入地理解。
1. 什么是土的固结系数土的固结系数是描述土壤颗粒重新排列和变形的一种物理量。
它反映了土壤在受到外力作用时,颗粒之间的排列状态发生变化,导致土体体积和结构的变化情况。
土的固结系数通常使用lambda (λ) 表示,它具体包括两个方面的参数——压缩系数和收缩系数。
2. 压缩系数与土体压缩性压缩系数是描述土壤在垂直方向上受到外力作用时体积变化的一个参数。
它反映了土壤颗粒间的排列状态发生变化时产生的垂直压缩量。
压缩系数可以通过试验测定得到,也可通过经验公式计算。
然而,由于土壤的复杂性,压缩系数并没有一个普适的经验值,它受到土壤类型、含水量和应力状态等因素的影响。
3. 收缩系数与土体收缩性收缩系数是描述土壤在受到干湿循环或水分变化影响时体积变化的一个参数。
它反映了土壤在干燥过程中由于含水量减少而产生的体积变化量。
收缩系数的大小与土壤颗粒间的结构和含水量密切相关,不同类型的土壤具有不同的收缩系数。
通常,粘性土的收缩系数较大,砂土和砾石土的收缩系数较小。
4. 土的固结系数经验值的研究方法为了确定土的固结系数经验值,研究者通常通过野外和室内试验来获取数据。
野外试验是通过在实际工程现场进行土体采样和试验,获取土体变形和应力变化的数据。
室内试验则是通过对采集的土样进行室内试验,研究土壤的固结行为。
这些试验数据将作为土的固结系数经验值的基础,为工程设计提供参考。
5. 对土的固结系数经验值的个人观点和理解在我个人看来,土的固结系数经验值的研究是一项重要的工作。
通过了解土的固结系数经验值,可以更好地预测土壤的变形行为,从而在工程设计和施工中更加准确地评估土壤的稳定性和可靠性。
岩土的物理力学性质指标岩土的物理力学性质指标是边坡的稳定性计算的基本参数和重要依据。
应根据工程地质划分的扇形区及各区的边坡变形破坏特点,选取与之有关的试样进行力学试验,测定岩石及软弱夹层物理力学性质指标。
岩石及软弱夹层的物理性质指标详见表1至表7。
表2 部分岩石的孔隙率与吸水率岩石名称孔隙率n (%)吸水率^(%)变化范围平均值H-R UJ-J U-J 花冈石流纹斑岩闪长岩正长岩安山岩玄武岩辉绿岩霏细岩凝灰岩火山角砾岩安山凝灰集块岩砾岩砂岩砂岩(第三纪)砂岩(白垩纪)砂岩(侏罗纪)砂岩(三迭纪)砂岩新鲜的风化的石英砂岩0.04 〜2.801.10 〜3.400.25 〜3.00—0.29 〜1.131.10 〜4.301.00 〜2.200.29 〜5.101.59 〜2.230.90 〜7.540.40 〜4.102.00 〜5.101.04 〜9.305.00 〜20.002.20〜42.007.20〜37.704.20〜24.600.60 〜27.70—0.952.001.252.540.702.301.702.201.803.202.103.205.0413.0015.3017.1013.2019.3021.112.260.10 〜1.700.14 〜1.650.18 〜1.000.48—0.20 〜1.000.30 〜0.800.20 〜1.000.18 〜0.350.34 〜2.120.14 〜4.000.40 〜1.000.14 〜4.101.00 〜9.00—————石英砂岩新鲜的风化的页岩砂质页岩泥质页岩煤质页岩泥灰岩石灰石石灰岩(第三纪)石灰岩(中生代)石灰岩(古生代)白垩石膏硬石膏片麻岩大理岩白云岩石英岩石英片岩角闪石片岩云母片岩绿泥石片岩千枚岩——0.70 〜7.000.80 〜4.15——1.00 〜52.000.53 〜27.00—1.20 〜26.500.80 〜27.005.00 〜58.000.10 〜4.000.63 〜6.260.30 〜2.400.10 〜6.000.30 〜25.000.00 〜8.701.53 〜2.80—1.714.91——1.35I.0318.0012.0020.00II.6512.0026.401.701.651.351.007.702.402.002.960.792.103.60——2.30 〜6.00———1.00—5.000.20 〜6.40——————0.14 〜0.30——0.02 〜0.280.10〜0.300.110.08 〜0.420.55〜1.12表3 不同成因粘土的有关物理力学性质指标(一)表4 不同成因粘土的有关物理力学性质指标(二)表5 几种土的渗透系数表表6 土的平均物理、力学性质指标(一)表7 土的平均物理、力学性质指标(二)注:1.平均比重取:砂为2.65;轻亚粘土为2.70;亚粘土为2.71 ;粘土2.74。
土的经验参数(物理指标、压缩、变形模量、剪切强度)-CAL-FENGHAI-(2020YEAR-YICAI)_JINGBIAN有关土的经验参数一、原状土物理性质指标变化范围原状土物理性质指标变化范围,见表3-3-28。
注:粘砂土3<I p≤7;砂粘土 7<I p≤17二、土的平均物理、力学性质指标,见表3-3-29。
土的平均物理、力学性质指标,见表3-3-29。
注:①平均比重采取:砂——2.66;粘砂土——2.70;砂粘土——2.71;粘土——2.74;②粗砂和中砂的E 0值适用于不均匀系数C u = = 3者,当C u >5时应按表中所列值减少 。
C u为中间值时E 0 值按内插法确定;③对于地基稳定计算,采用人摩擦角φ的计算值低于标准值2°。
1060d d 32三、土的压缩模量一般范围值土的压缩模量一般范围值,见表3-3-3-。
注:砂粘土7<I p≤7;粘土I p>17四、粘性土剪强度参考值粘性土抗剪强度参考值,见表3-3-31。
注:粘砂土3<I p≤7;砂粘土7<I p≤7;粘土I p>17五、土的侧压力系数(ξ)和泊松比(u)参考值注:粘土I p>17;粉质粘土10<I p≤17;I p≤10五、变形模量于压缩模量的关系变形模量E0是指土体在无侧限条件下应力与应变之比,其中的应变包含弹性应变和塑性应变两部分。
因此,变形模量较弹性模量E小,通常在土与基础的共同作用分析中用变形模量E。
变形模量一般是通过现场载荷试验确定,一些地方通过静力触探、标贯试验与变形模量建立了经验公式。
压缩模量Es是在侧限条件下应力与应变的比值,是通过室内试验获取的参数。
两者的关系:对于软土E0近似等于Es;较硬土层,E0=βEs,β=2~8,土愈坚硬,倍数愈大。
土的经验参数(物理指标、压缩、变形模量、剪切强度)有关土的经验参数一、原状土物理性质指标变化范围原状土物理性质指标变化范围,见表3-3-28。
注:粘砂土3<I p≤7;砂粘土 7<I p≤17二、土的平均物理、力学性质指标,见表3-3-29。
土的平均物理、力学性质指标,见表3-3-29。
注:①平均比重采取:砂——2.66;粘砂土——2.70;砂粘土——2.71;粘土——2.74;②粗砂和中砂的E 0值适用于不均匀系数C u = = 3者,当C u >5时应按表中所列值减少 。
C u为中间值时E 0 值按内插法确定;③对于地基稳定计算,采用人摩擦角φ的计算值低于标准值2°。
1060d d 32三、土的压缩模量一般范围值土的压缩模量一般范围值,见表3-3-3-。
注:砂粘土7<I p≤7;粘土I p>17四、粘性土剪强度参考值粘性土抗剪强度参考值,见表3-3-31。
注:粘砂土3<I p≤7;砂粘土7<I p≤7;粘土I p>17五、土的侧压力系数(ξ)和泊松比(u)参考值注:粘土I p>17;粉质粘土10<I p≤17;I p≤10五、变形模量于压缩模量的关系变形模量E0是指土体在无侧限条件下应力与应变之比,其中的应变包含弹性应变和塑性应变两部分。
因此,变形模量较弹性模量E小,通常在土与基础的共同作用分析中用变形模量E。
变形模量一般是通过现场载荷试验确定,一些地方通过静力触探、标贯试验与变形模量建立了经验公式。
压缩模量Es是在侧限条件下应力与应变的比值,是通过室内试验获取的参数。
两者的关系:对于软土E0近似等于Es;较硬土层,E0=βEs,β=2~8,土愈坚硬,倍数愈大。
土的物理状态指标土的物理指标1.4.1土的三相比例指标因为土是三相体系,不能用一个单一的指标来说明三相间量的比例关系,需要若干个指标来反映土中固体颗粒、水和空气之间的量关系。
在土力学中,通常用三相草图来表示土的三相组成图1-10为了确定土的三相比例指标,需要通过试验室测定土的重力密度、含水量和土粒比重,有关实验方法参见《土工试验规程》,这里不予讲述。
得到这三个基本指标图1-10土的三相草图后,其它指标就可通过三相草图的关系得到。
(1)土的重度(g)土的重度定义为土单位体积的重量,单位为(kN/m3)。
其定义式为:(2)土粒比重(d s)土粒比重定义为土粒的质量与同体积纯蒸馏水在4℃时的质量之比,其定义式为:土粒的比重给出的是矿物组合体的密度,由于土中矿物成分相对比较稳定,故土的比重一般变化不大或土的稠度。
1、无粘性土(粗粒土)的密实程度无粘性土的密实度与其工程性质有着密切的关系,呈密实状态时,强度较大,可作为良好的天然地基;呈松散状态时,则是不良地基。
对于同一种无粘性土,当其孔隙比小于某一限度时,处于密实状态,随着孔隙比的增大,则处于中密、稍密直到松散状态。
无粘性土的这种特性,是因为它所具有的单粒结构决定的。
以下介绍与无粘性土的最大和最小孔隙比、相对密实度等有关的密实度指标。
无粘性土的最小孔隙比是最紧密状态的孔隙比,用符号e min表示;其最大孔隙比是土处于最疏松状态时的孔隙比,用符号e max表示。
e min一般采用“振击法”测定;e max一般用“松砂器法”测定。
对于不同的无粘性土,其e min与e max的测定值也是不同的,e max与e min之差(即孔隙比可能变化的范围)也是不一样的。
一般土粒粒径较均匀的无粘性土,其e max与e min之差较小;对不均匀的无粘性土,则其差值较大。
无粘性土的天然孔隙比e如果接近e max(或e min),则该无粘性土处于天然疏松(或密实)状态,这可用无粘性土的相对密实度进行评价。