地基土物理力学指标设计参数表
- 格式:doc
- 大小:88.00 KB
- 文档页数:1
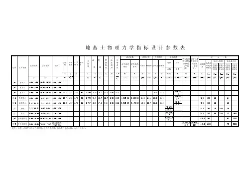
有关土的经验参数一、原状土物理性质指标变化范围原状土物理性质指标变化范围,见表3-3-28。
注:粘砂土3<I p≤7;砂粘土7<I p≤17二、土的平均物理、力学性质指标,见表3-3-29。
土的平均物理、力学性质指标,见表3-3-29。
注:①平均比重采取:砂——2.66;粘砂土——2.70;砂粘土——2.71;粘土——2.74;②粗砂和中砂的E 0值适用于不均匀系数C u = = 3者,当C u >5时应按表中所列值减少 。
C u为中间值时E 0 值按内插法确定;③对于地基稳定计算,采用人摩擦角φ的计算值低于标准值2°。
1060d d 32三、土的压缩模量一般范围值土的压缩模量一般范围值,见表3-3-3-。
注:砂粘土7<I p≤7;粘土I p>17四、粘性土剪强度参考值粘性土抗剪强度参考值,见表3-3-31。
注:粘砂土3<I p≤7;砂粘土7<I p≤7;粘土I p>17五、土的侧压力系数(ξ)和泊松比(u)参考值注:粘土I p>17;粉质粘土10<I p≤17;I p≤10五、变形模量于压缩模量的关系变形模量E0是指土体在无侧限条件下应力与应变之比,其中的应变包含弹性应变和塑性应变两部分。
因此,变形模量较弹性模量E小,通常在土与基础的共同作用分析中用变形模量E。
变形模量一般是通过现场载荷试验确定,一些地方通过静力触探、标贯试验与变形模量建立了经验公式。
压缩模量Es是在侧限条件下应力与应变的比值,是通过室内试验获取的参数。
两者的关系:对于软土E0近似等于Es;较硬土层,E0=βEs,β=2~8,土愈坚硬,倍数愈大。
有关土的经验参数一、原状土物理性质指标变化范围原状土物理性质指标变化范围,见表3-3-28。
原状土物理性质指标变化范围表3-3-28注:粘砂土3<I p≤7;砂粘土 7<I p≤17二、土的平均物理、力学性质指标,见表3-3-29。
土的平均物理、力学性质指标,见表3-3-29。
土的平均物理、力学指标表3-3-29注:①平均比重采取:砂——;粘砂土——;砂粘土——;粘土——;②粗砂和中砂的E 0值适用于不均匀系数C u = = 3者,当C u >5时应按表中所列值减少 。
C u为中间值时E 0 值按内插法确定;③对于地基稳定计算,采用人摩擦角φ的计算值低于标准值2°。
三、土的压缩模量一般范围值土的压缩模量一般范围值,见表3-3-3-。
土的压缩模量一般范围值 表3-3-30注:砂粘土7<I p ≤7;粘土I p >17四、粘性土剪强度参考值1060d d 32粘性土抗剪强度参考值,见表3-3-31。
注:粘砂土3<I p≤7;砂粘土7<I p≤7;粘土I p>17五、土的侧压力系数(ξ)和泊松比(u)参考值土的侧压力系数ξ和泊松比u参考值表3-3-32注:粘土I p>17;粉质粘土10<I p≤17;I p≤10五、变形模量于压缩模量的关系变形模量E0是指土体在无侧限条件下应力与应变之比,其中的应变包含弹性应变和塑性应变两部分。
因此,变形模量较弹性模量E小,通常在土与基础的共同作用分析中用变形模量E。
变形模量一般是通过现场载荷试验确定,一些地方通过静力触探、标贯试验与变形模量建立了经验公式。
压缩模量Es是在侧限条件下应力与应变的比值,是通过室内试验获取的参数。
两者的关系:对于软土E0近似等于Es;较硬土层,E0=βEs,β=2~8,土愈坚硬,倍数愈大。
《地基处理技术》课程设计计算书题目专业学号班级姓名一、基本设计资料(1)工程概况某六层住宅楼,建筑占地约800m2,建筑面积约5000m2。
(2)基础形式与荷载条件拟采用筏板基础(基础底面为25m×32m),基础底面压力150 kPa,基础埋深3.5m。
(3)工程地质条件该场地地形较为平坦,平均地面标高在3.90m,地下水埋深在地面下0.52m,平均水位标高3.38m。
各土层的物理力学性质见表1。
表1 各层土的物理力学性质指标()二、承载力计算1、确定桩土面积置换率20.101m==2、单桩承载力计算1na p si i p p i R u q l q A ==+∑桩侧阻力如下表:土层淤泥质粉质粘土砂质粉土 淤泥质粘土 粉质粘土 桩侧阻力q si (kpa ) 17.0 15.013.018.0桩端阻力360p q kpa =由此可以计算桩的承载力特征值为:2211.57,0.19641.57(1721511310182)3600.196408.11p p na p si i p p i d u d m A m R u q l q A kNππ======+=⨯⨯+⨯+⨯+⨯+⨯=∑3、复合地基承载力计算 根据公式有:(1)aspk sk pR f mm f A β=+- 当使用的是CFG 桩复合地基时,公式中的β取值一般可以根据当地经验取值,如无经验时,可以取0.75~0.95之间,天然地基承载力较大时,取大值。
本工程认为可以取β=0.85,sk f 取各土层天然地基承载力的加权平均值。
因此复合地基承载力为:70210060107526615408.11(1)0.1010.85(10.101)66260.740.196sk a spksk p f kpaR f m m f kpaA β⨯++⨯+⨯===+-=⨯+⨯-⨯=对地基进行深度修正,30018.50.52+8.50.98+8.9 2.0==10.21/3.5(0.5)260.7410.21(3.50.5)291.37150a spk kN m f f d kpa kpa γγ⨯⨯⨯=+-=+⨯-=>满足要求。
基底对持力层有关力学指标参考表垫层的压实系数要求及承载力特征值垫层的每层铺填厚度及压实遍数垫 层 模 量注:压实矿渣的E 0/E S比值可按1.5~3取用。
填土内摩擦角φ参考值堑坡物理力学指标参考值深度在5m以内的基坑边坡的最陡坡度各构筑物含钢率的估算指标常用材料的弹性模量及泊松比基床系数参考值—《建筑结构设计新规范综合应用手册》P189注:表中k值单位为KN/m3砾石和砂土基床系数参考值何为基床系数?如何取值?基床系数:基床反力系数,弹性半空间地基上某点所受的法向压力与相应位移的比值,又称温克尔系数。
基床反力系数K应如何取值?这个应该就是文克勒提出的文克勒地基模型(弹性地基梁)中的基床反力系数(也称弹性抗力系数)。
文克勒假设:地基上任一点所受的压力强度p与该点的地基沉降量s成正比, p=ks ,其比例系数k称为基床反力系数,简称基床系数。
就是把地基土体划分成许多的土柱,然后用一根独立的弹簧来代替,k就是弹簧刚度。
基床系数的确定比较复杂,它不是单纯表征土的力学性质的计算指标,还受基底压力的大小和分布、压缩性、土层厚度、邻近荷载等等的影响。
有些书推荐按基础的预估沉降量或者载荷试验成果来确定。
K的取值可参阅说明书中的附表,在同一类土中,相对偏硬的土取大值,偏软的土取小值,若考虑垫层的影响K值还可取大些,当有多种土层时,应按土的变形情况取加权平均值。
K值的改变对荷载均匀的基础内力影响不大,但荷载不均匀时则会对内力产生一定的影响。
应适当调整K值,选择较理想的内力与变形的K值,并最好使垂直位移不出现负值。
1 什么是基床系数(又称弹性抗力系数)类似于弹簧系数,物理意义:使土体(围岩)产生单位位移所需的应力;或者,使单位面积土体产生单位位移所需要的力;一般土体的K随深度变化的,对同一层土,k随着深度的增加而增加。
k关于深度求导就是m,量纲为kN/m4 kPa/m/m。
2 基床系数是用来干啥用的?与哪些因素有关?广义来讲,基床系数是考虑土-结构相互作用的.狭义来讲,基床系数用于计算围护桩/墙的变形。
c某公路桥墩采用桩(柱)式桥墩,其上部结构为30m 钢筋混凝土装配式T 梁桥,桥面宽7m ,两边各有0.75 m 人行道,人行荷载3.00KN/m 2,拟定尺寸如图1所示。
墩帽顶标高为235.00m ,桩顶标高为229.00m ,墩柱顶标高为233.90m ;汽车荷载为公路-Ⅱ级。
标高217.0米以上为粘性土;标高217.0米以下桩侧及桩底均为硬塑粘土,常水位标高为229.00米,最低水位标高为224.4米。
各物理参数见下表:地基土物理力学性质 土层 容重KN/m 3孔隙比 e 液性指数 I L 相对密度 Dr 标惯击数N 63.5 侧阻力 /KPa 地基土比例系数KN/m 4 粘性土 19.0 0.85 0.30 / / 60 5100 中砂夹砾石 19.5//0.451816032000两跨恒载反力 N1=3040kN 盖梁自重N2=172kN2.1材料设计墩柱直径为1.40米,混凝土强度等级为C30,Ⅱ级钢筋,混凝土弹性模量Ec=3.00×104MPa 。
2.2 桩、墩柱尺寸与材料桩的直径 d 设计为 1.6m ,桩端沉渣厚度 t ≤300mm ,常水位处设置横系梁,横系梁高度为 0.8 m 。
桩身混凝土强度等级为 C30 ,Ⅱ级钢筋,混凝土弹性模量E = 3.00⨯104 MPa 。
3 荷载计算3.1 自重荷载情况计算系梁自重反力π 2N 3 = (4.5 ⨯1.6 - ⨯1.6 ) ⨯1.2 ⨯ 25 4 =155.681(不扣除浮力)π2N 3 = (4.5 ⨯1.6 - ⨯1.6 ) ⨯1.2 ⨯ (25- 10) 4 =93.409(扣除浮力)一根墩柱自重:柱位于常水位以上,不考虑浮力影响π 2N 4 = (233.9 - 229) ⨯ ⨯1.4 4 ⨯ 25 = 188.57kN水上桩每延米自重 w p水下桩每延米自重 w p = π ⨯1.62 ⨯1.0 ⨯ 25=50.266kN/m4= π⨯1.62 ⨯1.0 ⨯ (25- 10) =30.159kN/m 43.2 作用在盖梁上的汽车荷载计算跨径: l 0 = 30m - 0.3m ⨯ 2 = 29.4m a .双孔布载(双车道)P K =232.4kN24.41.012-0.012集中车辆荷载车道均布荷载集中荷载影响线均布荷载影响线双孔、双车道布载,计算跨径为 l 0 = 2 ⨯ 30- 0.3⨯ 2 = 59.4m ,汽车荷载为公路—Ⅱ级,线 性内P k =(270+90)×0.75=270kNq k =10.5×0.75=7.875kN/mN 车1=[270×1.010+7.875×59.4×0.5]×2=1013.2kNb .单孔布载(双车道)图 4 车道布载图P k =(270+29.4−560−5×90)×0.75=232.4kN q k = 10.5⨯ 0.75 = 7.875kN/mN 车2=[232.4×1.010+7.875×29.4×0.5]×2=701.07kN3.3 作用在盖梁上的人群荷载计算人群荷载,人群荷载标准值取 q k =3.0kN/m2。
承载力:
沈阳市区《建筑地基基础技术规范》
63.5确《铁路工程地质原
《成都地区建筑地基基础设计规范》〔DB51/T 5026-2001〕
湖北省地方标准《建筑地基基础技术规范》〔DB42/242-2014〕
密
压缩模量:
沈阳市区《建筑地基基础技术规范》
《成都地区建筑地基基础设计规范》〔DB51/T 5026-2001〕
63.5确定圆
铁道部第二勘测设计院
原一机部勘察公司丁南大队
抗剪强度:
s =6.2+
沈阳市区《建筑地基基础技术规范》〔DB 21-907-96〕
《成都地区建筑地基基础设计规范》〔DB51/T 5026-2001〕
湖北省地方标准 《建筑地基基础技术规范》〔DB42/242-2014〕
地质原位测试规程》〔TB 10041-2003、J261-2003〕锥动力触探N63.5确定地基承载力 〔kPa〕
规范》〔DB 21-907-96〕
〕
设计院研究成果 《动力触探技术规定》〔TBJ 18-87〕力触探N63.5确定圆砾、卵石土的变形模量E0
规范》〔DB 21-907-96〕
标准值φK
〕的关系
14〕。