金属拉伸试验标准试样类型及尺寸
- 格式:pdf
- 大小:362.29 KB
- 文档页数:3
2、金属拉伸试验标准试样类型及
尺寸
标准试样的类型及尺寸见图2-1及表2-1。
对于厚度0.1mm~3.0mm薄板和薄带:
1.优先采用比例系数k=5.65的比例试样,若比例标距小于15mm,建议采用非比例试样,
或按双方约定的L0值。
2.头部宽度应至少20mm,但不超过40mm。
3.平行长度应不少于L0+b/2,仲裁试验,平行长度应
为L0+2b,除非材料尺寸不足够。
4.原始横截面积(S0=AB)的测定应准确到±2%
5.应用小标记、细划线或细黑线标记原始标距(L0),
但不得引起过早断裂的缺口做标记
6.机加工试样的尺寸公差和形状公差应符合下表要求
表2-2
标准试样的尺寸公差单位:mm。
金属板材拉伸试验标准试样类型及尺寸标准试样的类型及尺寸见图2-1 及表 2-1 。
图 2-1 标准试样的类型表 2-1 标准试样的尺寸单位: mm 序厚度宽度过渡半径原始标距平行长度总长度B h1 h号 a b r L0=kS0 L c=L0+2b L t = L c+2h1+2h1 20 ≥ 20 190 30 ≥502 20 ≥ 20 190 30 ≥503 20 ≥ 20 190 30 ≥504 20 ≥ 20 190 30 ≥505 20 ≥ 20 195 30 ≥506 20 ≥ 20 195 30 ≥507 20 ≥ 20 195 30 ≥508 20 ≥ 20 195 30 ≥509 20 ≥ 20 200 30 ≥5010 20 ≥ 20 205 30 ≥5011 20 ≥ 20 205 30 ≥5012 20 ≥ 20 210 30 ≥5013 20 ≥ 20 190 30 ≥5014 20 ≥ 20 200 30 ≥5015 20 ≥ 20 215 30 ≥50对于厚度 ~薄板和薄带:1.优先采用比例系数k=的比例试样,若比例标距小于15mm,建议采用非比例试样,或按双方约定的L0值。
2.头部宽度应至少20mm,但不超过 40mm。
3.平行长度应不少于L0+b/2 ,仲裁试验,平行长度应为L0+2b,除非材料尺寸不足够。
4.原始横截面积( S0=AB)的测定应准确到± 2%5.应用小标记、细划线或细黑线标记原始标距(L0),但不得引起过早断裂的缺口做标记6.机加工试样的尺寸公差和形状公差应符合下表要求表 2-2 标准试样的尺寸公差单位:mm形状公差试样标称宽度尺寸公差一般试验仲裁试验10±1520±。
2、金属拉伸试验标准试样类型及尺寸
表2-1标准试样的尺寸单位:mm
对于厚度0.1mm~3.0mm薄板和薄带:
1 •优先采用比例系数k=5.65的比例试样,若比例标距小于15mm,建议采用非比例试样, 或
按双方约定的L o值。
2. 头部宽度应至少20mm,但不超过40mm。
3. 平行长度应不少于L°+b/2,仲裁试验,平行长度应为L°+2b,除非材料尺寸不足够。
4. 原始横截面积(S0=AB )的测定应准确到土2%
5. 应用小标记、细划线或细黑线标记原始标距(L0),但不得引起过早断裂的缺口做标记
6. 机加工试样的尺寸公差和形状公差应符合下表要求
表2-2标准试样的尺寸公差单位:mm。
金属板材拉伸试验标准试样类型及尺寸
标准试样的类型及尺寸见图2-1及表2-1。
表2-1标准试样的尺寸单位:mm
对于厚度0.1mm~3.0mm薄板和薄带:
1.优先采用比例系数k=5.65的比例试样,若比例标距小于15mm,建议采用非比例试样,或按双方约定的L0值。
2.头部宽度应至少20mm,但不超过40mm。
3.平行长度应不少于L0+b/2,仲裁试验,平行长度应为L0+2b,除非材料尺寸不足够。
4.原始横截面积(S0=AB)的测定应准确到±2%
5.应用小标记、细划线或细黑线标记原始标距(L0),但不得引起过早断裂的缺口做标记6.机加工试样的尺寸公差和形状公差应符合下表要求
表2-2标准试样的尺寸公差单位:mm
如有侵权请联系告知删除,感谢你们的配合!。
金属材料拉伸试验标准试样类型及尺寸编制:审核:批准:生效日期:受控标识处:分发号:发布日期:2016年9月27日实施日期:2016年9月27日制/修订记录1.0 目的本文件规定了常温下金属材料拉伸试验标准试样的类型,形状及其尺寸测量。
2.0 范围适用于本公司常温下金属材料的拉伸试验所需的比例试样制备。
3.0 规范性应用文件下列文件对于本文件的作用是必不可少的。
凡是注日期的应用文件,仅注日期的版本适用于本文件。
凡是不注日期的应用文件,其最新版本(包括所有的修改单)适用于本文件。
3.1 GB/T 2975 钢及钢产品 力学性能试验取样位置和试样制备 3.2 GB/T 8170 数值修约规则与极限数值的表示和判定 3.3 GB/T 10623 金属材料 力学性能试验术语4.0 术语和定义4.1 试件/试样test piece/specimen通常按照一定形状和尺寸加工制备的用于试样的材料或部分材料。
4.2 标距gauge length用于测量试样尺寸变化部分的长度。
4.3 原始标距original gauge length在施加试验力之前的标距长度。
4.4 断后标距final gauge length after fracture试样断裂后的标距长度。
4.5 平行长度parallel length试样两头部或加持部分(不带头试样)之间平行部分的长度。
4.6 断面收缩率percentage reduction of area断裂后试样横截面积的最大缩减量(S 0-S u )与原始横截面积(S 0)之比的百分率。
0U00S -S =100%Z X S5.0 符号和说明与试样相关的符号及说明如下:6.0 试样6.1 形状和尺寸6.1.1 一般要求试样的形状与尺寸取决于要被试验的金属产品的形状和尺寸。
通常从产品,压制坯或铸件切取样坯经机械加工制成试样。
但具有恒定横截面的产品(型材,棒材,线材等)和铸造试样(铸铁和铸造非铁合金)可以不经机加工而进行试验。
金属拉伸试验试样标准金属拉伸试验是一种常用的金属材料力学性能测试方法,通过对金属试样施加拉伸力,来研究金属材料的拉伸性能和力学性能。
为了保证拉伸试验的准确性和可比性,需要严格遵守金属拉伸试验试样标准。
本文将介绍金属拉伸试验试样标准的相关内容,以便于广大科研人员和工程技术人员在进行金属拉伸试验时,能够按照标准进行操作,获得准确可靠的试验结果。
一、试样的准备。
1. 试样的形状和尺寸。
金属拉伸试验的试样通常为圆柱形,其长度大于直径,试样的尺寸应符合相关标准规定。
在进行试验前,需要对试样进行加工和抛光处理,以确保试样表面光洁、无裂纹和表面缺陷。
2. 试样的标记。
在试样上标记试样的材料、试样的编号、试样的方向等信息,以便于进行试验数据的记录和分析。
二、试验设备的准备。
1. 试验机的选择。
金属拉伸试验通常采用万能试验机进行,试验机的选择应符合相关标准的要求,同时需要对试验机进行定期的校准和维护,以确保试验机的准确性和稳定性。
2. 应变测量设备。
在进行拉伸试验时,需要配备应变测量设备,用于测量试样在拉伸过程中的应变变化,常用的应变测量设备有应变片、应变计等。
三、试验的操作。
1. 装夹试样。
将试样装夹在试验机上,并根据相关标准要求进行试验机的调试和校准,以确保试验过程中试样的受力均匀和稳定。
2. 进行拉伸试验。
通过控制试验机施加拉伸力,对试样进行拉伸,同时记录试验过程中的拉伸力和试样的变形情况,以获得拉伸试验的应力-应变曲线和拉伸性能参数。
四、试验结果的分析。
根据拉伸试验获得的数据,可以对金属材料的拉伸性能进行分析和评价,包括屈服强度、抗拉强度、断裂伸长率等参数的计算和比较,以评估金属材料的力学性能和工程应用价值。
五、试验注意事项。
在进行金属拉伸试验时,需要注意试样的制备、试验设备的选择和校准、试验操作的规范等方面的注意事项,以确保试验的准确性和可靠性。
结语。
金属拉伸试验试样标准对于保证试验的准确性和可比性具有重要意义,只有严格按照标准要求进行试验,才能获得准确可靠的试验结果。
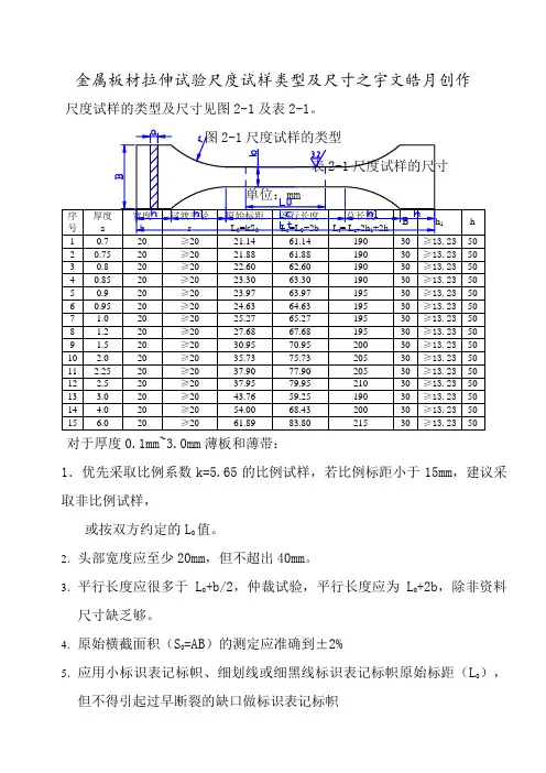
金属板材拉伸试验尺度试样类型及尺寸之宇文皓月创作
尺度试样的类型及尺寸见图2-1及表2-1。
对于厚度0.1mm~3.0mm薄板和薄带:
1.优先采取比例系数k=5.65的比例试样,若比例标距小于15mm,建议采取非比例试样,
或按双方约定的L0值。
2.头部宽度应至少20mm,但不超出40mm。
3.平行长度应很多于L0+b/2,仲裁试验,平行长度应为L0+2b,除非资料尺寸缺乏够。
4.原始横截面积(S0=AB)的测定应准确到±2%
5.应用小标识表记标帜、细划线或细黑线标识表记标帜原始标距(L0),但不得引起过早断裂的缺口做标识表记标帜
6.机加工试样的尺寸公差和形状公差应符合下表要求
表2-2尺度试样的尺寸公差单位:mm。
金属拉伸试棒标准尺寸
标准金属拉伸试棒是一种用于测试金属材料拉伸性能的试验工具。
它通常由一个长方
形棒材制成,具有标准化的尺寸和几何形状,能够一致地在大多数拉伸试验机上进行测试。
本文将介绍常见的金属拉伸试棒标准尺寸。
1. 标准工程材料拉伸试样
标准工程材料拉伸试样是最常见的金属拉伸试棒。
其尺寸如下:
长度:200mm
直径:12.7mm
标准工程材料拉伸试样通常由铝、铜、钢等材料制成,用于测量拉伸强度、屈服点、
延性等材料性能。
2. 圆形拉伸试样
圆形拉伸试样的几何形状为圆柱形,有以下尺寸:
圆形拉伸试样通常用于测量金属材料的延性和断裂韧性。
V形拉伸试样通常用于测量薄板材料的强度和塑性性能,例如薄铝板和薄钢板。
总之,金属拉伸试棒的标准尺寸取决于材料的性质和测试的目的。
在实际应用中,为
了获得准确的测试结果,选择合适的试样形状和尺寸非常重要。
拉伸试验试样标准尺寸拉伸试验是一种常用的材料力学性能测试方法,它可以通过施加拉伸力来测试材料的抗拉强度、屈服强度、断裂伸长率等指标,对于材料的质量评定和工程设计具有重要意义。
而在进行拉伸试验时,试样的尺寸标准化是非常关键的,只有严格按照标准尺寸制备试样,才能确保测试结果的准确性和可比性。
根据国际标准ISO 6892和国家标准GB/T 228.1的规定,金属材料的拉伸试样应采用标准尺寸。
一般情况下,金属材料的拉伸试样为圆柱形,其标准尺寸为直径12.5mm,长度为50mm。
在进行试样制备时,需要注意以下几点:首先,选择合适的材料。
根据实际使用情况和标准要求,选择合适的金属材料进行试验。
材料的选择应符合标准规定,并且要保证试样的制备和测试过程中不会出现异常情况。
其次,制备试样。
按照标准要求,将选定的金属材料加工成直径为12.5mm,长度为50mm的圆柱形试样。
在加工过程中,要注意保持试样的表面光洁度和尺寸精度,避免出现表面粗糙或尺寸不准确的情况。
然后,进行试验。
将制备好的试样放入拉伸试验机中,施加拉伸力进行试验。
在试验过程中,要确保试样处于良好的状态,避免出现试样损坏或试验数据不准确的情况。
最后,分析数据。
根据试验结果,计算材料的抗拉强度、屈服强度、断裂伸长率等指标,并对数据进行分析和比较。
通过分析数据,可以评估材料的力学性能,为材料的选用和工程设计提供参考依据。
总之,拉伸试验试样的标准尺寸对于测试结果的准确性和可比性具有重要影响。
在进行拉伸试验时,务必严格按照标准要求制备试样,保证试验过程的可靠性和结果的准确性。
只有如此,才能真实反映材料的力学性能,为工程应用提供可靠的数据支持。
拉力试验标准试件尺寸
拉力试验标准试件尺寸依据不同的材料和试验标准会有所差异。
以下是一些常用的拉力试验标准试件尺寸:
1. 金属拉伸试样:
ASTM E8/E8M-11标准试件尺寸为
长度:250mm
夹口长度:50mm
试样截面尺寸:25.4mm×6.35mm
2. 纤维材料拉伸试样:
ASTM D3039/D3039M-17a 标准试件尺寸为
长度:250mm
夹口长度:100mm
试样截面尺寸:10mm×5mm
3. 橡胶试样:
ASTM D412/D412M-16a 标准试件尺寸为
长度:75mm
夹口长度:25mm
试样截面尺寸:12.5mm×6.4mm
4. 塑料试样:
ASTM D638-14 标准试件尺寸为
长度:125mm
夹口长度:25mm
试样截面尺寸:12.7mm×6.35mm
5. 木材试样:
ASTM D143-14 标准试件尺寸为
长度:305mm
夹口长度:76mm
试样截面尺寸:25.4mm×25.4mm
需要根据具体试验标准选择合适的试样尺寸,以保证测试结果的精确性和可比性。
拉伸试验标准尺寸
拉伸试验的标准尺寸主要取决于试样的类型和实验的要求。
以下是一些常见的拉伸试样尺寸:
热轧板材和钢板试样:长度为200mm,宽度为50mm,厚度应尽量大,不小于3mm。
热轧板材和钢板试样(小厚度):长度为100mm,宽度为25mm,厚度应尽量大,不小于0.5mm。
热轧钢材试样:长度为50mm,厚度为不小于6mm,宽度为试样厚度的2倍。
焊缝纵向拉伸试样尺寸:用于测试焊缝纵向拉伸性能,厚度可根据实验情况改动,标距为15mm(适用于一楼检测中心的拉伸实验机)。
焊区接头大拉伸试样尺寸:用于测试焊区横向宏观拉伸性能,标距为30mm(适用于一楼检测中心的拉伸实验机)。
搅拌区横向拉伸试样尺寸:用于测试搅拌区内材料的拉伸性能,标距为2mm(适用于本实验室的微型拉伸实验机)。
镍铝青铜母材室温拉伸样品尺寸:需要根据具体的材料性质和实验要求来确定。
一般来说,拉伸试样的尺寸会根据材料的类型、厚度以及实验的要求进行选择和调整。
如有需要,建议咨询专业人士获取具体信息。
金属板材拉伸试验标准试样类型及尺寸
标准试样的类型及尺寸见图2-1及表2-1。
对于厚度~薄板和薄带:
1.优先采用比例系数k=的比例试样,若比例标距小于15mm,建议采用非比例试样,
或按双方约定的L
值。
2.头部宽度应至少20mm,但不超过40mm。
3.平行长度应不少于L
0+b/2,仲裁试验,平行长度应为L
+2b,除非材料尺寸不足够。
4.原始横截面积(S
=AB)的测定应准确到±2%
5.应用小标记、细划线或细黑线标记原始标距(L
),但不得引起过早断裂的缺口做标记6.机加工试样的尺寸公差和形状公差应符合下表要求
表2-2标准试样的尺寸公差单位:mm。
⾦属板材拉伸试验标准试样尺⼨
⾦属板材拉伸试验标准试样类型及尺⼨
标准试样的类型及尺⼨见图2-1及表2-1。
表2-1标准试样的尺⼨单位:mm
对于厚度0.1mm~3.0mm薄板和薄带:
1.优先采⽤⽐例系数k=5.65的⽐例试样,若⽐例标距⼩于15mm,建议采⽤⾮⽐例试样,或按双⽅约定的L0值。
2.头部宽度应⾄少20mm,但不超过40mm。
3.平⾏长度应不少于L0+b/2,仲裁试验,平⾏长度应为L0+2b,除⾮材料尺⼨不⾜够。
4.原始横截⾯积(S0=AB)的测定应准确到±2%
5.应⽤⼩标记、细划线或细⿊线标记原始标距(L0),但不得引起过早断裂的缺⼝做标记6.机加⼯试样的尺⼨公差和形状公差应符合下表要求
表2-2标准试样的尺⼨公差单位:mm
如有侵权请联系告知删除,感谢你们的配合!。