金属拉伸试验标准试样尺寸
- 格式:docx
- 大小:77.70 KB
- 文档页数:1
金属拉伸GB/T228 厚度0.1mm---<3mm薄板和薄带使用的试样类型1.头部宽度至少为20mm但不超过40mm试样头部与平行长度之间应有过渡半径至少为20mm的过渡弧连接。
2.平行长度Lc≥L0+b/2 仲裁实验平行长度应为L0+2b除非尺寸不够对于宽度等于或小于200mm的试样原始标距L0=50mm厚度等于或大于3mm板材和扁材以及直径或厚度等于或大于4mm 线材,棒材和型材使用的试样类型。
过渡弧半径:圆形横截面试样:≥0.75d矩形横截面试样:≥12mm圆形横截面试样:Lc≥L0+ d /2,仲裁试验:Lc= L0+2 d,除非材料不够;对于矩形横截面试样:Lc≥L0+1.5S0,仲裁试验:Lc= L0+2S0;原始标距:L0= k S0,k通常取值5.65矩形带夹头拉伸比例试样尺寸注:如相关产品标准无具体规定,优先采用短试样(比例系数k=5.65)的比例试样。
若比例标距小于15 mm,建议采用非比例试样。
GB/T 1040塑料拉伸性能的测定试样尺寸试样类型1A 1BL3—总长度≥150L1—窄平行部分的长度80±2 60.0±0.5 r—半径20到25 ≥60 L2—宽平行部分间的距离104到113 106到120 b2—端部宽度20±0.2b1—窄部分宽度10±0.2h—优选厚度4±0.2L0—标距50.0±0.5L—夹具间的初始距离115±1 (L2)0+5由于某种原因不能制成1A或1B,则可用小试样代替试样类型1BA 1BBL3—总长度≥75 ≥30L1—窄平行部分的长度30±0.5 12±0.5 r—半径≥30 ≥12 L2—宽平行部分间的距离58±2 23±2b2—端部宽度10±0.5 4±0.2 b1—窄部分宽度5±0.5 2±0.2 h—厚度≥2 ≥2L0—标距25±0.5 10±0.2GB/T 1040塑料拉伸性能的测定试样类型5A 5BL2—总长度≥75 ≥35b2—端部宽度12.5±1 6±0.5 L1—窄平行部分的长度25±1 12±0.5 b1—窄部分宽度4±0.1 2±0.1 r1—小半径8±0.5 3±0.1 r2—大半径12.5±1 3±0.1 L0—标距20±0.5 10±0.2 L—夹具间的初始距离50±2 20±2由于某种原因不能制成1A或1B,则可用小试样代替h—厚度≥2 ≥1GB/T 9431-00塑料弯曲性能试验方法试样推荐试样单位为(mm)长度l=80±2宽度b=10.0±0.2厚度h=4.0±0.3其它试样当不可能或不希望采用推荐试样时,须符合下面的要求。
lo小于25mm,为保证测量精度,亦可采用。
但在特殊情况下,根据产品标准或双方协议要求采用lo=4do或8do的试样时,亦应遵照执行。
此时,对矩形试样,lo应分别等于根号Fo或根号Fo,对于脆性材料,亦可采用lo=。
或根号Fo的试样。
定标距试样系原始标距lo与原始横截面积Fo或直径间do间无所述比例关系。
其标距lo和平行长度l,应按有关标准或双方协议规定执行。
拉伸试样的分类棒材试样对棒材(包括方和六方形等),一般采用圆形试样,其平行部分直径通常为3~25mm。
而各部分尺寸之允许偏差及表面加工粗糙度符合图1的和表2的规定。
对钢、铜材通常采用do=10mm,lo=5do的比例试样,但有时为了考核产品的整体性能,也可取制do>25mm或尽可能大的圆形试样进行试验。
通常铝材尺寸偏小,试样可按有关标准或双方协议规定执行。
对软金属,经双方同意,可采用较低表面粗糙度,但对高强材料,则要求高的加工表面粗糙度,直至抛光。
试样分为带头不带头的两种,仲裁试验时应采用前者,后者一般用于不宜或不经机加工而整拉的棒材。
板材试样对厚、薄板材,一般采用矩形试样,其宽度根据产品厚度(通常为~25mm),采用10、、15、20、25和30mm六种比例试样,尽可能采用lo=而的短比例试样。
试样厚度一般应为原轧制厚度,但在特殊情况下也允许多号用四面机加工的试样。
通常试样宽度与厚度之比不大于421或821,其试样按表10规定散制,对铝钱材则一般可采用较小宽度。
对厚度小于的薄板(带),亦可采用定标距试样。
试样各部分允许机加工偏差及侧边加工粗糙度应符合图2和表3的规定,对四面机加工的矩形试样,其机加工偏差应用于圆形试样,如表2所示。
根据有关标准要求,对厚钢板亦可取制垂直轧制面(Z向)的拉伸试样,此时应按钢板厚度及表2的规定,采用带头圆形试样为宜。
必要时,可焊钢板于两端,以利夹持。
对中、薄高强度板材,亦可采用头部带销孔的试样,以免其在拉伸过程中的卷曲现象。
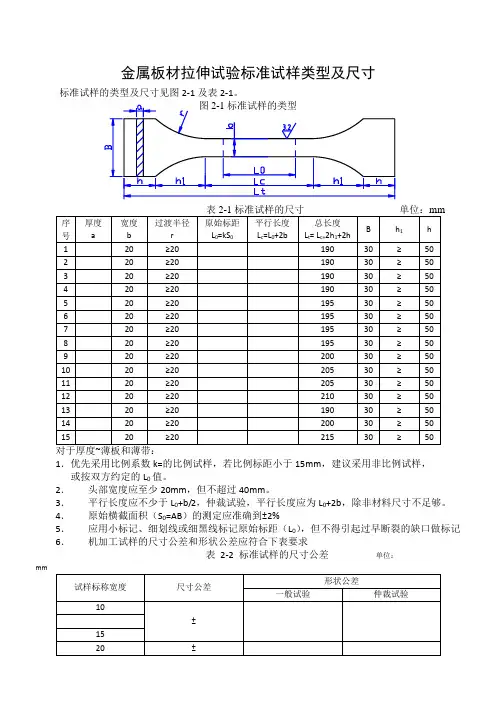
2、金属拉伸试验标准试样类型及尺寸
表2-1标准试样的尺寸单位:mm
对于厚度0.1mm~3.0mm薄板和薄带:
1 •优先采用比例系数k=5.65的比例试样,若比例标距小于15mm,建议采用非比例试样, 或
按双方约定的L o值。
2. 头部宽度应至少20mm,但不超过40mm。
3. 平行长度应不少于L°+b/2,仲裁试验,平行长度应为L°+2b,除非材料尺寸不足够。
4. 原始横截面积(S0=AB )的测定应准确到土2%
5. 应用小标记、细划线或细黑线标记原始标距(L0),但不得引起过早断裂的缺口做标记
6. 机加工试样的尺寸公差和形状公差应符合下表要求
表2-2标准试样的尺寸公差单位:mm。
金属板材拉伸试验标准试样类型及尺寸
标准试样的类型及尺寸见图2-1及表2-1。
表2-1标准试样的尺寸单位:mm
对于厚度0.1mm~3.0mm薄板和薄带:
1.优先采用比例系数k=5.65的比例试样,若比例标距小于15mm,建议采用非比例试样,或按双方约定的L0值。
2.头部宽度应至少20mm,但不超过40mm。
3.平行长度应不少于L0+b/2,仲裁试验,平行长度应为L0+2b,除非材料尺寸不足够。
4.原始横截面积(S0=AB)的测定应准确到±2%
5.应用小标记、细划线或细黑线标记原始标距(L0),但不得引起过早断裂的缺口做标记6.机加工试样的尺寸公差和形状公差应符合下表要求
表2-2标准试样的尺寸公差单位:mm
如有侵权请联系告知删除,感谢你们的配合!。
拉伸试验国家标准尺寸拉伸试验是一种常见的材料力学性能测试方法,它可以用来评估材料的拉伸强度、延展性和断裂韧性等重要性能。
在进行拉伸试验时,标准尺寸的选取是非常重要的,因为尺寸的不合适会对试验结果产生影响,甚至导致误判。
因此,国家对拉伸试验的标准尺寸进行了规定,以确保试验结果的准确性和可比性。
根据国家标准,拉伸试验的标准尺寸应符合以下要求:1. 试样的长度应为标准尺寸的整数倍,通常为5倍或10倍。
这样可以确保试样在拉伸时受到均匀的力,并且可以减小试验过程中的边界效应对结果的影响。
2. 试样的横截面积应符合标准尺寸的要求,通常为10mm×10mm或20mm×20mm。
横截面积的选取直接影响到试样的受力情况,过小或过大的横截面积都会导致试验结果的失真。
3. 试样的两端应平行并且垂直于试样轴线。
这样可以确保试样在受力时不会出现偏斜或扭曲,从而保证试验结果的准确性。
4. 试样的表面应光滑平整,不得有明显的凹凸或划痕。
试样表面的质量直接影响到试验中的应力分布情况,不合格的试样表面会导致试验结果的失真。
总的来说,国家标准尺寸的规定旨在确保拉伸试验的可靠性和可比性。
只有在符合国家标准尺寸的前提下进行拉伸试验,才能得到准确的试验结果,并且才能进行不同试验结果的比较和分析。
因此,在进行拉伸试验时,务必严格遵守国家标准尺寸的规定,以确保试验结果的准确性和可靠性。
在实际的生产和科研工作中,我们需要根据具体的材料和试验要求来选择合适的标准尺寸,并且在试验过程中要严格按照国家标准进行操作,以确保试验结果的准确性和可比性。
只有这样,我们才能更好地评估材料的力学性能,为材料的设计和选用提供可靠的数据支持。
金属材料拉伸试验标准试样类型及尺寸编制:审核:批准:生效日期:受控标识处:分发号:发布日期:2016年9月27日实施日期:2016年9月27日制/修订记录1.0 目的本文件规定了常温下金属材料拉伸试验标准试样的类型,形状及其尺寸测量。
2.0 范围适用于本公司常温下金属材料的拉伸试验所需的比例试样制备。
3.0 规范性应用文件下列文件对于本文件的作用是必不可少的。
凡是注日期的应用文件,仅注日期的版本适用于本文件。
凡是不注日期的应用文件,其最新版本(包括所有的修改单)适用于本文件。
3.1 GB/T 2975 钢及钢产品 力学性能试验取样位置和试样制备 3.2 GB/T 8170 数值修约规则与极限数值的表示和判定 3.3 GB/T 10623 金属材料 力学性能试验术语4.0 术语和定义4.1 试件/试样test piece/specimen通常按照一定形状和尺寸加工制备的用于试样的材料或部分材料。
4.2 标距gauge length用于测量试样尺寸变化部分的长度。
4.3 原始标距original gauge length在施加试验力之前的标距长度。
4.4 断后标距final gauge length after fracture试样断裂后的标距长度。
4.5 平行长度parallel length试样两头部或加持部分(不带头试样)之间平行部分的长度。
4.6 断面收缩率percentage reduction of area断裂后试样横截面积的最大缩减量(S 0-S u )与原始横截面积(S 0)之比的百分率。
0U00S -S =100%Z X S5.0 符号和说明与试样相关的符号及说明如下:6.0 试样6.1 形状和尺寸6.1.1 一般要求试样的形状与尺寸取决于要被试验的金属产品的形状和尺寸。
通常从产品,压制坯或铸件切取样坯经机械加工制成试样。
但具有恒定横截面的产品(型材,棒材,线材等)和铸造试样(铸铁和铸造非铁合金)可以不经机加工而进行试验。
拉伸试验试样尺寸标准
拉伸试验试样的尺寸标准是由ISO6892-1:2019《金属材料拉伸试验第1部分:试样尺寸和形状》规定的。
常见的试样尺寸包括:
1. 热轧板材和钢板试样:长度为200mm,宽度为50mm。
厚度应尽量大,不小于3mm。
2. 热轧板材和钢板试样(小厚度):长度为100mm,宽度为
25mm。
厚度应尽量大,不小于0.5mm。
3. 热轧钢材试样:长度为50mm,厚度为不小于6mm。
宽度为试样厚度的2倍。
4. 冷轧板、带和钢丝试样:长度为100mm,宽度为25mm。
厚度应尽量大,不小于0.5mm。
需要注意的是,在实际使用中,试样的尺寸应按照实际情况进行确定。
根据材料的不同,试样的尺寸也会略有变化。
金属板材拉伸试验标准试样类型及尺寸
标准试样的类型及尺寸见图2-1及表2-1。
1.优先采用比例系数k=的比例试样,若比例标距小于15mm,建议采用非比例试样,或按双方约定的L0值。
2.头部宽度应至少20mm,但不超过40mm。
3.平行长度应不少于L0+b/2,仲裁试验,平行长度应为L0+2b,除非材料尺寸不足够。
4.原始横截面积(S0=AB)的测定应准确到±2%
5.应用小标记、细划线或细黑线标记原始标距(L0),但不得引起过早断裂的缺口做标记6.机加工试样的尺寸公差和形状公差应符合下表要求
表2-2标准试样的尺寸公差单位:
mm。
金属拉伸试棒标准尺寸
标准金属拉伸试棒是一种用于测试金属材料拉伸性能的试验工具。
它通常由一个长方
形棒材制成,具有标准化的尺寸和几何形状,能够一致地在大多数拉伸试验机上进行测试。
本文将介绍常见的金属拉伸试棒标准尺寸。
1. 标准工程材料拉伸试样
标准工程材料拉伸试样是最常见的金属拉伸试棒。
其尺寸如下:
长度:200mm
直径:12.7mm
标准工程材料拉伸试样通常由铝、铜、钢等材料制成,用于测量拉伸强度、屈服点、
延性等材料性能。
2. 圆形拉伸试样
圆形拉伸试样的几何形状为圆柱形,有以下尺寸:
圆形拉伸试样通常用于测量金属材料的延性和断裂韧性。
V形拉伸试样通常用于测量薄板材料的强度和塑性性能,例如薄铝板和薄钢板。
总之,金属拉伸试棒的标准尺寸取决于材料的性质和测试的目的。
在实际应用中,为
了获得准确的测试结果,选择合适的试样形状和尺寸非常重要。
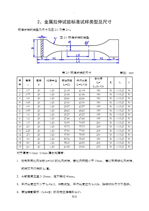
2、金属拉伸试验标准试样类型及尺寸
标准试样的类型及尺寸见图2-1及表2-1。
表2-1标准试样的尺寸单位:mm
对于厚度0.1mm~3.0mm薄板和薄带:
1.优先采用比例系数k=5.65的比例试样,若比例标距小于15mm,建议采用非比例试样,或按双方约定的L0值。
2.头部宽度应至少20mm,但不超过40mm。
3.平行长度应不少于L0+b/2,仲裁试验,平行长度应为L0+2b,除非材料尺寸不足够。
4.原始横截面积(S0=AB)的测定应准确到±2%
5.应用小标记、细划线或细黑线标记原始标距(L0),但不得引起过早断裂的缺口做标记6.机加工试样的尺寸公差和形状公差应符合下表要求
表2-2标准试样的尺寸公差单位:mm
如有侵权请联系告知删除,感谢你们的配合!。
⾦属板材拉伸试验标准试样尺⼨
⾦属板材拉伸试验标准试样类型及尺⼨
标准试样的类型及尺⼨见图2-1及表2-1。
表2-1标准试样的尺⼨单位:mm
对于厚度0.1mm~3.0mm薄板和薄带:
1.优先采⽤⽐例系数k=5.65的⽐例试样,若⽐例标距⼩于15mm,建议采⽤⾮⽐例试样,或按双⽅约定的L0值。
2.头部宽度应⾄少20mm,但不超过40mm。
3.平⾏长度应不少于L0+b/2,仲裁试验,平⾏长度应为L0+2b,除⾮材料尺⼨不⾜够。
4.原始横截⾯积(S0=AB)的测定应准确到±2%
5.应⽤⼩标记、细划线或细⿊线标记原始标距(L0),但不得引起过早断裂的缺⼝做标记6.机加⼯试样的尺⼨公差和形状公差应符合下表要求
表2-2标准试样的尺⼨公差单位:mm
如有侵权请联系告知删除,感谢你们的配合!。
ASTMEM中文版金属材料拉伸试验方法E 试验前需要准备好试样。
ASTM E8中明确规定了试样的尺寸要求和制备方法。
试样应采用短型试样,即试样的标准尺寸为2英寸(50.8mm)标距,即试样的标准初始夹距为2英寸。
试样的几何形状可以是圆形、矩形或平板状。
试验过程中需要使用适当的试验机进行拉伸试验。
试验机应具备足够的载荷和位移测量能力。
在试验过程中,试样应夹紧在试验机的夹具上,并按照标准规定的拉伸速度进行加载。
试样应在室温下进行试验,除非另有规定。
试验结束后需要对试样的力学性能指标进行测定和计算。
通过测定试验过程中的载荷-位移曲线,可以计算出试样的抗拉强度、屈服强度、断裂强度和延伸率等力学性能指标。
具体的计算公式可根据标准进行相关计算。
ASTME8标准试验方法的适用范围非常广泛,适用于各种金属材料的拉伸试验。
该试验方法的结果可以评估金属材料的力学性能,并作为材料品质控制和工程设计的依据。
ASTME8标准试验方法已经成为全球范围内金属材料力学性能评估的重要标准之一
综上所述,ASTME8中文版金属材料拉伸试验方法是一种用于评估金属材料力学性能的标准试验方法。
通过该试验方法可以测定金属材料的抗拉强度、屈服强度、断裂强度和延伸率等指标,为材料的品质控制和工程设计提供重要依据。
金属板材拉伸试验标准试样类型及尺寸标准试样的类型及尺寸见图2-1 及表 2-1。
图 2-1 标准试样的类型表 2-1 标准试样的尺寸单位: mm 序厚度宽度过渡半径原始标距平行长度总长度B h1h号a b r L 0=kS0L c=L 0+2b L t= L c+2h1+2h10.720≥ 2021.1461.1419030≥ 13.235020.7520≥ 2021.8861.8819030≥ 13.235030.820≥ 2022.6062.6019030≥ 13.235040.8520≥ 2023.3063.3019030≥ 13.235050.920≥ 2023.9763.9719530≥ 13.235060.9520≥ 2024.6364.6319530≥ 13.23507 1.020≥ 2025.2765.2719530≥ 13.23508 1.220≥ 2027.6867.6819530≥ 13.23509 1.520≥ 2030.9570.9520030≥ 13.235010 2.020≥ 2035.7375.7320530≥ 13.235011 2.2520≥ 2037.9077.9020530≥ 13.235012 2.520≥ 2037.9579.9521030≥ 13.235013 3.020≥ 2043.7659.2519030≥ 13.235014 4.020≥ 2054.0068.4320030≥ 13.235015 6.020≥ 2061.8983.8021530≥ 13.2350对于厚度 0.1mm~3.0mm 薄板和薄带:1.优先采用比例系数k=5.65 的比例试样,若比例标距小于15mm,建议采用非比例试样,或按双方约定的L 0值。
2.头部宽度应至少20mm,但不超过 40mm。
3.平行长度应不少于L0+b/2,仲裁试验,平行长度应为L 0+2b,除非材料尺寸不足够。