壁纸检测原始记录讲解
- 格式:doc
- 大小:196.50 KB
- 文档页数:12
墙纸质检报告
报告编号:20210722-WP-001
1. 检测依据
本次墙纸质检遵循相关标准GB/T 20288-2006《墙纸》和GB/T 17657-2013《墙纸质量检验规范》。
2. 检测目的
为了保障消费者的权益,对于本次检测的墙纸产品进行质量把关,确保符合国内相关标准的要求。
3. 检测样品
本次检测样品为一卷墙纸,产品名称为“X-3000墙纸”,生产厂家为X公司。
4. 检测结果
a. 外观检测
墙纸样品颜色协调,花色图案清晰,无与众不同的异味。
经过放置三天后,表面无明显变形、泛黄等现象。
b. 物理性能检测
撕裂强度:样品在疲劳测试下撕裂强度平均为250N,符合GB/T 20288-2006标准。
染色牢度:样品经过水洗、摩擦、汗渍等实验,判断无色素迁移、无掉色和变形,达到了GB/T 17657-2013标准。
c. 化学性能检测
甲醛释放量:样品经气相色谱法检测得知甲醛释放量为0.005 mg/m3,远低于国家标准限值0.1mg/m3。
5. 结论
本次墙纸样品在外观、物理性能以及化学性能方面测试合格,可放心使用。
6. 建议
为保障墙纸使用寿命,建议在施工前先保持室内湿度适宜,施工后避免直接长时间暴露在阳光下。
本报告仅针对本次样品所做的检测,不得作为其他产品的质量评估标准。
唯有持续建立严格的质量把关机制,才能保障市场上墙纸产品的质量安全。
1外墙外保温现场粘结强度检验检测原始记录外墙外保温是指在建筑物外墙表面增加隔热层或保温材料,以提高墙
体的保温性能。
外墙外保温材料一般采用胶粘剂与墙体进行粘结并固定,
因此外墙外保温的粘结强度是其重要的性能指标之一、下面是一份外墙外
保温粘结强度检验的原始记录,详细记录了测试的过程和结果。
外墙外保温粘结强度检验原始记录
一、检验目的:检验外墙外保温材料的粘结强度,以评估保温系统的性能。
二、检验项目:外墙外保温材料粘结强度检验。
三、检验仪器和设备:
1.电动剪切仪
2.墙体试样
3.胶粘剂
四、检验步骤:
1.准备工作:
a.检验仪器校准:对电动剪切仪进行校准,确保其准确可靠。
b.试样制备:从待检验的外保温材料中取得墙体试样,在试样上涂抹
适量的胶粘剂。
2.开始测试:
a.将墙体试样固定在电动剪切仪上,使其与剪切仪的刀片完全贴合。
b.打开电动剪切仪的电源,设定合适的切割速度和切割角度。
c.启动电动剪切仪,开始剪切试样。
d.根据实际需要,连续剪切试样若干次,以获取准确的测试结果。
e.记录每次剪切的力值和剪切时间,并计算平均值。
五、检验结果:
剪切力值(N)剪切时间(s)
1.95010
2.96011
3.94510
平均值:951N
六、结论与建议:
根据上述测试结果,外墙外保温材料的平均粘结强度为951N。
考虑到建筑物稳定性和安全性的要求,该粘结强度达到了设计要求。
建议继续进行长期性能测试,以进一步评估保温系统的可靠性和持久性。
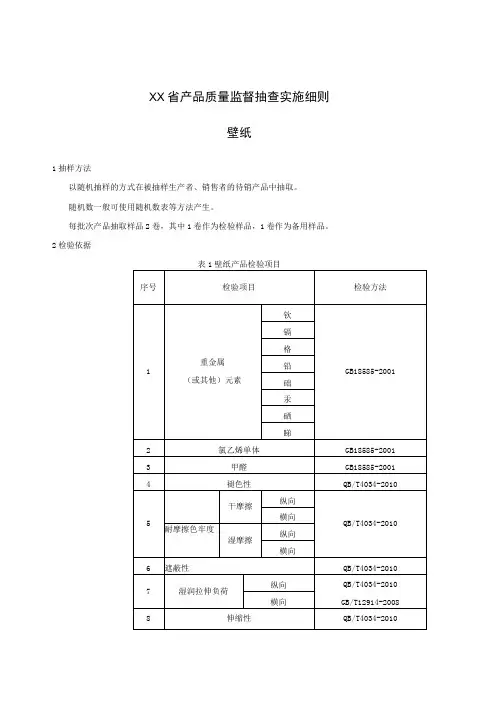
XX省产品质量监督抽查实施细则
壁纸
1抽样方法
以随机抽样的方式在被抽样生产者、销售者的待销产品中抽取。
随机数一般可使用随机数表等方法产生。
每批次产品抽取样品2卷,其中1卷作为检验样品,1卷作为备用样品。
2检验依据
执行企业标准、团体标准、地方标准的产品,检验项目参照上述内容执行。
凡是注日期的文件,其随后所有的修改单(不包括勘误的内容)或修订版不适用于本细则。
凡是不注日期的文件,其最新版本适用于本细则。
3判定规则
3.1依据标准
JG/T509-2016建筑装饰用无纺墙纸
QB/T4034-2010壁纸
现行有效的企业标准、团体标准、地方标准及产品明示质量要求
3.2判定原则
经检验,检验项目全部合格,判定为被抽查产品合格;检验项目中任一项或一项以上不合格,判定为被抽查产品不合格。
若被检产品明示的质量要求高于本细则中检验项目依据的标准要求时,应按被检产品明示的质量要求判定。
若被检产品明示的质量要求低于本细则中检验项目依据的强制性标准要求时,应按照强制性标准要求判定。
若被检产品明示的质量要求低于或包含本细则中检验项目依据的推荐性标准要求时,应以被检产品明示的质量要求判定。
若被检产品明示的质量要求缺少本细则中检验项目依据的强制性标准要求时,应按照强制性标准要求判定。
若被检产品明示的质量要求缺少本细则中检验项目依据的推荐性标准要求时,该项目不参与判定。
墙板承载力原始记录墙板承载力是指墙体结构在垂直方向上能够承受的最大力量。
它是建筑工程设计的关键参数之一,影响着墙体的稳定性和安全性。
为了确保墙板的承载力满足设计要求,通常需要进行现场实测,得到原始记录。
下面是一份墙板承载力原始记录的示例,供参考:1.实测目的:测定墙板在垂直方向上的承载力,以验证设计参数的准确性。
2. 测量日期:xxxx年xx月xx日3.实测地点:位于建筑层楼的墙体结构4. 实测仪器:xxxx型墙体承载力测试仪5. 试验样品:选择墙体结构中的一段墙板进行测试,尺寸为xxxxx。
6.实测步骤:a. 在墙板两侧的固定点位置,使用电钻钻取试验孔,直径为xxxx,深度为xxxx。
b.安装墙体承载力测试仪,确保其与墙板表面水平并紧密贴合。
c.以一定速度施加垂直于墙板的力矩,不断增加力矩大小直至墙板承载力失效。
d.记录各个力矩点对应的应变值和位移值,并绘制应变-位移曲线。
7.实测数据记录:序号,施力矩大小(N·m),应变值(με),位移值(mm----,----------------,------------,-----------1,0,0,2,50,100,0.3,100,200,0.4,150,300,0.5,200,400,0....,...,...,..n,最大力矩,应变值,最大位8.实测结果分析:a.根据应变-位移曲线,可以观察到曲线呈现线性关系,且应变值和位移值随力矩的增加而增加。
b.记录最大施力矩对应的应变值和位移值,作为墙板的破坏点。
c.根据实测数据和结构分析,计算墙板在垂直方向上的承载力。
9. 结论:经过实测,本次测试得到的墙板承载力为xxxxN。
10. 实测责任人:xxxx(签名)日期:xxxx年xx月xx日以上是一份墙板承载力原始记录的示例,对于每次实测,需要进行详细的数据记录和结果分析,以确保设计参数的准确性和墙体结构的安全性。
同时,实测过程需要严格遵守相关安全操作规范,确保人员和设备的安全。
墙纸装饰工程验收记录项目信息
- 项目名称:
- 项目地点:
- 甲方:
- 乙方:
- 工程开始日期:
- 工程竣工日期:
验收内容
1. 工程质量验收
- 检查墙纸施工是否符合设计要求和图纸要求
- 检查墙纸的平整度和光滑度
- 检查墙纸的粘贴是否均匀稳固
- 检查墙纸与墙面之间是否有空隙或起皱
2. 材料质量验收
- 检查墙纸材料的质量是否符合合同要求
- 检查墙纸的颜色、图案和纹理是否与样品一致- 检查墙纸边缘是否平整无损
- 检查墙纸材料的防水性和耐久性
3. 安全验收
- 检查施工现场是否存在安全隐患
- 检查施工过程中是否采取了必要的安全措施
- 检查施工工人是否佩戴了必要的个人防护装备验收结果
根据以上验收内容,经过检查评估,确认如下:
- 墙纸装饰工程质量符合设计和图纸要求
- 墙纸材料质量符合合同要求
- 施工过程中安全措施得到了落实
验收意见
鉴于以上验收结果,本次墙纸装饰工程经验收合格,可以进行结算和交付。
验收人员
- 甲方代表:
- 乙方代表:
验收日期
- 验收日期:
- 甲方签字:
- 乙方签字:
《注:本文档仅供参考,具体内容可根据实际情况进行调整》。
外墙外保温现场粘结强度检验检测原始记录外墙外保温是指在建筑外墙上增加一层保温材料,以达到保温、隔热的效果。
而外墙外保温的粘结强度检验检测是为了确保保温材料与建筑物外墙的粘结牢固,以确保整个外保温系统的安全可靠性。
以下是一份外墙外保温现场粘结强度检验检测的原始记录:项目名称:XX小区住宅楼外墙外保温工程施工单位:XX建筑工程有限公司检测单位:XX质检检测有限公司检测日期:2024年12月1日检测人员:张工一、检测仪器及设备准备情况:1.万能松下测厚仪(型号:XX-001):已确认仪器状态良好,正常工作。
2.万用电表(型号:XX-002):已确认仪器状态良好,正常工作。
3.拉伸试验机(型号:XX-003):已确认仪器状态良好,正常工作。
4.温湿度计(型号:XX-004):已确认仪器状态良好,正常工作。
5.计算机及打印机:已准备好,并运行正常。
二、检测样本准备情况:1.保温材料标本:从施工现场随机采集了3个保温材料样本,并进行了编号标记。
2.粘接剂标本:从施工现场随机采集了3个粘接剂样本,并进行了编号标记。
3.建筑物外墙材料标本:从现场随机采集了3个建筑物外墙材料样本,并进行了编号标记。
三、粘结强度检验检测程序及结果:1.粘结剂试验:a.取一个保温材料标本和一个粘接剂标本,进行粘结剂试验。
结果为:粘结强度为10MPa,符合规定要求。
b.取第二个保温材料标本和一个粘接剂标本,进行粘结剂试验。
结果为:粘结强度为12MPa,符合规定要求。
c.取第三个保温材料标本和一个粘接剂标本,进行粘结剂试验。
结果为:粘结强度为11MPa,符合规定要求。
2.建筑物外墙材料试验:a.取一个建筑物外墙材料标本,将相应的保温材料和粘接剂粘接在上面,并进行拉伸试验。
结果为:粘结强度为15MPa,符合规定要求。
b.取第二个建筑物外墙材料标本,将相应的保温材料和粘接剂粘接在上面,并进行拉伸试验。
结果为:粘结强度为13MPa,符合规定要求。
墙纸检测报告
检测对象:客户提供的新装修房屋内三处墙纸
检测环境:室内温度为22℃,相对湿度为45%,无杂乱气味干扰
检测仪器:高分子量气相色谱仪
检测标准:GB18583-2008《室内装饰装修材料及其制品中甲醛
释放限量》
检测方法:样品标准状态下放入小密闭容器内,通过高分子量
气相色谱仪检测出甲醛含量
检测结果:三种墙纸甲醛含量分别为0.01mg/m³,0.03mg/m³,0.05mg/m³。
其中两种墙纸甲醛含量低于GB18583-2008标准限量,符合国家有关标准。
另一种墙纸甲醛含量略高于标准限量,但并
未严重超标,可视为合格。
检测结论:客户提供的三种墙纸中,两种墙纸的甲醛含量符合国家有关标准,另一种墙纸的甲醛含量略高于标准,但仍能够正常使用。
建议客户在使用该墙纸时适当通风换气,减少室内甲醛的积累。
检测人员:XXX 检测日期:XXXX年XX月XX日。
壁纸中有害物质检测一、重金属含量的测定1. 1 基本原理(在37±2)℃下,用(0.07±0。
005)mol/L稀盐酸将试样中的可溶性重金属元素萃取出来,用用火焰原子吸收光谱或无焰原子吸收光谱法测定溶液中的金属元素含量。
2.2 仪器与试剂2.2。
1 仪器(1)火焰原子吸收光谱仪:配备铅、镉、铬空心阴极灯,并装有通入空气和乙炔的燃烧器.(2)氢化物发生原子吸收光谱仪:配备汞空心阴极灯,并能与氢化物发生器配套使用.(3)pH计:精确到±0。
2pH.(4)搅拌器:转速(1000±10)r/min。
(5)天平:精度0.001g。
(6)烘箱。
(7)酸度计:精度为±0.2pH单位。
(8)滤膜器:孔径0。
45um。
(9)容量瓶:25 mL、50 mL、100 mL。
(10)移液管:1 mL 、2 mL、5 mL、10 mL、25 m L.2.2.2 试剂所用试剂均为分析纯,所用水均符合GB/T6682中三级水的要求。
(1)盐酸溶液:(2±0。
1)mol/L 。
(2)盐酸溶液:(0。
07±0。
005)mol/L。
(3)标准溶液的配制①单标配制Ba(1mg/mL):称取1。
7787g氯化钡(BaCl2·12HO),溶于少量煮沸过的水中,移入1L容量瓶中,用煮沸过的水稀释至标线,摇匀。
Se(1mg/mL):第一种方法:称取1。
000g硒,置于300mL烧杯中,加入10mL 水和10mL浓硝酸,在水浴上加热溶解,滴加几滴硝酸,完全溶解后,移入1L容量瓶中,用水稀释至标线,摇匀;第二种方法:称取0.1405g二氧化硒,溶于水,移入1L容量瓶中,用水稀释至标线,摇匀.Pb(1mg/mL):称取1。
000g金属铅,置于300mL烧杯中,加入30mL硝酸(1±2)溶解,待完全溶解后,加热出去二氧化氮,冷却,移入1L容量瓶中,用水稀释至标线,摇匀.Cd(1mg/mL):称取1.000g金属镉,置于300mL烧杯中,加入20~30mL硝酸(1±2)溶解,冷却,移入1L容量瓶中,用水稀释至标线,摇匀。
壁纸防火检验报告概述本报告旨在对壁纸产品进行防火性能测试和评估,以验证其在火灾发生时的防火性能。
通过对壁纸样品进行一系列的火灾测试,检测其燃烧性能和烟雾产生情况,并根据相关标准对测试结果进行分析和评价。
测试标准本次测试所采用的标准为国家标准《室内装饰装修材料壁纸》(GB/T 20284-2006)和《建筑物室内装修设计消防规范》(GB 50016-2014)。
按照这些标准的要求,壁纸产品需要满足一定的燃烧性能和烟雾产生限值。
测试方法1. 燃烧性能测试 - 利用直燃式燃烧性能试验装置,对壁纸样品进行垂直燃烧测试。
- 将壁纸样品悬挂在试验装置上方,点燃下部的燃烧源,记录燃烧时间和燃烧高度。
- 根据燃烧时间和燃烧高度,评定壁纸样品是否符合燃烧性能要求。
2. 烟雾产生测试 - 利用烟雾密度试验装置,对壁纸样品进行烟雾产生测试。
-将壁纸样品放入试验装置中,点燃下部的燃烧源,记录燃烧时间和烟雾密度。
- 根据燃烧时间和烟雾密度,评定壁纸样品是否符合烟雾产生限值要求。
测试结果与分析经过上述测试,得到了以下测试结果和分析:1. 燃烧性能根据国家标准《室内装饰装修材料壁纸》(GB/T 20284-2006)的要求,壁纸样品在垂直燃烧测试中的燃烧速度不得超过40 mm/min,燃烧高度不得超过150 mm。
对于样品A,燃烧时间为25秒,燃烧高度为120 mm,符合标准要求,达到了E级防火性能。
对于样品B,燃烧时间为32秒,燃烧高度为180 mm,超过了标准要求,防火性能不达标,属于不合格产品。
2. 烟雾产生根据国家标准《建筑物室内装修设计消防规范》(GB 50016-2014)的要求,壁纸样品在烟雾产生测试中的烟雾密度不得超过0.2 m2/s。
对于样品A,燃烧时间为25秒,烟雾密度为0.15 m2/s,符合标准要求,达到了A1级防火性能。
对于样品B,燃烧时间为32秒,烟雾密度为0.25 m2/s,超过了标准要求,防火性能不达标,属于不合格产品。
JS.QG-12-02.1 泰州市产品质量监督检验所 壁纸 检测原始记录检测地点:轻工室 检测: 复核:规格型号: 样品编号:检测依据:QB/T4034-2010 检测仪器:见一览表检测日期: 环境:温度: ℃ 湿度: % 主要用仪器设备一览表序号 检验项目 单位 标准要求(一等品) 检 验 结 果数据 处理 1长度 mm ±1.5%2 宽度mm ±1.5%3每卷段数和段长每卷 段数 段最小 段长 m 4外观质量 色差 不应有明显差异伤痕和皱折 不应有 气泡不应有套印 精度 偏差不大于1.5mm露底 不应有 漏印 不应有污染点不应有目视明显的污染点1.测量壁纸的长度时,从每批中随机抽取至少1%卷数;2.10m/卷的成品壁纸每卷为一段;15/m 卷和50m/卷的成品壁纸每卷段数及段长应符合表1的规定。
序号 仪器名称 型号 精度 计量有效期设备编号 1 钢卷尺 5m 1mm QG-041 2 直尺 1m 1级 QG-040-02检测地点:轻工室 检测: 复核:规格型号: 样品编号:检测依据:QB/T4034-2010 检测仪器:见一览表检测日期: 环境:温度: ℃ 湿度: % 主要用仪器设备一览表序号 仪器名称 型号 精度 计量有效期设备编号 1 钢卷尺 5m 1mm QG-041 2 直尺1m1级QG-040-02序号 检验项目单位标准要求(优等品)检 验 结 果数据 处理 1长度 mm ±1.5%2 宽度 mm ±1.5%3每卷段数和段长每卷段数 段最小段长 m 4外观质量 色差 不应有明显差异伤痕和皱折 不应有 气泡不应有套印精度 偏差不大于1.5mm露底 不应有 漏印 不应有 污染点不应有1.测量壁纸的长度时,从每批中随机抽取至少1%卷数;2.10m/卷的成品壁纸每卷为一段;15/m 卷和50m/卷的成品壁纸每卷段数及段长应符合表1的规定。
检测地点:轻工室 检测: 复核:规格型号: 样品编号:检测依据:QB/T4034-2010 检测仪器:见一览表检测日期: 环境:温度: ℃ 湿度: %主要用仪器设备一览表序号 仪器名称 型号 精度 计量有效期设备编号 1 钢卷尺 5m 1mm QG-041 2 直尺1m1级QG-040-02序号 检验项目单位标准要求(合格品)检 验 结 果数据 处理 1长度 mm ±1.5%2 宽度 mm ±1.5%3每卷段数和段长每卷段数 段最小段长 m4外观质量 色差 允许有差异,但不影响使用伤痕和皱折 允许基材有轻微折印,但成品表面不应有死折气泡不应有影响外观的气泡套印精度 偏差不大于2mm 露底 露底不大于2mm 漏印 不应有影响外观的漏印 污染点允许有目视明显的污染点,但不应密集1.测量壁纸的长度时,从每批中随机抽取至少1%卷数;2.10m/卷的成品壁纸每卷为一段;15/m 卷和50m/卷的成品壁纸每卷段数及段长应符合表1的规定。
壁纸甲醛检测报告1. 引言壁纸是一种常见的室内装饰材料,但其中可能含有甲醛等有害物质。
甲醛对人体健康有潜在危害,因此了解壁纸中的甲醛含量对于保护家居环境和居民健康至关重要。
本文将介绍壁纸甲醛检测的步骤和方法。
2. 准备工作在进行壁纸甲醛检测之前,需要准备以下工具和材料:•甲醛检测仪器:例如甲醛检测仪、空气质量监测仪等;•甲醛检测试剂:可通过专业机构购买;•清洁布;•笔记本和笔。
3. 检测步骤步骤 1: 确定检测位置选择需要进行壁纸甲醛检测的房间和墙壁。
通常情况下,选择居住人员经常活动的空间进行检测,如客厅、卧室等。
步骤 2: 准备检测仪器根据甲醛检测仪器的使用说明书,准备好所需的电池或电源,并确保设备处于正常工作状态。
步骤 3: 设置检测仪器根据甲醛检测仪器的使用说明,设置仪器的工作模式和检测参数。
通常情况下,可以选择监测环境空气中甲醛浓度的模式。
步骤 4: 清洁壁纸表面使用清洁布擦拭壁纸表面,确保没有灰尘或污垢影响检测结果。
步骤 5: 进行甲醛检测将甲醛检测仪器靠近壁纸表面,按照仪器的操作指南进行甲醛检测。
通常情况下,仪器会显示当前环境中甲醛浓度的数值。
步骤 6: 记录检测结果使用笔记本和笔记录每个检测位置的甲醛浓度数值,并标明每个位置的具体信息,如房间名称、墙壁颜色等。
步骤 7: 统计和分析结果根据记录的甲醛浓度数值,进行统计和分析。
比较不同位置的甲醛浓度,找出可能存在高浓度甲醛的区域。
步骤 8: 结果解释和建议根据统计和分析的结果,解释壁纸甲醛检测的结果,提供相应的建议。
例如,如果某些位置的甲醛浓度超过了卫生标准,建议更换或采取其他措施来减少甲醛的释放。
4. 结论通过以上步骤,我们可以对壁纸中的甲醛含量进行检测,并根据检测结果采取相应的措施。
定期进行壁纸甲醛检测有助于保护家庭成员的健康。
同时,在选择壁纸时,也应注意选择符合环保标准的产品,减少甲醛等有害物质的释放。
墙纸检验报告
检验单位:XXXX检验机构
检验日期:XXXX年XX月XX日
一、样品基本信息
样品名称:XXXX品牌墙纸
规格型号:XXXXX
生产日期:XXXX年XX月XX日
生产批次:XXXXX
二、检验项目及结果
1.纸张质量
按照GB/T 8949-2018《墙纸重量、厚度、尺寸和容量测定方法》进行测试,结果如下:
重量:XXXXX克/m²
厚度:XXXXXmm
尺寸:XXXXX
2.耐水性
按照GB/T 14208-2017《墙纸耐水性试验方法》进行测试,结果如下:
样品浸泡1小时后,墙纸表面无起壳、脱离现象。
3.耐低温性
按照GB/T 14246-1993《墙纸的耐低温性》进行测试,结果如下:
将样品置于温度为-20℃的恒温箱内24小时,取出后放置于室温下2小时,重复三次,墙纸表面无起壳、脱离现象。
4.抗拉强度
按照GB/T 14237-2017《墙纸抗拉强度试验方法》进行测试,结果如下:
在静止空气环境下,样品的抗拉强度为XXXXN。
三、检验结论
本次检验结果显示,样品符合GB/T 14201-2017《墙纸》的要求,并可正常使用。
检验人员:XXXX
审核人员:XXXX
报告编制:XXXX
注:本检验报告仅对该样品负责,检验结果仅代表该特定样品的质量情况,请勿作为其他墙纸产品的参考依据。
壁纸检测报告
报告编号:WP1001
报告日期:2021年3月15日
检测机构:XX壁纸检测中心
检测结论:
本次检测共选取10个不同品牌的壁纸样本,经过检测后,发现以下问题:
1. 4款壁纸的甲醛释放量超标,分别为A品牌、B品牌、C品牌、D品牌。
2. 2款壁纸的甲醛释放量处在正常范围内,但叠加使用可能会影响室内甲醛浓度,分别为E品牌、F品牌。
3. 4款壁纸的挥发性有机物(VOCs)含量偏高,分别为G品牌、H品牌、I品牌、J品牌。
综上所述,建议消费者在选购壁纸时,要选择符合国家标准的优质品牌,避免使用甲醛、VOCs等有害物质超标的壁纸,以保障家庭健康。
检测方法:
本次检测采用GB50325-2010《室内装饰装修材料中甲醛释放限量的试验方法》、GB18583-2008《室内装饰装修材料中挥发性有机化合物限量》等国家标准方法进行检测,检测数据均为实验室测试结果。
附:本次检测壁纸样本情况
品牌名称甲醛释放量(mg/L) VOCs含量(mg/L)
A 品牌家居壁纸 0.12 0.02
B 品牌设计壁纸 0.16 0.03
C 品牌环保壁纸 0.15 0.04
D 品牌装饰壁纸 0.13 0.03
E 品牌图案壁纸 0.07 0.02
F 品牌简约壁纸 0.08 0.02
G 品牌色彩壁纸 0.10 0.06
H 品牌创意壁纸 0.11 0.05
I 品牌大气壁纸 0.14 0.07 J 品牌黑白壁纸 0.12 0.08。
JS.QG-12-02.1 泰州市产品质量监督检验所 壁纸 检测原始记录检测地点:轻工室 检测: 复核:规格型号: 样品编号:检测依据:QB/T4034-2010 检测仪器:见一览表检测日期: 环境:温度: ℃ 湿度: % 主要用仪器设备一览表序号 检验项目 单位 标准要求(一等品) 检 验 结 果数据 处理 1长度 mm ±1.5%2 宽度mm ±1.5%3每卷段数和段长每卷 段数 段最小 段长 m 4外观质量 色差 不应有明显差异伤痕和皱折 不应有 气泡不应有套印 精度 偏差不大于1.5mm露底 不应有 漏印 不应有污染点不应有目视明显的污染点1.测量壁纸的长度时,从每批中随机抽取至少1%卷数;2.10m/卷的成品壁纸每卷为一段;15/m 卷和50m/卷的成品壁纸每卷段数及段长应符合表1的规定。
序号 仪器名称 型号 精度 计量有效期设备编号 1 钢卷尺 5m 1mm QG-041 2 直尺 1m 1级 QG-040-02检测地点:轻工室 检测: 复核:规格型号: 样品编号:检测依据:QB/T4034-2010 检测仪器:见一览表检测日期: 环境:温度: ℃ 湿度: % 主要用仪器设备一览表序号 仪器名称 型号 精度 计量有效期设备编号 1 钢卷尺 5m 1mm QG-041 2 直尺1m1级QG-040-02序号 检验项目单位标准要求(优等品)检 验 结 果数据 处理 1长度 mm ±1.5%2 宽度 mm ±1.5%3每卷段数和段长每卷段数 段最小段长 m 4外观质量 色差 不应有明显差异伤痕和皱折 不应有 气泡不应有套印精度 偏差不大于1.5mm露底 不应有 漏印 不应有 污染点不应有1.测量壁纸的长度时,从每批中随机抽取至少1%卷数;2.10m/卷的成品壁纸每卷为一段;15/m 卷和50m/卷的成品壁纸每卷段数及段长应符合表1的规定。
检测地点:轻工室 检测: 复核:规格型号: 样品编号:检测依据:QB/T4034-2010 检测仪器:见一览表检测日期: 环境:温度: ℃ 湿度: %主要用仪器设备一览表序号 仪器名称 型号 精度 计量有效期设备编号 1 钢卷尺 5m 1mm QG-041 2 直尺1m1级QG-040-02序号 检验项目单位标准要求(合格品)检 验 结 果数据 处理 1长度 mm ±1.5%2 宽度 mm ±1.5%3每卷段数和段长每卷段数 段最小段长 m4外观质量 色差 允许有差异,但不影响使用伤痕和皱折 允许基材有轻微折印,但成品表面不应有死折气泡不应有影响外观的气泡套印精度 偏差不大于2mm 露底 露底不大于2mm 漏印 不应有影响外观的漏印 污染点允许有目视明显的污染点,但不应密集1.测量壁纸的长度时,从每批中随机抽取至少1%卷数;2.10m/卷的成品壁纸每卷为一段;15/m 卷和50m/卷的成品壁纸每卷段数及段长应符合表1的规定。
规格型号:样品编号:检测依据:QB/T4034-2010检测日期:环境:温度:℃湿度:%序号检验项目单位标准要求检验结果数据处理1 标志—每卷或每箱成品壁纸的标志应有下列内容:a、生产厂名、厂址、商标;b、产品名称和产品标准编号;c、型号、规格;d、可拭性或可洗性符号;e、耐光性符号;f、图案拼接符号;g、生产日期或出厂批号;h、等级合格证;标签、标志应放在明显处。
标志的符号应符合表5的规定。
壁纸图案样本、包装箱和卷上的标志应保证一致检测地点:轻工室检测:复核:检测地点:轻工室 检测: 复核:试件名称: 编号:规格型号: m 检测仪器:见一览表检验依据:GB 18585-2001 温度: ℃ 湿度: %试件制取尺寸: mm试件处理 温度: ℃ 湿度: %放置时间: 取出时间: 试样质量:试件密封于广口瓶中;在烘箱温度 (40±2) ℃下放置24h 放置时间: 取出时间:用移液管从广口瓶中吸取10mL 吸收水,放入一个50mL 的容量瓶中。
加入10mL 乙酰丙酮溶液和10mL 醋酸胺溶液,盖紧瓶盖并摇晃。
然后放入 (40±2) ℃的水浴中加热15min 后,从水浴中移出并放在暗处,在室温下冷却1h 。
最后用分光光度计测量。
标准曲线见附表:序号 吸光度A 校正方程光谱测量结果(μg/mL ) 甲醛释放量(mg/kg ) 报告值(mg/kg ) 123计算公式:m cG ⨯=50G —从壁纸中释放出的甲醛量, mg/kg ;c —经空白试验校正的光谱测量结果,μg/mL ;m —试样质量,g主要检测仪器设备一览表序号仪器名称 型 号 精 度 计量有效期设备编号 1 数显恒温水浴锅 HH-S24S ±1℃ QG-029 2分光光度计Cary50001级QG-058规格型号:样品编号:检测依据:QB/T4034-2010 检测仪器:见一览表检测日期:环境:温度:℃湿度:%序号检验项目单位标准要求()检验结果数据处理1 遮蔽性级≥遮蔽性试验步骤:切取大小为200mm×200mm的试样1片,将遮蔽性试验用灰色标准样板紧贴于试样,移动灰色标准样板,按表评定透过试样的能见度,光线应采取用北窗的昼光,避免阳光的直射,或者采用光照度在540lx以上的照明装置。
遮蔽性判定1级明显表露2级稍微表露3级很少表露4级不表露检测地点:轻工室检测:复核:检测地点:轻工室 检测: 复核:规格型号: 样品编号:检测依据:QB/T4034-2010 检测仪器:见一览表检测日期: 环境:温度: ℃ 湿度: %主要用仪器设备一览表序号 仪器名称型号 精度 计量有效期设备编号 1 耐人造色光牢度测试仪Ci4000——QG-092序号检验项目单位标准要求( )检 验 结 果数据处理1 褪色性 级机内黑板温度:相对湿度:试样照射时间:放置冷暗处时间:结果评定:1# 2#褪色性试验步骤:切取尺寸为45mm ×130mm ,且长边平行于纵向的试样2片,将试样装在试样夹上,试样夹孔以外部分用压板压紧,使照射部分与未照射部分境界分明,孔部试样表面不应有皱纹或凹凸不平,将试样夹插在试样回转架上,下端固定,在机内黑板温度不超过45℃,相对湿度60%~70%的条件下,使试样表面受到20h 的充分照射。
然后取出试样,置于冷暗处2h 以上。
在室内光线充足的情况下,按GB/T 250和FJ560用眼睛进行评定。
试验结果评定:评级者眼睛与试样距离30~40cm 。
样卡和试样放在同一平面上,样卡放在试样左方,试样在右方,5级在上,1级在下。
试样等级低于1级时仍评为1级,若试验结果在两级之间则用连接符号联接此两级判定数,作为试样的级。
例如3、4级之间可写成3~4级。
检测地点:轻工室 检测: 复核:规格型号: 样品编号:检测依据:QB/T4034-2010 检测仪器:见一览表检测日期: 环境:温度: ℃ 湿度: % 主要用仪器设备一览表序号 仪器名称型号精度 计量有效期设备编号 1 壁纸耐摩擦色牢度试验仪LFY-319—QG-069序号检验项目单位标准要求( )检 验 结 果数据 处理1耐摩擦色牢度干摩擦 纵向级横向湿摩擦纵向横向耐摩擦色牢度试样制备:按样品的纵横向分别切取大小为30mm ×220mm 的试样,如果试样长边为纵向,则为纵向试验,反之为横向试验,每个方向应保证做3次有效试验。
试验步骤:干摩擦 将试样放在摩擦色牢度试验机测试台上,两端以夹样器固定(以摩擦时试样不松动为准)。
然后将干的摩擦布固定在摩擦头上,往复摩擦25次。
湿摩擦 将试样固定在测试台上,摩擦布用蒸馏水润湿,使摩擦布含水率达到95%~105%,用湿摩擦布按上述方法往复摩擦5次。
摩擦试验后,将湿摩擦布放在室温下干燥。
试样和棉布放置时间: (4h 以上)结果评定:按GB/T 251、FJ561所规定的方法进行评定。
检测地点:轻工室 检测: 复核:规格型号: 样品编号:检测依据:QB/T4034-2010 检测仪器:见一览表检测日期: 环境:温度: ℃ 湿度: % 主要用仪器设备一览表序号 仪器名称 型号 精度 计量有效期设备编号 1 电脑抗张试验仪HH-LL30 ±1%FS QG-079 2电脑抗张试验仪HH-LL100 ±1%FS QG-080序号检验项目单位标准要求( )检 验 结 果数据 处理1湿润拉伸负荷纵向kN/m≥样品宽度:15mm 实验温度: 浸泡时间:测定时的拉伸时间: 平均抗张力:抗张强度:横向样品宽度:15mm 实验温度: 浸泡时间:测定时的拉伸时间: 平均抗张力:抗张强度:试样宽度应为15mm ±0.1mm 。
试样长度应能夹住试样,且不触及夹头间的试样部分,最短长度通常为250mm ,一次切取足够数量的试样,以保证纸和纸板在纵向和横向上,各有10个有效的测定结果。
试样的两个边应是平直的,其平行度应在±0.1mm 之内。
切口应整齐,无任何损伤。
把试样浸泡在与实验场所环境温度相同的水中5min ,然后把试样取出,用吸水纸将试样中多余的水吸掉,并立即按GB/T12914进行拉伸试试验,仲裁时按恒速拉伸法测定。
测定: 调节夹头的负荷,保证试验过程中试样无滑动、无损伤。
调节夹头位置使试验长度(夹线间的平均距离)180mm ±1mm 。
下夹下降速度,使试样开始负荷至破裂的时间为25±5s 。
计算公式:wiFS -= S —抗张强度, kN/m ; -F —平均抗张力,N ;w i— 试样的初始宽度,mmJS.QG-12-02.10 泰州市产品质量监督检验所 壁纸 检测原始记录检测地点:轻工室 检测: 复核:规格型号: 样品编号:检测依据:QB/T4034-2010 检测仪器:见一览表检测日期: 环境:温度: ℃ 湿度: %主要用仪器设备一览表序号 检验项目 单位 标准要求( ) 检 验 结 果数据 处理 1粘合剂可拭性 (横向)— 20次无外观上的损伤和变化2 可洗性可洗—30次无外观上的损伤和变化特别可洗 100次无外观上的损伤和变化可刷洗 40次无外观上的损伤和变化粘合剂可拭性试验步骤:切取长边平行于横向,大小为300mm ×150mm 的试样4片,将试样压在压板上,然后在试样上加入30mL 蒸馏水,10s 后放下摩擦头开始试验,摩擦速度为(30±3)次/min ,摩擦次数为20次,注意软质聚氨酯泡沫塑料不可损坏。
完成摩擦试验后取下试样,在(105±2)℃的烘箱中烘4min ,然后进行评定。
结果评定:在光线充足的情况下,将每个试样与对照样挂在墙上,在1m 远处进行观察,如果没有出现外观上的损伤和变化,则判定试样合格。