PC构件生产工艺流程(参考模板)
- 格式:doc
- 大小:171.00 KB
- 文档页数:9
某工业建筑工程有限公司装配式建筑PC构件产线生产流程编制:___________________单位:___________________时间: 2018 年元月5日目录前言 (1)一、PC构件生产线简介 (1)二、PC构件分类 (1)三、建筑部品 (2)第一节、PC生产线制作所需设备 (2)第二节、PC构件生产工艺流程 (2)四、描述与要求 (3)4.1模具模台清理◎ (3)4.2涂刷辅料、模具组装◎ (3)4.3检验(模具组装)◎ (4)4.4安装钢筋骨架及网片◎ (4)4.5布置预埋预留及水电管线安装◎ (5)4.6检验(隐蔽工程验收)◎ (6)4.7检验工装◎ (6)4.8布置保温板、连接件◎ (7)4.10预养护◎ (8)4.11提浆压面◎ (9)4.12养护◎ (9)4.13脱模翻板吊装◎ (10)4.15露骨料冲洗◎ (11)4.16检验、标识◎ (11)4.17自然养护 (12)4.16入库 (12)五、管理规定 (12)六、生产流程 (13)七、相关文件 (14)八、相关记录 (14)前言一、PC构件生产线简介PC是钢筋混凝土预制件的简称,目前,国内的装配式房屋建筑已经成为大势所趋,此种建筑方式更加的标准化、机械化、自动化,pc生产线能够实现住宅预制构件的批量生产,使传统的工地现浇式分散工作,转移到工厂预制加工,然后运输到工地,很大程度的节省了人力物力,也使得建筑流程更加的简洁规范,提高工作效率。
河南PC生产线制作专家—郑州玛纳为您深入讲解PC生产线。
二、PC构件分类预制梁、预制柱、预制外承重墙板、内承重墙板、外挂墙板、预制楼板、预制叠合楼板、预制楼梯、预制内隔墙板、预制阳台板。
三、建筑部品建筑部品是指通过先进的技术将外墙装饰、保温、防水、门窗、管线、集成卫生间、整体橱柜、储物间等室内建筑部品融合在一起,并采用标准化接口、工厂化生产、装配化施工,使墙体在满足承重功能的基础上又取得了更多有效的附加值。
PC构件生产工艺流程1.原料准备:准备好所需的原料,包括PC树脂、添加剂、填充料、润滑剂等。
2.熔融:将PC树脂放入注塑机的料斗中,通过加热和搅拌使其熔融。
3.注塑:将熔融的PC树脂通过注塑机的射嘴进入模具腔中,注塑成型,冷却后得到初步形状。
4.冷却:将注塑成型后的构件放置在冷却装置中,使其迅速冷却固化。
5.取模:当构件完全固化后,从模具中取出构件。
6.开料:根据构件的设计要求,将构件进行切割、开孔等加工工序。
7.表面处理:根据需要对构件进行表面处理,如抛光、喷涂等。
8.装配:将已经经过加工和处理的构件进行装配,包括螺纹连接、粘接等。
9.检验:对装配好的构件进行质量检验,包括尺寸检查、外观检查等。
10.包装:对合格的构件进行包装,以确保运输和储存安全。
11.成品入库:将包装好的构件入库,等待发货或者下一步的生产流程。
在上述的PC构件生产工艺流程中,注塑成型是其中最关键的步骤。
在注塑成型中,需要注意以下几个环节:1.温度控制:合理控制注塑机的温度,确保PC树脂可以完全熔融,避免熔体过热或者过冷。
2.压力控制:通过调整注塑机的射出压力和保压时间,确保PC树脂能够充分填充模具腔,避免气泡和不充盈的问题。
3.冷却控制:在冷却过程中,要注意冷却时间和冷却温度的控制,确保构件能够充分固化和收缩。
此外,对于PC构件的生产,还需要注意以下几个方面:1.模具设计:合理设计模具,包括构件的形状、尺寸、结构等,以保证成型质量和生产效率。
2.原料选择:选用质量优良的PC树脂和其他助剂,以确保构件的性能要求。
3.质量控制:在生产过程中,要进行严格的质量控制,包括对原料、加工工艺、成品等进行检查和测试。
通过以上的PC构件生产工艺流程,可以保证PC构件的生产质量和产品性能,满足用户的需求。
装配式建筑PC构件生产工艺流程目录前言 (1)一、PC构件生产线简介 (1)二、PC构件分类 (1)三、建筑部品 (2)第一节、PC生产线制作所需设备 (2)第二节、PC构件生产工艺流程 (2)四、描述与要求 (3)4.1模具模台清理◎ (3)4.2涂刷辅料、模具组装◎ (3)4.3检验(模具组装)◎ (4)4.4安装钢筋骨架及网片◎ (4)4.5布置预埋预留及水电管线安装◎ (5)4.6检验(隐蔽工程验收)◎ (6)4.7检验工装◎ (6)4.8布置保温板、连接件◎ (7)4.10预养护◎ (8)4.11提浆压面◎ (9)4.12养护◎ (9)4.13脱模翻板吊装◎ (10)4.15露骨料冲洗◎ (11)4.16检验、标识◎ (11)4.17自然养护 (12)4.16入库 (12)五、管理规定 (12)六、生产流程 (13)七、相关文件 (14)八、相关记录 (14)前言一、PC构件生产线简介PC是钢筋混凝土预制件的简称,目前,国内的装配式房屋建筑已经成为大势所趋,此种建筑方式更加的标准化、机械化、自动化,pc生产线能够实现住宅预制构件的批量生产,使传统的工地现浇式分散工作,转移到工厂预制加工,然后运输到工地,很大程度的节省了人力物力,也使得建筑流程更加的简洁规范,提高工作效率。
河南PC生产线制作专家—郑州玛纳为您深入讲解PC生产线。
二、PC构件分类预制梁、预制柱、预制外承重墙板、内承重墙板、外挂墙板、预制楼板、预制叠合楼板、预制楼梯、预制内隔墙板、预制阳台板。
三、建筑部品建筑部品是指通过先进的技术将外墙装饰、保温、防水、门窗、管线、集成卫生间、整体橱柜、储物间等室内建筑部品融合在一起,并采用标准化接口、工厂化生产、装配化施工,使墙体在满足承重功能的基础上又取得了更多有效的附加值。
第一节、PC生产线制作所需设备1、布料机:此设备是混凝土浇注布料设备,能够高效、优质生产出现代装配式建筑所需的各种预制构件。
pc构件生产流程下载温馨提示:该文档是我店铺精心编制而成,希望大家下载以后,能够帮助大家解决实际的问题。
文档下载后可定制随意修改,请根据实际需要进行相应的调整和使用,谢谢!并且,本店铺为大家提供各种各样类型的实用资料,如教育随笔、日记赏析、句子摘抄、古诗大全、经典美文、话题作文、工作总结、词语解析、文案摘录、其他资料等等,如想了解不同资料格式和写法,敬请关注!Download tips: This document is carefully compiled by theeditor. I hope that after you download them,they can help yousolve practical problems. The document can be customized andmodified after downloading,please adjust and use it according toactual needs, thank you!In addition, our shop provides you with various types ofpractical materials,such as educational essays, diaryappreciation,sentence excerpts,ancient poems,classic articles,topic composition,work summary,word parsing,copy excerpts,other materials and so on,want to know different data formats andwriting methods,please pay attention!PC 构件是指在工厂中通过标准化、机械化方式加工生产的混凝土预制件。
PC 部品工艺流程及产污节点图本项目砂石场和筒仓均设置于密闭的生产车间内,水泥、粉煤灰、矿粉等通过散装水泥车运输至厂区后储存于筒仓中。
项目是通过在生产厂房中,单体移动模板的循环传动自动流水线,经过装配预埋配件(包括装饰面层、预埋配件)、钢筋骨架的安装、混凝土的浇筑、振捣、在蒸养窑体内蒸养及预制混凝土部件脱模吊装,再通过成品传动车运到场外成品堆场进行堆放,具体工艺流程图如下:(1)钢筋加工工艺流程说明:N 、S3-1N 送往其他产品生产线注: N :机械加工噪声 S1:废边角料备注:S3-1—废边角料;N-噪声。
图1 钢筋加工工艺流程及产污节点图工艺流程说明:将外购钢线经过拉伸、弯曲和剪切等工段加工成各种产品所需的形状。
此工序产生的三废主要是噪声和废边角料。
(2)叠合板、楼梯等构件生产线工艺流程说明:备注:G4-1—清扫粉尘;G4-2—搅拌粉尘、筒仓粉尘、原料输送投料粉尘以及堆场粉尘;G4-3—天然气锅炉燃烧废气;S4-1—废脱模剂桶;S4-2—废混凝土;N-噪声。
图2 叠合板、楼梯等构件生产工艺及产污流程图混凝土搅拌:不同颗粒大小的砂石通过铲车运送至砂石仓中,通过微机控制系统根据选定的配方进行计量,石子和砂通过密闭的输送带送至搅拌机中,储存于筒库中的水泥、粉煤灰和矿粉等散装物料和缓凝剂通过螺旋机送至搅拌机中,自来水通过放料阀放入搅拌机中。
搅拌机主楼全封闭搅拌,搅拌好的砼通过砼机构输送到布料机内对结构部件进行浇筑。
此工序产生的三废主要是搅拌站搅拌粉尘、筒仓粉尘、原料输送投料粉尘和堆场粉尘。
构件安装:通过清扫机以及人工对模台表面进行清理,清洗干净的台模根据确定的组装模具的位置通过自动标线系统进行划线并借助喷涂机在其表面喷涂脱模剂。
安装模具以及预留预埋件,底层浇注装饰层的混凝土,中间安装保温板,上面安放结构钢筋(钢筋在钢筋加工车间根据板材设计需要进行加工)拼装结构层模具,并在其中对水电管盒等进行预埋。
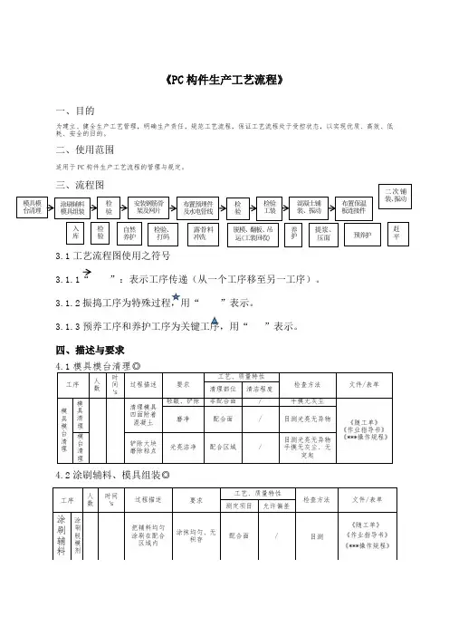
《PC 构件生产工艺流程》一、目的为建立、健全生产工艺管理,明确生产责任,规工艺流程,保证工艺流程处于受控状态,以实现优质、高效、低耗、安全的目的。
二、使用围适用于PC 构件生产工艺流程的管理与规定。
3.1工艺流程图使用之符号3.1.1“ ”:表示工序传递(从一个工序移至另一工序)。
3.1.2”表示。
3.1.3”表示。
四、描述与要求 4.1模具模台清理◎4.2涂刷辅料、模具组装◎4.3检验(模具组装)◎4.4安装钢筋骨架及网片◎4.5布置预埋预留及水电管线安装◎4.6检验(隐蔽工程验收)◎4.7检验工装◎4.84.8布置保温板、连接件◎4.9注:本工序布料铺装完成后须将外溢料、模具模台附着混凝土清理干净。
4.10预养护◎4.11提浆压面◎注:本工序完成后须将外溢料、模具模台附着混凝土以及工序围垃圾清理干净。
4.12养护◎4.13脱模翻板吊装◎4.15露骨料冲洗◎4.16检验、标识◎4.17自然养护4.16入库按照《PC 构件出入库管理办法》办理入库。
注:星号代表重要质量控制点。
“▽”:入库管理“□”:用“□”表示数量检验, 用“◇”表示品质检验,用“◎”表示操作又兼检验(自检)。
五、管理规定5.1本管理规定自发布日起,各利润中心须严格按照本生产工艺流程开展作业。
5.2开展生产作业前,各工序生产人员须确保人员就位、设备完好、物资到位、工具齐全;5.3生产过程中,上下工序需根据《工序自检互检管理办法》进行自检互检,检验合格后填写《随工单》,方可进入下一工序;形成的记录应整洁、清晰、信息正确;5.4生产过程中,相关人员应根据《质量控制点设置清单》进行重点检验,形成《检验记录表》;5.5生产过程中,质检人员应根据《过程监督检查制度》进行监督检查,形成《过程质量检查表》;5.6振捣为特殊工序,预养工序和养护工序为关键工序,针对以上工序的特殊性及重要性,各相关质检人员、生产人员应对此工序生产作业根据《生产过程质量控制规》重点进行控制,形成相关记录;5.7产品生产完成后,检验合格后按照《PC构件出入库管理办法》办理入库;7.1模具模台清理严格按照《作业指导书》和《操作规程》进行,做到模具手摸无尘,模台目测光亮无异物,并由本工序自检员确认合格后填写《随工单》签字流入下工序,要求随工单清晰、准确无误;7.2确认清理合格,模具组装应严格按照《作业指导书》和《操作规程》进行组装,要求安装误差必须在围,并由本工序自检员确认合格后填写《随工单》签字流入下工序,要求随工单清晰、准确无误;7.3检验(模具组装)根据《质量控制点设置清单》进行专检,应严格按照《DB37/T5020-2014》检查模具组装的误差是否在围,并形成《检验记录表》;7.4确认上工序合格,安装钢筋及网片应严格按照《作业指导书》和《操作规程》进行,要求安装误差在允许围,并由本工序自检员确认合格后填写《随工单》签字流入下工序,要求随工单清晰、准确无误;7.5确认上工序合格,布置预埋预留及水电管线安装应严格按照《作业指导书》和《操作规程》进行,要求各种安装偏差数值均在允许围,并由本工序自检员确认合格后填写《随工单》签字流入下工序,要求随工单清晰、准确无误;7.6检验(钢筋及网片、预埋预留及水电管线等隐蔽工程验收)根据《质量控制点设置清单》由专检进行检验,应严格按照《DB37/T5020-2014》检查误差是否在围,并形成《过程监督检查表》、《检验记录表》;7.7确认上工序合格,并对混凝土进行检验,?形成《混凝土检验》,严格按照《作业指导书》和《操作规程》进行混凝土浇筑、振捣,要求振捣密实、目测无明显气泡,并由本工序自检员确认合格后填写《随工单》签字流入下工序,要求随工单清晰、准确无误;7.8确认上工序合格,保温板、连接件严格按照《作业指导书》和《操作规程》进行布置,要求保温板无翘角、连接件垂直,数量型号准确,并由本工序自检员确认合格后填写《随工单》签字流入下工序,要求随工单清晰、准确无误;7.9确认上工序合格,并对混凝土进行检验,形成《混凝土检验》,严格按照《作业指导书》和《操作规程》二次浇筑振捣,要求密实、目测无明显气泡,无上浮,并由本工序自检员确认合格后填写《随工单》签字流入下工序,要求随工单清晰、准确无误;7.10确认上工序合格,此时应按《模台移动安全操作规程》将模台和构件送入预养库,进行预养,预养过程按照《作业指导书》、《构件预养检验指导书》并形成《预养检验记录》;7.11提浆压面必须确定从预养库出来的构件达到了预养强度,提浆压面应严格按照《作业指导书》和《操作规程》进行操作,然后进行人工或机械拉毛,并由本工序自检员确认合格后填写《随工单》签字流入下一工序,要求随工单清晰、准确无误;7.12构件进入养护库应按《模台移动安全操作规程》将模台和构件送入养护库,进行养护,养护过程按照《作业指导书》、《构件预养检验指导书》并形成《养护检验记录》;此时并形成《产成品日报表》;7.13必须确定从养护库出来的构件达到了养护强度,可以进行脱模翻板吊装,吊装过程严格按照《构件安全吊装操作规程》、《航吊操作规程》进行,并由本工序自检员确认合格后填写《随工单》签字流入下一工序,要求随工单清晰、准确无误;7.14确认脱模翻板吊装合格,记录填写正确后,严格按照《作业指导书》和《操作规程》检验,检验合格后进行喷涂标识,并由本工序自检员确认合格后填写《随工单》签字流入下一工序,要求随工单清晰、准确无误;7.15确认混凝土浇筑、振捣合格,记录填写正确后,严格按照《作业指导书》和《操作规程》进行洗板,并由本工序自检员确认合格后填写《随工单》签字流入下一工序,要求随工单清晰、准确无误;7.16确认洗板合格,记录填写正确后,严格按照《作业指导书》和《操作规程》进行自然养护,并由本工序自检员确认合格后填写《随工单》签字流入下一工序,要求随工单清晰、准确无误;7.17按照《PC构件出入库管理办法》办理入库。
PC建筑模具制作工艺规程一、目的1.1 为了更好的规范生产过程中产品的制造工艺,便于每位员工能更好的认识产品制造过程中标准工艺的重要性。
1.2为了把复杂的工艺简单化,让每一位无论新老员工都能快速理会每套产品的制作工艺、每个工序。
1.3 为了加强产品的质量管理,统一产品的质量验收,降低消耗,提高生产效率,保证产品品质的一致性。
二、适用范围2.1本工艺适用于目前公司所有的建筑工业化类模具的加工制作三、规范性引用文件JGJ 162-2008 建筑施工模板安全技术规范JGJ 74-2003 建筑工程大模板技术规程GB 50113-2005 滑动模板工程技术规范GB 50017 钢结构设计规范GB/T 700 碳素结构钢GB/T 5117 碳钢焊条GB/T 8110-1995 气体保护电弧焊用碳钢、低合金钢焊丝定义概括1、 PC建筑模具是一种组合型结构模,依照构件图纸生产要求来进行设计制作,使混凝土结构件按照规定的位置,几何尺寸成形,保持建筑模具正确位置,并承受建筑模具的自重及作用在其上的构件侧部压力载荷。
2、进行模具工程的目的是保证混凝土工程质量与施工安全,加快施工进度和降低项目成本三、PC建筑模具是现代模具技术中具有通用性强,拆卸方便,周转次数多等优点的一种“以钢代木”的新型模具,可事先跟进设计要求组合成梁,柱,墙,楼板的模具,周转使用后原材料可以再回收利用。
所有钢制模具可以满足预制构件浇筑和再利用的需求。
工艺流程图四、工艺规程4.1开料单4.1.1生产部接图后,首先对图纸封面项目名称、客户名称、项目编号、下单日期、出货日期、加工重量等信息进行核实、记录,确定生产班组。
4.1.2用《材料交接单》开下料图,料单上必须注明工程名称、所开项目、下单日期、要料时间、用此料的班组等。
4.1.3料单上每件板标示清楚尺寸、编号、规格、数量、再次加工方式等。
按照施工的使用先后顺序下开料图。
4.1.4根据料单灵活安排下料方式,面板、法兰、肋板等尺寸要求高的板料应选择激光切割机下料。
pc构件生产工艺流程PC构件是指由聚碳酸酯(Polycarbonate)材料制成的各种电子设备的外壳、配件等构件。
以下是PC构件的生产工艺流程:1. 原料准备:首先需要准备聚碳酸酯颗粒作为原料。
这些颗粒可以通过化学合成或者回收处理后得到。
2. 熔融:将聚碳酸酯颗粒放入塑料注射机的料斗中,通过加热和加压,将颗粒熔化成为可注射的熔融物质。
3. 注射成型:熔融物质通过注射机的喷头,注入到模具中。
模具内部的空腔会冷却和凝固,形成PC构件的初始形状。
4. 塑料冷却:在注射成型后,模具中的PC构件需要冷却一段时间,以保证构件充分凝固并保持其形状。
5. 取模:冷却完成后,打开模具,取出已经凝固的PC构件。
这个过程需要小心,以避免构件的损坏。
6. 精加工:取出的PC构件可能还需要进行切割、修整、钻孔、磨光等精加工工序,以达到制定的规格和表面光洁度要求。
7. 表面处理:根据需要,PC构件的表面可能需要进行喷漆、喷涂、电镀等处理,以增加其外观美观度和耐久性。
8. 装配:根据产品的需求,将已经处理好的PC构件进行组装。
这可能包括与其他构件的连接、螺丝固定、焊接等操作。
9. 检测:对装配好的PC构件进行质量检测,包括检查尺寸、外观、性能等,确保符合标准要求。
10. 包装和发货:符合质量要求的PC构件经过包装后,可以准备发货,以供进一步的组装、销售或分发。
总结起来,PC构件的生产工艺流程包括原料准备、熔融、注射成型、塑料冷却、取模、精加工、表面处理、装配、检测以及最终的包装和发货。
每个步骤都需要精确操作和严格控制,以确保最终产品的质量和性能。
这个过程需要不断的反复测试和改进,以适应不同产品的需求和市场的变化。
《PC 构件生产工艺流程》一、目的为建立、健全生产工艺管理,明确生产责任,规范工艺流程,保证工艺流程处于受控状态,以实现优质、高效、低耗、安全的目的。
二、使用范围适用于PC 构件生产工艺流程的管理与规定。
3.1工艺流程图使用之符号3.1.1“ ”:表示工序传递(从一个工序移至另一工序)。
3.1.2 ”表示。
3.1.3 ”表示。
四、描述与要求4.2涂刷辅料、模具组装◎4.3检验(模具组装)◎4.4安装钢筋骨架及网片◎4.5布置预埋预留及水电管线安装◎4.6检验(隐蔽工程验收)◎4.7检验工装◎4.84.8布置保温板、连接件◎4.9二次浇筑振捣◎注:本工序布料铺装完成后须将外溢料、模具模台附着混凝土清理干净。
4.10预养护◎ 4.11提浆压面◎注:本工序完成后须将外溢料、模具模台附着混凝土以及工序范围内垃圾清理干净。
4.12养护◎4.13脱模翻板吊装◎4.15露骨料冲洗◎4.16检验、标识◎4.17自然养护4.16入库按照《PC 构件出入库管理办法》办理入库。
注:星号代表重要质量控制点。
“▽”:入库管理“□”:用“□”表示数量检验, 用“◇”表示品质检验,用“◎”表示操作又兼检验(自检)。
五、管理规定5.1本管理规定自发布日起,各利润中心须严格按照本生产工艺流程开展作业。
5.2开展生产作业前,各工序生产人员须确保人员就位、设备完好、物资到位、工具齐全;5.3生产过程中,上下工序需根据《工序自检互检管理办法》进行自检互检,检验合格后填写《随工单》,方可进入下一工序;形成的记录应整洁、清晰、信息正确;5.4生产过程中,相关人员应根据《质量控制点设置清单》进行重点检验,形成《检验记录表》;5.5生产过程中,质检人员应根据《过程监督检查制度》进行监督检查,形成《过程质量检查表》;5.6振捣为特殊工序,预养工序和养护工序为关键工序,针对以上工序的特殊性及重要性,各相关质检人员、生产人员应对此工序生产作业根据《生产过程质量控制规范》重点进行控制,形成相关记录;5.7产品生产完成后,检验合格后按照《PC构件出入库管理办法》办理入库;7.1模具模台清理严格按照《作业指导书》和《操作规程》进行,做到模具手摸无尘,模台目测光亮无异物,并由本工序自检员确认合格后填写《随工单》签字流入下工序,要求随工单清晰、准确无误;7.2确认清理合格,模具组装应严格按照《作业指导书》和《操作规程》进行组装,要求安装误差必须在范围内,并由本工序自检员确认合格后填写《随工单》签字流入下工序,要求随工单清晰、准确无误;7.3检验(模具组装)根据《质量控制点设置清单》进行专检,应严格按照《DB37/T5020-2014》检查模具组装的误差是否在范围内,并形成《检验记录表》;7.4确认上工序合格,安装钢筋及网片应严格按照《作业指导书》和《操作规程》进行,要求安装误差在允许范围内,并由本工序自检员确认合格后填写《随工单》签字流入下工序,要求随工单清晰、准确无误;7.5确认上工序合格,布置预埋预留及水电管线安装应严格按照《作业指导书》和《操作规程》进行,要求各种安装偏差数值均在允许范围内,并由本工序自检员确认合格后填写《随工单》签字流入下工序,要求随工单清晰、准确无误;7.6检验(钢筋及网片、预埋预留及水电管线等隐蔽工程验收)根据《质量控制点设置清单》由专检进行检验,应严格按照《DB37/T5020-2014》检查误差是否在范围内,并形成《过程监督检查表》、《检验记录表》;7.7确认上工序合格,并对混凝土进行检验,?形成《混凝土检验》,严格按照《作业指导书》和《操作规程》进行混凝土浇筑、振捣,要求振捣密实、目测无明显气泡,并由本工序自检员确认合格后填写《随工单》签字流入下工序,要求随工单清晰、准确无误;7.8确认上工序合格,保温板、连接件严格按照《作业指导书》和《操作规程》进行布置,要求保温板无翘角、连接件垂直,数量型号准确,并由本工序自检员确认合格后填写《随工单》签字流入下工序,要求随工单清晰、准确无误;7.9确认上工序合格,并对混凝土进行检验,形成《混凝土检验》,严格按照《作业指导书》和《操作规程》二次浇筑振捣,要求密实、目测无明显气泡,无上浮,并由本工序自检员确认合格后填写《随工单》签字流入下工序,要求随工单清晰、准确无误;7.10确认上工序合格,此时应按《模台移动安全操作规程》将模台和构件送入预养库,进行预养,预养过程按照《作业指导书》、《构件预养检验指导书》并形成《预养检验记录》;7.11提浆压面必须确定从预养库出来的构件达到了预养强度,提浆压面应严格按照《作业指导书》和《操作规程》进行操作,然后进行人工或机械拉毛,并由本工序自检员确认合格后填写《随工单》签字流入下一工序,要求随工单清晰、准确无误;7.12构件进入养护库应按《模台移动安全操作规程》将模台和构件送入养护库,进行养护,养护过程按照《作业指导书》、《构件预养检验指导书》并形成《养护检验记录》;此时并形成《产成品日报表》;7.13必须确定从养护库出来的构件达到了养护强度,可以进行脱模翻板吊装,吊装过程严格按照《构件安全吊装操作规程》、《航吊操作规程》进行,并由本工序自检员确认合格后填写《随工单》签字流入下一工序,要求随工单清晰、准确无误;7.14确认脱模翻板吊装合格,记录填写正确后,严格按照《作业指导书》和《操作规程》检验,检验合格后进行喷涂标识,并由本工序自检员确认合格后填写《随工单》签字流入下一工序,要求随工单清晰、准确无误;7.15确认混凝土浇筑、振捣合格,记录填写正确后,严格按照《作业指导书》和《操作规程》进行洗板,并由本工序自检员确认合格后填写《随工单》签字流入下一工序,要求随工单清晰、准确无误;7.16确认洗板合格,记录填写正确后,严格按照《作业指导书》和《操作规程》进行自然养护,并由本工序自检员确认合格后填写《随工单》签字流入下一工序,要求随工单清晰、准确无误;7.17按照《PC构件出入库管理办法》办理入库。
pc构件生产工艺流程PC构件生产工艺流程PC构件是一种常用的塑料构件,广泛应用于电子设备、家电、汽车、医疗器械等领域。
下面将介绍PC构件的生产工艺流程。
首先,准备原料。
PC构件的主要原料是聚碳酸酯(PC)树脂。
PC树脂是一种高分子聚合物,具有优良的物理性能和加工性能。
在生产前,需要准备合格的PC树脂颗粒。
其次,进行原料预处理。
将准备好的PC树脂颗粒进行烘干处理,以去除其中的水分和杂质。
烘干温度通常在120℃左右,时间根据树脂种类和含水率而定。
然后,将烘干后的PC树脂颗粒送入注塑机。
注塑机是一种设备,用于将塑料熔化,并通过模具注入到特定形状的模腔中,以制造PC构件。
在注塑过程中,需要控制好温度、压力和注射速度等参数,以确保产品质量。
接下来,进行冷却和成型。
在注塑过程中,熔化的PC树脂会快速冷却,并在模具中形成所需的形状。
冷却时间通常约为几十秒到几分钟不等,取决于构件的大小和厚度。
然后,进行脱模。
当PC构件冷却后,将模具打开,并将构件从模腔中取出。
脱模时需要注意避免构件变形或损坏。
对于一些复杂的构件,可能需要使用释模剂或其他辅助措施来帮助脱模。
最后,进行后处理。
对于一些PC构件,可能需要进行后续的加工和处理。
比如,去除边角余料、打磨表面、喷涂涂层等。
这些工艺可以提高构件的质量和外观。
综上所述,PC构件的生产工艺流程包括准备原料、原料预处理、注塑成型、冷却成型、脱模和后处理等环节。
每个环节都需要严格控制参数和操作,以确保产品的质量和性能。
PC构件的生产工艺流程也可以根据实际情况进行调整和优化,以满足不同产品的需求。
《PC 构件生产工艺流程》一、目的为建立、健全生产工艺管理,明确生产责任,规范工艺流程,保证工艺流程处于受控状态,以实现优质、高效、低耗、安全的目的。
二、使用范围适用于PC 构件生产工艺流程的管理与规定。
3.1工艺流程图使用之符号3.1.1“ ”:表示工序传递(从一个工序移至另一工序)。
3.1.2 ”表示。
3.1.3 ”表示。
四、描述与要求4.2涂刷辅料、模具组装◎4.3检验(模具组装)◎4.4安装钢筋骨架及网片◎4.5布置预埋预留及水电管线安装◎4.6检验(隐蔽工程验收)◎4.7检验工装◎4.8注:1振捣不到位:有气泡 不密实 2振捣过位:离析 秘水4.8布置保温板、连接件◎4.9注:本工序布料铺装完成后须将外溢料、模具模台附着混凝土清理干净。
4.10预养护◎4.11提浆压面◎注:本工序完成后须将外溢料、模具模台附着混凝土以及工序范围内垃圾清理干净。
4.12养护◎4.13脱模翻板吊装◎4.15露骨料冲洗◎4.16检验、标识◎4.17自然养护4.16入库按照《PC 构件出入库管理办法》办理入库。
注:星号代表重要质量控制点。
“▽”:入库管理“□”:用“□”表示数量检验,用“◇”表示品质检验,用“◎”表示操作又兼检验(自检)。
五、管理规定5.1本管理规定自发布日起,各利润中心须严格按照本生产工艺流程开展作业。
5.2开展生产作业前,各工序生产人员须确保人员就位、设备完好、物资到位、工具齐全;5.3生产过程中,上下工序需根据《工序自检互检管理办法》进行自检互检,检验合格后填写《随工单》,方可进入下一工序;形成的记录应整洁、清晰、信息正确;5.4生产过程中,相关人员应根据《质量控制点设置清单》进行重点检验,形成《检验记录表》;5.5生产过程中,质检人员应根据《过程监督检查制度》进行监督检查,形成《过程质量检查表》;5.6振捣为特殊工序,预养工序和养护工序为关键工序,针对以上工序的特殊性及重要性,各相关质检人员、生产人员应对此工序生产作业根据《生产过程质量控制规范》重点进行控制,形成相关记录;5.7产品生产完成后,检验合格后按照《PC构件出入库管理办法》办理入库;7.1模具模台清理严格按照《作业指导书》和《操作规程》进行,做到模具手摸无尘,模台目测光亮无异物,并由本工序自检员确认合格后填写《随工单》签字流入下工序,要求随工单清晰、准确无误;7.2确认清理合格,模具组装应严格按照《作业指导书》和《操作规程》进行组装,要求安装误差必须在范围内,并由本工序自检员确认合格后填写《随工单》签字流入下工序,要求随工单清晰、准确无误;7.3检验(模具组装)根据《质量控制点设置清单》进行专检,应严格按照《DB37/T5020-2014》检查模具组装的误差是否在范围内,并形成《检验记录表》;7.4确认上工序合格,安装钢筋及网片应严格按照《作业指导书》和《操作规程》进行,要求安装误差在允许范围内,并由本工序自检员确认合格后填写《随工单》签字流入下工序,要求随工单清晰、准确无误;7.5确认上工序合格,布置预埋预留及水电管线安装应严格按照《作业指导书》和《操作规程》进行,要求各种安装偏差数值均在允许范围内,并由本工序自检员确认合格后填写《随工单》签字流入下工序,要求随工单清晰、准确无误;7.6检验(钢筋及网片、预埋预留及水电管线等隐蔽工程验收)根据《质量控制点设置清单》由专检进行检验,应严格按照《DB37/T5020-2014》检查误差是否在范围内,并形成《过程监督检查表》、《检验记录表》;7.7确认上工序合格,并对混凝土进行检验,?形成《混凝土检验》,严格按照《作业指导书》和《操作规程》进行混凝土浇筑、振捣,要求振捣密实、目测无明显气泡,并由本工序自检员确认合格后填写《随工单》签字流入下工序,要求随工单清晰、准确无误;7.8确认上工序合格,保温板、连接件严格按照《作业指导书》和《操作规程》进行布置,要求保温板无翘角、连接件垂直,数量型号准确,并由本工序自检员确认合格后填写《随工单》签字流入下工序,要求随工单清晰、准确无误;7.9确认上工序合格,并对混凝土进行检验,形成《混凝土检验》,严格按照《作业指导书》和《操作规程》二次浇筑振捣,要求密实、目测无明显气泡,无上浮,并由本工序自检员确认合格后填写《随工单》签字流入下工序,要求随工单清晰、准确无误;7.10确认上工序合格,此时应按《模台移动安全操作规程》将模台和构件送入预养库,进行预养,预养过程按照《作业指导书》、《构件预养检验指导书》并形成《预养检验记录》;7.11提浆压面必须确定从预养库出来的构件达到了预养强度,提浆压面应严格按照《作业指导书》和《操作规程》进行操作,然后进行人工或机械拉毛,并由本工序自检员确认合格后填写《随工单》签字流入下一工序,要求随工单清晰、准确无误;7.12构件进入养护库应按《模台移动安全操作规程》将模台和构件送入养护库,进行养护,养护过程按照《作业指导书》、《构件预养检验指导书》并形成《养护检验记录》;此时并形成《产成品日报表》;7.13必须确定从养护库出来的构件达到了养护强度,可以进行脱模翻板吊装,吊装过程严格按照《构件安全吊装操作规程》、《航吊操作规程》进行,并由本工序自检员确认合格后填写《随工单》签字流入下一工序,要求随工单清晰、准确无误;7.14确认脱模翻板吊装合格,记录填写正确后,严格按照《作业指导书》和《操作规程》检验,检验合格后进行喷涂标识,并由本工序自检员确认合格后填写《随工单》签字流入下一工序,要求随工单清晰、准确无误;7.15确认混凝土浇筑、振捣合格,记录填写正确后,严格按照《作业指导书》和《操作规程》进行洗板,并由本工序自检员确认合格后填写《随工单》签字流入下一工序,要求随工单清晰、准确无误;7.16确认洗板合格,记录填写正确后,严格按照《作业指导书》和《操作规程》进行自然养护,并由本工序自检员确认合格后填写《随工单》签字流入下一工序,要求随工单清晰、准确无误;7.17按照《PC构件出入库管理办法》办理入库。
PC构件生产施工方案编制单位:上海中兴兆元绿色建筑科技有限公司编制日期: 2019年 3 月 12 日目录构件生产施工方案和施工工艺 (6)1.1主要施工顺序 (6)1.2配模及安装模板 (6)(1)配模 (7)(2)清理台模 (7)(3)涂刷脱模剂 (8)(4)安装模板 (8)(5)应急措施 (9)1.3铺保温板 (9)1.4面砖反打 (9)1.5门窗一体化 (10)1.6钢筋工程 (9)(1)原材料的验收 (10)(2)钢筋加工 (11)1.7预留、预埋工程 (11)1.8混凝土工程 (12)(1)混凝土拌合和运输 (12)(2)混凝土布料、振捣 (12)(3)混凝土压光、拉毛、压光、露骨混凝土 (13)1.9养护 (14)(1)夏季自然养护 (14)(2)其他季节蒸养 (14)1.10拆模和起吊 (15)(1)构件拆模 (16)(2)构件起吊 (16)1.11构件编号 (17)施工质量保证措施和要求 (17)2.1 模板工程 (17)2.2预埋件、预留孔洞 (18)2.3 钢筋工程 (18)2.4外墙饰面砖、石材 (18)2.5一体化门窗框 (18)2.6 混凝土工程 (19)2.7其他措施 (21)2.8构件修补措施 (22)质量通病的防治措施 (21)3.1混凝土质量通病防治 (21)(1)压光质量不合格 (22)(2)混凝土养护质量 (23)(3)混凝土强度控制质量 (22)(4)拉毛 (24)(5)混凝土振捣质量 (24)(6)混凝土成品保护质量 (25)(7)构件混凝土色差控制 (25)(8)构件外观尺寸控制 (26)3.2构件钢筋质量通病防治 (26)(1)钢筋保护层厚度控制 (27)(2)构件外露钢筋位置控制 (27)(3)构件外露钢筋外伸长度尺寸控制 (27)(4)构件外伸箍筋箍筋开口位置设置 (27)(5)构件外伸钢筋加工成型质量 (27)(6)构件钢筋成品保护质量 (28)3.3模板质量通病防治 (29)(1)模板尺寸精度控制 (29)(2)防漏浆质量控制(侧模和台模接触面、抗剪键部位、外伸钢筋) (30)3.4预留、预埋质量通病防治 (32)(1)预埋吊件、螺栓预埋质量控制 (32)安全文明施工保证措施 (31)4.1保证安全的措施 (32)4.2锅炉的安全措施 (32)4.3圆盘机安全操作 (33)4.4电焊安全操作 (34)4.5行车吊运的安全操作 (35)4.6汽吊的安全操作 (36)4.7剪板机的安全操作 (37)4.8弯折机的安全操作 (38)4.9用电安全措施 (38)(1)接地与接零 (38)(2)配置漏电保护器 (38)(3)配电系统 (38)4.10 文明施工管理组织 (41)(1)成立安全文明施工领导小组 (41)(2)小组成员 (41)4.11 工作职责 (42)4.12现场安全文明施工管理措施 (42)构件吊装、运输和堆放 (42)5.1构件吊装 (42)5.2构件运输 (44)5.3构件堆放 (44)施工环保措施计划 (44)6.1建立健全强有力的环保监测体系 (44)6.2环保控制点 (46)6.3防污方案 (45)(1)水环境保护方案 (45)(2)大气环境保护方案 (45)(3)防止噪音污染的方案 (45)(4)防止固体废弃物污染的方案 (45)(5)防止光污染的方案 (45)(6)保持城市卫生的措施 (45)成品保护措施和工程保修工作的管理措施和承诺 (46)7.1预制构件成品保护 (46)7.2公司承诺 (48)7.3订立保修合同 (48)7.4建立保修机构 (48)7.5质量回访、保修 (48)冬雨季施工保证措施 (49)8.1冬季施工 (49)8.2雨季施工 (50)紧急情况处理措施、预案以及抵抗风险的措施 (51)9.1 停水应急措施 (52)9.2 停电应急措施 (52)9.3 其他应急措施 (52)与发包人、监理及设计等各方的配合 (52)10.1 与业主及业主方代表的配合协调措施 (52)10.2 与监理人的配合措施 (52)10.3 与当地政府部门配合及协调措施 (53)11.1构件生产指导思想 (54)构件生产施工方案和施工工艺1.1主要施工顺序配模→安装模板→保温板铺设(石材或面砖铺设)→钢筋绑扎→支撑点、埋件等安装→验收→浇筑混凝土→养护→拆模→构件起吊1.2配模及安装模板(1)配模①由我司专业的配模小组进行施工,施工前技术人员和工长对工人进行培训交底,将细节注意点交底到位,并落实配模前的各项准备工作。
PC预制构件工艺流程及配套设备一、常见的房屋混凝土预制构件A.叠合楼板 F.夹心三明治墙(剪力墙)B.空心楼板 G.柱C.实心楼板 H.梁D.叠合双面墙 I.阳台E.实心墙(剪力墙) J.楼梯二、PC构件生产工艺流程安排PC构件产生的一般工艺流程为:首先,脱模后的空模具经滚轮架线和码垛机运输到指定位置进行模具清理,经清理机除去混凝土残渣等杂物后,空模具被运送到模具划线机工作位置,模具划线机根据构件特征信息进行数控划线工作以确定侧模、窗模以及预埋件等的安装位置。
之后,经滚轮架线空模具依次被移至指定位置,进行侧模的安装和脱模剂的喷涂,为后续的浇筑工作进行准备。
在混凝土浇筑前,需要根据构件型号在空模具上布置满足要求的钢筋以及吊环等埋件。
在混凝土的浇筑和振捣设备上,空模具经混凝土浇注和振捣后,被转运到下一工作位置进行构件表面压平修饰。
压平修饰后,模具被运送到码垛机等待下一步的蒸汽养护工作。
码垛机将运送来的待蒸养构件按照一定的次序依次送入立体蒸养室进行蒸汽养护。
在一定的温度和湿度条件下,达到蒸养时间的构件连同模具被码垛机运送到模具脱模设备上进行脱模,至此,构件的生产完成一个工作循环。
生产线工艺流程图如下图所示。
生产工艺流程图三、PC构件环形生产线的组成依据生产工艺流程PC构件生产线由若干工位组成,包括:模具清理工位、模具划线工位、侧模安装工位、喷脱模剂工位、钢筋埋件工位、混凝土浇筑振捣工位、表面修饰工位、蒸养工位、脱模工位。
在模具划线机工作之前,首先空模具要在模具清理工位上进行混凝土残渣清理工作,为模具划线做准备;模具划线工位通过数控模具划线机根据图纸要求将构件的外轮廓及特征用划线的方式划到钢制模板上,为下一步模具安装提供安装基准;侧模安装工位将根据所画线条基准安装模具条,为混凝土浇筑做准备。
四、预制构件的生产方式(一)固定模式这是一种传统的制造预制构件方法,模台固定于地面,工人或设备围绕工作台生产,生产灵活性大,兼容性较好、适合各种不同形状的构件。
pc构件生产工艺
PC构件生产工艺是指将原材料(如塑料颗粒)经过一系列加工工艺,制成PC构件的过程。
首先,根据构件的设计要求,确定所需的原材料种类和比例。
一般情况下,PC构件使用的原料为聚碳酸酯(PC)颗粒,因其具有优良的物理性能和机械强度。
然后,将原料投入到注塑机中进行加热熔融。
注塑机将颗粒加热到熔融状态,并将熔融的PC材料注入到模具中。
模具中的空腔形状与所要生产的构件完全一致。
接下来,等待熔融的PC材料冷却固化,并采用合适的冷却系统进行加速冷却。
冷却固化后,将模具打开,取出已成型的PC构件。
在此过程中,可能还需要进行一些辅助工艺,如模具温度的控制、注塑压力的控制、模具开合速度的控制等,以保证PC构件的质量和性能。
此外,如果需要对PC构件进行后续加工,如切割、打磨等,可以根据需要进行相应的工艺操作。
最后,对生产出的PC构件进行质检,包括外观检查、尺寸检查、物理性能测试等。
只有通过质检合格的PC构件,才能进行下一步的包装和出厂。
总的来说,PC构件生产工艺包括原料准备、注塑成型、冷却固化、辅助工艺、后续加工和质检等环节。
通过合理控制每个环节的工艺参数,可以保证PC构件的质量和性能。
《PC 构件生产工艺流程》—、目的为建立、健全生产工艺管理,明确生产责任,规范工艺流程,保证 工艺流程处于受控状态,以实现优质、高效、低耗、安全的目的。
二、使用范围适用于PC 构件生产工艺流程的管理与规定。
3」工艺流程图使用之符号3.1.1八 ”:表示工序传递(从一个工序移至另一工序)。
3.1.2振捣工序为特殊过痩 用””表示。
3.1.3预养工序和养护工序为关键土序,用””表示。
四、描述与要求三、流程图 涂刷円躺弓安装円布置预im口晁露卜脱模、翻 预养4.2涂刷辅料、模具组装04.3检验(模具组装)O4.4安装钢筋骨架及网片◎4.5布置预埋预留及水电管线安装。
4.6检验(隐蔽工程验收)O4.7检验工装㊁4.8混凝土铺装、振动注:1振捣不到位:有气泡不密实2振捣过位:离析秘水4.8布置保温板、连接件◎4.9二次浇筑振捣注:本工序布料铺装完成后须将外溢料、模具模台附着混凝土清理干净。
4.10预养护◎4.11提浆压廂©注:本工序完成后须将外溢料、模具模台附着混凝土以及工序范围内垃圾清理干净。
4.12养护◎4.13脱模翻板吊装◎急剧收缩需要4.15露骨料冲洗◎4.16检验、标识◎4. 17自然养护4」6入库按照《PC构件出入库管理办法》办理入库。
★注:星号代表重要质量控制点。
” ▽”:入库管理” □”:用” □”表示数量检验,用” ◊”表示品质检验,用” ◎”表示操作又兼检验(自检)O五.管理规定5.1本管理规定自发布日起,各利润中心须严格按照本生产工艺流程开展作业。
5.2开展生产作业前,各工序生产人员须确保人员就位、设备完好、物资到位.工具齐全;5.3生产过程中,上下工序需根据《工序自检互检管理办法》进行自检互检,检验合格后填写《随工单》,方可进入下一工序;形成的记录应整洁、清晰、信息正确;5.4生产过程中,相关人员应根据《质量控制点设置清单》进行重点检验,形成《检验记录表》;5.5生产过程中,质检人员应根据《过程监督检查制度》进行监督检查,形成《过程质量检查表》;5.6振捣为特殊工序,预养工序和养护工序为关键工序,针对以上工序的特殊性及重要性,各相关质检人员、生产人员应对此工序生产作业根据《生产过程质量控制规范》重点进行控制,形成相关记录;5.7产品生产完成后,检验合格后按照《PC构件出入库管理办法》办理入库;7」模具模台清理严格按照《作业指导书》和《操作规程》进行,做到模具手摸无尘,模台目测光亮无异物,并由本工序自检员确认合格后填写《随工单》签字流入下工序,要求随工单清晰、准确无误;7.2确认清理合格,模具组装应严格按照《作业指导书》和《操作规程》进行组装,要求安装误差必须在范围内,并由本工序自检员确认合格后填写《随工单》签字流入下工序,要求随工单清晰、准确无误;7.3检验(模具组装)根据《质量控制点设置清单》进行专检,应严格按照《DB37仃5020-》检查模具组装的误差是否在范围内,并形成《检验记录表》;7.4确认上工序合格,安装钢筋及网片应严格按照《作业指导书》和《操作规程》进行,要求安装误差在允许范围内,并由本工序自检员确认合格后填写《随工单》签字流入下工序,要求随工单清晰、准确无误;7.5确认上工序合格,布置预埋预留及水电管线安装应严格按照《作业指导书》和《操作规程》进行,要求各种安装偏差数值均在允许范围内,并由本工序自检员确认合格后填写《随工单》签字流入下工序,要求随工单清晰、准确无误;7.6检验(钢筋及网片、预埋预留及水电管线等隐蔽工程验收)根据《质量控制点设置清单》由专检进行检验,应严格按照《DB37rT5020-》检查误差是否在范围内,并形成《过程监督检查表》.《检验记录表》;7.7确认上工序合格,并对混凝土进行检验,?形成《混凝土检验》,严格按照《作业指导书》和《操作规程》进行混凝土浇筑、振捣, 要求振捣密实、目测无明显气泡,并由本工序自检员确认合格后填写《随工单》签字流入下工序,要求随工单清晰.准确无误;7.8确认上工序合格,保温板、连接件严格按照《作业指导书》和《操作规程》进行布置,要求保温板无翘角、连接件垂直,数量型号准确,并由本工序自检员确认合格后填写《随工单》签字流入下工序,要求随工单清晰.准确无误;7.9确认上工序合格,并对混凝土进行检验,形成《混凝土检验》,严格按照《作业指导书》和《操作规程》二次浇筑振捣,要求密实. 目测无明显气泡,无上浮,并由本工序自检员确认合格后填写《随工单》签字流入下工序,要求随工单清晰.准确无误;7.10确认上工序合格,此时应按《模台移动安全操作规程》将模台和构件送入预养库,进行预养,预养过程按照《作业指导书》、《构件预养检验指导书》并形成《预养检验记录》;7.11提浆压直必须确定从预养库出来的构件达到了预养强度,提浆压面应严格按照《作业指导书》和《操作规程》进行操作,然后进行人工或机械拉毛,并由本工序自检员确认合格后填写《随工单》签字流入下一工序,要求随工单清晰、准确无误;7.12构件进入养护库应按《模台移动安全操作规程》将模台和构件送入养护库,进行养护,养护过程按照《作业指导书》、《构件预养检验指导书》并形成《养护检验记录》;此时并形成《产成品日报表》;7.13必须确定从养护库出来的构件达到了养护强度,能够进行脱模翻板吊装,吊装过程严格按照《构件安全吊装操作规程》、《航吊操作规程》进行,并由本工序自检员确认合格后填写《随工单》签字流入下一工序,要求随工单清晰、准确资料内容仅供您学习参考,如有不、"|之处,请联系改正或者删除。
pc混凝土预制构件的制作与生产工艺第一节PC外墙板预制技术产品概况PC外墙板板厚有160mm、180 mm等,由于外饰面砖及窗框在预制过程中完成,在现场吊装后只需安装窗扇及玻璃即可,这样给现场施工提供了很大方便,但同时也给构件生产提出了很高要求,是对生产工艺和生产技术的一次新挑战。
PC外墙板预制技术的难点及关键(1) PC外墙板面砖与混凝土一次成型,因此保证面砖的铺贴质量是产品质量控制的关键;(2) PC外墙板窗框预埋在构件里,因此采取适当的定位和保护措施是保证产品质量的重点;(3) 由于面砖、窗框、预埋件及钢筋等在混凝土浇捣前已布置好,因此对混凝土振捣提出了很高的要求,是生产过程控制的重点;(4) 由于PC外墙板厚度比较薄,侧向刚度比较差,对堆放及运输要求比较高,因此产品保护也是质量控制的重点;(5) 要保证PC外墙板的几何尺寸和尺寸变化,钢模设计也是生产技术的关键。
PC外墙板生产工艺的确定PC外墙板的生产布置在厂内的西侧场地进行,根据生产进度需要直排布置6个生产模位。
蒸汽管道利用原有的外线路,同时根据生产模位的位置进行布置。
构件蒸养脱模后直接吊至翻转区翻转竖立后堆放。
钢筋加工成型在钢筋车间内进行,钢筋骨架在生产模位附近场地绑扎。
混凝土由厂搅拌站供应。
PC外墙板模板主要采用钢模,钢筋加工成型后整体绑扎,然后吊到模板内安装,混凝土浇筑后进行蒸汽养护。
生产过程中的模板清洁、钢筋加工成型、面砖粘贴、窗框安装、预埋件固定、混凝土施工及蒸汽养护、拆模搬运等工序均采用工厂式流水施工,每个工种都由相对少数固定的娴熟工人操作实施。
PC外墙板生产工艺流程详图如下:PC外墙板生产工艺流程图第二节模具设计与组装技术(1) 模具设计根据建筑变化的需要及安装位置的不同,PC外墙板的尺寸形状变化较为复杂,同时对墙板的外观质量和外形尺寸的精度要求也很高,外形尺寸的长度和宽度误差均不得大于3mm,弯曲也应小于3mm。
这些都给模具设计和制作增加了难度,要求模板在保证一定刚度和强度的基础上,既要有较强的整体稳定性,又要有较高的表面平整度,并且容易安装和调整,适应不同外形尺寸PC外墙板生产的需要。
《PC 构件生产工艺流程》
一、目的
为建立、健全生产工艺管理,明确生产责任,规范工艺流程,保证工艺流程处于受控状态,以实现优质、高效、低耗、安全的目的。
二、使用范围
适用于PC 构件生产工艺流程的管理与规定。
3.1工艺流程图使用之符号
3.1.1“ ”:表示工序传递(从一个工序移至另一工序)。
3.1.2振捣工序为特殊过程,用“ ”表示。
3.1.3预养工序和养护工序为关键工序,用“”表示。
四、描述与要求
注:本工序布料铺装完成后须将外溢料、模具模台附着混凝土清理干净。
注:本工序完成后须将外溢料、模具模台附着混凝土以及工序范围内垃圾清理干净。
4.16入库
按照《PC 构件出入库管理办法》办理入库。
注:星号代表重要质量控制点。
“▽”:入库管理
“□”:用“□”表示数量检验,
用“◇”表示品质检验,
用“◎”表示操作又兼检验(自检)。
五、管理规定
5.1本管理规定自发布日起,各利润中心须严格按照本生产工艺流程开展作业。
5.2开展生产作业前,各工序生产人员须确保人员就位、设备完好、物资到位、工具齐全;
5.3生产过程中,上下工序需根据《工序自检互检管理办法》进行自检互检,检验合格后填写《随工单》,方可进入下一工序;形成的记录应整洁、清晰、信息正确;
5.4生产过程中,相关人员应根据《质量控制点设置清单》进行重点检验,形成《检验记录表》;
5.5生产过程中,质检人员应根据《过程监督检查制度》进行监督检查,形成《过程质量检查表》;
5.6振捣为特殊工序,预养工序和养护工序为关键工序,针对以上工序的特殊性及重要性,各相关质检人员、生产人员应对此工序生产作业根据《生产过程质量控制规范》重点进行控制,形成相关记录;
5.7产品生产完成后,检验合格后按照《PC构件出入库管理办法》办理入库;
7.1模具模台清理严格按照《作业指导书》和《操作规程》进行,做到模具手摸无尘,模台目测光亮无异物,并由本工序自检员确认合格后填写《随工单》签字流入下工序,要求随工单清晰、准确无误;
7.2确认清理合格,模具组装应严格按照《作业指导书》和《操作规程》进行组装,要求安装误差必须在范围内,并由本工序自检员确认合格后填写《随工单》签字流入下工序,要求随工单清晰、准确无误;
7.3检验(模具组装)根据《质量控制点设置清单》进行专检,应严格按照《DB37/T5020-2014》检查模具组装的误差是否在范围内,并形成《检验记录表》;
7.4确认上工序合格,安装钢筋及网片应严格按照《作业指导书》和《操作规程》进行,要求安装误差在允许范围内,并由本工序自检员确认合格后填写《随工单》签字流入下工序,要求随工单清晰、准确无误;
7.5确认上工序合格,布置预埋预留及水电管线安装应严格按照《作业指导书》和《操作规程》进行,要求各种安装偏差数值均在允许范围内,并由本工序自检员确认合格后填写《随工单》签字流入下工序,要求随工单清晰、准确无误;
7.6检验(钢筋及网片、预埋预留及水电管线等隐蔽工程验收)根据《质量控制点设置清单》由专检进行检验,应严格按照《DB37/T5020-2014》检查误差是否在范围内,并形成《过程监督检查表》、《检验记录表》;
7.7确认上工序合格,并对混凝土进行检验,?形成《混凝土检验》,严格按照《作业指导书》和《操作规程》进行混凝土浇筑、振捣,要求振捣密实、目测无明显气泡,并由本工序自检员确认合格后填写《随工单》签字流入下工序,要求随工单清晰、准确无误;
7.8确认上工序合格,保温板、连接件严格按照《作业指导书》和《操作规程》进行布置,
要求保温板无翘角、连接件垂直,数量型号准确,并由本工序自检员确认合格后填写《随工单》签字流入下工序,要求随工单清晰、准确无误;
7.9确认上工序合格,并对混凝土进行检验,形成《混凝土检验》,严格按照《作业指导书》和《操作规程》二次浇筑振捣,要求密实、目测无明显气泡,无上浮,并由本工序自检员确认合格后填写《随工单》签字流入下工序,要求随工单清晰、准确无误;
7.10确认上工序合格,此时应按《模台移动安全操作规程》将模台和构件送入预养库,进行预养,预养过程按照《作业指导书》、《构件预养检验指导书》并形成《预养检验记录》;
7.11提浆压面必须确定从预养库出来的构件达到了预养强度,提浆压面应严格按照《作业指导书》和《操作规程》进行操作,然后进行人工或机械拉毛,并由本工序自检员确认合格后填写《随工单》签字流入下一工序,要求随工单清晰、准确无误;
7.12构件进入养护库应按《模台移动安全操作规程》将模台和构件送入养护库,进行养护,养护过程按照《作业指导书》、《构件预养检验指导书》并形成《养护检验记录》;此时并形成《产成品日报表》;
7.13必须确定从养护库出来的构件达到了养护强度,可以进行脱模翻板吊装,吊装过程严格按照《构件安全吊装操作规程》、《航吊操作规程》进行,并由本工序自检员确认合格后填写《随工单》签字流入下一工序,要求随工单清晰、准确无误;
7.14确认脱模翻板吊装合格,记录填写正确后,严格按照《作业指导书》和《操作规程》检验,检验合格后进行喷涂标识,并由本工序自检员确认合格后填写《随工单》签字流入下一工序,要求随工单清晰、准确无误;
7.15确认混凝土浇筑、振捣合格,记录填写正确后,严格按照《作业指导书》和《操作规程》进行洗板,并由本工序自检员确认合格后填写《随工单》签字流入下一工序,要求随工单清晰、准确无误;
7.16确认洗板合格,记录填写正确后,严格按照《作业指导书》和《操作规程》进行自然养护,并由本工序自检员确认合格后填写《随工单》签字流入下一工序,要求随工单清晰、准确无误;
7.17按照《PC构件出入库管理办法》办理入库。
六、相关文件
《工序自检互检管理办法》
《过程监督检查制度》
《生产过程质量控制规范》
七、相关记录
《随工单》
《质量控制点清单》
《过程监督检查表》
《检验记录表》
《入库凭单》
《产成品日报表》
---精心整理,希望对您有所帮助。