PC构件生产工艺流程
- 格式:doc
- 大小:201.50 KB
- 文档页数:20
内容纲要总流程管控流程1.3、质量管理系统架构1.4、质量管控规定➢应明确与产品实现相关部门质量职责;关键工序必须责任到人。
➢对原材料进厂、部件加工、产品生产、发货及售后应制定相应规定。
➢所有质量活动应形成记录,并规范其保存型式。
➢平台、工厂应定期或不定期的开展质量统计、分析、检讨和改善。
➢参与产品实现的相关单位、部门、人员(包括小微商),必须准守质量相关的制度、标准。
➢质量管理实行逐级监督管理,通过对质量管理的执行及产成品实施实测实量检查制度,验证质量管理结果;验证与评价应制定标准及考核制度。
➢对有影响产品结构安全、使用功能以及安装安全的产品及行为实行零容忍管理。
➢为了保证质量系统及各项质量管理制度的有效执行,应制定相应的激励制度,并坚决执行。
1.5、质量职责1)平台职责(包括质量、工艺、实验室、生产、运管、PC设计、采购);2)线下工厂质量管理职责(包括品管、工艺、实验室、生产、运管);3)产线、外协质量职责;4)操作者质量职责。
2.1、来料检验控制说明:1.需要核对“合格供应商目录”;2.确认是否为新物料,索取相关资料及进行小批量试用;3.确认供应商附的出厂产品合格证、产品质量检测报告、使用说明书等相关证明资料;4.来料检验数据录入“原材料质量统计报表”。
各物料类别检验归属:a、设备及零配件、电动工具由设备人员签字确认,品管签字入库;b、办公用品、劳保类由保管员签字确认,品管签字入库;c、钢筋、玄武岩连接件、挤塑板、岩棉板、混凝土类原材料由实验室进行检验;d、外协模具类由生产工艺确认首批首件,批量来料由品管检验;e、其他类来料如PVC线管、86线盒、吊钉、套筒等由品管进行检验,如此类物料涉及到性能检验,由品管提交给实验室,由实验室负责做性能检测、型式检验或送第三方检测,完成后出具相关报告给品管进行存档管理。
2.2、外协管理说明:1.品管负责对外协质量管理制度及相关标准要求进行支持,对制度及标准执行实施监管,根据《质量系统实测实量管控规定》对外协的过程及产品进行实测实量监督评审;2.生产工艺负责对外协工艺标准要求进行支持和监管;3.实验室负责对外协的主要原材料(包括混凝土、钢筋、挤塑板、结构功能连接件等)质量管理进行支持和监管,同时要求提供材料质量证明资料;4.外协必需设置专职质量人员对来料、产品过程、成品质量进行管控;5.对出货后的产品质量负责,涉及到由于构件质量问题的返工由外协派人处理,造成的质量罚款及质量损失由外协负责;6.考核制度:依据《质量奖惩管理办法》3.1、新项目品质控制PC平台新项目质量管控a、质量管控收集客户质量要求:收集新项目客户质量信息,明确客户要求。
pc构件叠合板生产工艺流程
PC构件叠合板是一种常用的建筑材料,用于室内装饰、家具制
作和其他领域。
其生产工艺流程通常包括以下几个主要步骤:
1. 材料准备,首先需要准备原材料,通常包括聚碳酸酯(PC)
树脂、增强材料(如玻璃纤维布)、填料(如氧化铝)、添加剂
(如稳定剂、阻燃剂等)以及其他辅助材料。
2. 原料处理,PC树脂通常以颗粒状形式供应,需要进行干燥
和预加热处理,以确保材料的干燥度和流动性。
增强材料和填料也
需要进行预处理,如切割成适当尺寸和形状。
3. 树脂浆料制备,将经过预处理的PC树脂与增强材料、填料、添加剂等按照一定配方混合,并加入溶剂或助剂,制备成浆料。
4. 浆料涂布,将制备好的浆料通过涂布机或喷涂设备均匀涂布
在工作台或模具上,形成一定厚度的板材。
5. 叠合成型,涂布好的材料在一定温度和压力下进行叠合成型,通常采用热压或冷压工艺,使树脂充分固化,增强材料与树脂牢固
结合。
6. 后处理,经过叠合成型的板材需要进行后处理,包括修边、修孔、切割成规定尺寸等工艺。
7. 检验和包装,对成品进行质量检验,包括外观质量、尺寸精度、力学性能等指标,合格后进行包装和标识。
总的来说,PC构件叠合板的生产工艺流程涉及原料准备、浆料制备、涂布、叠合成型、后处理和检验等多个环节,需要严格控制每个环节的工艺参数,以确保最终产品的质量和性能符合要求。
PC构件生产工艺流程1.原料准备:准备好所需的原料,包括PC树脂、添加剂、填充料、润滑剂等。
2.熔融:将PC树脂放入注塑机的料斗中,通过加热和搅拌使其熔融。
3.注塑:将熔融的PC树脂通过注塑机的射嘴进入模具腔中,注塑成型,冷却后得到初步形状。
4.冷却:将注塑成型后的构件放置在冷却装置中,使其迅速冷却固化。
5.取模:当构件完全固化后,从模具中取出构件。
6.开料:根据构件的设计要求,将构件进行切割、开孔等加工工序。
7.表面处理:根据需要对构件进行表面处理,如抛光、喷涂等。
8.装配:将已经经过加工和处理的构件进行装配,包括螺纹连接、粘接等。
9.检验:对装配好的构件进行质量检验,包括尺寸检查、外观检查等。
10.包装:对合格的构件进行包装,以确保运输和储存安全。
11.成品入库:将包装好的构件入库,等待发货或者下一步的生产流程。
在上述的PC构件生产工艺流程中,注塑成型是其中最关键的步骤。
在注塑成型中,需要注意以下几个环节:1.温度控制:合理控制注塑机的温度,确保PC树脂可以完全熔融,避免熔体过热或者过冷。
2.压力控制:通过调整注塑机的射出压力和保压时间,确保PC树脂能够充分填充模具腔,避免气泡和不充盈的问题。
3.冷却控制:在冷却过程中,要注意冷却时间和冷却温度的控制,确保构件能够充分固化和收缩。
此外,对于PC构件的生产,还需要注意以下几个方面:1.模具设计:合理设计模具,包括构件的形状、尺寸、结构等,以保证成型质量和生产效率。
2.原料选择:选用质量优良的PC树脂和其他助剂,以确保构件的性能要求。
3.质量控制:在生产过程中,要进行严格的质量控制,包括对原料、加工工艺、成品等进行检查和测试。
通过以上的PC构件生产工艺流程,可以保证PC构件的生产质量和产品性能,满足用户的需求。
装配式建筑施PC构件生产流程作业指导
典型的PC构件生产工艺流程包含:组模、布筋、布置埋件、混凝土浇筑、养护、脱模和成品检验等7个步骤,流程示意图如下:
1.组模
PC构件组模包含:模具选型、模具清理、模具拼装和涂刷脱模剂等4个步骤。
模具检查项目、验收标准及检验方法
2.布筋
PC构件布筋包含:受力筋布置、桁架筋布置、箍筋布置和分布筋布置等4个步骤。
3.布置埋件
PC构件布置埋件包含:螺杆预埋、管线预埋、线盒预埋、门窗框预埋、支撑预埋、吊钉吊具预埋、石材埋件预埋和灌浆套筒预埋等8个步骤。
4.混凝土浇筑
PC构件混凝土浇筑包含:隐蔽工程验收、空隙封堵、变形移位纠偏、防污染措施、连续布料、振动台振捣、补料和表面处理等8个步骤。
5.混凝土护养
PC构件布筋包含:预养、自然养护和蒸汽养护等3个步骤。
6.脱模
PC构件脱模包含:混凝土强度验证、拆模、吊点吊筋检查和起吊脱模等4个步骤。
7.成品检验
PC构件成品检验包含:外形尺寸、外观质量、平整度和垂直度等4个步骤。
PC构件尺寸允许偏差及检验方法。
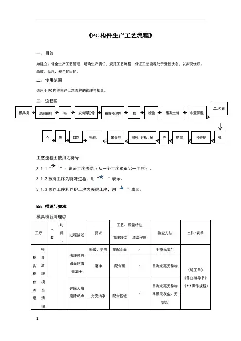
《PC 构件生产工艺流程》一、目的为建立、健全生产工艺管理,明确生产责任,规范工艺流程,保证工艺流程处于受控状态,以实现优质、高效、低耗、安全的目的。
二、使用范围适用于PC 构件生产工艺流程的管理与规定。
工艺流程图使用之符号3.1.1“ ”:表示工序传递(从一个工序移至另一工序)。
3.1.2”表示。
3.1.3”表示。
四、描述与要求涂刷辅料、模具组装◎检验(模具组装)◎安装钢筋骨架及网片◎布置预埋预留及水电管线安装◎检验(隐蔽工程验收)◎检验工装◎注:1振捣不到位:有气泡不密实 2振捣过位:离析秘水布置保温板、连接件◎注:本工序布料铺装完成后须将外溢料、模具模台附着混凝土清理干净。
预养护◎提浆压面◎注:本工序完成后须将外溢料、模具模台附着混凝土以及工序范围内垃圾清理干净。
养护◎脱模翻板吊装◎露骨料冲洗◎检验、标识◎4.17自然养护入库按照《PC 构件出入库管理办法》办理入库。
注:星号代表重要质量控制点。
“▽”:入库管理“□”:用“□”表示数量检验, 用“◇”表示品质检验,用“◎”表示操作又兼检验(自检)。
五、管理规定本管理规定自发布日起,各利润中心须严格按照本生产工艺流程开展作业。
开展生产作业前,各工序生产人员须确保人员就位、设备完好、物资到位、工具齐全;生产过程中,上下工序需根据《工序自检互检管理办法》进行自检互检,检验合格后填写《随工单》,方可进入下一工序;形成的记录应整洁、清晰、信息正确;生产过程中,相关人员应根据《质量控制点设置清单》进行重点检验,形成《检验记录表》;生产过程中,质检人员应根据《过程监督检查制度》进行监督检查,形成《过程质量检查表》;振捣为特殊工序,预养工序和养护工序为关键工序,针对以上工序的特殊性及重要性,各相关质检人员、生产人员应对此工序生产作业根据《生产过程质量控制规范》重点进行控制,形成相关记录;产品生产完成后,检验合格后按照《PC构件出入库管理办法》办理入库;模具模台清理严格按照《作业指导书》和《操作规程》进行,做到模具手摸无尘,模台目测光亮无异物,并由本工序自检员确认合格后填写《随工单》签字流入下工序,要求随工单清晰、准确无误;确认清理合格,模具组装应严格按照《作业指导书》和《操作规程》进行组装,要求安装误差必须在范围内,并由本工序自检员确认合格后填写《随工单》签字流入下工序,要求随工单清晰、准确无误;检验(模具组装)根据《质量控制点设置清单》进行专检,应严格按照《DB37/T5020-2014》检查模具组装的误差是否在范围内,并形成《检验记录表》;确认上工序合格,安装钢筋及网片应严格按照《作业指导书》和《操作规程》进行,要求安装误差在允许范围内,并由本工序自检员确认合格后填写《随工单》签字流入下工序,要求随工单清晰、准确无误;确认上工序合格,布置预埋预留及水电管线安装应严格按照《作业指导书》和《操作规程》进行,要求各种安装偏差数值均在允许范围内,并由本工序自检员确认合格后填写《随工单》签字流入下工序,要求随工单清晰、准确无误;检验(钢筋及网片、预埋预留及水电管线等隐蔽工程验收)根据《质量控制点设置清单》由专检进行检验,应严格按照《DB37/T5020-2014》检查误差是否在范围内,并形成《过程监督检查表》、《检验记录表》;确认上工序合格,并对混凝土进行检验,形成《混凝土检验》,严格按照《作业指导书》和《操作规程》进行混凝土浇筑、振捣,要求振捣密实、目测无明显气泡,并由本工序自检员确认合格后填写《随工单》签字流入下工序,要求随工单清晰、准确无误;确认上工序合格,保温板、连接件严格按照《作业指导书》和《操作规程》进行布置,要求保温板无翘角、连接件垂直,数量型号准确,并由本工序自检员确认合格后填写《随工单》签字流入下工序,要求随工单清晰、准确无误;确认上工序合格,并对混凝土进行检验,形成《混凝土检验》,严格按照《作业指导书》和《操作规程》二次浇筑振捣,要求密实、目测无明显气泡,无上浮,并由本工序自检员确认合格后填写《随工单》签字流入下工序,要求随工单清晰、准确无误;确认上工序合格,此时应按《模台移动安全操作规程》将模台和构件送入预养库,进行预养,预养过程按照《作业指导书》、《构件预养检验指导书》并形成《预养检验记录》;提浆压面必须确定从预养库出来的构件达到了预养强度,提浆压面应严格按照《作业指导书》和《操作规程》进行操作,然后进行人工或机械拉毛,并由本工序自检员确认合格后填写《随工单》签字流入下一工序,要求随工单清晰、准确无误;构件进入养护库应按《模台移动安全操作规程》将模台和构件送入养护库,进行养护,养护过程按照《作业指导书》、《构件预养检验指导书》并形成《养护检验记录》;此时并形成《产成品日报表》;必须确定从养护库出来的构件达到了养护强度,可以进行脱模翻板吊装,吊装过程严格按照《构件安全吊装操作规程》、《航吊操作规程》进行,并由本工序自检员确认合格后填写《随工单》签字流入下一工序,要求随工单清晰、准确无误;确认脱模翻板吊装合格,记录填写正确后,严格按照《作业指导书》和《操作规程》检验,检验合格后进行喷涂标识,并由本工序自检员确认合格后填写《随工单》签字流入下一工序,要求随工单清晰、准确无误;确认混凝土浇筑、振捣合格,记录填写正确后,严格按照《作业指导书》和《操作规程》进行洗板,并由本工序自检员确认合格后填写《随工单》签字流入下一工序,要求随工单清晰、准确无误;确认洗板合格,记录填写正确后,严格按照《作业指导书》和《操作规程》进行自然养护,并由本工序自检员确认合格后填写《随工单》签字流入下一工序,要求随工单清晰、准确无误;按照《PC构件出入库管理办法》办理入库。
万科PC工艺流程一、PC施工准备二、PC工艺流程三、PC质量与安全重点一、塔吊定位、选型1、定位:地库之外(地库周边楼栋),尽量与行车路线同向布置。
2、附墙:附着点为现浇墙柱节点,尽量选择楼中/两处现浇节点中为塔吊中。
3、基础:避开工程桩、承台、后浇带、集水井等障碍物。
4、数量:每栋楼至少1台塔吊,尽量与施工电梯异边。
5、群塔:按现场进度选择高低塔,复核高低差值安全范围内,建议采用平头塔吊。
6、型号:考虑最远端最大构件负荷,自重最大构件负荷,适当风荷载、吊具荷载,安全系数。
7、费用:进出场时间控制。
备注:1、PC构件常规要求控制在5t,其次吊具自重,风荷载以及安全系数。
超高层还需考虑钢结构/劲性柱负荷。
2、塔吊常用型号QTZ160(6520),QTZ200(7020),QTZ250(7025)。
3、塔吊附着的位置与时间须提前考虑,砼结构的养护时间,可能须提前考虑附着增加措施。
4、塔吊的臂长,须考虑地库、周边建筑物、群塔作业,按照截臂考虑。
5、塔吊基础的工程桩,须提前考虑,建议由桩基单位随工程桩一并作业。
6、塔吊的年限,建议控制在出厂2年以内。
一、塔吊定位、选型1、每栋单体需PC堆场,堆场平整、硬化,面积足够单层PC构件存放,紧邻施工道路、塔吊。
2、专用堆放架,堆放次序与吊装次序相反,斜撑靠放牢固。
3、堆场封闭式管理,设置警戒标识,严禁无关人员进出。
4、竖向构件(墙、挂板)宜采用支架插立放/斜靠放。
5、水平构件(板类)垫块叠放不宜超过六层。
6、预制梁、柱垫木叠放不宜超过3层。
7、门框、窗框应采取成品保护措施。
8、构件支撑点,软垫保护。
二、PC 堆场三、行车路线1、大门宽度需满足构件大型车转弯进出。
2、施工道路,结合消防通道,环形路线,应急停车带,转弯半径16米,坡度不得大于3°。
3、建议道路宽度不少于8米,厚度不得低于150mm,砼标号C30,内配单层钢筋网片。
4、地库回顶:PC堆场、行车路线、钢筋加工车间、不下地库人货电梯。
装配式建筑吊装施工—PC构件吊装工艺流程装配式建筑吊装施工是指在现场进行的装配式建筑构件吊装工作。
装配式建筑是通过工厂预制或者组装而成的建筑体系,常见的有预制混凝土构件、钢结构构件、木结构构件等。
在装配式建筑吊装施工中,PC构件是一种经过工厂预制、场地组装的混凝土构件,具有高强度、高质量、高效率等优点,被广泛应用于各类建筑工程中。
PC构件吊装的工艺流程主要包括场地准备、吊装方案制定、吊装设备准备、吊装作业和收尾工作等步骤。
首先是场地准备。
在吊装作业开始前,需要对吊装区域进行清理和平整,确保施工区域的安全和通畅。
同时,还需对施工现场进行必要的标识和管制,确保人员和设备的安全。
然后是吊装方案制定。
吊装方案是吊装施工的重要基础,要根据实际情况制定合理的吊装方案。
吊装方案包括吊装点的选取、吊装高度的确定、吊装设备和工具的选择、吊装顺序的安排等内容。
吊装方案要充分考虑施工现场的实际情况,确保吊装过程中的安全和顺利。
接下来是吊装设备准备。
根据吊装方案的要求,选择适当的吊装设备进行装配和准备。
常见的吊装设备有塔吊、起重机、吊车等。
吊装设备要经过检查和试运行,确保设备的正常运转和安全可靠。
然后是吊装作业。
吊装作业是整个吊装施工的核心环节。
在进行吊装作业前,要对吊装设备和工具进行检查和试运行,确保设备的正常运转。
吊装作业过程中,要根据吊装方案的要求,将PC构件准确、平稳地吊装到指定位置。
在吊装过程中,要严格按照施工规范操作,保证吊装安全,防止发生事故。
最后是收尾工作。
吊装作业完成后,要对吊装设备和工具进行整理和清理,保持设备的良好状态。
同时,要对施工现场进行清理和整理,消除施工过程中产生的垃圾和危险物品。
并进行吊装作业的总结和评估,总结经验教训,为后续工作提供参考。
总之,装配式建筑吊装施工工艺流程是一个复杂而严谨的过程,需要经验丰富的专业人员进行操作。
只有合理制定吊装方案、选择适当的吊装设备、严格执行施工规范,才能确保吊装作业的顺利进行,保证施工的质量和安全。
pc构件灌浆工艺流程
1. 准备工作
- 检查PC构件外观质量,确保构件表面无裂缝、蜂窝、露筋等缺陷。
- 检查构件内腔是否清理干净,无杂物残留。
-准备好浆料配合比、灌浆管、气压灌浆机等设备。
2. 制备浆料
- 严格按照设计要求配制无收缩灌浆料,一般采用水泥基或环氧树脂基灌浆浆料。
- 浆料水灰比、流动度等指标需满足设计及现行规范要求。
- 充分搅拌,使浆料拌合均匀。
3. 灌浆施工
- 将灌浆管插入构件内腔孔洞,管口距离构件端部约20cm。
- 启动气压灌浆机,控制灌浆压力和速度。
- 由低向高自下而上进行连续灌注,防止浆液离析。
- 当浆液从排气孔流出时,继续灌浆2~3分钟,使构件内腔充分充满。
4. 养护
- 待浆液初凝后及时切断灌浆管与构件连接,封闭灌浆孔。
- 覆盖湿毡布等保温材料,定期洒水养护7天以上,防止浆液过快脱水。
5. 质量检查
- 养护期满后检查构件表面,无裂缝、开裂、蜂窝等缺陷为合格。
- 采用无损检测手段,检查构件内部是否存在空穴等缺陷。
pc构件生产工艺流程PC构件是指由聚碳酸酯(Polycarbonate)材料制成的各种电子设备的外壳、配件等构件。
以下是PC构件的生产工艺流程:1. 原料准备:首先需要准备聚碳酸酯颗粒作为原料。
这些颗粒可以通过化学合成或者回收处理后得到。
2. 熔融:将聚碳酸酯颗粒放入塑料注射机的料斗中,通过加热和加压,将颗粒熔化成为可注射的熔融物质。
3. 注射成型:熔融物质通过注射机的喷头,注入到模具中。
模具内部的空腔会冷却和凝固,形成PC构件的初始形状。
4. 塑料冷却:在注射成型后,模具中的PC构件需要冷却一段时间,以保证构件充分凝固并保持其形状。
5. 取模:冷却完成后,打开模具,取出已经凝固的PC构件。
这个过程需要小心,以避免构件的损坏。
6. 精加工:取出的PC构件可能还需要进行切割、修整、钻孔、磨光等精加工工序,以达到制定的规格和表面光洁度要求。
7. 表面处理:根据需要,PC构件的表面可能需要进行喷漆、喷涂、电镀等处理,以增加其外观美观度和耐久性。
8. 装配:根据产品的需求,将已经处理好的PC构件进行组装。
这可能包括与其他构件的连接、螺丝固定、焊接等操作。
9. 检测:对装配好的PC构件进行质量检测,包括检查尺寸、外观、性能等,确保符合标准要求。
10. 包装和发货:符合质量要求的PC构件经过包装后,可以准备发货,以供进一步的组装、销售或分发。
总结起来,PC构件的生产工艺流程包括原料准备、熔融、注射成型、塑料冷却、取模、精加工、表面处理、装配、检测以及最终的包装和发货。
每个步骤都需要精确操作和严格控制,以确保最终产品的质量和性能。
这个过程需要不断的反复测试和改进,以适应不同产品的需求和市场的变化。
pc构件生产工艺流程PC构件生产工艺流程PC构件是一种常用的塑料构件,广泛应用于电子设备、家电、汽车、医疗器械等领域。
下面将介绍PC构件的生产工艺流程。
首先,准备原料。
PC构件的主要原料是聚碳酸酯(PC)树脂。
PC树脂是一种高分子聚合物,具有优良的物理性能和加工性能。
在生产前,需要准备合格的PC树脂颗粒。
其次,进行原料预处理。
将准备好的PC树脂颗粒进行烘干处理,以去除其中的水分和杂质。
烘干温度通常在120℃左右,时间根据树脂种类和含水率而定。
然后,将烘干后的PC树脂颗粒送入注塑机。
注塑机是一种设备,用于将塑料熔化,并通过模具注入到特定形状的模腔中,以制造PC构件。
在注塑过程中,需要控制好温度、压力和注射速度等参数,以确保产品质量。
接下来,进行冷却和成型。
在注塑过程中,熔化的PC树脂会快速冷却,并在模具中形成所需的形状。
冷却时间通常约为几十秒到几分钟不等,取决于构件的大小和厚度。
然后,进行脱模。
当PC构件冷却后,将模具打开,并将构件从模腔中取出。
脱模时需要注意避免构件变形或损坏。
对于一些复杂的构件,可能需要使用释模剂或其他辅助措施来帮助脱模。
最后,进行后处理。
对于一些PC构件,可能需要进行后续的加工和处理。
比如,去除边角余料、打磨表面、喷涂涂层等。
这些工艺可以提高构件的质量和外观。
综上所述,PC构件的生产工艺流程包括准备原料、原料预处理、注塑成型、冷却成型、脱模和后处理等环节。
每个环节都需要严格控制参数和操作,以确保产品的质量和性能。
PC构件的生产工艺流程也可以根据实际情况进行调整和优化,以满足不同产品的需求。
PC构件生产施工方案编制单位:上海中兴兆元绿色建筑科技有限公司编制日期: 2019年 3 月 12 日目录构件生产施工方案和施工工艺 (6)1.1主要施工顺序 (6)1.2配模及安装模板 (6)(1)配模 (7)(2)清理台模 (7)(3)涂刷脱模剂 (8)(4)安装模板 (8)(5)应急措施 (9)1.3铺保温板 (9)1.4面砖反打 (9)1.5门窗一体化 (10)1.6钢筋工程 (9)(1)原材料的验收 (10)(2)钢筋加工 (11)1.7预留、预埋工程 (11)1.8混凝土工程 (12)(1)混凝土拌合和运输 (12)(2)混凝土布料、振捣 (12)(3)混凝土压光、拉毛、压光、露骨混凝土 (13)1.9养护 (14)(1)夏季自然养护 (14)(2)其他季节蒸养 (14)1.10拆模和起吊 (15)(1)构件拆模 (16)(2)构件起吊 (16)1.11构件编号 (17)施工质量保证措施和要求 (17)2.1 模板工程 (17)2.2预埋件、预留孔洞 (18)2.3 钢筋工程 (18)2.4外墙饰面砖、石材 (18)2.5一体化门窗框 (18)2.6 混凝土工程 (19)2.7其他措施 (21)2.8构件修补措施 (22)质量通病的防治措施 (21)3.1混凝土质量通病防治 (21)(1)压光质量不合格 (22)(2)混凝土养护质量 (23)(3)混凝土强度控制质量 (22)(4)拉毛 (24)(5)混凝土振捣质量 (24)(6)混凝土成品保护质量 (25)(7)构件混凝土色差控制 (25)(8)构件外观尺寸控制 (26)3.2构件钢筋质量通病防治 (26)(1)钢筋保护层厚度控制 (27)(2)构件外露钢筋位置控制 (27)(3)构件外露钢筋外伸长度尺寸控制 (27)(4)构件外伸箍筋箍筋开口位置设置 (27)(5)构件外伸钢筋加工成型质量 (27)(6)构件钢筋成品保护质量 (28)3.3模板质量通病防治 (29)(1)模板尺寸精度控制 (29)(2)防漏浆质量控制(侧模和台模接触面、抗剪键部位、外伸钢筋) (30)3.4预留、预埋质量通病防治 (32)(1)预埋吊件、螺栓预埋质量控制 (32)安全文明施工保证措施 (31)4.1保证安全的措施 (32)4.2锅炉的安全措施 (32)4.3圆盘机安全操作 (33)4.4电焊安全操作 (34)4.5行车吊运的安全操作 (35)4.6汽吊的安全操作 (36)4.7剪板机的安全操作 (37)4.8弯折机的安全操作 (38)4.9用电安全措施 (38)(1)接地与接零 (38)(2)配置漏电保护器 (38)(3)配电系统 (38)4.10 文明施工管理组织 (41)(1)成立安全文明施工领导小组 (41)(2)小组成员 (41)4.11 工作职责 (42)4.12现场安全文明施工管理措施 (42)构件吊装、运输和堆放 (42)5.1构件吊装 (42)5.2构件运输 (44)5.3构件堆放 (44)施工环保措施计划 (44)6.1建立健全强有力的环保监测体系 (44)6.2环保控制点 (46)6.3防污方案 (45)(1)水环境保护方案 (45)(2)大气环境保护方案 (45)(3)防止噪音污染的方案 (45)(4)防止固体废弃物污染的方案 (45)(5)防止光污染的方案 (45)(6)保持城市卫生的措施 (45)成品保护措施和工程保修工作的管理措施和承诺 (46)7.1预制构件成品保护 (46)7.2公司承诺 (48)7.3订立保修合同 (48)7.4建立保修机构 (48)7.5质量回访、保修 (48)冬雨季施工保证措施 (49)8.1冬季施工 (49)8.2雨季施工 (50)紧急情况处理措施、预案以及抵抗风险的措施 (51)9.1 停水应急措施 (52)9.2 停电应急措施 (52)9.3 其他应急措施 (52)与发包人、监理及设计等各方的配合 (52)10.1 与业主及业主方代表的配合协调措施 (52)10.2 与监理人的配合措施 (52)10.3 与当地政府部门配合及协调措施 (53)11.1构件生产指导思想 (54)构件生产施工方案和施工工艺1.1主要施工顺序配模→安装模板→保温板铺设(石材或面砖铺设)→钢筋绑扎→支撑点、埋件等安装→验收→浇筑混凝土→养护→拆模→构件起吊1.2配模及安装模板(1)配模①由我司专业的配模小组进行施工,施工前技术人员和工长对工人进行培训交底,将细节注意点交底到位,并落实配模前的各项准备工作。
简述pc构件的生产流程下载温馨提示:该文档是我店铺精心编制而成,希望大家下载以后,能够帮助大家解决实际的问题。
文档下载后可定制随意修改,请根据实际需要进行相应的调整和使用,谢谢!并且,本店铺为大家提供各种各样类型的实用资料,如教育随笔、日记赏析、句子摘抄、古诗大全、经典美文、话题作文、工作总结、词语解析、文案摘录、其他资料等等,如想了解不同资料格式和写法,敬请关注!Download tips: This document is carefully compiled by theeditor. I hope that after you download them,they can help yousolve practical problems. The document can be customized andmodified after downloading,please adjust and use it according toactual needs, thank you!In addition, our shop provides you with various types ofpractical materials,such as educational essays, diaryappreciation,sentence excerpts,ancient poems,classic articles,topic composition,work summary,word parsing,copy excerpts,other materials and so on,want to know different data formats andwriting methods,please pay attention!PC 构件是指在工厂中通过标准化、机械化方式加工生产的混凝土制品。
pc构件夹心保温板施工工艺流程
当然可以,咱们来聊聊PC构件夹心保温板是怎么一步步装上去的,就像聊天一样简单明了:
准备工作:
先得看看设计图,确认保温板大小、型号都对头,不能用错了。
到现场瞅瞅,墙啊、预埋的东西都得整整齐齐,准备好吊车啊、固定件这些家伙什儿。
打扫卫生:
墙面得清理干净,灰啊、油啊,啥脏东西都不能有,平不平也得检查好。
搭架子:
得先搭个结实的框架,好让保温板有个落脚的地方。
吊起来放好:
用吊车把做好的保温板轻轻吊到它该去的位置,跟拼积木似的,但得小心轻放。
固定住:
在墙上打洞,用螺丝或者粘合剂把保温板牢牢钉住,不能让它晃悠。
填缝密封:
板子之间的缝儿得用密封胶填上,这样水啊风啊就进不去,保温效果才好。
加点料:
如果需要,还得再贴一层防水啊、装饰的东西,让墙既好看又实用。
检查检查再检查:
完工后,得仔细检查一遍,看装得牢不牢,尺寸对不对,密封得好不好,不能马虎。
和别的活儿配合:
最后,得和安窗户、刷墙这些活儿配合好,一步一步来,整个房子才能漂漂亮亮的。
这就是大概的过程,每一步都要细心,安全第一,质量也要杠杠的!。
pc混凝土预制构件的制作与生产工艺第一节PC外墙板预制技术产品概况PC外墙板板厚有160mm、180 mm等,由于外饰面砖及窗框在预制过程中完成,在现场吊装后只需安装窗扇及玻璃即可,这样给现场施工提供了很大方便,但同时也给构件生产提出了很高要求,是对生产工艺和生产技术的一次新挑战。
PC外墙板预制技术的难点及关键(1) PC外墙板面砖与混凝土一次成型,因此保证面砖的铺贴质量是产品质量控制的关键;(2) PC外墙板窗框预埋在构件里,因此采取适当的定位和保护措施是保证产品质量的重点;(3) 由于面砖、窗框、预埋件及钢筋等在混凝土浇捣前已布置好,因此对混凝土振捣提出了很高的要求,是生产过程控制的重点;(4) 由于PC外墙板厚度比较薄,侧向刚度比较差,对堆放及运输要求比较高,因此产品保护也是质量控制的重点;(5) 要保证PC外墙板的几何尺寸和尺寸变化,钢模设计也是生产技术的关键。
PC外墙板生产工艺的确定PC外墙板的生产布置在厂内的西侧场地进行,根据生产进度需要直排布置6个生产模位。
蒸汽管道利用原有的外线路,同时根据生产模位的位置进行布置。
构件蒸养脱模后直接吊至翻转区翻转竖立后堆放。
钢筋加工成型在钢筋车间内进行,钢筋骨架在生产模位附近场地绑扎。
混凝土由厂搅拌站供应。
PC外墙板模板主要采用钢模,钢筋加工成型后整体绑扎,然后吊到模板内安装,混凝土浇筑后进行蒸汽养护。
生产过程中的模板清洁、钢筋加工成型、面砖粘贴、窗框安装、预埋件固定、混凝土施工及蒸汽养护、拆模搬运等工序均采用工厂式流水施工,每个工种都由相对少数固定的娴熟工人操作实施。
PC外墙板生产工艺流程详图如下:PC外墙板生产工艺流程图第二节模具设计与组装技术(1) 模具设计根据建筑变化的需要及安装位置的不同,PC外墙板的尺寸形状变化较为复杂,同时对墙板的外观质量和外形尺寸的精度要求也很高,外形尺寸的长度和宽度误差均不得大于3mm,弯曲也应小于3mm。
这些都给模具设计和制作增加了难度,要求模板在保证一定刚度和强度的基础上,既要有较强的整体稳定性,又要有较高的表面平整度,并且容易安装和调整,适应不同外形尺寸PC外墙板生产的需要。
页脚内容1
《PC 构件生产工艺流程》
一、目的
为建立、健全生产工艺管理,明确生产责任,规范工艺流程,保证工艺流程处于受控状态,以实现优质、高效、低耗、安全的目的。
二、使用范围
适用于PC 构件生产工艺流程的管理与规定。
3.1工艺流程图使用之符号
3.1.1“ ”:表示工序传递(从一个工序移至另一工序)。
3.1.2 ”表示。
3.1.3 ”表示。
四、描述与要求
4.1模具模台清理◎
4.2涂刷辅料、模具组装◎
页脚内容2
装)◎
页脚内容3
架及
◎
页脚内容4
4.5布置预埋预留及水电管线安装◎
页脚内容5
4.6检验(隐蔽工程验收)◎
页脚内容6
4.7检验工装◎
页脚内容7
页脚内容8
4.8混凝土铺装、振动◎
注:1振捣不到位:有气泡 不密实 2振捣过位:离析 秘水
4.8布置保温板、连接件◎
4.9二次浇筑振捣◎
页脚内容9
注:本工序布料铺装完成后须将外溢料、模具模台附着混凝土清理干净。
4.10预养护◎
页脚内容10
4.11提浆压面◎
页脚内容11
注:本工序完成后须将外溢料、模具模台附着混凝土以及工序范围内垃圾清理干净。
4.12养护◎
页脚内容12
4.13脱模翻板吊装◎
页脚内容13
4.15露骨料冲洗◎
页脚内容14
4.16检验、标识◎
页脚内容15
页脚内容16
4.17自然养护
4.16入库
按照《PC 构件出入库管理办法》办理入库。
注:星号代表重要质量控制点。
“▽”:入库管理
“□”:用“□”表示数量检验, 用“◇”表示品质检验,
用“◎”表示操作又兼检验(自检)。
五、管理规定
5.1本管理规定自发布日起,各利润中心须严格按照本生产工艺流程开展作业。
5.2开展生产作业前,各工序生产人员须确保人员就位、设备完好、物资到位、工具齐全;
5.3生产过程中,上下工序需根据《工序自检互检管理办法》进行自检互检,检验合格后填写《随工单》,方可进入下一工序;形成的记录应整洁、清晰、信息正确;
5.4生产过程中,相关人员应根据《质量控制点设置清单》进行重点检验,形成《检验记录表》;
5.5生产过程中,质检人员应根据《过程监督检查制度》进行监督检查,形成《过程质量检查表》;5.6振捣为特殊工序,预养工序和养护工序为关键工序,针对以上工序的特殊性及重要性,各相关质检人员、生产人员应对此工序生产作业根据《生产过程质量控制规范》重点进行控制,形成相关记录;
5.7产品生产完成后,检验合格后按照《PC构件出入库管理办法》办理入库;
7.1模具模台清理严格按照《作业指导书》和《操作规程》进行,做到模具手摸无尘,模台目测光亮无异物,并由本工序自检员确认合格后填写《随工单》签字流入下工序,要求随工单清晰、准确无误;
7.2确认清理合格,模具组装应严格按照《作业指导书》和《操作规程》进行组装,要求安装误差必须在范围内,并由本工序自检员确认合格后填写《随工单》签字流入下工序,要求随工单清晰、准确无误;
7.3检验(模具组装)根据《质量控制点设置清单》进行专检,应严格按照《DB37/T5020-2014》检查模具组装的误差是否在范围内,并形成《检验记录表》;
7.4确认上工序合格,安装钢筋及网片应严格按照《作业指导书》和《操作规程》进行,要求安装误差在允许范围内,并由本工序自检员确认合格后填写《随工单》签字流入下工序,要求随工单清晰、准确无误;
页脚内容17
7.5确认上工序合格,布置预埋预留及水电管线安装应严格按照《作业指导书》和《操作规程》进行,要求各种安装偏差数值均在允许范围内,并由本工序自检员确认合格后填写《随工单》签字流入下工序,要求随工单清晰、准确无误;
7.6检验(钢筋及网片、预埋预留及水电管线等隐蔽工程验收)根据《质量控制点设置清单》由专检进行检验,应严格按照《DB37/T5020-2014》检查误差是否在范围内,并形成《过程监督检查表》、《检验记录表》;
7.7确认上工序合格,并对混凝土进行检验,?形成《混凝土检验》,严格按照《作业指导书》和《操作规程》进行混凝土浇筑、振捣,要求振捣密实、目测无明显气泡,并由本工序自检员确认合格后填写《随工单》签字流入下工序,要求随工单清晰、准确无误;
7.8确认上工序合格,保温板、连接件严格按照《作业指导书》和《操作规程》进行布置,要求保温板无翘角、连接件垂直,数量型号准确,并由本工序自检员确认合格后填写《随工单》签字流入下工序,要求随工单清晰、准确无误;
7.9确认上工序合格,并对混凝土进行检验,形成《混凝土检验》,严格按照《作业指导书》和《操作规程》二次浇筑振捣,要求密实、目测无明显气泡,无上浮,并由本工序自检员确认合格后填写《随工单》签字流入下工序,要求随工单清晰、准确无误;
7.10确认上工序合格,此时应按《模台移动安全操作规程》将模台和构件送入预养库,进行预养,预养过程按照《作业指导书》、《构件预养检验指导书》并形成《预养检验记录》;
7.11提浆压面必须确定从预养库出来的构件达到了预养强度,提浆压面应严格按照《作业指导书》和《操作规程》进行操作,然后进行人工或机械拉毛,并由本工序自检员确认合格后填写《随工单》签字流入下一工序,要求随工单清晰、准确无误;
7.12构件进入养护库应按《模台移动安全操作规程》将模台和构件送入养护库,进行养护,养护过程
页脚内容18
按照《作业指导书》、《构件预养检验指导书》并形成《养护检验记录》;此时并形成《产成品日报表》;
7.13必须确定从养护库出来的构件达到了养护强度,可以进行脱模翻板吊装,吊装过程严格按照《构件安全吊装操作规程》、《航吊操作规程》进行,并由本工序自检员确认合格后填写《随工单》签字流入下一工序,要求随工单清晰、准确无误;
7.14确认脱模翻板吊装合格,记录填写正确后,严格按照《作业指导书》和《操作规程》检验,检验合格后进行喷涂标识,并由本工序自检员确认合格后填写《随工单》签字流入下一工序,要求随工单清晰、准确无误;
7.15确认混凝土浇筑、振捣合格,记录填写正确后,严格按照《作业指导书》和《操作规程》进行洗板,并由本工序自检员确认合格后填写《随工单》签字流入下一工序,要求随工单清晰、准确无误;
7.16确认洗板合格,记录填写正确后,严格按照《作业指导书》和《操作规程》进行自然养护,并由本工序自检员确认合格后填写《随工单》签字流入下一工序,要求随工单清晰、准确无误;
7.17按照《PC构件出入库管理办法》办理入库。
六、相关文件
《工序自检互检管理办法》
《过程监督检查制度》
《生产过程质量控制规范》
七、相关记录
《随工单》
页脚内容19
《质量控制点清单》
《过程监督检查表》
《检验记录表》
《入库凭单》
《产成品日报表》
页脚内容20。