实验四TTL集电极开路门和三态输出门测试_图文(精)
- 格式:doc
- 大小:164.50 KB
- 文档页数:7
实训一 TTL 门电路的逻辑功能和特征测试一、实训目的1.熟习 TTL 与非门逻辑功能的测试方法;2.熟习 TTL 与非门特征参数的意义以及传输特征的测试方法;3.掌握 TTL 门电路的使用方法。
二、实训内容1.测试 TTL 与非门逻辑功能;2.测试 TTL 与非门的特征参数。
三、实训主要元件74LS00(四二输入“与非门”)外引线摆列图:74LS04(六反相器)外引线摆列图:四、实训原理 74LS32 ( 四二输入或门 )在系统电路设计时,常常要用到一些门电路,而门电路的一些特征参数的利害,在很大程度上影响整机工作的靠谱性。
门电路的参数往常分两种:静态参数和动向参数。
1. TTL 逻辑门的主要参数有:(1)扇入系数 Ni 和扇出系数 NO:能使电路正常工作的输入端数量和电路正常工作能带动的同型号门的数量。
(2)输出高电平 VOH :一般为 VOH≥ 2.4V(3)输出低电平 VOL :一般为 VOL≤ 0.4V(4)电压传输特征曲线、开门电平 VOn 和关门电平 Voff(5)输入短路电流 IIS:一个输入端接地,其余输入端悬空时,流过该接地输入端的电流为输入短路电流。
(6)空载导通功耗 Pon:指输入所有为高电平、输出为低电平且不带负载时的功率消耗。
(7)空载截止功耗 Poff;指输入有低电平、输出为高电平且不带负载时的功率消耗。
(8)抗扰乱噪声容限:电路可以保持正确的逻辑关系所同意的最大扰乱电压值。
(9)均匀传输延缓时间: t pd = (t pdl + t pdh ) / 2(10)输入漏电流 IIH :指一个输入端接高电平,另一个输入端接地时,流过高电平输入端的电流。
. 2.“与非”门特征参数的丈量方法(1)空载导通功耗PccL是指输入全为高电平、输出为低电平且不接负载时的功率消耗。
PCCL=VCC ICCL 式中 : VCC ——电源电压; ICCL ——导通电源电流。
测试电路如图 1.1 所示,给输入端全高平,丈量电源电流值,将计算结果填入表4中。
集电极开路、漏极开路、推挽、上拉电阻、弱上拉、三态门、准双向口集电极开路输出的结构如图1所示,右边的那个三极管集电极什么都不接,所以叫做集电极开路;左边的三极管为反相之用,使输入为“0”时,输出也为“0”。
对于图 1,当左端的输入为“0”时,前面的三极管截止,所以5v电源通过1k电阻加到右边的三极管上,右边的三极管导通;当左端的输入为“1”时,前面的三极管导通,而后面的三极管截止。
我们将图1简化成图2的样子,很明显可以看出,当开关闭合时,输出直接接地,所以输出电平为0。
而当开关断开时,则输出端悬空了,即高阻态。
这时电平状态未知,如果后面一个电阻负载到地,那么输出端的电平就被这个负载拉到低电平了,所以这个电路是不能输出高电平的。
图3中那个1k的电阻即是上拉电阻。
如果开关闭合,则有电流从1k电阻及开关上流过,但由于开关闭和时电阻为0(方便我们的讨论,实际情况中开关电阻不为0,另外对于三极管还存在饱和压降),所以在开关上的电压为0,即输出电平为0。
如果开关断开,则由于开关电阻为无穷大(同上,不考虑实际中的漏电流),所以流过的电流为0,因此在1k 电阻上的压降也为0,所以输出端的电压就是5v了,这样就能输出高电平了。
但是这个输出的内阻是比较大的——即1k,如果接一个电阻为r的负载,通过分压计算,就可以算得最后的输出电压为5*r/(r+1000)伏,所以,如果要达到一定的电压的话,r就不能太小。
如果r 真的太小,而导致输出电压不够的话,那我们只有通过减小那个1k的上拉电阻来增加驱动能力。
但是,上拉电阻又不能取得太小,因为当开关闭合时,将产生电流,由于开关能流过的电流是有限的,因此限制了上拉电阻的取值。
另外还需要考虑到,当输出低电平时,负载可能还会给提供一部分电流从开关流过,因此要综合这些电流考虑来选择合适的上拉电阻。
如果我们将一个读数据用的输入端接在输出端,这样就是一个IO口了,51的IO口就是这样的结构,其中P0口内部不带上拉,而其它三个口带内部上拉。
集电极开路门与三态门输出的应用一.实验内容与目的实验目的:进一步了解逻辑门的结构,熟悉OC 门和三态门的逻辑功能和用途,特别是集电极负载电阻R L 对OC 门的影响。
实验内容:1.用OC门74LS03验证OC门的“线与”功能。
2.测试输出电平的转换得出结论3.验证三态门74LS125的逻辑功能。
当E拔无效为高电平,三态门输出为高阻态时,输出Y对应开关K的状态(接+5V或地)为高电平或低电平;当E 拔有效为低电平时,Y=A。
4.测试上拉电阻的取值范围。
实验仪器:HBE硬件基础电路实验箱,数字万用表元器件:74LS00,74LS03,74LS06,74LS125二.实验过程与数据分析1.用OC门74LS03验证OC门的“线与”功能步骤:了解74LS03的引脚排列图:定位标志下的引脚1,然后逆时针开始引脚2,3…13,14共十四的引脚,其中下行为引脚1到引脚7,上行为引脚8到引脚14,引脚7接地,引脚14接点语言正极,引脚1引脚2为逻辑与非门的输入端,引脚3为其逻辑输出端,依次引脚4,5,6,引脚13,12,11,引脚10,9,8为一个独立的逻辑与非门,其中引脚6,11,8为各自的输出端。
然后按照引脚内部排列的各自功能接线:打开实验箱电源,找到实验箱上已经固定好的74LS03(这里在实验箱的IC15 DIP14),用导线把引脚7 接实验箱的接地插孔,引脚14用导线接实验箱的直流5V电源插孔。
然后在实验箱的十六位逻辑电平输出中选择两位用导线各自连接74LS03的引脚1,引脚2作为与非门的输入端,把74LS03的引脚3输出端用导线连接到十六位逻辑电平显示中的一个插孔中。
然后按下5V直流电源的开关。
开始测试。
实验连接的电路图如下:OC门74LS03的测量结果如下:分析:2.输出电平的转换测试OC门74LS03的输出电压,参考下图,输入A、B接逻辑电平输出信号,输出端Y接直流电压表。
VL接+5V,电阻RL为4.7千欧,观测输出与输入信号的逻辑关系,如果去掉RL,观测输出信号的变化。
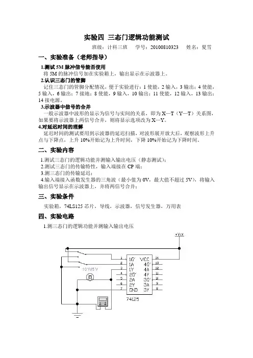
实验四三态门逻辑功能测试班级:计科三班学号:20100810323 姓名:夏雪一、实验准备(老师指导)1.测试5M脉冲信号能否使用将5M的脉冲信号加在实验箱上,输出显示在示波器上。
2.认识三态门的管脚记住三态门的管脚分配情况,便于实验进行:1使能,2输入,3输出;4使能,5输入,6输出;7接地;8使能,9输入,10输出;11使能,12输入,13输出;14接电源。
3.示波器中信号的合并一般示波器中波形的显示为信号与实间的关系,即为X—T(Y—T)关系图,如果要将示波器上两信号合并,则将显示选项改为X—Y。
4.对延迟时间的理解延迟时间的测试要用到示波器的延迟扫描,对波形展开放大后,观察波形上升点与下降点,上升10%开始记为上升时间,下降10%开始记为下降时间。
二、实验内容1.测试三态门的逻辑功能并测输入输出电压(静态测试);2.测试三态门的传输特性,输入端接在CP端;3.测三态门的传输延迟;4.输入端接入函数发生器的三角波(最小值为0V,最大值不超过5V),将输入输出信号显示在示波器上,并将两信号合并;三、实验条件实验箱,74LS125芯片,导线,示波器,信号发生器,万用表四、实验电路1.测三态门的逻辑功能并测输入输出电压2.测三态门的传输特性(输入信号为实验箱内的CP)3.传输延迟4.信号合成CP5MHZ五、实验结果及结论1.三态门的逻辑功能测试使能端1和输入端2接逻辑信号,按下灯亮表示输入信号为高电平1,未按下灯不亮表示输入信号为低电平0,输出3接在发光二级管上,发光为黄色表示输出信号为低电平,为红色表示输出信号为高电平输入的逻辑信号为00,输出信号灯不亮(实验中为发光二极管,显示为黄色),表示输出为低电平,即为0。
输入端2的输入电压为0V,输出3电压为24.6mV。
输入的逻辑信号为01,输出信号灯亮(实验中为发光二极管,显示为红色),表示输出为高电平,即为1。
输入端2的输入电压为4.98V,输出电压3为4.99V。
实验 4 集电极开路门与三态输出门的应用实验目的1. 掌握 TTL 集电极开路(OC门的逻辑功能及应用。
2. 掌握 TTL 三态(3S输出门的逻辑功能及应用。
实验仪器设备与元器件1.硬件基础电路实验箱,双踪示波器,数字万用表。
2.74LS00,74LS03,CC4011,74LS125 各一块。
实验概述1.TTL集电极开路门图1.4-1所示是一个TTL二输入集电极开路与非门的逻辑符号和内部电路。
OC门的使用方法如下:(1 利用OC门“线与”特性完成特定逻辑功能。
图1.4.2所示,输出端实现了线与的逻辑功能:若有一个门的输出为低电平,则F 输出为低,当所有门的输出为高电平,F输出为高,即在输出端实现了线与的逻辑功能。
(2 利用OC门可实现逻辑电平的转换改变上拉电阻R L的电源V L的电压,输出端的逻辑电平会跟V L改变。
不同电平的逻辑电路可以用OC门连接。
(3 OC门用于驱动OC门的输出电流较大,可驱动工作电流较大的电子器件。
图1.4.3所示是用OC门驱动发光二级管的低电平驱动电路。
3. TTL三态门图1.4.4所示为三态门的逻辑符号和内部结构图,控制端为低有效。
实验内容1. OC门的特性及其应用(1 参考图1.4.2,用OC门74LS03验证OC门的“线与”功能。
RL为1kΩ时,写出输出F的表达式,观测输出与输入信号的逻辑关系,将数据填入自制表格中。
(2 参考图1.4.7, 验证OC门74LS03的特性,输入A、B接逻辑电平输出信号,输出端Y接直流电压表。
VL接+5V,电阻RL为4.7k, 观测输出与输入信号的逻辑关系,如果去掉RL, 观测输出信号的变化。
VL改接+15V,检测输出信号的高电平和低电平电压。
(3 参考图1.4-8,用OC门74LS03驱动COMS电路与非门CD4011,VL接+5V,调节电位器R w,观察上拉电阻的取值对输出端Y的电平的影响。
要求输出信号Y的高电平不小于3.5V, 低电平不大于0.3V,实验求出上拉电阻的取值范围。
三态输出门与集电极开路门一、实验目的1.学习中规模集成门电路的使用。
2.掌握三态输出门的逻辑功能。
3.学会三态输出门的应用。
二 实验原理三态门是一种特殊的门电路,它与普通的门电路有所不同,它的输出端除了通常为高、低电平两种状态外,还有第三种输出状态—高阻状态,处于高阻状态时,电路与负载之间相当于开路。
它有一个控制端(禁止端或使能端)。
三态门按逻辑功能及控制方式来分有各种不同类型,本实验所采用的型号是74LS125为三态输出四总线缓冲器。
三态门主要用途之一是分时实现总线传输,即用一个传输通道(总线),以选通方式传送多路信息。
电路中将若干个三态门输出端直接接在一总线上,使用时,要求只有一个传输信息的TS 三态输出门控制端处于使能,而其余各TS 门的控制端均处于禁止态。
因为由理论课学习我们知道TS 门输出端不允许并联使用。
所以显然不能同时有两个或两个以上的TS 门的控制端处于使能。
2. 本实验所用OC 与非门(集电极开路门)型号为74LS03(2输入四与非门)。
OC 与非门的输出管的集电极是悬空的,工作时输出端必须通过一只外接电阻R L 和电源V CC ’相连接,以保证输出电平符合电路要求。
OC 门的应用主要有以下三个方面1、 利用电路的“线与”特性,可方便的完成某些特定的逻辑功能。
如下图13.2(A )所示,将两个OC 与非门输出端直接并联在一起,则它们的输出Y = F A +F B = 21A A ·21B B =2121B B A A即把两个或两个以上OC 与非门“线与”后,可完成“与或非”的逻辑功能。
2、实现多路信息采集,使两路以上的信息共用一个传输通道(总线)。
3、实现逻辑电平的转换,以推动荧光数码管、继电器、MOS 器件等多种数字集成电路。
图13.1 OC 与非门内部逻辑图(A)(B )图13.2OC 门输出并联运用时负载电阻R L 的选择:图13.1(B )中由n 个OC 与非门“线与”驱动有m 个输入端的N 个TTL 与非门,为保证OC 与非门输出电平符合逻辑要求,负载电阻R L 阻值的选择范围为;R L (max ) =IHH H CCmInI V V --'00R L (min ) =ILLML CC I m I V V '--'0式中:I 0H :OC 门输出管截止时(输出高电平)的漏电流(约50uA ) I LM :OC 门输出低电平时允许最大灌入负载电流(约20mA ) I IH :负载门高电平输入电流(<50uA)I IL:负载门低电平输入电流(<1.6m A=V CC’:R L外接电源电压n:OC门个数N:负载门个数m:接入电路的负载门输入端总个数。
实验一 TTL 集成门的测试与使用一、实验目的(1)掌握TTL 与非门、集电极开路门和三态门逻辑功能的测试方法 (2)熟悉TTL 与非门、集电极开路门和三态门主要参数的测试方法 二、实验原理1.TTL 集成与非门实验使用的TTL 与非门74LS020(或T4020、T063等)是双4输入端与非门,即在一块集成块内含有两个互相独立的与非门,每个与非门有4个输入端。
其逻辑表达式为 :Y=ABCD 。
其逻辑符号如图1-1所示。
器件引出端排列图在本章末附录中可查到。
所有TTL 集成电路使用的电源电压均为V CC =+5V 。
TTL 与非门的主要参数:(1)低电平输出电源电流I CCL 和高电平输出电源电流I CCH 。
低电平输出电源电流I CCL 是指:所有输入端悬空、输出端空载时,电源提供器件的电流。
高电平输出电源电流I CCH 则是指:每个门各有一个以上的输入端接地,输出端空载时的电源电流。
通常I CCL >I CCH 。
(2)低电平输入电流I IL 和高电平输入电流I IH低电平输入电流是指:被测输入端的输入电压V IL =0.4V ,其余输入端悬空时,由被测输入端流出的电流值。
高电平输入电流是指:被测输入端接至+5V 电源,其余输入端接地,流入被测输入端的电流值。
(3)电压传输特性电压传输特性是反映输出电压V O 与输人电压V I 之间关系的特性曲线。
从电压传输特性曲线上可以直接读得下述各参数值。
1) 输出高电平电压值V OH是指与非门有—个以上输入端接地时的输出电压值。
当输出接有拉电流负载时。
V OH 值将下降。
其允许的最小输出高电平电压值V OH =2.4V 。
2) 输出低电平电压值V OL是指与非门的所有输入端悬空时的输出电压值。
当输出端接有灌电流负载时,V OL 值将升高。
其允许的最大输出低电平电压值V OL =0.4V 。
3) 最小输入高电平电压值V IH (min )是指当输入电压大于此值时,输出必为低电平。
实验一 TTL集成逻辑门的逻辑功能与参数测试一.实验目的1.掌握TTL集成与非门的逻辑功能和主要参数的测试方法2.掌握TTL器件的使用规则3.进一步熟悉数字电路实验装置的结构,基本功能和使用方法二.实验原理本实验采用四输入双与非门74LS20,即在一块集成块内含有两个互相独立的与非门,每个与非门有四个输入端。
其逻辑框图,符号及引脚排列如图2-1(a)(b)(c)所示。
图2-1 74LS20逻辑框图、逻辑符号及引脚排列1.与非门的逻辑功能与非门的逻辑功能是:当输入段4中有一个或一个以上是低电平时,输入端为高电平;只有当输入端全部为高电平时,输出端才是低电平(即有“0”得“1”,全“1”得“0”。
)其逻辑表达式为Y=2.TTL与非门的主要参数(1)低电平输出电源电流%和高电平输出电源电流·与非门处于不同的工作状态,电源提供的电流是不同的,是指所有输入端悬空,输出端空载是,电源提供器件的电流。
是指输出端空载,每个门各有一个以上的输入端接地,其余输入端悬空,电源提供器件的电流。
通常>,他们的大小标志着器件静态功耗的大小。
器件的最大功耗为=。
手册中提供的电源电流和功耗值是指整个器件总的电源电流和总的功耗。
和测试电路如图2-2(A)(B)所示。
(注意)TTL电路对电源电压要求较严,电源电压只允许在+5V10%的范围工作,超过5.5V将损坏器件;低于4.5器件的逻辑功能将不正常。
图2-2 TTL与非门静态参数测试电路图(2)低电平输入电流和高电平输入电流。
是指被测输入端接地,奇遇输入端闲空,输出端空载时,由被测输入端流出的电流。
在多级门电路中,相当于前级门输出低电平时,后级向前级门灌入的电流,因此它关系到前级门的灌电流负载能力,即直接影响前级门电路带负载的个数,因此希望小一些。
是指被测输入端接高电平,其余输入端接地,输出端空载时,流入被测输入端的电流值。
在多级门电路中,它相当于前级门的拉电流负载能力,希望小些。
实验四TTL 集电极开路门和三态输出门测试一、实验目的1 、掌握 TTL 集电极开路门 (OC 门 ) 的逻辑功能及应用。
2 、了解集电极负载电阻 RL 对集电极开路门的影响。
3 、掌握 TTL 三态输出门 (3S 门 ) 的逻辑功能及冈山。
二、实验原理数字系统中有时需要把两个或两个以上集成逻辑门的输出端直接并接在一起完成一定的逻辑功能。
对于普通的 TTL 电路 , 由于输出级采用了推拉式输出电路 , 无论输出是高电平还是低电平 , 输出阻抗都很低。
因此 , 通常不允许将它们的输出端并接在一起使用 , 而集电极开路门和三态输出门是两种特殊的 TTL 门电路 , 它们允许把输出端直接并按在一起使用 , 也就是说 , 它们都具有 " 线与 " 的功能。
1 、 TTL 集电极开路门 (OC 门 )本实验所用 OC 门型号为 2 输入四与非门 74LS03, 引脚排列见附录。
工作时 , 输出端必须通过一只外接电阻 RL 和电源 Ec 相连接 , 以保证输出电平符合电路要求。
OC 门的应用主要有下述三个方面 :(l) 电路的 " 线与 " 特性方便的完成某些特定的逻辑功能。
图 4 · l 所示 , 将两个 OC 门输出端直接并接在一起 , 则它们的输出F=F A·F B=A1A2·B1B2 =A1A2+B1B2图4-1 0C 与非门 " 线与 " 电路图 4-2 0C 与非门负载电阻 RL 的确定即把两个 ( 或两个以上〉 OC 与非门 " 线与 " 可完成 " 与或非 " 的逻辑功能。
(2) 实现多路信息采集 , 使两路以上的信息共用一个传输通道 ( 总线 ) 。
(3) 实现逻辑电平转换 , 以推动荧光数码管、继电器、 MOS 器件等多种数字集成电路。
OC 门输出并联运用时负载电阻 RL 的选择 :如图43 所示 , 电路由 n 个 OC 与非门 " 线与 " 驱动有 m 个输入端的 N 个 TTL 与1Hl,为保证 OC 门输出电平符合逻辑要求 , 负载屯阻 RI 阻值的选抨范围为:式中 :IOH 一一 -OC 门输出管截止时 ( 输出高电平 VOEf 〉的漏电流〈约为 50uA)ILM 一一一 OC 门输出低电平 VOL 时允许最大灌入负载电流 ( 约为 2OmA)ItH 一一 -负载门高电平输入电流 (<5011A)Itl, 一一负载门低电平输入电流 (<1.6mA)Ec 一 -RL 外接电源电压n 一一 OC 门个数 N 一一负载门个数M 一一接入电路的负载门输入端总个数RL 值须小于 RLmax, 否则 VOEt 将下降 ,RL 值须大于 RLmiI1, 否则 VOL 将上升 , 又RL的大小会影响输出波形的边沿时间 , 在工作速度较高时 ,RL 应尽量选取接近 RIAin 。
实验四 TTL 集电极开路门和三态输出门测试
一、实验目的
1 、掌握 TTL 集电极开路门 (OC 门的逻辑功能及应用。
2 、了解集电极负载电阻 RL 对集电极开路门的影响。
3 、掌握 TTL 三态输出门 (3S 门的逻辑功能及冈山。
二、实验原理
数字系统中有时需要把两个或两个以上集成逻辑门的输出端直接并接在一起完成一定的逻辑功能。
对于普通的 TTL 电路 , 由于输出级采用了推拉式输出电路 , 无论输出是高电平还是低电平 , 输出阻抗都很低。
因此 , 通常不允许将它们的输出端并接在一起使用 , 而集电极开路门和三态输出门是两种特殊的 TTL 门电路 , 它们允许把输出端直接并按在一起使用 , 也就是说 , 它们都具有 " 线与 " 的功能。
1 、 TTL 集电极开路门 (OC 门
本实验所用 OC 门型号为 2 输入四与非门 74LS03, 引脚排列见附录。
工作时 , 输出端必须通过一只外接电阻 RL 和电源 Ec 相连接 , 以保证输出电平符合电路要求。
OC 门的应用主要有下述三个方面 :
(l 电路的 " 线与 " 特性方便的完成某些特定的逻辑功能。
图4 · l 所示 , 将两个 OC 门输出端直接并接在一起 , 则它们的输出
F=FA·FB=A1A2·B1B2 =A1A2+B1B2
图 4-1 0C 与非门 " 线与 " 电路图 4-2 0C 与非门负载电阻 RL 的确定
即把两个 ( 或两个以上〉 OC 与非门 " 线与 " 可完成 " 与或非 " 的逻辑功能。
(2 实现多路信息采集 , 使两路以上的信息共用一个传输通道 ( 总线。
(3 实现逻辑电平转换 , 以推动荧光数码管、继电器、 MOS 器件等多种数字集成电路。
OC 门输出并联运用时负载电阻 RL 的选择 :
如图 43 所示 , 电路由 n 个 OC 与非门 " 线与 " 驱动有 m 个输入端的 N 个 TTL 与 1Hl, 为保证 OC 门输出电平符合逻辑要求 , 负载屯阻 RI 阻值的选抨范围为:
式中 :IOH 一一 -OC 门输出管截止时 ( 输出高电平 VOEf 〉的漏电流〈约为 50uA
ILM 一一一 OC 门输出低电平 VOL 时允许最大灌入负载电流 ( 约为 2OmA
ItH 一一 -负载门高电平输入电流 (<5011A
Itl, 一一负载门低电平输入电流 (<1.6mA
Ec 一 -RL 外接电源电压
n 一一 OC 门个数 N 一一负载门个数
M 一一接入电路的负载门输入端总个数
RL 值须小于 RLmax, 否则 VOEt 将下降 ,RL 值须大于 RLmiI1, 否则 VOL 将上升 , 又 RL
的大小会影响输出波形的边沿时间 , 在工作速度较高时 ,RL 应尽量选取接近 RIAin 。
2 、 TTL 三态输出门 (3S 门
TTL 三态输出门是一种特殊的门电路 , 它与普通的 TTL 门电路结构不同 , 它的输出端除了通常的高电平、低电平两种状态外 ( 这两种状态均为低阻状态〉 , 还有第三种输出状态一一高阻态 , 处于高阻态时 , 电路与负载之间相当于开路。
二态输出门按逻辑功能及控制方式来分有各种不同类型 , 本实验所周二态川的型号是74LSiEJ 二态输山山总线缓冲击 , 图 4-3 是三态输出四总线缓冲器的逻辑符号 , 它有一个控制端( 又称为禁止端或使能端 E ,E=0 为正常工作状态 , 实现 Y=A 的逻辑功能 :E 21 为禁止状态 , 输出 Y 是高阻态。
这种在控制端加低电平电路才能正常工作的方式称低电平使能。
74LSl25 的引脚排列见附录。
图 4-3(a 图 4-3(b
图4-3 三态四总线缓冲器逻辑符号
输入输出
/E A F
0 O
1 1
1 O 高阻
右表为 74LS125 的功能表
三态电路主要用途之一是实现总线传输 , 即用一个传输通道 ( 称总线〉 , 以选通方式传送多路信息。
使用时 , 要求只有需要传输信息的三态控制端处于使能态 (E =0 〉其余各门皆处于禁止状态 (E =1 〉。
由于三态门
输出电路结构与普通 TTL 电路相同 , 显然 , 若同时有两个或两个以上三态门的控制端处于使能态 , 将出现与普通π L 门 " 线与 " 运用时同样的问题 , 因而是绝对不允许的。
三、实验设备与器件
1 、数字逻辑电路实验板。
2 、数字逻辑电路实验板扩展板。
3 、双踪示波器 , 数字万用表。
4 、芯片74LSOO 、74LS03 、74LS04 、74LS10 、74LS125, 电阻 200 欧、 lOK 电位器。
5 、1Hz 的连续脉冲 , 单次脉冲。
四、实验内容及实验步骤
1.TTL 集电极开路与非门 74LS03 负载电阻 RL 的确定。
图 4-4 74LS03 负载电阻的确定
将数字逻辑电路实验板扩展板插在实验板相应位置 , 并固定好 , 找一个 14PIN 的插座插上芯片 74LS03, 并在 14PIN 插座的第 7 脚接上实验板的地 (GND, 第14 脚接上电源(VCC, 逻辑电平接拨位开关。
芯片的管脚分配请参考附录或其它资料。
用两个集电极开路与非门 " 线与 " 使用驱动一个 TTL 非门 , 按图 4-4 连接实验电路。
负载电阻由一个 200Q 电阻和一个 lOK 电位器串接而成 , 取
Ec=5V,Vott=3.5V,VOId =0.3Vo接通电源 , 用逻辑开关改变两个 OC 门的输入状
态 , 先使 OC 门 " 线与 " 输出高电平 , 调节 Rw 至使 Uoff=3.5V, 测得此时的RL 即为 RLmax' 再使电 ; 路输出低电平 VOL=0.3V, 测得此时的 RL 即为 RL Lmin
2. 集电极开路门的应用
用 OC 门实现 FzAB +CD +EF, 实验时输入变量允许用原变量和反变量 , 外接负
载电阻 RL 自取合适的值。
具体的连线方法同实验内容 1 。
3. 三态输出门
(1测试 74LS125 三态输出门的逻辑功能 : 将数字逻辑电路实验板扩展板插在实验板相应位置 , 并固定好 , 找一个 14PIN 的插座插上芯片 74LS125, 并在 14PIN 插座的第 7 脚接上实验板的地 (GND, 第 14 脚接上电源 (VCC 〉 , 三态门输入端接逻辑开关 , 控制端接单次脉冲源 , 输出接发光二极管 ( 逻辑电平显示。
逐个测试集成块中四个门的逻辑功能 , 记入表 4-1 中。
表 4-1 74LS125 三态输出门的逻辑功能
输入输出
E A
O O
1
1 O
1
(2 三态输出门的应用
将四个三态缓冲器按图 4-5 接线 , 输入端按图示加输入信号 , 控制端接逻辑开关 , 输出端接 LED, 先使四个三态门的控制端均为高电平 "1 气即处于禁止状态。
注意 , 应先使工作的三态门转换为禁止状态 , 再让另一个门开始传递数据。
记录实验结果。
图 4-5 用 74LS125 实现总线传输实验电路
图4-6 74LS125 引脚排列图
五、实验预习要求
1. 复习 TTL 集电极开路门和三态门工作原理。
2. 计算实验中各 RL 阻值 , 并从中确定实验所用 RL 值 ( 标称值。
3. 画出用OC 与非门实现实验内容 2 的逻辑图。
六、实验实验报告
1. 画出实验电路图 , 并标明有关外接元件值。
2. 整理分析实验结果 , 总结集电极开路门和三态输出门的优缺点。
3. 思考 : 在使用总线传输时 , 总线上能不能同时接有 OC 门与三态输出门 ? 为什么 ?。