超声检测工艺卡..
- 格式:doc
- 大小:163.50 KB
- 文档页数:12
第十章特种设备超声波检测通用工艺规程和工艺卡检测单位为了正确完成特种设备检测工作,由有关技术负责人根据国家相关法规、安全技术规范、产品标准、无损检测标准、设计文件以及委托单位的检验要求,结合检测机构特点和检测能力编制用于指导检测作业的书面技术文件,该文件即为检测工艺规程。
检测工艺规程分为通用工艺规程和工艺卡。
10.1通用工艺规程通用工艺规程是检测单位根据委托书的要求结合某类被检工件的结构特点及有关法规、标准编制的通用书面文件。
工艺规程内容多为一些原则性的条款,检测对象可以是具体的某一工件,也可以是某类工件。
应由Ⅲ级人员负责编写。
通用工艺规程一般以文字说明为主,应具有一定的覆盖性和通用性。
1.超声波探伤通用工艺规程至少应包括以下内容:(1)规程适应范围:规程所适用的检测对象的类别、类型。
(2)执行的法规、标准:规程引用及须执行的法规标准;(3)对检测人员的要求:资格。
(4)检测设备器材和材料:探伤仪器规格型号名称、主要性能指标;探头类型频率、晶片尺寸K值选择、标准试块及对比试块的型号名称;耦合剂名称等。
(5)被检工件:名称、类别、材质、形状、几何尺寸、焊接方式、坡口类型、热处理状况、表面状况等。
(6)检测表面制备:对被检工件表面的要求及处理方法;(7)检测时机:检测时,检测对象所处工序或阶段(如焊完24小时后等);(8)检测技术:检测方法、探测方向、扫查方式、检测部位、检测范围、抽检率、仪器时基线和灵敏度调整曲面工件定位修正等。
(9)检测结果的评定和质量等级:缺陷的检测、评定、记录。
合格级别,返修要求。
(10)检测记录、报告和资料存档;(11)编制、审核和批准人、日期。
10.2工艺卡工艺卡是指导操作人员对具体工件进行检测的指导性文件,一般用表卡形式。
工艺卡应由Ⅱ级人员根据通用工艺规程或在Ⅲ级人员指导下编写。
不同的工件有不同的工艺卡,要求做到一物一卡,对号入座,探伤人员根据探伤工艺卡所规定的内容实施探伤。
超声检测工艺卡一台现场组焊反应器,材质为16MnR,壁厚42mm。
现要求对其主体对接环焊缝进行100%超声波检测(检测技术等级为C级),请按JB/T4730—2005填写下表检测工艺超声波探伤工艺卡超声波探伤工艺卡1、表1为某高压气体贮罐超声波检测工艺卡,请将工艺卡中得空白项填写完毕。
(15分,每空1分)与探头系统进行重新核查?(5分)答:(1)校准后得探头、耦合剂与仪器调节旋钮发生改变时;(2)检测人员怀疑扫描量程或扫查灵敏度有变化时;(3)连续工作4h以上时;(4)工作结束时。
3.根据JB/T4730—2005标准规定,该工件得纵、环焊缝就是否需要作横向检测,如何进行横向检测?(5分)答:应进行斜平行扫查,并把各线得灵敏度均调高6dB.4、如果在该容器超声波检测中发现有裂纹存在,应如何处理?(5分)答:(1)首先应将裂纹打磨至肉眼不可见,必要时可进行表面检测,以确认裂纹消除干净;(2)返修后应采用同样得工艺进行超声检测,以确认就是否产生新得超标缺陷;(3)根据相关规程(《容规》、《检规》)应确定就是否需要进行扩探、注:编制等栏填写资格证书级别或职务,不要写名字。
3.2.2、1探伤仪采用A型脉冲反射式超声波探伤仪,其工作频率范围为0.5MHz~10MHz,仪器至少在荧光屏满刻度得80%范围内呈线性显示。
探伤仪应具有80dB以上得连续可调衰减器,步进级每档不大于2dB,其精度为任意相邻12dB误差在±1dB以内,最大累计误差不超过1dB、水平线性误差不大于1%,垂直线性误差不大于5%。
其余指标应符合JB/T10061得规定。
3、2、2。
2 探头3、2、2、2、1晶片面积一般不应大于500mm2,且任一边长原则上不大于25mm。
3。
2。
2。
2、2单斜探头声束轴线水平偏离角不应大于2°,主声束垂直方向不应有明显得双峰。
3。
2.2、3 超声探伤仪与探头得系统性能3、2。
2、3.1 在达到所探工件得最大检测声程时,其有效灵敏度余量应不小于10dB。
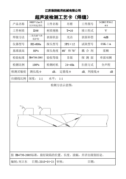
江苏淮阴船用机械有限公司
超声波检测工艺卡(焊缝)
产品名称50KN*12m液
压回转起重机
工件名称吊臂工件图号242HCJ-P5012
-6-0
工件材质D36 材质规格T=10 坡口形式V
焊接方法二氧化碳气体
保护焊
表面状态光洁表面补偿4dB
仪器型号HS-600e 探头型号5P8×12试块型号CSK-ⅠA 基准波高80% 探头角度60°和70°耦合剂浆糊
检验标准JB4730-2005 验收等级Ⅱ级探测面单面双侧检测比例100% 检测时机24~48h 扫查方式全声程检测灵敏度测长线φ dB,定量线φ dB, 判废线φ dB 扫描线比例深度:1:1 水平:1:1
检测方法示意图:
按JB4730-2005标准,做好缺陷的位置、长度、波幅,并评出级别结论。
编制:刘立东日期:2010-04-24 审核:日期:。
φ42×4小径管对接焊缝超声检测工艺卡
工艺参数
工件名称φ42×4小径管工艺编号UT-11-0131 工件编号13 编制日期2011-9-15 材质牌号20# 工件尺寸Ф42×4
热处理状态焊后毛面检验工序周面轴向检测波型横波探头型号5P 8×12 K2.5 耦合剂30#机油验收标准JB4730-2005 工作频率5MHZ 检测方式周面轴向检测扫查方式周面轴向锯齿形扫查表面补偿+4dB
试块CS—3 仪器
CTS—22型或CTS—23型或PXUT-27
检测标准JB4730-2005
工件草图
检测面对接焊缝接头两侧检测范围大于距焊缝边缘20mm处检测灵敏度不低于最大声程处的评定线灵敏度
编制校对审核批准
参数选择说明
焊缝超声检测报告
编号:UT—11—0131 报告日期:2011-9-26委托单位××检验日期2011-9-24 检验单位××报告日期2011-9-26 工件编号13 数量 1 规格Ф42×4
工件名称φ42×4小径管材料牌号20#
坡口形式V型扫查范围25mm
焊缝类别对接焊缝材料状态焊后毛面
检验标准JB4730-2005 验收标准JB4730-2005
检测条件仪器型号PXUT—27型探头类型
5P8×12K2.5直
探头
耦合剂30#机油表面补偿+4dB
试块型号。
2020年超声检测工艺卡精品版超声检测工艺卡工艺卡编号:一台现场组焊反应器,材质为16MnR,壁厚42mm。
现要求对其主体对接环焊缝进行100%超声波检测(检测技术等级为C级),请按JB/T4730-2005填写下表检测工艺超声波探伤工艺卡注:编制等栏填写资格证书级别或职务,不要写名字。
超声波探伤工艺卡四.工艺题(填写工艺卡并回答问题,共30分)1、表1为某高压气体贮罐超声波检测工艺卡,请将工艺卡中的空白项填写完毕。
(15分,每空1分)表1 超声波检测工艺卡2、根据JB/T4730-2005标准规定,超声波检测时,在哪些情况下需要对仪器和探头系统进行重新核查?(5分)答:(1)校准后的探头、耦合剂和仪器调节旋钮发生改变时;(2)检测人员怀疑扫描量程或扫查灵敏度有变化时;(3)连续工作4h以上时;(4)工作结束时。
3.根据JB/T4730-2005标准规定,该工件的纵、环焊缝是否需要作横向检测,如何进行横向检测?(5分)答:应进行斜平行扫查,并把各线的灵敏度均调高6dB.4、如果在该容器超声波检测中发现有裂纹存在,应如何处理?(5分)答:(1)首先应将裂纹打磨至肉眼不可见,必要时可进行表面检测,以确认裂纹消除干净;(2)返修后应采用同样的工艺进行超声检测,以确认是否产生新的超标缺陷;(3)根据相关规程(《容规》、《检规》)应确定是否需要进行扩探。
注:编制等栏填写资格证书级别或职务,不要写名字。
3.2.2.1 探伤仪采用A型脉冲反射式超声波探伤仪,其工作频率范围为0.5MHz~10MHz,仪器至少在荧光屏满刻度的80%范围内呈线性显示。
探伤仪应具有80dB以上的连续可调衰减器,步进级每档不大于2dB,其精度为任意相邻12dB误差在±1dB以内,最大累计误差不超过1dB。
水平线性误差不大于1%,垂直线性误差不大于5%。
其余指标应符合JB/T10061的规定。
3.2.2.2 探头3.2.2.2.1 晶片面积一般不应大于500mm2,且任一边长原则上不大于25mm。
超声波检测工艺规程及检测工艺卡1.1人员资格1.1.1检测人员都必须经过技术培训,并按照原劳动部文件“锅炉压力容器无损检测人员资格考核规则”进行考核鉴定,还应持有经业主认定的专业培训合格的岗位证。
1.1.2检测人员较正视力不得低于1.0。
1.2仪器、探头、试块和耦合剂1.2.1超声波探伤仪a 使用PXUT-350A型脉冲反射式数字超声波探伤仪,其工作频率为4-5MHZ,仪器荧光屏满刻度的80%范围内呈线性显示。
探伤仪有80dB以上的连续可调衰减器,步进级每档不大于2dB。
水平线性误差不大于1%,垂直线性不大于5%,其余指标符合ZBY230《A型脉冲反射式超声波探伤仪通用技术条件》规定。
b超声波探伤仪能储存100幅以上图形,且能清晰打印出探伤发现的缺陷波形图。
1.2.2探头选用频率为2.5MHz和5MHz两种单斜探头,晶片有效面积不大于500mm2,且任意一边长不大于25mm,单斜探头声束轴线水平偏离角不应大于2°,前沿距离不应大于10 mm,且探头的接触面应与管壁对中,吻合良好,主声束垂直方向不应有明显双峰。
按照管道实际壁厚选择探头K值。
1.2.3试块选用SGB-5、6标准试块和SRB未焊透对比试块。
1.2.4耦合剂使用化学浆糊耦合剂,均匀涂布在焊缝两侧探头移动区,保证良好的透声性能。
1.3检测方法1.3.1距离-波幅曲线:用SGB—5试块测绘距离—波幅曲线,评定线,定量线和判废线满足下表:1.3.2检测灵敏度:不低于评定线灵敏度,扫查灵敏度在基准灵敏度的基础上提高4dB。
1.3.3探伤表面探头移动区应平滑,无飞溅、锈蚀、油垢及其它污物,以保证良好的声学接触。
如需检验横向缺陷,应将焊缝磨平。
探头移动区:T=5~30时,P≥nKT+50P--探头移动区mm;T—单壁厚度mm;K为探头K值; n--反射次数1.3.4探测方式和扫查方式a探测方式以一种K值探头用一、二次波在焊缝单面双侧进行探测。
本文部分内容来自网络整理,本司不为其真实性负责,如有异议或侵权请及时联系,本司将立即删除!== 本文为word格式,下载后可方便编辑和修改! ==超声检测作业指导书篇一:超声波检测作业指导书超声波检测作业指导书目录1 目的2 适用范围3 引用标准4 检测准备4.1 工艺准备4.2 检测作业人员4.3 检测设备与器材4.4 作业条件5检测实施5.1 检测控制流程图5.2 钢板超声波检测5.3 锻件超声波检测5.4 无缝钢管超声波检测5.5 焊接接头超声波探伤5.6 平板对接焊接接头的超声检测5.7 管座角焊缝的检测5.8 T型焊接接头的超声检测5.9 钢制管道对接焊缝超声波探伤5.10 中厚壁管对接焊缝的超声波探伤5.11 中小径薄壁管对接焊缝的超声波探伤5.12 高压螺栓件的超声检测5.13 例外情况的处理方法6 质量检查6.1 质量检查要求和方法6.2 质量检验标准6.3 质量控制点6.4 质量记录6.5 应注意的质量问题7 职业健康安全和环境管理8 超声检测工作程序流程见图9 超声检测工艺卡(样表)超声波检测作业指导书1 目的为了规范超声波检测工作,保证超声波检测的工作质量,特制定本作业指导书。
2 适用范围2.1 适用于4—300mm板厚的压力容器和锅炉的对接焊缝超声波探伤。
包括了用A型探伤仪按照脉冲回波技术手工检测全焊透焊缝、钢结构、其他设备及其原材料、零部件的超声波检测和材料的实施2.2 不适用于铸钢以及奥氏体不锈钢焊缝的超声波探伤,不适用于外径∠250mm 或内外径之比∠80%的纵向焊缝探伤。
2.3 本作业指导书与有关标准、规范、施工技术文件有抵触时,应以有关标准、规范、施工技术文件为准。
3 引用标准3.1 GB50273 工业锅炉安装工程施工及验收规范3.2 GB150 钢制压力容器3.3 GB50235 工业金属管道工程施工及验收规范3.4 GB50236 现场设备、工业管道焊接工程施工及验收规范3.5 GB/T15830钢制管道对接环焊缝超声波探伤方法和检验结果的分析3.6 GB/T 11345-1989《钢焊缝手工超声波探伤方法和探伤结果分级》3.7 DL/T821-201X《电力建设施工及验收技术规范管道焊接接头超声波检验检验技术规程》3.8 DL/T439-201X《火力发电厂高温紧固件技术导则》3.9 GB/T5777 无缝钢管超声波探伤检验3.10 SY/T4109 石油天然气钢质管道无损检测3.11 工业锅炉T型接头对接焊缝超声波探伤规定3.12 压力容器安全技术监察规程3.13 蒸汽锅炉安全技术监察规程3.14 压力管道安全管理与监察规定3.15 特种设备无损检测人员考核与监督管理规则4 检测准备4.1 工艺准备4.1.1 检测方案大型检测项目或客户有特殊要求的检测项目以及本工艺规程未包括的超声波检测项目应单独编制超声检测方案(或包含在无损检测方案中)。
超声检测通用工艺规程3.1 适用范围本规程适用于采用A型脉冲反射式超声波探伤仪,对金属原材料、零部件和焊接接头进行超声波检测。
3.2 检测时机3.2.1有延迟裂纹倾向的材料其焊接接头应在焊接完成24小时后才能进行检测。
3.2.2 锻件检测原则上应在热处理后,槽孔、台阶加工前进行。
表面粗糙度Ra≤6.3μm。
3.3 工件要求3.3.1 焊接接头探头移动区应由送检单位清除焊接飞溅、铁屑、油垢及其它杂质,对咬边、较大的隆起和凹陷等应作适当的修磨至圆滑过渡。
3.3.2 原材料及零件部、锻件应由送检单位打磨清除铁屑、锈蚀、油垢等其它杂质。
检测表面应平整光滑、便于探头自由扫查,表面粗糙度Ra应为6.3μm。
3.4探伤仪、探头和系统性能3.4.1 探伤仪采用A型脉冲反射式超声波探伤仪,其工作频率范围为1~5MHz,仪器至少在荧光屏满刻度的80%范围内呈线性显示。
探伤仪具有80dB以上的连续可调的衰减器,步进级每档不大于2dB,其精度为任意相邻12dB误差在±1dB以内,最大累计误差不超过1dB。
水平线性误差不大于1%,垂直线性误差不大于5%。
3.4.2 探头a. 超声检测常用单直探头、单斜探头、双晶探头和聚焦探头等。
b. 晶片有效面积一般不应大于500mm2,且任一边长不应大于25mm。
c. 单斜探头声束轴线水平偏离角不应大于2°,主声束垂直方向不应有明显的双峰。
d. 双晶直探头性能应符合JB/T4730.3-2005附录A的要求。
3.4.3 超声探伤仪和探头的系统性能。
a. 在达到所探工件的最大检测声程时,其有效灵敏度余量应不小于10dB。
b. 仪器和直探头组合的始脉冲宽度:对于频率为5MHz的探头,宽度不大于10mm;对于频率为2.5MHz的探头,宽度不大于15mm。
c. 直探头的远场分辨力应不小于30dB,斜探头的远场分辨力应不小于6dB。
d. 仪器和探头的系统性能应按JB/T9214和JB/T10062的规定进行测试。
无损检测相关表格编号命名规则1. 一级编码:无损检测表格编号开头为:JNGB2100-2. 二级编码:检测类别以相应检测方法英文大写开头字母:超声检测:JNGB2100-UT-射线检测:JNGB2100-RT-渗透检测:JNGB2100-PT-目视检测:JNGB2100-VT-3. 三级编码:以相应表格内容的中文开头字母为三级编码,如:工艺卡——G,报告——B,记录——J,同类型的在其后加上流水号,编写如下:超声检测工艺卡:JNGB2100-UT-G-超声检测报告:JNGB2100-UT-B-焊缝射线检测工艺卡:JNGB2100-RT-G-焊缝射线检测报告:JNGB2100-RT-B-焊缝射线检测底片评定报告:JNGB2100-RT-P-焊缝返修通知单:JNGB2100-RT-FX-渗透检测工艺卡:JNGB2100-PT-G-渗透检测报告:JNGB2100-PT-B-目视检测记录表:JNGB2100-VT-J-目视检测报告:JNGB2100-VT-B-仪器水平线性记录表:JNGB2100-SP-J-仪器垂直线性记录表:JNGB2100-CZ-J-水浸超声检测报告:JNGB2100-SJ-B-水浸超声检测记录表:JNGB2100-SJ-J-4. 四级编码:FEEDER项目中被检工件的工艺卡、报告、记录表以其对应的图号的最后4作为四级编码。
如:超声检测工艺卡:JNGB2100-UT-G-TF_1_4_006M其他非产品的检测记录表的四级编码编写规则如下:XX(年份)-XX(月份)-流水号其他项目的四级编码以其图纸号能辨别的唯一代号另行编制。
超声检测工艺卡工艺卡编号:产品名称产品编号规格材质检测部位□焊缝□板材□锻件□管件□焊接方法坡口型式工件厚度mm受检产品状态□制造□安装□返修□在用□检测面要求检测方法标准质量验收标准合格级别检测比例%工艺规程编号检测方法横波:□直射波□反射波/ 纵波:□单直纵波□双斜(小角度)纵波耦合方式耦合剂种类扫查方式扫查速度mm/s 扫查覆盖率>晶片直经15%仪器型号标准试块参考反射体φ探头种类晶片尺寸mm 晶片有效面积mm2探头K值探头前沿mm 探头频率MH z 扫描线调节Y :/X :/S :DAC曲线绘制□坐标曲线□面板曲线表面/曲面补偿dB 扫查灵敏度Ф基准波高%评定灵敏度Ф检测区域要求检测区域:焊缝宽度+两侧热影响区。
探头移动范围应≥1.25P(P=2TK)检测部位示意图及标识规定:编制人:审核人:资格:年月日资格:年月日一台现场组焊反应器,材质为16MnR,壁厚42mm。
现要求对其主体对接环焊缝进行100%超声波检测(检测技术等级为C级),请按JB/T4730-2005填写下表检测工艺超声波探伤工艺卡工件名称反应器对接环焊缝规格表面准备检测比例仪器型号耦合剂纵波检测试块检测灵敏度探头频率晶片直径表面补偿扫描调节扫查速度缺陷记录及备注:横波检测探头K值试块扫描调节表面补偿扫查灵敏度扫查覆盖率扫查方式检测区宽度探头移动区缺陷指示长度测定方法:编制审核批准注:编制等栏填写资格证书级别或职务,不要写名字。
超声波探伤工艺卡工件名称反应器对接环焊缝规格42mm材质16MnR 检测时机焊后24小时表面准备焊缝磨平并露出金属光泽检测比例100%仪器型号CTS-22A等耦合剂机油或化学浆糊纵波检测试块母材大平底检测灵敏度无缺陷处第二次底波调节为荧光屏满刻度的50%探头频率2-5MHz 晶片直径10-25mm表面补偿0dB 扫描调节深度1:1扫查速度150mm/S缺陷记录及备注:1.凡缺陷信号超过荧光屏满刻度的20%的部位,应在工件表面作出标记,并予以记录。
横波检测探头K值K1、K2 试块CSK-ⅠA、ⅢA扫描调节深度1:1 表面补偿实测扫查灵敏度84mm处φ1×6-9-补偿dB 扫查覆盖率15%以上扫查方式纵向缺陷检测:锯齿,前后、左右、转角、环绕。
横向缺陷检测:在焊缝及两侧热影响区作两个方向的平行扫查。
扫查灵敏度应比纵向检测灵敏度再提高6dB。
检测区宽度焊缝本身加两恻各10mm 探头移动区大于等于210mm缺陷指示长度测定方法:1)当缺陷反射波位于Ⅱ区时,用最大波高6dB法或端点6dB法测其指示长度;(2)当缺陷反射波峰位于Ⅰ区,如认为有必要记录时,将探头移动,使波幅降到评定线,测其指示长度编制II级审核III级批准技术负责人四.工艺题(填写工艺卡并回答问题,共30分)1、表1为某高压气体贮罐超声波检测工艺卡,请将工艺卡中的空白项填写完毕。
(15分,每空1分)表1 超声波检测工艺卡工件号20020425 工件名称高压气体贮罐规格Φ2800×1600×40mm材质18MnMoNbR 焊接方法埋弧自动焊容器类别Ⅲ焊缝编号H—1-9;B—1-8 焊缝类别纵、环对接焊缝执行标准JB/T4730-2005 验收规范《容规,GB150-98 合格级别Ⅰ检测比例100%表面状态打磨至金属光泽仪器型号CTS-22水平线性误差≤1% 垂直线性误差≤5% 探头参数 2.5P10×16K2 试块型号CSK-ⅠA;CSK-ⅢA 扫描线调节深度1:1 扫查灵敏度Φ1×6-9检测时机焊后24h后及热处理后距离波幅曲线/表面损失补偿4dB 耦合剂化学浆糊探伤面外壁焊缝两侧探头移动宽度 2.5KT/200示意图编制×××UT--Ⅱ审核×××UT--Ⅲ×年×月×日2、根据JB/T4730-2005标准规定,超声波检测时,在哪些情况下需要对仪器和探头系统进行重新核查?(5分)答:(1)校准后的探头、耦合剂和仪器调节旋钮发生改变时;(2)检测人员怀疑扫描量程或扫查灵敏度有变化时;(3)连续工作4h以上时;(4)工作结束时。
3.根据JB/T4730-2005标准规定,该工件的纵、环焊缝是否需要作横向检测,如何进行横向检测?(5分)答:应进行斜平行扫查,并把各线的灵敏度均调高6dB.4、如果在该容器超声波检测中发现有裂纹存在,应如何处理?(5分)答:(1)首先应将裂纹打磨至肉眼不可见,必要时可进行表面检测,以确认裂纹消除干净;(2)返修后应采用同样的工艺进行超声检测,以确认是否产生新的超标缺陷;(3)根据相关规程(《容规》、《检规》)应确定是否需要进行扩探。
注:编制等栏填写资格证书级别或职务,不要写名字。
3.2.2.1 探伤仪采用A型脉冲反射式超声波探伤仪,其工作频率范围为0.5MHz~10MHz,仪器至少在荧光屏满刻度的80%范围内呈线性显示。
探伤仪应具有80dB以上的连续可调衰减器,步进级每档不大于2dB,其精度为任意相邻12dB误差在±1dB以内,最大累计误差不超过1dB。
水平线性误差不大于1%,垂直线性误差不大于5%。
其余指标应符合JB/T10061的规定。
3.2.2.2 探头3.2.2.2.1 晶片面积一般不应大于500mm2,且任一边长原则上不大于25mm。
3.2.2.2.2 单斜探头声束轴线水平偏离角不应大于2°,主声束垂直方向不应有明显的双峰。
3.2.2.3 超声探伤仪和探头的系统性能3.2.2.3.1 在达到所探工件的最大检测声程时,其有效灵敏度余量应不小于10dB。
3.2.2.3.2 仪器和探头的组合频率与公称频率误差不得大于±10%。
3.2.2.3.3 仪器和直探头组合的始脉冲宽度(在基准灵敏度下):对于频率为5MHz的探头,宽度不大于10mm;对于频率为2.5MHz的探头,宽度不大于15mm。
3.2.2.3.4 直探头的远场分辨力应不小于30dB,斜探头的远场分辨力应不小于6dB。
3.2.2.3.5 仪器和探头的系统性能应按JB/T 9214和JB/T 10062的规定进行测试。
检测面的确定,应保证工件被检部分均能得到充分检查。
3.3.1.3 焊缝的表面质量应经外观检测合格。
所有影响超声检测的锈蚀、飞溅和污物等都应予以清除,其表面粗糙度应符合检测要求。
表面的不规则状态不得影响检测结果的正确性和完整性,否则应做适当的处理。
3.3.2 扫查覆盖率为确保检测时超声声束能扫查到工件的整个被检区域,探头的每次扫查覆盖率应大于探头直径的15%。
探头的移动速度探头的扫查速度不应超过150mm/s。
当采用自动报警装置扫查时,不受此限。
3.3.4 扫查灵敏度扫查灵敏度通常不得低于基准灵敏度。
3.3.5 耦合剂应采用透声性好,且不损伤检测表面的耦合剂,如机油、浆糊、甘油和水等。
3.3.6 灵敏度补偿a) 耦合补偿。
在检测和缺陷定量时,应对由表面粗糙度引起的耦合损失进行补偿。
b) 衰减补偿。
在检测和缺陷定量时,应对材质衰减引起的检测灵敏度下降和缺陷定量误差进行补偿。
c) 曲面补偿。
对探测面是曲面的工件,应采用曲率半径与工件相同或相近的试块,通过对比试验进行曲率补偿。
3.4 系统校准和复核3.4.1 一般要求校准应在标准试块上进行,校准中应使探头主声束垂直对准反射体的反射面,以获得稳定的和最大的反射信号。
3.4.2 仪器校准每隔三个月至少对仪器的水平线性和垂直线性进行一次测定,测定方法按JB/T 10061的规定进行。
3.4.3 新购探头测定新购探头应有探头性能参数说明书,新探头使用前应进行前沿距离、K值、主声束偏离、灵敏度余量和分辨力等主要参数的测定。
测定应按JB/T 10062的有关规定进行,并满足其要求。
3.4.4 检测前仪器和探头系统测定3.4.4.1 使用仪器-斜探头系统,检测前应测定前沿距离、K值和主声束偏离,调节或复核扫描量程和扫查灵敏度。
3.4.4.2 使用仪器-直探头系统,检测前应测定始脉冲宽度、灵敏度余量和分辨力,调节或复核扫描量程和扫查灵敏度。
3.4.5 检测过程中仪器和探头系统的复核遇有下述情况应对系统进行复核:a) 校准后的探头、耦合剂和仪器调节旋钮发生改变时;b) 检测人员怀疑扫描量程或扫查灵敏度有变化时;c)连续工作4h以上时;d) 工作结束时。
3.4.6 检测结束前仪器和探头系统的复核a) 每次检测结束前,应对扫描量程进行复核。
如果任意一点在扫描线上的偏移超过扫描线读数的10%,则扫描量程应重新调整,并对上一次复核以来所有的检测部位进行复检。
b) 每次检测结束前,应对扫查灵敏度进行复核。
一般对距离-波幅曲线的校核不应少于3点。
如曲线上任何一点幅度下降2dB,则应对上一次复核以来所有的检测部位进行复检;如幅度上升2dB,则应对所有的记录信号进行重新评定。
3.4.7 校准、复核的有关注意事项校准、复核和对仪器进行线性检测时,任何影响仪器线性的控制器(如抑制或滤波开关等)都应放在“关”的位置或处于最低水平上。
a) 钢板用标准试块:CBⅠ、CBⅡ;b) 锻件用标准试块:CSⅠ、CSⅡ、CSⅢ;c) 焊接接头用标准试块:CSK-ⅠA 、CSK-ⅡA、CSK-ⅢA、CSK-ⅣA。
a) 钢板用标准试块:CBⅠ、CBⅡ;b) 锻件用标准试块:CSⅠ、CSⅡ、CSⅢ;承压设备对接焊接接头超声检测和质量分级焊接接头用标准试块:CSK-ⅠA 、CSK-ⅡA、CSK-ⅢA、CSK-ⅣA。
5.1.2 超声检测技术等级5.1.2.1 超声检测技术等级选择超声检测技术等级分为A、B、C三个检测级别。
超声检测技术等级选择应符合制造、安装、在用等有关规范、标准及设计图样规定。
5.1.2.2 不同检测技术等级的要求5.1.2.2.1 A级仅适用于母材厚度≥8mm~46mm的对接焊接接头。
可用一种K 值探头采用直射波法和一次反射波法在对接焊接接头的单面单侧进行检测。
一般不要求进行横向缺陷的检测。
5.1.2.2.2 B级检测:a) 母材厚度≥8mm~46mm时,一般用一种K值探头采用直射波法和一次反射波法在对接焊接接头的单面双侧进行检测。
b) 母材厚度大于46mm~120mm时,一般用一种K值探头采用直射波法在焊接接头的双面双侧进行检测,如受几何条件限制,也可在焊接接头的双面单侧或单面双侧采用两种K值探头进行检测。
c) 母材厚度大于120mm~400mm时,一般用两种K值探头采用直射波法在焊接接头的双面双侧进行检测。
两种探头的折射角相差应不小于10°。
d) 应进行横向缺陷的检测。
检测时,可在焊接接头两侧边缘使探头与焊接接头中心线成10°~20°作两个方向的斜平行扫查,见图12。