plc控制数码管显示
- 格式:doc
- 大小:40.00 KB
- 文档页数:5
任务十一数码显示一、教学目标1、学会七段数码管的工作原理。
2、学会段码指令的使用及编程方法。
3、能够根据要求,设计程序,下载至PLC。
4、能够结合程序进行控制系统的安装、监控调试,交付验收工作。
二、课时分配本任务安排6课时。
三、教学重点通过本任务的学习,让同学们学会七段数码管的工作原理以及断码指令的使用和编程方法。
根据要求设计程序,结合程序进行控制系统的安装、监控调试,交付验收。
四、教学难点1、学会七段数码管的工作原理。
2、学会段码指令的使用及编程方法。
3、了解各种类别的计数器,熟悉掌握它们的用途并学会使用。
五、教学内容(一)数码管数码管由多个发光二极管封装在一起组成“8”字型的器件,引线已在内部连接完成,只需引出它们的各个笔画,公共电极。
数码管实际上是由七个发光管组成“8”字形构成的,加上小数点就是8个。
这些段分别由字母a,b,c,d,e,f,g,h来表示。
例如:需要数码管显示数字4,则控制数码管中b、c、f、g通电发光即可。
需要数码管显示数字7,则控制数码管中a、b、c发光即可。
(二)、七段数字显示译码指令七段数字显示译码指令格式如下图所示。
段码指令将IN中指定的字符(字节)转换生成一个点阵并存入OUT指定的变量中,如下图所示。
当在IN处写入2,则输出端OUT指定的变量QB0中的值为0101 1011;当在IN处写入5,则输出端OUT指定的变量QB0中的值为0110 1101。
(三)、计数器S7-200PLC共提供了256个计数器,分别有CTU增计数器,CTD减计数器,CTUD增/减计数器。
1、CTU增计数器CTU增计数器如图11-5所示。
每次向上计数输入CU从关闭向打开转换时,向上计数指令从当前值向上计数。
当前值C×××大于或等于预设值PV时,计数器位C×××打开。
复原(R)输入打开或执行复原指令时,计数器被复原。
达到最大值32767时,计数器停止计数。
设计任务及指标:用LED数码管间隔显示数字,按下S0依次间隔2s循环显示0~9十个数字,按S1依次间隔2s显示0~9中奇数,5秒后,依次间隔2s显示0~9中偶数,并且实现奇偶的循环。
在显示的过程中,只要有一键按下,就立即实现该键的功能,且计数初值为相应循环的初值。
设计思路:设计可以分为循环模式切换的控制部分、间隔2s的循环控制部分、编码部分和输出部分四大模块。
1.循环模式切换的控制部分:定义:X000:0~9循环X001:奇偶循环M200:用来切换显示模式的中间继电器M203:用来恢复初值的中间继电器工作过程:按下X000时,M200不得电,M200的触点不工作,实现0~9循环的所有中间继电器接通,并且在X000的启动下,其中的显示0的中间继电器M0开始工作;当按下X001时,M200得电,M200的触点工作,使奇偶循环的所有中间继电器接通,实现切换。
同时,当X000与X001中只要任意一个按下时,M203得电,M203的常闭触点断开,使第2~10组控制显示的中间继电器与时间继电器失电,从而保证只有第一组能工作,防止在切换过程中出现两组同时工作导致乱码。
梯形图如下:2.间隔2s的循环控制部分:定义:控制显示的部分M0显示0、M1显示1、M2显示2、M3显示3、M4显示4、M5显示5、M6显示6、M7显示7、M8显示8、M9显示9;M10显示1、M11显示3、M12显示5、M13显示7、M14显示9、M15显示0、M16显示2、M17显示4、M18显示6、M19显示8;间隔2s的循环部分:T0~T9的延迟时间为2s,T10的延迟时间为5s ;工作过程:起动时按下X000,M0开始工作,显示0,T0也开始工作;2s后T0的常开触点闭合,M1开始工作,显示1,同时M1的常闭触点断开,使得M0失电。
重复上述过程,即可实现0~9的循环显示;此时按下X001,M200、M203工作,M203的常闭触点断开使M1~M9、M11~M19、T1~T9失电,M200的常开触点闭合,常闭触点断开,使得M0~M9一直处于断开,M10~M19接通;与此同时,X001按下使得M10上电显示1,其工作过程与0~9循环时一样,区别在于此时T4处于断开T10接通代替T4工作,以此来实现奇偶变换时5s 的延时。
摘要数码管显示是一个典型的PIE教学项目。
在交通灯、电梯、抢答器等系统的控制中都融入了数码管显示。
本设计就是利用PLC作为核心部件用对数码管显示进行设计,让学生在学习过程中更熟练地掌握PIE的编程技巧,提高编程能力。
利用PLC控制数码管的显示过程,并且给出了接线图、梯形图。
关键词:PLC;编程设计;接线图:梯形图目录前言 (5)一、系统组成 (6)1.设计要求 (6)2.系统组成及工作原理 (6)3.硬件原理图 (7)4.程序流程图 (7)二.系统设计 (8)1.输出部分 (8)2.模式切换控制部分 (11)3.循环控制与置数控制部分 (12)4.调试过程问题分析 (17)三、结论 (18)四.参考文献 (19)五.附录 (19)前言随着科学技术的飞速发展,在现代生活中,PLC在交通灯、电梯、抢答器等系统日益得到广泛应用的现状,文章介绍了PLC在数码管显示控制中的应用,并给出其PLC控制系统的接线图和梯形图程序设计.该设计具有可编程性、线路简单、可靠性高等特点,提高了系统的灵活性及可扩展性,实验结果验证了该设计的实用性.设计思路:设计可以分为循环模式与置数模式的切换控制部分、循环与置数控制部分和输出部分三大模块。
一、系统组成1.设计要求:先按下“开”按钮,再按“循环显示”按钮,数码管就会从0~9循环显示。
按下“置数”按钮,数码管实时显示8、4、2、1编码开关所置数值。
用“循环显示”和“置数”按钮来切换数码管的循环显示和置数状态。
2.系统组成及工作原理:系统由plc硬件系统和梯形图程序组成。
PLC的控制方式是由继电器控制方式演化而来,由PLC内部的微电子电路构成的软元件线圈和触点取代了硬件继电器的线圈和触点,用PLC的程序指令取代继电器控制的连接导线,将各个元件按照一定的逻辑关系连接起来,PLC内部的中央控制器(CPU)根据输入条件和预定的程序,控制各个软元件的状态,并输出到外部执行部件,控制设备运行。
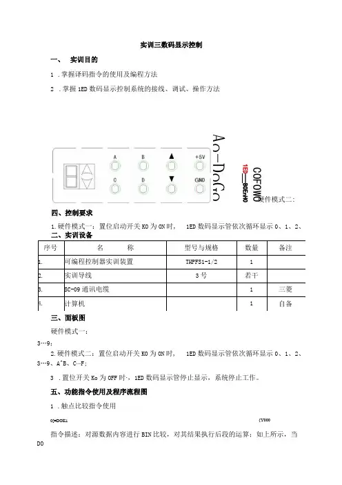
实训三数码显示控制一、 实训目的1 .掌握译码指令的使用及编程方法2 .掌握1ED 数码显示控制系统的接线、调试、操作方法3…9;3…9、A^B 、C ∙∙∙F;3 .置位开关Ko 为OFF 时∙,1ED 数码显示管停止显示,系统停止工作。
五、功能指令使用及程序流程图1 .触点比较指令使用0[=DOK1指令描述:对源数据内容进行BIN 比较,对其结果执行后段的运算;如上所示,当DO序号名称型号与规格数量备注1. 可编程控制器实训装置 THPFS1-1/212. 实训导线3号若干3. SC-09通讯电缆1 三菱 4.计算机1自备二、实训设备 三、面板图 硬件模式一:硬件模式二:COFOWO1ED ---BOEnHOAo-DoGo1.硬件模式一:置位启动开关KO 为ON 时, 1ED 数码显示管依次循环显示0、1、2、2.硬件模式二:置位启动开关KO 为ON 时,1ED 数码显示管依次循环显示0、1、2、{Y000四、控制要求中的数据“等于"常数KI时,则Yo输出状态“1”。
2.程序流程图启动六、端口分配及接线图2.七、操作步骤1 .按控制接线图连接控制回路;2 .将编译无误的控制程序下载至P1C 中,并将模式选择开关拨至RUN 状态;3 .分别拨动启动开关KO,观察并记录1ED 数码管显示状态;4 .尝试编译新的控制程序,实现不同于示例程序的控制效果。
八、实训总结1 .尝试分析整套系统的工作过程;2 .尝试用其他不同于示例程序所用的指令编译新程序,实现新的控制过Y o o忡Y 02Y G 3JId 同砥法译码电路AB点:亮E 电程。
数码管循环显示数字
1.案例原理与提示
(1) 数码管的ABCDEFG七段对应Y0~Y6,计数器循环计数。
(2) 用数据寄存器存放变化的数字,用INC(加1)指令使数字不断递增,用CMP(比较)指令实现数据的循环。
(3) 也可以用功能指令直接七段译码。
2. 案例实施过程
1) I/O分配
数码显示控制输入/输出端口分配表如下表所示。
数码显示控制输入/输出端口分配表
2) 控制程序编写
数码显示控制程序梯形图如下图所示。
数码显示控制程序梯形图
用数据寄存器D0存放变化的数字0~9。
由特殊功能继电器M8013产生秒脉冲,采用加1指令使D0中的数据不断递增,每过一秒加1。
当D0中的数据递增为10时,D0中再次
赋值为0。
程序中M8002对程序初始化,把K0(十制数0)放入数据寄存器D0中。
当比较指令(CMP)的比较结果为等于时(D0=10),M11=1,则D0中赋值0。
当SB12断开时,D0=0,[INCP D0]指令不工作,数码管上显示0。
3) 接线与调试
数码显示控制外部接线图如下图所示。
数码显示控制外部接线图
3. 思考与提升
(1) 当SB12开关闭合时,数码管就循环显示0~A,每个数字显示0.5s;当SB12开关断开时,数码管上显示“H”。
(2) 当SB12开关闭合时,数码管就循环显示9~0,每个数字显示0.8s。
基于PLC的七段码显示数码管控制【摘要】主要介绍了S7-200型PLC传输指令和移位指令的特点和使用方法,并以七段码显示为例,给出了应用不同类型的指令进行显示和编程的方法。
【关键词】传送指令;移位指令;程序设计;七段显示译码指令生活中,经常能见到电梯楼层显示、抢答器、交通灯剩余时间数码显示以及生产线上的显示系统,可以显示数字或字母,本文利用S7-200系列PLC的指令实现对七段显示数码管的控制。
在西门子S7-200系列PLC中,有多种方法可以实现七段码显示,其中比较常用的有基本指令、传送指令和七段显示译码指令SEG,笔者结合自己的工作经验,对几种控制七段码显示的指令进行比较,供大家学习和参考。
1.传输指令和七段码显示译码指令1.1 传输指令传送指令用于在各个编程元件之间进行数据传送[1]。
西门子S7-200系列PLC的传输指令包括单个传送指令和块传送指令。
单个传送指令助记符为MOV,当传送的数据长度不同时,助记符也不尽相同。
单个传送指令根据传送数据长度可以分为:字节传送指令MOVB,字传送指令MOVW,双字传送指令MOVDW,实数传送指令MOVR,利用传送指令可以在不改变原数据值的情况下将IN中的数据传送到OUT。
块传送指令用来进行一次传送多个数据。
单个传送指令的应用如图1所示图1 传送指令的应用在传送指令中,EN端为允许输入端;ENO端为允许输出端。
当输入I0.1为“1”时,传送指令将MB0中的字节传送给MB1,如果指令正确执行,则输出Q4.0为“1”,否则,如果输入I0.0为“0”,则数据不传送。
一旦传送成功,输出Q4.0将一直保持为1,直到将Q4.0复位。
在为变量赋初始值时,为了保证传送只执行一次,一般MOV方块指令和边缘触发指令联合使用。
1.2 移位指令移位指令是使位组合的字节数据、字数据或双字数据向指定方向移位的指令[2]。
根据移位的数据长度可分为字节型移位、字型移位、双字型移位。
还可以进行循环移位。
LED数码管显示PLC自动控制
一、控制要求
1、按输入要求,设计八段数码显示控制系统。
通过PLC实现
对数字0~9以及小数点在大兴线视频上的显示输出。
2、无显时要求时,八段数码显保持不亮的状态,当显示数字
时,点亮对应的数码段,对于带小数的数字可以在显示数
字的同时,点亮小数点。
3、大型显示牌普遍采用分组的指示灯来组合形成八段数码显
码的显示单元,每组指示灯通过相应的继电器控制其点亮
和关断。
Q0.1
二、设计要求Q0.0 Q0. 2
Q0.3
1、解决思路 Q0.4 Q0.6●Q0.7
2、输入输出点分配; Q0.5
3、画出PLC的输入输出设备的接线图;
4、画出八段数码显示组合逻辑表;
5、完成梯形图、指令表的程序设计;
6、完成系统调试,实现控制要求。
7、完成设计说明书
三、主要参考资料
[1] S7-200PLC基础及应用廖常初主编,机械工业出版社,2010年8月第1版
[2] PLC开发与应用实例详解吴作明编,北京航天大学出版社,
增12007年5月
[3]STEP7-WIN 编程软件与仿真软件使用指南
[4]相关网站
四、答辩问题:
1 讲述程序设计思路、程序及工作流程。
2 采用循环扫描控制 LED 显示,如何设计?
系统启动后,首次依次输入8位数,在八段码显示器上显示当前数值,并存入相应存储器中,按下重复显示按钮时,八段码显示器上会依次显示刚才输入的8位数,并循环。
按下暂停按钮时,八段码显示器将保持当前数值。
按下停止按钮后,存储器中的数据将被清空。
《装备维修技术》2019年第4期(总第172期)doi:10.16648/ki.1005-2917.2019.04.123基于PLC的数码管显示控制吕桃(南京浦口中等专业学校,江苏南京 210000)摘要:本文针对工程中三菱FX系列PLC的数码管显示方法的探讨,结合典型电子时钟的数码显示案例,介绍了四种数码管连接与控制方法,结合性价比分析以期探讨最优化PLC工程数码控制方案。
关键词:PLC;SEGL;BCD;晶体管输出;七段数码管;显示译码器;选通信号;锁存控制;输出刷新引言数据信息的采集、状态数据的显示是现代设备控制中两个非常重要的功能,前者反映设备控制的数字化功能,后者常用于反映设备运行状态数据如生产工件数、机械位移、环境参数、电流、电压等核心因素的直观反映,为设备操控和设备维护提供必要的指示信息。
工作环境下的数码管因显示具有醒目、直观的功效,应对PLC 占据主导的现代电气设备的开发与维护,迫切需要我们掌握数码管的PLC驱动显示技术。
以下结合常见的数码管数字时钟显示来研究三菱FX系列PLC 的驱动方法。
一个PLC控制数字时钟的时、分、秒数据信息分别由计数器C002、C001、C000对应提供,并采用两位数码管对应显示时、分、秒数据。
数字时钟显示效果如图1示。
图1最常见的PLC七段数码管的驱动方法:一是对照数码管显示真值表直接将七个控制信号通过限流电阻加载于数码管脚上;二是输出BCD码通过显示译码器驱动数码管的控制方式。
如果仅是单纯地采用上述两种方法均会导致占用较多的PLC输出资源,实用性仅能用于一、二位数码的显示。
如何解决占用较少的有限输出资源以实现数字时钟六位及更多位数码的显示方法是本文所要解决的。
1. 数码管的直接驱动控制所谓直接驱动就是将数码管的a~g七段管脚通过限流电阻联接至PLC的对应的七个输出端。
如常见继电器输出PLC、共阴极数码管采用直接驱动方式,将用于输出七段码的Y0~Y6分别通过300欧限流电阻对应接a~g端,公共端接5V电源正极。
plc控制数码管显示一、设计目的1、通过利用PLC控制数码管显示熟悉相关的编程应用2、实现题目设计中要求的功能实现二、设计要求按下启动按钮后,由八组LED发光二极管模拟的八段数码管显示:先是一段段显示,显示次序是:A、B、C、D、E、F、G、H。
随后显示数字及字符,显示次序0、1、2、3、4、5、6、7、8、9、a、b、c、d、e、f。
再返回初始显示,并循环不止。
三、设计内容(可加附页)1、列出输入输出表2、画出系统接线图3、根据控制要求设计出梯形图4、写出指令表LD 200.00 ANDNOT TIM000 LD TIM001 ANDNOT TIM002 ORLDLD TIM002 ANDNOT TIM003 ORLDLD TIM004 ANDNOT TIM005 ORLDLD TIM005 ANDNOT TIM006 ORLDLD TIM006 ANDNOT TIM007 ORLDLD TIM007 ANDNOT TIM008 ORLDLD TIM008 ANDNOT TIM009ORLDLD TIM009ANDNOT TIM010ORLDLD TIM011ANDNOT TIM012ORLDANDNOT TIM014 ORLDLD TIM014 ANDNOT TIM015 ORLDLD 200.01 ANDNOT TIM016 ORLDOUT 10.00LD 200.00 ANDNOT TIM000 LD TIM000 ANDNOT TIM001 ORLDLD TIM001 ANDNOT TIM002 ORLDLD TIM002 ANDNOT TIM003 ORLDLD TIM003 ANDNOT TIM004 ORLDLD TIM006 ANDNOT TIM007 ORLDLD TIM007 ANDNOT TIM008 ORLDANDNOT TIM009ORLDLD TIM009ANDNOT TIM010 ORLDLD TIM012 ANDNOT TIM013 ORLDLD TIM016 ANDNOT TIM017 ORLDOUT 10.01LD 200.00 ANDNOT TIM000 LD TIM000 ANDNOT TIM001 ORLDLD TIM002 ANDNOT TIM003 ORLDLD TIM003 ANDNOT TIM004 ORLDLD TIM004 ANDNOT TIM005 ORLDLD TIM005 ANDNOT TIM006 ORLDLD TIM006 ANDNOT TIM007 ORLDLD TIM007 ANDNOT TIM008 ORLDLD TIM008 ANDNOT TIM009 ORLDLD TIM009 ANDNOT TIM010 ORLDLD TIM010 ANDNOT TIM011 ORLDLD TIM012 ANDNOT TIM013 ORLD LD TIM017ANDNOT TIM018ORLDOUT 10.02LD 200.00ANDNOT TIM000LD TIM001ANDNOT TIM002ORLDLD TIM002ANDNOT TIM003ORLDLD TIM004 ANDNOT TIM005 ORLDLD TIM005 ANDNOT TIM006 ORLDLD TIM007 ANDNOT TIM008 ORLDLD TIM008 ANDNOT TIM009 ORLDLD TIM010 ANDNOT TIM011 ORLDLD TIM011 ANDNOT TIM012 ORLDLD TIM012 ANDNOT TIM013 ORLDLD TIM013 ANDNOT TIM014 ORLDLD TIM018 ANDNOT TIM019 ORLDOUT 10.03LD 200.00ANDNOT TIM000 LD TIM001 ANDNOT TIM002 ORLDLD TIM005 ANDNOT TIM006 ORLDLD TIM007 ANDNOT TIM008 ORLDLD TIM009 ANDNOT TIM010 ORLDLD TIM010 ANDNOT TIM011 ORLDLD TIM011 ANDNOT TIM012 ORLDLD TIM012 ANDNOT TIM013 ORLDLD TIM013 ANDNOT TIM014 ORLDLD TIM014 ANDNOT TIM015 ORLDLD TIM019 ANDNOT TIM020ORLDOUT 10.04LD 200.00ANDNOT TIM000LD TIM003ANDNOT TIM004ORLDLD TIM004ANDNOT TIM005ORLDLD TIM005ANDNOT TIM006ORLDLD TIM006ANDNOT TIM007ORLDLD TIM007ANDNOT TIM008 ORLDLD TIM008 ANDNOT TIM009 ORLDLD TIM009 ANDNOT TIM010 ORLDLD TIM010 ANDNOT TIM011 ORLDLD TIM011 ANDNOT TIM012 ORLDLD TIM013 ANDNOT TIM014 ORLDLD TIM014 ANDNOT TIM015 ORLDLD TIM020 ANDNOT TIM021 ORLDOUT 10.05LD TIM001 ANDNOT TIM002 LD TIM002 ANDNOT TIM003 ORLDLD TIM003 ANDNOT TIM004 ORLDLD TIM004 ANDNOT TIM005 ORLDLD TIM005 ANDNOT TIM006 ORLDLD TIM007 ANDNOT TIM008 ORLDLD TIM008 ANDNOT TIM009 ORLDLD TIM009 ANDNOT TIM010 ORLDLD TIM010 ANDNOT TIM011 ORLDLD TIM012 ANDNOT TIM013 ORLDLD TIM013 ANDNOT TIM014 ORLDLD TIM014 ANDNOT TIM015 ORLDLD TIM021 ANDNOT TIM022 ORLDOUT 10.06LD TIM022 ANDNOT TIM023OUT 10.07LD TIM023OR 200.00 ANDNOT TIM015 OUT 200.00TIM 000 #10 TIM 001 #20 TIM 002 #30 TIM 003 #40 TIM 004 #50 TIM 005 #60 TIM 006 #70 TIM 007 #80 TIM 008 #90 TIM 009 #100 TIM 010 #110 TIM 011 #120 TIM 012 #130 TIM 013 #140 TIM 014 #150 TIM 015 #160 LD 0.00OR 200.01OR TIM015 ANDNOT TIM023 ANDNOT 0.01 OUT 200.01TIM 016 #10 TIM 017 #20 TIM 018 #30TIM 019 #40TIM 020 #50TIM 021 #60TIM 022 #70TIM 023 #805、调试并运行程序四、设计实验结果及分析利用实验箱上的八个灯的先后点亮来表示数码管得各段的亮灭,按照实验要求八个灯先按顺序依次点亮,显示次序是:A、B、C、D、E、F、G、H。
PLC LED数码显示控制
在LED 数码显示控制单元完成本实验
一、实验目的
熟练掌握移位寄存器位SHRB ,能够灵活的运用。
二、实验说明
1)、SHRB指令简介
移位寄存器位(SHRB)指令将DATA数值移入移位寄存器。
S_BIT指定移位寄存器的最低位。
N指定移位寄存器的长度和移位方向(移位加 = N,移位减 = -N)。
SHRB指令移出的每个位被放置在溢出内存位(SM1.1)中。
该指令由最低位(S_BIT)和由长度(N)指定的位数定义。
2)、参考程序描述
按下启动按钮后,由八组LED发光二极管模拟的八段数码管开始显示:先是一段段显示,显示次序是A、B、C、D、E、F、G、H,随后显示数字及字符,显示次序是0、1、2、3、4、5、
6、7、8、9、A、b、C、d、E、F,断开启动按钮程序停止运行。
三、实验面板图:
四、实验步骤
1、输入输出接线
输入SD
I0.0
输出 A B C D E F G H Q0.0 Q0.1 Q0.2 Q0.3 Q0.4 Q0.5 Q0.6 Q0.7
2、打开主机电源将程序下载到主机中。
3、启动并运行程序观察实验现象。
五、梯形图参考程序
-----精心整理,希望对您有所帮助!。
一、实训目的通过本次实训,使学生了解数码管的工作原理,掌握数码管驱动电路的设计方法,学会使用单片机或PLC等微控制器实现对数码管的控制,提高学生的实际动手能力和电子技术综合应用能力。
二、实训内容1. 数码管的结构与工作原理数码管是一种用来显示数字和字母的电子显示器件,通常由多个LED灯组成。
根据LED灯的连接方式,数码管分为共阴极和共阳极两种类型。
(1)共阴极数码管:LED灯的阴极相连,阳极分别独立引出,当给阳极加上高电平时,相应的LED灯点亮。
(2)共阳极数码管:LED灯的阳极相连,阴极分别独立引出,当给阴极加上低电平时,相应的LED灯点亮。
2. 数码管驱动电路设计(1)共阴极数码管驱动电路:使用译码器、驱动器和位选信号进行驱动。
(2)共阳极数码管驱动电路:使用译码器、驱动器和位选信号进行驱动。
3. 单片机控制数码管显示(1)51单片机控制数码管显示:编写程序,通过P1口输出位选信号,通过P2口输出段选信号,实现数码管显示数字0-9。
(2)PLC控制数码管显示:编写梯形图程序,通过输入/输出模块控制数码管显示。
三、实训步骤1. 准备实验器材:数码管、单片机或PLC、电源、导线等。
2. 设计数码管驱动电路,连接电路。
3. 编写单片机或PLC程序,实现数码管显示数字0-9。
4. 调试程序,观察数码管显示效果。
5. 改进程序,实现更多功能,如显示字母、动态扫描等。
四、实训结果与分析1. 数码管驱动电路设计成功,数码管显示正常。
2. 使用51单片机控制数码管显示数字0-9,程序运行正常。
3. 使用PLC控制数码管显示数字0-9,程序运行正常。
4. 通过实训,掌握了数码管的工作原理、驱动电路设计方法以及单片机或PLC控制数码管显示的基本技能。
五、实训心得1. 在本次实训中,我对数码管的结构和工作原理有了更深入的了解,掌握了数码管驱动电路的设计方法。
2. 通过编写单片机或PLC程序,实现了数码管显示数字0-9,提高了自己的编程能力。
PLC控制数码管显示程序设计PLC(可编程逻辑控制器)是一种使用数字计算机技术,基于程序控制思想、执行各种输入/输出、运算、逻辑、控制运动等功能的自动化设备。
数码管是一种最基本的数字显示装置,广泛应用于各种计数、记数、时间显示等场合。
本文介绍的是如何使用PLC控制数码管进行显示。
1. 硬件连接首先将数码管与PLC进行连接。
一般来说,数码管的连接方式一般是以共阴(共负)方式连接。
在该方式下,所有数码管的负极都通过一个引脚进行连接,而每个数码管的阳极则通过独立引脚进行连接。
因此,共阴型数码管比较适合在PLC中进行控制。
2. 程序设计PLC中的程序主要是使用指令进行编写。
在本程序中,我们使用LD指令(逻辑与指令)来控制数码管。
具体地,我们需要将LD指令的输出端连接到数码管的阳极引脚上,而输入端则通过一些条件进行控制。
下面是一个具体的程序:LD M100LD M101LD M102LD M103LD S1F0ANDOUT Y0在上面的程序中,M100到M103是我们预设的数字,每个数字分别对应数码管的不同段。
S1F0是我们自己设定的一个标志位,表示是否需要显示数字。
如果S1F0为0,那么数码管将不会显示任何数字。
如果S1F0为1,则LD指令将判断数字的每一段是否需要亮(1亮0灭),如果需要,则输出的值为1,否则为0。
最后,与指令将所有段的输出值进行与运算,如果全部为1,则数码管将显示出我们设定的数字。
该程序可以通过PLC的编程软件进行编写,并通过PLC进行下载。
需要注意的是,本程序只是一个简单的示例,实际使用中还需要根据具体的需求进行修改与完善。
3. 总结通过本文所介绍的方法,我们可以使用PLC轻松地控制数码管进行显示。
PLC编程是一种重要的自动化技术,具有广泛应用的前景。
在实际应用中,需要根据具体情况进行编程与设计,以达到理想的控制效果。
一、设计目的1、通过利用PLC控制数码管显示熟悉相关的编程应用2、实现题目设计中要求的功能实现二、设计要求按下启动按钮后,由八组LED发光二极管模拟的八段数码管显示:先是一段段显示,显示次序是:A、B、C、D、E、F、G、H。
随后显示数字及字符,显示次序0、1、2、3、4、5、6、7、8、9、a、b、c、d、e、f。
再返回初始显示,并循环不止。
三、设计内容(可加附页)1、列出输入输出表2、画出系统接线图3、根据控制要求设计出梯形图4、写出指令表LD 200.00 ANDNOT TIM000 LD TIM001 ANDNOT TIM002 ORLDLD TIM002 ANDNOT TIM003 ORLDLD TIM004 ANDNOT TIM005 ORLDLD TIM005 ANDNOT TIM006 ORLDLD TIM006 ANDNOT TIM007 ORLDLD TIM007 ANDNOT TIM008 ORLDLD TIM008 ANDNOT TIM009ORLDLD TIM009ANDNOT TIM010ORLDLD TIM011ANDNOT TIM012ORLDLD TIM013ANDNOT TIM014ORLDLD TIM014ANDNOT TIM015ORLDLD 200.01ANDNOT TIM016ORLDOUT 10.00LD 200.00ANDNOT TIM000LD TIM000ANDNOT TIM001ORLDLD TIM001ANDNOT TIM002ORLDLD TIM002ANDNOT TIM003ORLDLD TIM003ANDNOT TIM004ORLDLD TIM006ANDNOT TIM007ORLDLD TIM007ANDNOT TIM008ORLDLD TIM008ANDNOT TIM009ORLDLD TIM009ANDNOT TIM010 ORLDLD TIM012 ANDNOT TIM013 ORLDLD TIM016 ANDNOT TIM017 ORLDOUT 10.01LD 200.00 ANDNOT TIM000 LD TIM000 ANDNOT TIM001 ORLDLD TIM002 ANDNOT TIM003 ORLDLD TIM003 ANDNOT TIM004 ORLDLD TIM004 ANDNOT TIM005 ORLDLD TIM005 ANDNOT TIM006 ORLDLD TIM006 ANDNOT TIM007 ORLDLD TIM007 ANDNOT TIM008 ORLDLD TIM008 ANDNOT TIM009 ORLDLD TIM009 ANDNOT TIM010 ORLDLD TIM010 ANDNOT TIM011 ORLDLD TIM012 ANDNOT TIM013 ORLD LD TIM017ANDNOT TIM018ORLDOUT 10.02LD 200.00ANDNOT TIM000LD TIM001ANDNOT TIM002ORLDLD TIM002ANDNOT TIM003ORLDLD TIM004ANDNOT TIM005ORLDLD TIM005ANDNOT TIM006ORLDLD TIM007ANDNOT TIM008ORLDLD TIM008ANDNOT TIM009ORLDLD TIM010ANDNOT TIM011ORLDLD TIM011ANDNOT TIM012ORLDLD TIM012ANDNOT TIM013ORLDLD TIM013ANDNOT TIM014ORLDLD TIM018ANDNOT TIM019ORLDOUT 10.03LD 200.00ANDNOT TIM000LD TIM001ANDNOT TIM002ORLDLD TIM005ANDNOT TIM006ORLDLD TIM007ANDNOT TIM008ORLDLD TIM009ANDNOT TIM010ORLDLD TIM010ANDNOT TIM011ORLDLD TIM011ANDNOT TIM012ORLDLD TIM012ANDNOT TIM013ORLDLD TIM013ANDNOT TIM014ORLDLD TIM014ANDNOT TIM015ORLDLD TIM019ANDNOT TIM020ORLDOUT 10.04LD 200.00ANDNOT TIM000LD TIM003ANDNOT TIM004ORLDLD TIM004ANDNOT TIM005ORLDLD TIM005ANDNOT TIM006ORLDLD TIM006ANDNOT TIM007ORLDLD TIM007ANDNOT TIM008 ORLDLD TIM008 ANDNOT TIM009 ORLDLD TIM009 ANDNOT TIM010 ORLDLD TIM010 ANDNOT TIM011 ORLDLD TIM011 ANDNOT TIM012 ORLDLD TIM013 ANDNOT TIM014 ORLDLD TIM014 ANDNOT TIM015 ORLDLD TIM020 ANDNOT TIM021 ORLDOUT 10.05LD TIM001 ANDNOT TIM002 LD TIM002 ANDNOT TIM003 ORLDLD TIM003 ANDNOT TIM004 ORLDLD TIM004 ANDNOT TIM005 ORLDLD TIM005ANDNOT TIM006ORLDLD TIM007ANDNOT TIM008ORLDLD TIM008ANDNOT TIM009ORLDLD TIM009ANDNOT TIM010ORLDLD TIM010ANDNOT TIM011ORLDLD TIM012ANDNOT TIM013ORLDLD TIM013ANDNOT TIM014ORLDLD TIM014ANDNOT TIM015ORLDLD TIM021ANDNOT TIM022ORLDOUT 10.06LD TIM022ANDNOT TIM023OUT 10.07LD TIM023OR 200.00ANDNOT TIM015OUT 200.00TIM 000 #10TIM 001 #20TIM 002 #30TIM 003 #40TIM 004 #50TIM 005 #60TIM 006 #70TIM 007 #80TIM 008 #90TIM 009 #100TIM 010 #110TIM 011 #120TIM 012 #130TIM 013 #140TIM 014 #150TIM 015 #160LD 0.00OR 200.01OR TIM015ANDNOT TIM023ANDNOT 0.01OUT 200.01TIM 016 #10TIM 017 #20TIM 018 #30TIM 019 #40TIM 020 #50TIM 021 #60TIM 022 #70TIM 023 #805、调试并运行程序四、设计实验结果及分析利用实验箱上的八个灯的先后点亮来表示数码管得各段的亮灭,按照实验要求八个灯先按顺序依次点亮,显示次序是:A、B、C、D、E、F、G、H。
随后显示数字及字符,显示次序0、1、2、3、4、5、6、7、8、9、a、b、c、d、e、f。
再返回初始显示,并循环不止。
通过定时器的时间设置不同,使八个灯按照设计要求依次点亮,并按照实验要求显示0-f。
然后返回初始显示,并循环不止。
五、结论六、设计感受经过一周的学习和实践,使我对PLC有了更加深入的了解,从针对题目的设计方案和分析,梯形图的设计,到实验箱的连线和实验结果的显示。
在实现实验要求和实验结果的过程中对可编程逻辑控制器这门课程有了更深刻的认识。
对梯形图的画法和理解更加深入,对助记符也有了更进一步的认识。
在这次课程设计中,我深感到理论知识和动手能力得重要性,懂得了团队配合得可贵。
在这次学习中,感谢由老师和同学在这一周内对我的帮助,使我顺利完成了这次可编程逻辑控制器这门课程的综合课程设计,再次表示感谢!。