几个业务循环中的控制测试和实质性测试一览表
- 格式:doc
- 大小:77.00 KB
- 文档页数:6
销售与收款循环审计(01年8.5分,02年9分,03年20.5分)循环审计的优点:使控制测试和实质性测试完美结合,内部控制测试只能通过循环进行,实质性测试可以通过账户做,也可以通过循环做,但只有通过循环做,才能与内部控制测试结合一、销售与收款循环的特性(重点了解,简答题)(一)销售与收款循环涉及的主要业务活动1.接受顾客订单。
接受订单后通常应编制一式多联的销售单。
销售单是证明管理当局对有关销售交易的“存在或发生”认定的凭据,也是此笔销售的交易轨迹的起点。
2.批准赊销信用。
对于赊销业务,赊销批准是由信用管理部门根据管理当局的赊销政策,以及对每个顾客的已授权的信用额度来进行的。
设计信用批准控制的目的是为了降低坏账风险,因此,这些控制与应收账款净额的“估价或分摊”认定有关。
3.按销售单供货。
设立这项控制程序的目的是为了防止仓库在未经授权的情况下擅自发货。
因此,已批准销售单的一联通常应送达仓库,作为仓库按销售单供货和发货给装运部门的授权依据。
4.※按销售单装运货物。
将按经批准的销售单供货与按销售单装运货物职责相分离,有助于避免装运职员在未经授权的情况下装运产品。
5.※向顾客开具账单。
包括编制账单和向顾客寄送事先连续编号的销售发票。
这项功能所针对的主要问题是:①是否对所有装运的货物都开了账单(即“完整性”认定问题)?②是否只对实际装运才开账单,有无重复开单或虚构交易情况发生(即“存在或发生”认定问题)?③是否按已授权批准的商品价目表所列价格计价(即“估价或分摊”认定问题)开单?为了降低开单过程中出现遗漏、重复、错误计价或其他差错的风险,应设立以下的控制程序:(1)开单部门职员在编制每张销售发票之前,应独立审计检查是否存在装运凭证和相应的经批准的销售单。
(2)应依据已授权批准的商品价目表编制销售发票。
(3)独立检查销售发票计价和计算的正确性。
(4)将装运凭证上的商品总数与相对应的销售发票上的商品总数进行比较。
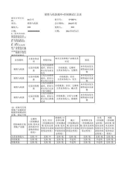
截止日期:取项目信息审计区间至复核人:取底稿信息一级复核人复核日期:取底稿信息一级复核日期1、了解内部控制的初步结论[注:根据了解本循环控制测试的设计并评估其执行情况所获取的审计证据,注册会计师对控制的评价结论可能是:(1)控制设计合理,并得到执行;(2)控制设计合理,未得到执行;(3)控制设计无效或缺乏必要的控制。
]2、控制测试结论注:我们检查了S公司20×7年12月的顾客档案更改申请表以及当月的月度顾客更改信息报告,发现编号为×××的档案,顾客已超过两年未与公司发生业务往来,未及时变更删除其档案。
20×8年4月4日,我们已与销售经理×××确认该等事宜。
3、相关交易和账户余额的总体审计方案(1)对未进行测试的控制目标的汇总根据计划实施的控制测试,我们未对下列控制目标、相关交易和账户余额及其认定进行测试。
(2)对未达到控制目标的主要业务活动的汇总根据控制测试的结果,我们确定下列控制运行无效,在审计过程中不予信赖,拟实施实质性程序获取充分、适当的审计证据。
(注:如果本期执行控制测试的结果表明本循环与相关交易和账户余额及其认定相关的控制不能予以信赖,应重新考虑拟信赖的以前审计获取的其他循环控制运行有效性的审计证据是否恰当)截止日期:取项目信息审计区间至复核人:取底稿信息一级复核人复核日期:取底稿信息一级复核日期(3)对相关交易和账户余额的审计方案根据控制测试的结果,制订下列审计方案:(注:由于假定收入存在舞弊风险,虽然控制测试的结果表明控制活动可以缓解该特别风险,我们仍拟从实质性程序中就收入的完整性、发生认定获取中等保证程度。
)4.沟通事项是否需要就已识别出的内部控制设计、执行以及运行方面的重大缺陷,与适当层次的管理层或治理层进行沟通?。
业务循环审计的具体方法财务报表审计的组织方式大致有两种,一是对报表的每个账户余额单独进行审计,此法称为账户(account approach)。
此法下对审计工作的“分块”(segmenting)通常使工作效率低下,因为该法将紧密联系的相关账户(如存货和产品销售成本)人为分割开,从而会造成整个审计工作的脱节和重复。
二是将财务报表分成几大块进行审计,即把紧密联系的交易种类(事项)和账户余额归入同一块中,此法称为循环法(cycle approach)。
比如,销售、销售退回、收取现金及坏账冲销是导致应收账款增减的四种交易,把这四种交易及应收账款划入“销售与收款环节”进行审计。
循环法更符合被审计单位的业务流程和内部控制设计的实际情况。
通过考察交易被记录于各种记账凭证乃至汇总到总账和财务报表的方式,可以发现使用循环法具有逻辑合理性。
下图例示了某些交易的会计处理过程。
实际上,循环法将记录于不同记账凭证中的交易通这些交易所影响的总账余额合并起来考虑,能够更有效地安排审计工作。
交易从记账凭证至财务报表的信息流程某公司是制造性企业,注册会计师将其财务报表划分为四个循环:销售与收款循环、采购与付款循环、存货与仓储循环、筹资与投资循环。
公司循环划分在划分循环时还应注意各循环之间有一定的联系,比如筹资与投资循环同采购与付款循环(也称支出循环)紧密联系,存货与仓储循环同其他所有循环紧密联系。
各循环的流转关系如下图所示。
在循环法下,审计各个环节时,最有效的方法是在审计循环中各类交易及相关账户期末余额的基础上,合并形成对某类交易及其相关账户余额的保证水平,在得出报表整体公允表达的结论之前,必须实现各类交易的审计目标和各个账户余额的审计目标。
有关交易的审计目标和有关余额的审计目标尽管有所不同,却是紧密联系的。
比如,资产负债表中“应收账款”项目属销售与收款循环,审计时应分别测试影响该类账户的四类交易即销售、收现、销售退回折让、坏账冲销等交易和该账户的期末余额。
销售交易的控制目标内部控制和测试一览表内部控制目标1:登记入账的销售交易确系已经发生给真实的顾客(发生)关键内部控制:1.销售交易是以经过审核的发运凭证及经过批准的顾客订货单为依据登记入账的2.在发货前,顾客的赊购已经被授权批准。
3.销售发票均经事先编号,并已恰当地登记入账4.每月向顾客寄送账单,对客户提出的一件作专门追查。
常用的内部控制测试1.检查销售发票副联是否有发运凭证(或提货单)及顾客提货单2.检查顾客的赊销是否经授权批准3.检查销售发票连续编号的完整性。
4.观察是否寄发对账单并检查顾客回函档案常用的交易实质性程序1.复核主营业务收入总账、明细账以及应收账款明细账中的大额或异常项目。
2.追查主营业务收入明细账中的分录至销售单、销售发票副联及发运凭证。
3.将发运凭证与存货永续记录中的发运分录进行核对4.将主营业务收入明细账中分录与销售单中的赊销审批和发运审批进行核对。
内部控制目标2:所有销售交易均已登记入账(完整性)关键内部控制:1.发运凭证(或提货单)均经事先编号并已经登记入账。
2.销售发票均经事先编号,并已登记入账。
常用的内部控制测试:1.检查发运凭证连续编号的完整性。
2.检查销售发票连续编号的完整性。
常用的交易实质性程序:将发运凭证与相关的销售发票和主营业务收入明细账及应收账款明细账中的分录进行核对。
实质性程序的性质取决于潜在的控制弱点的性质:1.针对未曾发货却已将销售交易登记入账这类错误的可能性。
CPA可以从主营业务收入明细账中抽取若干笔分录,追查有无发运凭证及其他作证凭证,借以查明有无事实上没有发货却以登记入账的销售交易。
如果CPA也对发运凭证等的真实性表示怀疑,就有必要再进一步追查存货的永续盘存记录,测试存货余额有无减少。
2.针对销售交易重复入账这类错误的可能性。
CPA可以通过检查企业的销售交易记录清单以确定是否存在重号、缺号。
3.针对向虚构的客户发货并作为销售交易登记入账这类错误发生的可能性。
第十二章销售与收款循环审计一、大纲(一)销售与收款循环的特性(二)内部控制测试和交易的实质性测试(三)主营业务收入审计(四)应收账款审计(五)坏账准备审计(六)其他相关账户审计二、本章重点、难点审计测试包括内部控制测试和交易、账户余额的实质性测试。
(一)销售与收款循环的特征1.销售与收款循环的主要会计报表项目表10-1 销售循环的主要会计报表项目2. 主要业务活动及对应的凭证和记录表10-2 销售与收款循环中主要业务活动及对应的凭证和记录(二)内部控制测试和交易的实质性测试1.销货业务的内部控制和测试概述(1)注册会计师对每项关键控制至少要执行一项控制测试以核实其效果。
(2)交易的实质性测试目的在于确定交易业务中与控制目标有关的金额是否有错误;交易的实质性测试范围,在一定程度上取决于关键控制是否存在和控制测试的结果。
(3)有些交易的实质性测试程序不管环境如何,是每一项审计所共同所有的,而有些则应视内部控制的健全性和控制测试的结果而定。
审计的重要性、以前期间的审计结果等因素,对测试程序的确定有影响。
2.销货业务的内部控制和控制测试(1)表10-3 销货业务的内部控制和控制测试(2)直接实施实质性程序的条件在确定了关键内部控制和内部控制中可能存在的薄弱环节,并且对被审计单位的控制风险做出评价后,注册会计师应当判断继续实施内部控制测试的成本是否会低于因此而减少对交易、账户余额的实质性测试所需的成本。
如果:①被审计单位的相关内部控制不存在;②或被审计单位的相关内部控制尽管存在但未得到遵循;③内部控制测试的工作量可能大于进行内部控制测试所减少的实质性测试的工作量。
则注册会计师不应再继续实施内部控制测试,而应直接实施实质性测试程序。
3.销货交易的实质性测试(1)主要的实质性测试程序①登记入账的销货业务是真实..的(存在或发生);②已发生的销货业务均已登记入账(.....完整性);③登记入账的销货业务的估价..准确;④登记入账的销货业务分类..正确;⑤销货业务的记录及时..;⑥销货业务已正确地记入明细账并准确地汇总..。
江苏兴光会计师事务所江苏经贸职业技术学院第 10-14 章之一各循环特性及内控和交易的实质性测试第一部分:考试大纲要求I.考纲要求一、基本要求为考察考生具有相关的知识和技能,本科目要求考生能够: 4 .熟悉审计循环的内控测试和实质性程序(即实质性测试,其他章节同) II. 三年考纲体现(三年考题分析)审计实务之一――各循环的特性及内控测试、实质性测试各循环第一、二节的共同纲领:教材结构――审计业务循环( 10~14 章)(首先看看教材目录――1 、2节――一样的标题!) 1.10-14 章为审计实务,为本书的第三部分; 2. 以股份有限公司(制造业)年度会计报表审计为例; 3. 以循环审计法为主线; 4. 包括 14 章节特殊项目的审计测试。
一、循环审计法简介业务循环的概念:是指按照业务循环了解、检查和评价被审计单位内部控制制度的建立、健全及其执行情况,从而对其会计报表的合法性、公允性进行审计的一种方法。
本书四个:A.销售与收款循环B.购货与付款循环C.生产循环D.筹资与投资循环第七章、第八章均有。
可更多,如5个、6个循环等;各单位的业务性质和规模不同,业务循环可不同。
由于货币资金与上述多个业务循环均密切相关,并且货币资金的业务和内部控制又有着不同于其他业务循环与其他会计报表的鲜明特征,因此将货币资金审计和一些特殊项目的审计放在第 14 章节中介绍。
循环审计法优、缺点以《企业会计制度》为例,业务循环与其所涉及的会计报表项目之间的对应关系,如表 10―1 所示。
表 10―1 注意事项:①此表的划分并不是绝对的;②购货与付款循环一般与利润表项目无关;③生产循环只与利润表项目中主营业务成本相关。
表 10―1 业务循环 129/137[ 中国的传统会计称之为供、产、销、钱]与主要会计报表项目对照表: [经典例题 ] [2000 年单选题]甲注册会计师审计W公司 1999 年度会计报表时,将其交易和帐户划分为销售与收款循环,购货与付款循环,生产循环,筹资与投资循环。