高处作业吊篮检查验收表.
- 格式:docx
- 大小:16.29 KB
- 文档页数:2
高处作业吊篮检查表简介随着城市建设规模的不断扩大,高层建筑的数量也相应增加。
在建设过程中,高处作业成为了一个必不可少的环节,而吊篮则是高空作业中常用的设备之一。
吊篮在高处作业中起到了关键的作用,但如果没有经过严格的安全检查,会给工作人员和周围环境带来极大的危险。
因此,在吊篮使用前,必须进行严格的检查来确保其安全可靠。
下面是一份高处作业吊篮检查表,旨在帮助大家检查吊篮的各项参数,确保安全高效的高处作业。
检查表一、基本信息项目内容名称高处作业吊篮制造商型号载重承载人数出厂日期项目内容上一次检查日期二、外观检查项目检查内容备注结构整体结构是否完好;构件是否有明显变形发动机外观是否完好;机器是否有明显异响液压系统外观是否完好;油管是否破损或脱落安全钩安全钩是否完好;连接是否牢固三、功能检查由于吊篮在工地上使用的场景比较单一,因此这部分检查主要针对吊篮的动力系统、控制系统和管路系统。
1. 动力系统检查项目检查内容备注发动机发动机起动是否正常;油水液位是否正常油气比油气比是否合理,未出现熄火或怠速不稳的情况加速系统加速是否平稳;变速箱是否有异常转向系统转向是否灵活;转向有无异响或卡滞2. 控制系统检查项目检查内容备注控制盘控制盘是否完好;按键是否灵敏项目检查内容备注吊索吊索是否再原位;承载吊篮,前后控制是否正常起重鼓 & 滑轮起重鼓的缆绳是否有断裂或腐蚀;滑轮是否正常3. 管路系统检查项目检查内容备注油路油路是否完好;漏油是否正常气路气路是否完好;是否漏气液压系统泄露是否正常;油温是否正常;回油制动及锁马系统是否正常四、安全保护检查项目检查内容备注安全系统安全装置是否灵敏;漏电保护是否足够;吊篮上是否配有安全带;绳索是否磨损防震器避免吊篮发生晃动或悬挂物体发生摇摆;是否完好电气系统线缆是否完好;电缆连接是否正常结论在进行完以上四部分检查后,我们可以根据检查表得出这样的结论:•检查表中所有的选项都需要检查;•吊篮的细节很多,不可掉以轻心;•如果出现不符合规定的部分,必须立即停止使用,并进行维修或更换;•吊篮使用后,还需要进行日常保养和维修。
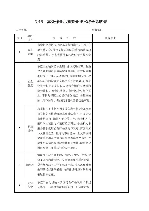
工程名称工程地址施工单位安装单位使用单位吊篮型号/编号ZLP6X X/1号生产厂家提升高度(m)/安全锁型号LSF30;LSF30起重钢丝绳型号/规格130米安全绳型号/规格130米安装时间20X X年10月31日检测时间20X X年11月2日名称序号验收内容要求验收结果资料1企业资质证书符合要求2企业安全生产许可证符合要求3设备拆装资格证符合要求4拆装施工方案符合要求5设备合格证、使用说明书符合要求6设备租赁安装合同符合要求7总包与分包(使用)单位合同符合要求提升机820min运行状况无异常发热及声响,无漏油、渗油符合要求9额载制动距离≤100mm符合要求10提升速度8m/min-12m/min符合要求11静载(150%)滑移<2mm符合要求12电动机电磁制动器间隙正常,与安装架连接牢固符合要求钢丝绳13断丝及断股无断丝、无断股符合要求14磨损情况无明显变形(松股、折弯、起股)及锈蚀,无明显损伤(压痕、烧蚀、堆积),无明显磨损,直径减少≤7%符合要求15与悬挂机构连接连接牢固,绳卡无松动符合要求16外观无油污及其它污物符合要求悬吊平台17强度及刚度无裂纹、无变形、无损毁符合要求18悬吊平台底部平台四周不小于150mm档板符合要求19结构件结构件无变形,底板、档板、护栏无破损,焊缝无裂纹,脱焊。
符合要求20架体连接栏杆、安装架、底架连接牢固。
符合要求安全锁22锁绳可靠率锁绳测试3—5次,可靠率100%符合要求23摆臂动作灵活,无卡滞现象符合要求24离心式安全锁手动锁绳有效,快速抽绳动作符合要求悬挂机构25强度及刚度无裂纹、无变形、无损毁符合要求26配重数量齐全、固定。
符合要求27连接件各连接件牢固可靠,滚轮销紧。
符合要求28距离及定位悬挂机构的距离准确,定位可靠。
符合要求电器及控制系统29漏电、接零保护安装正确、工作正常。
符合要求30电器箱内各处坚固件无松动符合要求31限位开关、交流接触器、转换开关安装正确、工作正常符合要求32外观电线、电缆无破损、插头、插座完好。
高处作业吊篮使用验收表和电动吊篮检查验收表本表由施工单位填报,监理单位、施工单位、租赁单位、安拆单位各一份。
电动吊篮的全名称为电动高处作业吊篮。
它主要是采用国内外先进技术,结构合理,与其它结构的吊篮相比较具有加高方便、操作简单、安全可靠、规格多种、投资省、效率高等特点。
主要适用于高层建筑物的外墙施工等电动吊篮的上下动力来自于电动吊篮专用提升机。
设备安装前,首先检查电动吊篮专用提升机空载时是否正常。
操作工人相对吊篮必须配用安全可靠的安全带手动吊篮的全名称为:手动高处作业吊篮采用国内外先进技术,结构合理,与其它结构的吊篮相比较具有加高方便、操作简单、安全可靠、规格多种、投资省、效率高等特点。
主要适用于低层建筑物的外墙施工等手动吊篮的上下动力来自于手扳葫芦,通过人力上下压动压把来完成操作。
设备安装前,首先检查手扳葫芦空载时连续扳动前进杆和反向杆,在其全程范围内动作应灵活、轻快、无卡阻现象。
检查安全锁手柄在扳动时是否灵活可靠。
操作工人相对吊篮必须配用安全可靠的安全带。
的结构电动吊篮作为一种先进的辅助施工技术,被越来越多的建筑外墙施工单位所接受,并在建筑工程中采用。
尤其是近年来我国经济飞速发展,建筑结构高层、超高层越来越多,使电动吊篮得到迅速推广。
短短几年间,电动吊篮企业就由原来的几家发展到目前以地域性行业(江苏无锡,河北沧州),规格、样式、提升方式也变得多元化。
而如何提高升电动吊篮的安全性目前已成为其是否能够继续发展的首要问题。
经过经验总结,目前电动吊篮结构已经趋于定型,主要由架体构架、附着结构、提升设备、防坠设备等部分组成:提升设备:市场上主要有zlp-630型电动吊篮,改型号标准为国家执行标准。
依靠人工动力打到升降的吊篮在安全与动力上严重不足,国内大多数地区已禁止该品种的使用。
但目前内蒙古地区以及东北地区仍在使用。
电动吊篮主要由两部分组成,钢梁支撑平台与工作悬挂平台组成,工作悬挂平台目前市场为1+2+3米共计6米组成,长度在不超过6米的情况下可任意组装。