高处作业吊篮(四方)验收表
- 格式:doc
- 大小:37.50 KB
- 文档页数:2
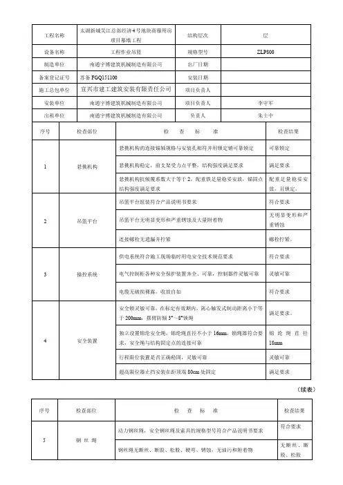
工程名称太湖新城吴江总部经济4号地块商服用房项目幕墙工程结构层次层设备名称工程作业吊篮规格型号ZLP800制造单位南通宇博建筑机械制造有限公司出厂日期备案登记证号苏备FGQ151100 安装日期施工总包单位宜兴市建工建筑安装有限责任公司项目负责人安装单位南通宇博建筑机械制造有限公司项目负责人李守军出租单位南通宇博建筑机械制造有限公司负责人朱士中序号检查部位检查标准检查结果1 悬挑机构悬挑机构的连接锚轴规格与安装孔相符并用锁定销可靠锁定可靠锁定悬挑机构稳定,前支架受力点平整,结构强度满足要求满足要求悬挑机构抗倾覆系数大于等于2,配重铁足量稳妥安放,锚固点结构强度满足要求配重足量稳妥安放,且锁定。
2 吊篮平台吊篮平台组装符合产品说明书要求符合要求吊篮平台无明显变形和严重锈蚀及大量附着物无明显变形和严重锈蚀连接螺栓无遗漏并拧紧螺栓拧紧。
3 操控系统供电系统符合施工现场临时用电安全技术规范要求符合要求电气控制柜各种安全保护装置齐全、可靠,控制器件灵敏可靠灵敏可靠电缆无破损裸露,收放自如符合要求4 安全装置安全锁灵敏可靠,在标定有效期内,离心触发式制动距离小于等于200mm,摆臂防倾3°~8°锁绳满足要求。
独立设置锦纶安全绳,锦纶绳直径不小于16mm,锁绳器符合要求,安全绳与结构固定点的连接可靠锦纶绳直径18mm行程限位装置是否正确稳固,灵敏可靠灵敏可靠超高限位器止挡安装在距顶端80cm处固定满足要求(续表)序号检查部位检查标准检查结果5 钢丝绳动力钢丝绳,安全钢丝绳及索具的规格型号符合产品说明书要求符合要求钢丝绳无断丝、断股、松股、硬弯、锈蚀,无油污和附着物无断丝、断股、松股钢丝绳的安装稳妥可靠稳妥可靠6 技术资料吊篮安装和施工组织方案齐全安装、操作人员的资格证书齐全防护架钢结构构件产品合格证齐全产品标牌内容完整(产品名称、主要技术性能、制造日期、出厂编号、制造厂名称)内容完整7 防护施工现场安全防护措施落实,划定安全区、设置安全警示标识措施齐全产权单位验收意见:负责人(签字):(盖章)年月日安装单位验收意见:负责人(签字):(盖章)年月日使用单位验收意见:项目负责人(签字):(盖章)年月日监理单位验收意见:总监理工程师(签字):(盖章)年月日施工总承包单位验收意见项目负责人(签字):(盖章)年月日注:本表由施工单位填报,监理单位、施工单位、产权单位、安拆单位各存一份。
高处作业吊篮安装自检表及高处作业吊篮使用验收表
安全装置安全绳应完好且不得固定在悬挂机构超载保护装置应有效设置超载
保护的
制动器工作可靠
手动下降有效,便于操作
电气系统电缆线无破损,固定整齐绝缘电阻不得小于0.5MΩ漏电保护应设置漏电保护,接地(接零)吊篮的电气元件应有可靠的配电箱元件固定整齐,有防水、防尘吊篮上使用的电动工不得超过220V电压的电动工具其他
验收意见
检查人员:检查日期:
附表2:高处作业吊蓝使用验收表
续表
注:本表由施工单位填报,监理单位、施工单位、租赁单位、安拆单各存一份。
编号工程名称项目负责人总包单位设备型号监理单位额定载荷使用单位台数安装单位验收日期验收项目验收结果技术资料经过审批合格的安装、技术方案出租单位营业执照、产品合格证齐全安全锁的标定证书安装人员的操作证件产品标牌内容是否齐全(产品名称、主要技术性能、制造日期、出厂编号、制造厂名称)吊篮平台防护吊篮主结构有无开焊或明显腐蚀,螺栓有无松动、缺损,外框有无明显变形、锈蚀吊篮平台硬用所需的长度不能超过厂家使用说明书所规定长度吊篮平台底板四周是否装有标准高度的踢脚板、吊篮平台底板是否有防滑措施提升机构提升机构的所有装置外露部分是否装防护装置提升机的连接螺母是否紧固电磁制动器和机械制动器是否灵敏有效安全装置上、下行程限位装置是否灵敏可靠超高限位器止挡安装在距顶端8Ocm处固定安全锁灵敏可靠,在标定有效期内,离心触发式制动距离1OOcm,摆臂防倾3一8度锁绳独立设置保险绳,直径不小于16mm的锦纶绳,锁绳器符合要求钢丝绳钢丝绳无断丝、磨损、扭结、变形、腐蚀、无沙砾、灰尘附着,符合吊篮安全使用要求钢丝绳的固定是否符合要求钢丝绳坠重应距地15cm垂直绷紧悬挂机构悬挂机构的零部件是否齐全正确,安装是否符合要求,钢结构有无开焊、变形、裂纹、破损配重应固定牢固,重量及块数(是否符合要求) 悬挂机构挑梁外伸长度及两根挑梁之间的距离是否符合标准,悬挂机构前高后低设置,纤维张紧度为前端上翘2-3cm,抗倾覆系数是否符合安全使用要求(X≥2)电气系统电动吊篮专用箱必须达到一机、一闸、一漏配电箱外壳的绝缘电阻不小于0.5兆欧电线、电缆有无破损,供电电压380±10% 电气系统各种安全保护装置是否齐全、可靠电气元件是否灵敏可靠验收人签字(盖章)监理单位总包单位分包单位安装单位符合验收程序,同意使用 ( )不符合验收程序,重新组织验收 ( )。