供应商年度审核表
- 格式:xls
- 大小:87.50 KB
- 文档页数:16
广日电梯供应商审核表概述1.考核考核内容包括6大类,共24条标准,每条标准分为五级。
本审核表主要用于能力性采购件和功能性采购件这两种供应商的审核,零星采购件供应商由职能部门直接对其进行审核。
广日电梯对供应商进行现场鉴定,并依据现有的证明材料评估供应商对24条标准的每一条达到5个等级中的等级情况。
考核人员对供应商的质量体系、工艺控制和对质量建议的承诺方面能在考核时进行公证的评价。
生产外包及设计外包厂家,相关条款可以不考核。
2.考核等级考核等级的规定是积累式的,每个等级包括规定的特征和前面所有等级的特3.处理办法《供应商审核表》的审核结果只是供应商管理的依据之一,达到此表中的相应级别的要求只是供应商能成为相应等级资格的必要条件之一。
供应商如有明显的局部缺陷,可对其提出《供应商审核表》审核结论判定中的全部附加判定的任何一项或多项。
连续三年达到合格要求供应商可把审核频率调为每两年一次,在完成纠正措施任务并取得不断进步的潜在供应商经确认后可升级为合格供应商。
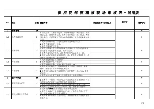
审核项目和评分1.质量管理部门及体系1.1 管理部门明确并制定了关于质量的方针、目标和有效政策。
1.2 管理部门规定支援质量方针、质量目标和质量体系的组织机构。
1.3 有不断衡量和改进自身能力而制定的系统:1.4 把质量策划作为制定和落实质量体系的重要基础。
1.5 对故障成本进行评估是改进质量工艺水平的重要手段1.6 有合适和充分的培训来保证质量管理工作的有效性2.纠正与预防控制2.1 测量设备的控制2.2 在生产的所有阶段,正确处理不合格产品,并采取纠正措施:2.3 生产过程对生产材料和产品按质量状况进行标识:2.4 供应商用适当的统计控制工艺以推动工艺改进并增加一次通过产品:2.5 进行最终检验和包装审核以确定产品可以发出3.设计控制3.1 建立了对所有图纸、规范、程序和工作说明的更改与修订进行控制3.2 新产品更新系统3.3 新产品研发控制4.工艺控制4.1 供应商用控制计划和流程图详细说明为保证达到质量要求:4.2 供应商有书面作业指导书,在涉及关键特性的所有操作中得到贯彻:4.3 制定并落实了有效的预防性设备维修保养系统5.产品实现过程控制5.1 存在一个系统来确保原始合同和合同修改能按用户要求执行5.2 进行采购材料控制以确保采购材料符合要求5.3 供应商有系统的产能分析来确保有能力满足顾客对生产和保有能力的要求5.4 生产现场有利于生产组织,有利于降低生产者劳动强度。
供方名称:评估产品:企业地址:评估人员:主要产品:评估日期:评估项目总分评估内容一、配套情况(总分:5分)51、当前主机厂配套情况(5分)(3分)(1分)52、体系证书(5分)(4分)(3分)(2分)(2分)63、质量管理体系运行(1分)(2分)(2分)(1分)64、质量目标管理(1分)(1分)(2分)(2分)56、员工技能及培训(1分)(1分)(1分)(1分)(1分)47、项目管理(1分)(1分)(1分)(1分)58、变更管理(1分)(1分)(1分)(1分)(1分)二、质量管理体系(总分:29分)三、开发及流程管理(总分:14分)1、是否有完整的项目开发管理流程2、是否按开发管理流程实施3、相关项目管理的实施记录4、开发文件满足顾客节点要求,项目开发问题在量产前100%关闭1、建立变更管理流程2、在实施变更前,对变更效果进行了充分的验证3、对相关联的作业要求和文件进行了同步更新4、对变更前后的产品批次进行了有效断点5、4M管理看板为最新状态1、合资或外资主机厂配套2、普通主机厂配套3、汽车行业配套零部件供应商1、有IATF16949质量体系认证证书、ISO14000认证证书、ISO18001认证证书2、有IATF16949质量体系认证证书、ISO14000认证证书3、有IATF16949质量体系认证证书4、有ISO9001质量体系认证证书5、有质量体系文件,有认证计划6、3C证书(专用3C件:必须有3C证书,如没有,本大项0分)1、内审人员经体系认证培训,并获得内审员证书2、有产品、过程、体系、管理评审审核计划,并实施输出报告3、对于审核输出项持续改善的4、1~4级质量管理体系文件清单齐全1、有质量方针和目标并且按过程分解2、定期对分解目标进行监控的3、并对未达标项目进行分析整改及有效测量最终效果4、质量方针和质量目标被员工100%所理解1、内外部年度培训计划2、培训计划有效实施,记录齐全3、员工技能矩阵表、顶岗计划表4、关键岗位清单及资格证书5、入职培训和转岗培训记录评分标准供应商自评得分评估人评估得分供应商评估表-质量评估基本信息59、过程流程图/FMEA/特殊特性清单/CP/SOP评审(1分)(1分)(1分)(1分)(1分)610、分供方管理(1分)(1分)(1分)(1分)(1分)(1分)611、进货质量控制(2分)(2分)(2分)五、检测设备/测量系统管理(总分:10)1012、检测设备/测量系统管理(2分)(2分)(2分)(2分)(2分)613、可追溯性管理(2分)(2分)(2分)1414、生产过程管理(2分)(2分)(2分)(2分)(2分)(2分)(2分)315、现场管理(1分)(1分)(1分)四、二级供应商控制(总分:12分)六、过程能力展现(总分:23)1、有年度MSA分析计划,并且按计划实施2、有量检具台账、校准计划、维护计划,并有实施记录3、量检具状态标签是否齐全(合格、待修、停用、校验标签)4、现场确认检具完好且有效,检验报告与实测一致,人员按照作业指导书操作5、自有或者有合作单位进行功能性和耐久性试验1、建立了批次管理程序2、实施部件,原料、产品的批次管理,从入库材料到出厂产品,是否能追溯3、能够保证先进先出原则1、设备先进(进口自动化设备、数控设备等)2、生产设备、工装、模具合理性,有维护保养计划,并按照计划执行,且记录完整规范3、员工生产过程严格执行了各项作业指导书4、对关键产品特性和过程特性进行了特别控制5、自互专、首中末检验按照标准执行,检验记录完善,首中末件进行管理6、对不合格品和可疑品进行了标识、隔离、判断和处置7、按照规定实施了出厂检验和试验1、现场5S很好:干净整洁,划线清晰,工具、产品、物料摆放规范2、生产场所是否布置有序、照明、空气流通、物流是否适宜3、5S评价结果激励、不符合事项改善、目视化管理1、过程流程图/FMEA/特殊特性清单/CP/作业指导文件是否齐全2、过程流程图/FMEA/特殊特性清单/CP/作业指导文件是否及时更新3、过程流程图、FMEA、生产现场的控制计划、作业指导文件等一致性相符4、特殊特性在FMEA、CP、流程图、特殊特性清单、操作指导书体现并且一致5、现场是否按照CP、作业指导文件进行控制1、新供应商有准入流程,且按照要求执行2、有分供方APQP/PPAP管理流程3、分供方参与APQP,且满足项目时间节点要求4、分供方绩效评估包含且不限于开发、质量、交付、售后等,分供方绩效评估记录详细5、有分供方质量问题处理流程,按类似8D工具解决6、分供方反馈的8D报告完整。
自查要求证据、附件得分1附本年度质量方针和目标2附最近3年质量目标达成情况汇总表3附最近3个月质量目标未达成分析、改善措施落实情况表4附品质会议会议记录5提供ISO 9000体系证书编号6附体系文件清单7提供ISO 14001体系证书编号8附最近一期审核记录9提供我司产品《控制计划》的文件编号10例举主要工序11简单描述提供我司产品的生产流程12例举两份作业指导书名称和文件编号13简单描述如何确保现场使用的均为最新版本?14附现场正在使用的作业指导书15附关键岗位上岗证16附“培训中”员工标识17附作业员考核计划18提供相关文件名称、编号19提供相关文件名称、编号20简单描述如何停止不良继续产生,提供相关文件名称、编号21提供相关文件名称、编号供应商自查结果我司最终评分序号分类质量体系是否通过ISO 9000认证?体系相关流程是否完备?是否作文件化管理?质量目标未达成的差异有否在会上评审?有否提出相应的改善措施并实施?品质会议是否定期召开?品质会议的决策是否有良好的事后管理?主要内容产品生产过程控制是否具备详细的控制计划?质量控制计划中是否明确定义各工序的管理项目和质量检测项目?外协厂和代理商是否按ROHS要求被审核?是否有首件确认制度并加以实施?对于正在培训中的作业员有没有特殊标识加以识别?作业员资格有没有进行定期的考核?质量/环境体系每一个作业工位是否都有作业指导书?作业指导书是否都有版本控制且现场均为最新版本?文件上是否有操作重点或注意事项的说明?作业员是否经过适当培训并有培训记录,关键工位作业员是否具有资格认定?过程检验发现不良时,是否立即有停止不良继续产生?对关键工序和特殊工序是否有特殊控制手段?环境体系是否通过ISO 14001认证?过程控制供 应 商 审 核 表是否建立明确的品质方针和目标?且被理解。
确认最近3年内的品质目标达成状况是否稳定提升?是否清楚地定义每种产品的生产流程?是否有制程检验规程并加以实施?自查要求证据、附件得分供应商自查结果我司最终评分序号分类主要内容供 应 商 审 核 表程控制自查要求证据、附件得分供应商自查结果我司最终评分序号分类主要内容供 应 商 审 核 表程技术。