第4章建设工程定额体系
- 格式:ppt
- 大小:8.43 MB
- 文档页数:7
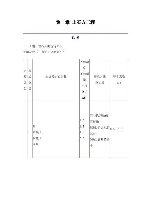
第一章土石方工程说明一、土壤、岩石分类规定如下:土壤及岩石(普氏)分类表1-1二、人工土方1.人工挖地槽、地坑定额深度最深为6m,超过6m时,可另行计算。
2.人工挖土不分干、湿土,均按定额执行。
3.人工挖土方、地槽、地坑,普硬土是按表1-1综合取定的,如实际全部为I、II类土时,应按普硬土定额乘以系数0.85。
4.淤泥与湿土的区分:地下静止水位以下的土层为湿土;堆积起来不能成型或具有流变性质的为淤泥或流沙。
5.人工挖土定额中未包括地下水位以下施工的排水因素,发生时另行计算。
挖土方时如有地表水需要排除时,亦应另行计算。
6.在有挡土板支撑下挖土方时,按实挖体积,人工乘以系数1.43。
7.挖桩间及桩顶1m以内土方时,按实挖体积(不扣除桩体占用体积),人工乘以系数1.25。
8.人工平整场地是指厚度在±30cm以内挖、填及找平。
挖、填土方厚度超过±30cm时,按挖土方计算。
三、机械土石方1.机械挖土均以天然湿度土壤为准。
若含水率大于25%,定额人工、机械乘以系数1.15。
若含水率大于40%,另行计算。
2.机械挖土方,单位工程量小于2000m3时,定额乘以系数1.1。
3.推土机推土、推石渣,铲运机铲运土,重车上坡,坡度大于5%时,其运距按坡度区段斜长乘以表1-2所列系数计算。
坡度大于5%,其运距乘以系数表1-24.汽车、人力车,重车上坡降效因素,已综合在相应的运输定额项目中,不另计算。
5.机械挖土方工程量,按机械挖土方90%,人工挖土方10%计算,人工挖土部分按2.Om以内定额项目人工乘以系数1.5,土壤类别同机械挖土。
6.推土机推土或铲运机铲土土层平均厚度小于30cm时,推土机项目,其台班用量乘以系数1.25;铲运机项目,其台班用量乘以系数1.17。
7.挖掘机在垫板上进行作业时,人工、机械乘以系数1.25,定额内不包括垫板铺设所需的人工、材料和机械的消耗。
8.推土机推未经压实的堆积土时,按相应定额项目台班用量乘以系数0.73。