活塞连杆组拆装评分标准
- 格式:doc
- 大小:53.00 KB
- 文档页数:3
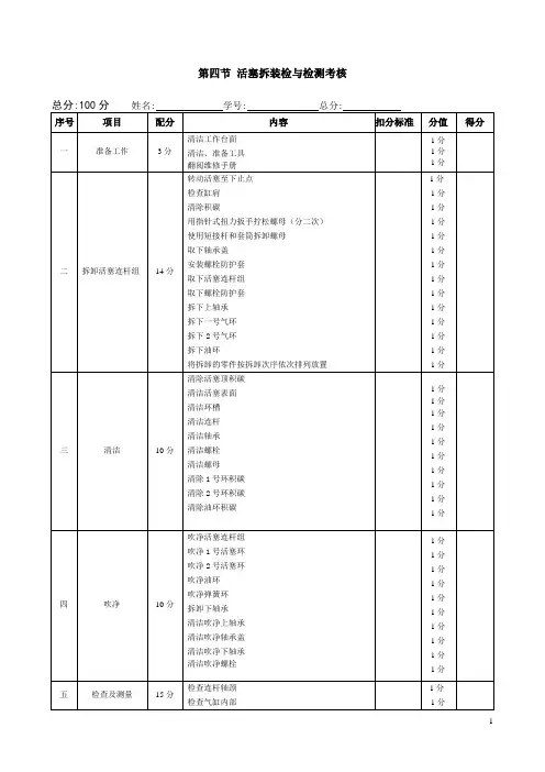
单缸活塞连杆组拆装与测量评分细则参赛号:竞赛时间::——:得分:序号考核项目评分要素配分评分标准1 作业时间: min考核时限30min,时间一到,停止操作。
裁判员记录考核时间,以备评分参考。
2 拆装前准备 2 未做扣2分3 检查连杆和盖的配合标记2 未做扣2分4 拆卸连杆总成10 漏做1项扣1分;不清洁就组装扣5分;扣完配分为止5 拆下活塞环组10 不正确使用工具扣2分;拆断活塞环扣10分;不按正确的顺序摆放扣2分6 清洁带活塞销的活塞分总成3 每少做一项扣1分7 测量活塞直径 5 不正确使用量具扣2分;测量不正确扣3分8 检查活塞环槽间隙10不正确使用工具扣2分;测量不正确扣6分;未填写作业表扣3分9 检查活塞环端隙10 不正确使用工具扣2分;测量不正确扣6分;未填写作业表扣3分10 清洁活塞与活塞环3 未清洁每项扣1分11 安装活塞环组8 不正确使用工具扣2分;序号考核项目评分要素配分评分标准1 作业时间: min考核时限30min,时间一到,停止操作。
裁判员记录考核时间,以备评分参考。
安装中断活塞环扣6分;方向安装错误每一道环扣2分12 按图示布置活塞环端8方向安装错误每一道环扣2分13 安装连杆轴承 4 每安装错误一项扣2分14 安装连杆分总成10 未装连杆螺栓护套扣2分;未润滑扣2分;安装不正确扣3分;安装中断活塞环扣5分。
(扣完配分为止)15把连杆盖装在连杆上10每操作错误或未做一项扣1分;拧紧力矩每错一项扣2分。
16 安全文明生产 5 未做扣完配分合计100单缸活塞连杆组拆装与测量作业表参赛号比赛时间: -- :检测项目测量活塞直径检查活塞环槽间隙检查活塞环端隙检测记录(mm)处理意见裁判员:______________ 年月日气缸磨损检验记评分细则参赛号:竞赛时间::——:得分:序号考核项目评分要素配分评分标准1 考核时限作业时间: min考核时限20min,时间一到,停止操作。
普桑发动机活塞连杆组拆装作业标准及相关数据
1、活塞直径﹕标准值80.98㎜,最大偏差0.04㎜于活塞下缘离裙部底边约15㎜处测量。
测量前需校准千分尺并计算误差。
超过误差应更换合适的活塞。
2、气缸内径﹕标准值81.01㎜,最大偏差0.08㎜,。
横向是指曲轴方向。
圆度、圆柱度
误差不大于0.005㎜,否则应对气缸进行镗削加工。
3、油膜间隙﹕标准值0.035~0.045㎜。
将活塞倒装入气缸,用塞尺测量间隙。
4、第一道活塞环∶侧隙0.03~0.06㎜,端隙0.30~0.45㎜。
活塞环位于气缸平面下约15
㎜处测量。
若不符合规定应重新选配活塞环。
5、活塞连杆组拆装注意事项∶
①对活塞做标记,打上气缸号及指示发动机前端的箭头。
②拆卸连杆及连杆轴承盖时应打上气缸号,安装时连杆浇铸标记应朝向发动
机前端。
③安装时连杆螺栓、螺母的螺纹,螺母与轴承盖的接触面,轴承盖与连杆接
触面都需要涂抹机油。
螺母的拧紧力矩为30n.m,再转180度。
连杆螺
栓必须更换。
④活塞环开口互错120°,有标记面朝上。
镀铬的为第一道环。
安装顺序为
油环的下刮片→油环的衬簧→油环的上刮片→第二道环→第一道环。
⑤拆装时要对零部件认真细致地进行清洗,正确使用工量具,特别是千分尺
和百分表的调教,不能有丝毫偏差,否则会直接影响测量数据的准确性。
⑥熟练翻阅维修手册,合理分配时间,清洁整理工具,文明安全规范作业,
冷静处理突发情况。
汽车类专业学生专业技能考试
考核类型:基本技能考核题
试题编号:11
项目名称:活塞连杆组的拆装
一、考点准备
1、工位要求
(1)考场应明亮、卫生、整洁,设备仪器及工量具应准备到位;
(2)每个考场不少6个工位,每个工位场地面积不小于10平方米;
(3)所有工量具都存放于工具箱内,所有操作均在操作台上完成;
(4)配备带发动机总成的翻转架(已拆除外围附件、油底壳、集滤器、气缸盖)。
2、工具仪器设备清单
二、考生注意事项
1、考生应着工作装,操作过程应规范、标准,注意人身安全;
2、拆卸单缸活塞连杆组,考核时间为25分钟,考核时间到考生应停止操作;
3、其他与考试无关人员不得进入考场;
4、考试完毕的学生应马上离开考场。
附件1:评分标准(考官用)
附件2:操作工单(学生用)
活塞连杆组的拆装评分标准
考核起止时间:选手签号:监考员签字:
活塞连杆组的拆装操作工单考核日期:选手签号:。