混凝土课程设计单向板设计完整模板
- 格式:doc
- 大小:1.40 MB
- 文档页数:19
目录一、设计资料-----------------------------------------------------------1二、楼盖梁格布置及截面尺寸确定----------------------------------------- 1三、板的计算---------------------------------------------------------11、荷载简化---------------------------------------------------------12、计算简图---------------------------------------------------------23、板正截面受弯承载力计算-------------------------------------------2四、主梁设计-----------------------------------------------------------31、荷载设计值-------------------------------------------------------32、主粱承载力计算---------------------------------------------------43、次梁两侧附加横向钢筋计算-----------------------------------------5五、绘制施工图---------------------------------------------------------6钢筋混凝土整体式单向板肋形楼盖设计一、设计资料某厂房楼盖,现用浇筑钢筋混凝土肋形结构,楼盖平面尺寸为18×45m,活荷载3kN/m2。
楼盖搁置在370mm的砖墙上(轴线距内墙边缘120mm)。
楼层构造为20mm厚水泥砂浆面层,12mm厚石灰砂浆找平及粉刷。
.网络教育学院《钢筋混凝土结构课程设计》题目:厂房单向板设计大连理工大学网络教育学院毕业论文(设计)模板学习中心:专业:年级:学号:学生:指导教师:一、设计资料1、厂房平面示意图:如图所示:图 1-1 :厂房平面示意图2、建筑构造①生产车间的四周外墙均为370mm承重砖墙,内设钢筋混凝土柱,其截面尺寸为 300mm 300mm ,柱高为 4.5m .②楼盖面层做法 :20mm厚水泥砂浆面层20mm厚混合砂浆天棚抹灰③梁侧抹灰做法:15mm厚混合砂浆抹灰3、荷载参数楼面活荷载:水泥砂浆容重:钢筋混凝土容重混合砂浆容重:恒载分项系数:活载分项系数:4、建筑材料大连理工大学网络教育学院毕业论文(设计)模板36.0kN / m 3 20kN / m ; 3 25kN / m ; 3 17kN / m ; G 1.2 ;Q1. 3(因工业厂房楼盖楼面活荷载标准值大于4kN / m 2 )。
混凝土: C 25钢 筋:主梁及次梁受力筋采用 HRB335 级钢筋,板及梁内的其他钢筋采用HPB 235 级钢筋 . 5、建筑尺寸L B 33m 18m二、屋盖结构平面图B3B1B12 0主梁2620 02 00 B2次梁B4B20 00 0柱20 02 02 6B1B3B12660066006600 660066001 2 3 4 5 6图 2-1 :楼盖结构平面布置图 单位: mmDCBA2 单向板结构设计2.1板的设计本节内容是根据已知的荷载条件对板进行配筋设计,按塑性理论进行计算。
板按考虑塑性内力重分布方法计算。
板的l 2 6600mm >3,宜按单向板l 23.32000mm设计,本设计按单向板设计。
板的的厚度按构造要求取 h 80mml 1 2000 450mm mm 次.梁截面高度取40h=500mm >l 26600 截面宽度板尺寸及支承情况图如图3-115440 mm,b=200 mm,15所示。
( a )Ag+q=11.09kN/m( b )图 3-1 :板的尺寸和计算简图 ( a )板的尺寸 ( b )计算简图1、荷载(取 1m 宽板带为计算单元)恒载标准值20 mm 水泥砂浆面层 0.02 20kN / m30.4kN / m 2 80 mm 钢筋混凝土板 0.0825kN / m 32.0kN / m 2 20 mm 混合砂浆天棚抹灰0.02 17kN / m 30.34kN / m 2g k2.74 kN / m 2 线设计值 g 1.21m 2.74kN / m 2 3.29kN / m活荷载设计值 q 1.3 1m6.0kN / m 27.8kN / m合计11.09kN / m即每米板宽g q11 .09kN / m2、内力计算计算跨度l nh 0.2m 0.08m边 跨22.0m 0.12m21.82m2l 0 l n a 2.0m 0.12m 0.2m 0.12m 1.84m 1.82m2 2 2取l 0 1.82m中间跨l 0 2.0 0.2 1.8m计算跨度差 1.82m 1.8m 1.0% 10% ,说明可按等跨连续板计算内力。
丽水学院课程设计设计题目:钢筋混凝土现浇楼盖设计课程名称:钢筋混凝土结构院系:工学院班级:土木 102组别:单向板第 26 组成员学号:陈静 05号张呈羿 27号吴佳雯31号设计时间:2013年11月11日至11月15日共一周二0一三年11月11日目录目录------------------------------------------------- 1 设计说明--------------------------------------------- 2 设计资料--------------------------------------------- 2 设计计算书及施工平面布置----------------------------- 3⏹结构布置、截面尺寸选择---------------------------- 3⏹板的设计------------------------------------------ 5⏹次梁设计------------------------------------------ 8⏹主梁设计------------------------------------------13 附图---------------------------------------------------⏹附图3-1楼板配筋图-------------------------------- 7⏹附图4-1次梁配筋图--------------------------------12⏹附图5-1主梁配筋图--------------------------------19 参考文献---------------------------------------------20钢筋混凝土现浇楼盖设计说明书一、设计说明及设计资料1、设计目的和方法本课程设计的任务是:根据所给设计资料进行钢筋混凝土单向板肋梁楼盖的设计,目的是要掌握受弯构件正截面、斜截面承载力计算,熟悉肋梁楼盖结构布置要点:理解钢筋混凝土塑性变形内力重分布的基本概念;掌握连续梁、板的设计方法,荷载取值及内力计算;熟悉弯矩包络图、抵抗弯矩图的绘制方法;掌握梁、板配筋的构造要求;同时要熟悉计算中的各项规定。
单向混凝土楼板课程设计一、课程目标知识目标:1. 学生能理解单向混凝土楼板的定义、分类及结构特点。
2. 学生能掌握单向混凝土楼板的受力原理和计算方法。
3. 学生了解单向混凝土楼板在建筑结构中的应用及优缺点。
技能目标:1. 学生能够运用所学知识,分析并解决单向混凝土楼板在实际工程中的问题。
2. 学生能够根据工程需求,选择合适的单向混凝土楼板类型,并进行简单的设计计算。
3. 学生通过课堂讨论和实践活动,提高沟通协作能力和动手操作能力。
情感态度价值观目标:1. 学生培养对建筑结构工程的兴趣,提高对专业学习的热情和积极性。
2. 学生认识到单向混凝土楼板在现代建筑中的重要性,增强对工程质量的敬畏意识。
3. 学生在团队协作中,培养合作精神,尊重他人意见,提高自身职业素养。
本课程针对高年级土木工程专业学生,结合学科特点和学生需求,以提高学生对单向混凝土楼板的理论知识和实践技能为目标。
通过本课程的学习,使学生能够更好地将理论知识应用于实际工程,培养具备创新精神和实践能力的土木工程人才。
同时,注重培养学生的职业素养和情感态度,使他们在未来的工作中更好地为社会服务。
二、教学内容1. 单向混凝土楼板的基本概念:包括定义、分类及结构特点。
教材章节:第二章 混凝土结构基本构件2. 单向混凝土楼板的受力原理:介绍单向板和双向板的受力特点及区别。
教材章节:第三章 混凝土楼板与屋面板3. 单向混凝土楼板的设计计算方法:包括荷载计算、抗弯承载力计算、裂缝宽度验算等。
教材章节:第四章 混凝土构件设计计算4. 单向混凝土楼板在实际工程中的应用案例分析:分析不同类型的单向混凝土楼板在实际工程中的应用及优缺点。
教材章节:第五章 工程案例分析5. 单向混凝土楼板施工技术及质量控制:介绍单向混凝土楼板的施工工艺和质量要求。
教材章节:第六章 混凝土结构施工技术教学内容安排和进度:第一周:单向混凝土楼板基本概念、分类及结构特点。
第二周:受力原理及单向板与双向板的区别。
单向板混凝土课程设计一、课程目标知识目标:1. 让学生了解单向板混凝土的基本概念,掌握其组成、性质及分类。
2. 使学生理解单向板混凝土的力学性能,包括抗拉、抗压强度等。
3. 让学生掌握单向板混凝土的制作工艺,了解施工过程中应注意的问题。
技能目标:1. 培养学生运用单向板混凝土进行结构设计的能力,能根据实际需求选择合适的混凝土类型。
2. 提高学生实际操作能力,能独立完成单向板混凝土的制作和养护过程。
3. 培养学生分析、解决实际工程问题的能力,能针对单向板混凝土结构进行简单计算。
情感态度价值观目标:1. 激发学生对建筑工程学科的兴趣,培养其主动学习的态度。
2. 培养学生严谨、细致的工作作风,提高其团队合作意识。
3. 引导学生关注混凝土材料在环境保护和可持续发展方面的作用,树立绿色建筑理念。
本课程针对八年级学生,结合学科特点和教学要求,以实用性为导向,旨在使学生在掌握单向板混凝土基本知识的基础上,提高实际操作能力和解决实际问题的能力。
通过本课程的学习,使学生能够更好地将理论知识应用于实践,为未来从事建筑工程领域工作奠定基础。
二、教学内容1. 单向板混凝土基本概念:包括混凝土的定义、组成、分类及单向板的含义。
- 教材章节:第二章“混凝土基本知识”2. 单向板混凝土的力学性能:介绍单向板混凝土的抗拉、抗压强度等力学性能指标。
- 教材章节:第三章“混凝土的力学性能”3. 单向板混凝土的制作工艺:讲解单向板混凝土的制作、养护及施工过程中的注意事项。
- 教材章节:第四章“混凝土的制作与养护”4. 单向板混凝土的应用:分析单向板混凝土在实际工程中的应用,以案例形式展示。
- 教材章节:第五章“混凝土结构的应用”5. 单向板混凝土结构设计:教授学生如何根据实际需求选择单向板混凝土类型,并进行简单结构设计。
- 教材章节:第六章“混凝土结构设计”教学内容安排和进度:第一课时:单向板混凝土基本概念第二课时:单向板混凝土的力学性能第三课时:单向板混凝土的制作工艺第四课时:单向板混凝土的应用第五课时:单向板混凝土结构设计本章节教学内容注重科学性和系统性,结合教材章节和课程目标,有序安排教学进度,旨在帮助学生全面掌握单向板混凝土相关知识,为实际应用打下基础。
《钢筋混凝土结构课程设计》计算书目录一、设计资料 (2)二、板的计算 (2)1、荷载 (3)2、内力计算 (3)3、截面承载力计算 (4)三、次梁计算 (4)1、荷载 (5)2、内力计算 (5)3、截面承载力计算 (6)四、主梁计算 (8)1、荷载 (8)2、内力计算 (9)3、截面承载力计算 (11)4、主梁附加箍筋计算 (13)五、附图 (13)1、板的平法配筋图(参见图纸) (13)2、次梁截面配筋图(参见图纸) (13)3、主梁截面配筋图(参见图纸) (13)一、设计资料某多层民用建筑,采用框架结构,楼盖梁格布置图见任务书。
<1>楼面为水磨地面,恒载标准值0.65KN/㎡;板底抹灰20mm厚,恒载标准值0.34 KN/㎡。
<2>楼面活载标准值为4.0 KN/㎡<3>恒载分项系数为1.2;活载分项系数为1.4< 4>材料选用:混凝土采用C20(9.6N/, 1.10N/)钢筋梁中受力纵筋采用HRB335级(300N/)其余采用HPB235级(210N/)二、板的计算板考虑弹性理论的内力方法计算。
板得L2/L1=6000/2500=2.4< 3,宜按照双向板进行设计,,若沿短向方向受力的单向板计算时,应沿长边方向布置足够数量的构造钢筋。
本计算书按单向板设计。
因为板、梁不做刚度验算时,板的厚度h=(L1/30~L1/40) =(80~60)mm 80mm(构造厚度要求),所以板的厚度取h=80mm;次梁截面厚度h=(l2/12~l1/18)=(500~333)mm,可取次梁高度h=450mm,截面宽度取b=200mm,板尺寸及支承情况如图2.1(a)(b)所示。
图2.1 板的尺寸和设计简图(a) 板的尺寸(b) 计算简图1、荷载恒载标准值水磨地面 0.65KN/㎡80mm 钢筋混凝土板 0.08×25 KN/m3 =2.00 KN/㎡ 板底抹灰 0.02×17 KN/m3 =0.34KN/㎡ g=2.99 KN/㎡ 线恒载设计值 g=1.2×2.99 KN/㎡=3.59KN/m 线活载设计值 q=1.4×4.0 KN/㎡=5.60KN/m合计 9.19KN/m 即每米板宽 g+q=9.19KN/m2、内力计算计算跨度, 取墙厚250mm ,板在墙体的支承长度a=120mm 边跨 2h l n +=2500-120-2802200+=2.32m2a l n +=2500-120-21202200+=2.34m>2.32m,所以= 2.32m中间跨 =0l 2500-200=2300mm=2.30m计算跨度差(2.32m-2.30m )/2.30m=0.9%<10%,说明可按等跨连续梁板计算内力(为简化起见,取=2.30m )。
钢筋混凝土单向板肋梁楼盖课程设计任务书一、设计题目及目的题目:设计某三层轻工厂房车间的整体式钢筋混凝土单向板肋梁楼盖。
目的: 1、了解单向板肋梁盖的荷载传递关系及其计算简图的确定。
2、通过板及次梁的计算,掌握考虑塑性内力重分布的计算方法。
3、通过主梁的计算,掌握按弹性理论分析内力的方法,并熟悉内力包络图和材料图的绘制方法。
4、了解并熟悉现浇梁板的有关构造要求。
5、掌握钢筋混凝土结构施工图的表达方式,制图规定,进一步提高制图的基本技能。
6、学会编制钢筋材料表。
二、设计内容1、结构平面布置图:柱网、主梁、次梁及板的布置2、板的强度计算(按塑性内力重分布计算)3、次梁强度计算(按塑性内力重分布计算)4、主梁强度计算(按弹性理论计算)5、绘制结构施工图(1)、结构平面布置图( 1:200)(2)、板的配筋图( 1: 50)(3)、次梁的配筋图( 1: 50; 1: 25)(4)、主梁的配筋图( 1: 40; 1: 20)及弯矩 M、剪力 V 的包络图(5)、钢筋明细表及图纸说明三、设计资料1、车间类别为三类金工车间,车间内无侵蚀性介质,结构平面及柱网布置如图。
经查规范资料:板跨≥ 1.2m 时,楼面的活荷载标准值为 16.0KN/ ㎡;板跨≥ 2.0m 时,楼面的活荷载标准值为10.0KN/ ㎡;次梁(肋梁)间距≥ 1.2m 时,楼面的活荷载标准值为 10.0KN/ ㎡;次梁(肋梁)间距≥ 2.0m 时,楼面的活荷载标准值为 8.0KN/ ㎡。
数据: Lx=6000, Ly=6300 。
LLL2 楼面构造。
采用 20mm 厚水泥砂浆抹面,15mm 厚混合砂浆天棚抹灰。
3 屋面构造(计算柱内力用)。
三毡四油防水层, 20 厚水泥砂浆找平层、150 厚(平均)炉渣找坡层、 120 厚水泥珍珠岩制品保温层、一毡二油隔气层、60 厚钢筋混凝土屋面板、 15 厚混合砂浆天棚抹灰。
4 梁、柱用 15 厚混合砂浆抹灰。
钢筋混凝土单向板课程设计一、 设计资料1. 楼面做法:25mm 厚水泥砂浆面层;现浇钢筋混凝土板;12mm 白灰砂浆抹顶。
2. 材料:混凝土等级为C20,梁纵筋为HRB335,其余(板的受力钢筋、梁箍筋、板的构造钢筋)为HPB235。
二、 楼盖的结构平面布置 1. 主梁沿横向布置,次梁沿纵向布置。
主梁的跨度为7.5m ,次梁的跨度为5.7m ,主梁每跨内布置2根次梁,板的跨度为2.5m ,21/l l =5.7/2.5=2.28,可近似按单向板设计,并适当增加长跨方向的分布钢筋。
2. 按跨高比条件,要求板厚h ≥2500/40=62.5mm,对于工业建筑的楼盖板,要求h ≥70mm,因而取板厚为70mm 。
3. 次梁截面高度应满足h=00/18/12l l =5700/18 5700/12=317 475mm ,楼面荷载取值为6.02/kn m ,因而取h=450mm 。
截面宽度取为200mm 。
4. 主梁的截面高度满足h=00/15/10l l =7500/15 7500/10=500 750mm ,取h=650mm ,截面宽度取300mm 。
楼盖平面布置图见图1-1。
三、 板的设计轴线② ③、⑥ ⑦的板属于端区隔单向板,轴线③ ⑥的板属于中间区隔的单向板。
1. 荷载计算板的永久荷载标准值:水泥砂浆面层: 0.025⨯20=0.52/kn m 70mm 钢筋混凝土板: 0.07⨯25=1.752/kn m 12mm 厚石灰砂浆: 0.012⨯17=0.2042/kn m小计: 2.4542/kn m 板的可变荷载标准值: 6.02/kn m 永久荷载分项系数取1.2,但由于建筑为工业厂房且可变荷载值大于4.02/kn m ,所以可变荷载分项系数应取1.3。
于是板的永久荷载设计值 g=2.454⨯1.2=2.9452/kn m可变荷载设计值 q=6.0⨯1.3=7.82/kn m 荷载总设计值 g+q=10.75 2/kn m 2. 计算简图次梁截面尺寸为200mm ⨯350mm ,现浇板在墙上的支撑长度不小于100mm ,取在墙上的支撑长度为120mm ,按塑性内力重分布设计,板的计算跨度为: 边跨:0/2250010012070/22315n l l h =+=--+=<n l +a/2=2340mm,取0l =2320mm ;中间跨:0l =n l =2500-200=2300mm.因跨度相差小于10%,可按等跨连续板计算。
目录1.设计任务书 (1)2.设计计算书 (2)3.平面结构布置 (3)4.板的设计 (5)5.次梁设计 (5)6.主梁设计 (5)7.关于计算书及图纸的几点说明 (5)附图1.平面结构布置图 (5)附图2.板的配筋图 (5)附图3.次梁的配筋图 (5)附图4.主梁的配筋图 (6)单向板肋梁楼盖课程设计计算书一、 平面结构布置确定主梁的跨度为m 6.6,次梁的跨度为6.6m ,主梁每跨内布置两根次梁,板的跨度为m 2.2。
楼盖结构布置图如下:(1)楼面构造层做法:20mm 水磨石面层;钢筋混凝土现浇板;20mm 石灰砂浆抹底。
(2)活荷载:标准值为26/k Q kN m =。
(3)恒载分项系数为1.2G r =;活荷载分项系数1.3Q r =(因活荷载标准值226/4/Q m m kN kN k =>)。
(4)材料选用混凝土 采用C30(fc=14.3N/mm 2,ft=1.43 N/mm 2)。
钢筋 梁内受力纵筋采用HRB335级(fy=300 N/mm 2),其余采用HPB300级(fy=270 N/mm 2)。
1l 为次梁间距, 2l 为主梁间距,3l 为柱与墙之间的间距。
二、板的计算板按考虑塑性内力重分布方法计算。
板的21/6600/22003l l ==(2l 为主梁间距,1l 为次梁间距),宜按单向板进行设计,按短边方向受力的单向板计算。
板的厚度:最小厚度h=(1/30~1/40) 1l 按构造要求为70mm ,取h=80mm (1l /40=2200/40=55mm<h )。
次梁截面高度取h=450mm (2l /15=6000/150=400mm<),截面高度b=200mm ,板尺寸及支撑情况如图(a)所示。
图a 板尺寸及支撑图(1) 荷载 恒载标准值20mm 水磨石面层 0.65 kN/m 3 x 32=0.43kN/m 2 80mm 钢筋混凝土板 0.08m x 25kN/m 3=2.0kN/m 2 20mm 石灰砂浆抹底 0.02m x 17kN/m 3=0.34kN/m 2 合计 g k =2.77 kN/m 2 线恒载设计值 g=1.2 x 2.77kN/m=3.32kN/m 线活载设计值 q=1.3 x 6kN/m=7.8kN/m 合计 11.12 kN/m 即每米板宽 g+q=11.12 kN/m(2) 内力计算 计算跨度边跨 m mm m m h l n 02.2208.022.012.02.22=+--=+ m m mm m m al n 02.204.2212.022.012.02.22>=+--=+取m lo02.2=中间跨 m m m l o 0.220.02.2=-=计算跨度差()%10%10.2/0.202.2<=-,说明可按等跨连续板计算内力(为简化计算起见,统一取m 020.2=l o )。
现浇钢筋混凝土单向板肋梁楼盖设计计算书
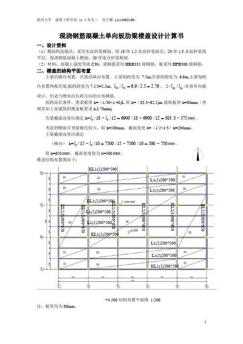
一、设计资料
( 1) 楼面构造做法: 采用水泥砂浆楼面, 即10厚1:2水泥砂浆面层; 20厚1:3水泥砂浆找平层; 现浇钢筋混凝土楼面; 20厚混合砂浆粉刷。
(2)材料: 混凝土强度等级C30; 梁钢筋采用HRB335级钢筋, 板采
用HPB300级钢筋。
二、楼盖的结构平面布置
主梁沿横向布置, 次梁沿纵向布置。
主梁的跨度为7.5m,次梁的跨度为 6.9m,主梁每跨内布置两根次梁,板的跨度为7.5/3=2.5m,
76.25.2/9.6/0102==l l , 2<0102/l l <3
按单向板设计, 但适当增加沿长跨
方向的分布钢筋。
按跨高比条件, 要求板厚h=( 1/30~1/40)L 即h=( 83.3~62.5)m 故取板厚h=80mm( 查规范知工业建筑的楼盖板要求h ≥70mm)
次
梁
截
面
高
度
应
满
足
h=mm l l 575~3.38312/6900~18/690012/~18/00==。
考虑到楼面可变荷载比较大, 取h=500mm 。
截面宽度b=( 1/2~1/3) h=200mm 。
主梁截面高度应满足
( 横向) h=mm l l 750~50010/7500~15/750010/~15/00==。
取h=650mm , 截面宽度取为b=300mm 。
楼盖结构布置图如下:
+4.500结构布置平面图 1:200 注: 板厚均为80mm 。
三、板的设计
(1)荷载
板的永久荷载标准值 取1m 宽板带计算:
10mm 厚1:2水泥砂浆面层 0.01⨯20=0.22/m kN 20mm 厚1:3水泥砂找平层 0.02⨯20=0.42/m kN 80mm 钢筋混凝土楼面 0.08⨯25=2.02/m kN 20mm 混合砂浆 0.02⨯17 =0.342/m kN 恒载小计 2/94.2m kN g k =
KL2(3)300
KL2(3)300
KL2(3)300
KL2(3)300
KL2(3)300
KL2(3)300
L1(5)200*L1(5)200*KL1(5)200
L1(5)200*
L1(5)200*
KL1(5)200*
L1(5)200*
L1(5)200*KL1(5)200
KL1(5)200
板的可变荷载标准值 2/5.6m kN q k =
永久荷载分项系数取1.2; 因楼面可变标准值大于2/0.4m kN , 因此可变荷载分项系数应取1.3。
故板的
永久荷载设计值 2/528.32.194.2m kN g =⨯= 可变荷载设计值 2/45.83.15.6m kN q =⨯=
荷载总设计值 2/978.11m kN q g =+, 近似取为2/12m kN q g =+ ( 2) 计算简图
按塑性内力重分布设计。
次梁截面为200mm ⨯500mm, 板的计算跨度:
边跨 mm l mm h l l n n 2337025.123202
80
12010025002
101=<=+
--=+= mm l mm a l l n n 2320025.123402
1201201002500201=>=+--=+
= 故取mm l 232001=
中间跨 mm l l n 2300200250002=-==
计算跨度差( 2.32-2.3) /2.3=0.87%<10%, 可按等跨连续板计算。
取1m 宽板带作为计算单元计算简图如下图。
( 3) 弯矩设计值
不考虑板拱作用截面弯矩的折减。
根据连续梁和连续单向板考虑塑性内力重分布的弯矩计算系数m α表可查得: 边支座0; 边跨中1/11;
232230*********
g+q=12kN
离端第二支座-1/11; 中间跨跨内1/16; 中间支座-1/14.故 ( 边支座) m kN M A ⋅=0
( 边跨中) m kN l q g M ⋅=⨯=+=872.511/32.21211/)(22
01
1 ( 离端第二支座) m kN l q g M B ⋅-=⨯-=+-=872.511/32.21211/)(22
01
( 中间支座) m kN l q g M C ⋅-=⨯-=+-=534.414/3.21214/)(22
02
( 中间跨跨内) m kN l q g M M ⋅=⨯=+==9675.316/3.21216/)(22
02
32 (4)正截面受弯承载力计算
环境类别一级, C30混凝土, 板的最小保护层厚度c=15mm 。
假定纵向钢筋直径d 为10mm, 板厚80mm, 则截面有效高度
mm d
c h h 602/1015802
0=--=-
-=; 板宽b=1000mm 。
C30混凝土,
0.11=α, 2/3.14mm kN f c =; HPB300级钢筋, 2/270mm N f y =。
板配筋计
算过程列于下表:
表2.2 连续板各截面配筋计算
中间区板带( ②~⑤轴线间) , 各内区格板四周与梁整体连接, 故其中间跨的跨中截面和中间支座考虑板的内拱作用, 计算弯矩能够减少20%, 其它截面则不予以减少。
计算结果表明, 支座截面的ξ均小于0.35, 符合塑性内力重分布的原
则
;
%
31.0801000/251/=⨯=)(bh A s , 此值大于
%24.0270/43.145.0/45.0=⨯=y t f f , 同时大于0.2%, 满足最小配筋率的
要求。
(5)确定各种构造配筋 1、分布钢筋选用250@6φ
2、 嵌入墙内的板面附加钢筋选用200@8φ
3、 垂直于主梁的板面附加钢筋选用200@8φ。