动车组总体
- 格式:ppt
- 大小:3.10 MB
- 文档页数:40
中南大学网络教育课程考试复习题及参考答案动车组总体及转向架一、名词解释:1.动车组2.动力集中型配置3.铰接式转向架动车组4.车辆定距5.转向架固定轴距6.列车风7.列车头部长细比8.转臂式轴箱定位9.体悬式驱动转装置10.电磁涡流轨道制动11.牵引网12.电机变频调速13.缓冲器的容量14.缓冲器的能量吸收率15.列车自动防护系统16.列车信息控制系统17.列车运行控制系统18.行车指挥自动化系统二、判断题:1.动车组以固定编组运营,不能解编。
2.现代城市轨道车辆通常采用动车组的形式。
3.动力转向架的车轴可以是全动轴,也可以是部分动轴。
4.高速动车组通常采用电气制动与空气制动的复合制动。
5.CRH6型动车组适用于城市间以及市区和郊区间的短途客运。
6.CRH系列动车组均采用磨耗型车轮踏面。
7.CRH动车组的车轴轴承均采用滚动轴承。
8.高速动车组的轴箱弹簧一般采用双圈钢弹簧。
9.CRH2动车组制动卡钳的夹紧动作是由液压缸驱动的。
10.脉冲宽度调制技术把变压与变频集中在逆变器中一起完成。
11.列车速度越高,允许的制动力越大。
12.CRH2动车组紧急制动时,采用压缩空气作为指令压力,实施纯空气制动。
13.密接式车钩允许两相连接车钩在铅垂面有相对位移。
14.正常运行时,动车组不需要使用过渡车钩。
15.CRH1动车组中间车钩可以自动连接,但需要手动解钩。
三、问答题:1.高速动车组的主要技术特点有哪些?2.高速动车组对车体结构的要求有哪些?3.高速动车组减小空气阻力的措施有哪些?4.高速列车的噪声源有哪些?5.动车组轻量化设计的措施有哪些?6.高速动车组车体为什么需要密封,密封措施有哪些?7.减小动车组噪声源发出的噪声强度的措施有哪些?8.动车组转向架的作用有哪些?由哪些部分组成?非动力转向架与动力转向架的最主要区别是什么?9.轮对低动力设计的措施有哪些?10.动车组常用的轴箱定位方式有哪些?原理是什么?11.转向架驱动装置结构形式有哪些?各有什么特点?12.转向架二系悬挂装置形式有哪些?各有什么特点?13.高度控制阀的作用和原理是什么?14.抗侧滚扭杆装置的原理是什么?15.高速动车组基础制动装置形式有哪些?原理是什么?16.直流电传动和交流电传动各有什么特点?有哪几种形式?CRH动车组采用哪种形式的电传动?17.介绍CRH2动车组牵引传动系统组成与原理。
我们了解了CRH2型动车组是日本川崎与青岛四方车辆有限公司合作制造的。
它具有“先进、成熟、经济、适用、可靠”这五大技术特点。
先进:动车组为动力分散、交流传动的高速电动车组,采用铝合金空心型材车体以及先进的IGBT功率元件和变频调速系统的控制牵引方式。
成熟:其原型车主要系统和部件均有长时间的运营业绩,为他的生产打下了夯实的基础。
经济:动车组采用了流线型设计,各车辆的最大轴重仅14t,牵引和制动能耗低。
另外,列车采用再生制动方式,在节能、环保以及减少机械损耗等方面具有独特的优越性。
适用:动车组具有速度提升能力,通过调整动车、拖车的比例,动车组能够灵活适应200km/h~300km/h各速度等级的运行。
另外,动车组还可以通过两列自动联挂来满足大运量的需求。
可靠:动车组采用了先进的防滑、防空转控制系统和自动列车保护系统,为列车在各种运行环境下的准时性提供了可靠的保障。
该动车组是根据我国的国情通过对原型车技术的全面引进与吸收由我国自主生产的,所以该车的成功运行预示着我国高速铁路进入了一个大步向前的时代。
本节课将对CRH2行动车组进行总体的介绍,大家重点掌握CRH2型动车组的车内设备布置,而难点是对该车车顶、车下布置的理解。
首先我们来看一下它的编组情况。
CRH2型动车组运营速度为200km/h,可在中国铁路既有线路(指定区间)和客运专线上运行。
动车组采用8辆编组,4动4拖,由两个动力单元组成,每个动力单元分别由2个动车和2个拖车(T-M-M-T)组成。
动车组前后两端都设有驾驶室,列车通常运行时在前端的驾驭室内进行操作。
受电弓设在4号和6号车上,动车组运行时采用单弓受流,另一受电弓处于折叠状态以作备用。
当两列动车组联挂运行时,受电弓采取双弓受流。
动车组编组含义表我们看到该车每个单元均有符号来表示,那么这些符号就好像我们的名字一样代表着每一个单元,下面我们就来了解一下这些符号的含义。
trailer英音:['treilə] 拖车,挂车coach英音:[kəutʃ] 旅客车厢motor英音:['məutə] 原动力cabin英音:['kæbin] (飞机的)驾驶舱;客舱kitchen英音:['kitʃin] 厨房special英音:['speʃəl] 特别的,特殊的车辆方位我国现有的铁道车辆的方位一般以制动缸活塞杆推出的方向为第一位,相反的方向为第二位。
CRH2型动车组总体技术2.1动车组总体技术CRH2型动车组为动力分散、交流传动电动车组。
动车组具有“先进、成熟、经济、适用、可靠”的技术特点。
先进:动车组采用铝合金空心型材车体,采用了先进的IGBT功率元件以及VVVF牵引控制方式。
成熟:动车组的原型车为日本新干线动车组,其主要系统和部件均有长时间的运营业绩。
经济:动车组采用了流线型设计,各车辆的最大轴重仅14t,牵引和制动能耗低。
另外,列车采用再生制动方式,在节能、环保以及减少机械损耗等方面具有独特的优越性。
适用:动车组具有速度提升能力,通过调整动车、拖车的比例,动车组能够灵活适应200~300km/h各速度等级的运行。
另外,动车组还可以通过两列联挂来满足大运量的需求。
可靠:动车组采用了先进的防滑、防空转控制系统和自动列车保护系统,为列车在各种运行环境下的准时性提供了可靠的保障。
2.1.1列车组成和主要参数2.1.1.1编组CRH2型动车组最高运营速度为250km/h,可在中国铁路既有线路(指定区间)和客运专线上运行。
动车组采用8辆编组,4动4拖,由两个动力单元组成,每个动力单元由2个动车和2个拖车(T-M-M-T)组成。
CRH2型动车组编组见图2.1,动车组编组代号意义参见表2.1。
动车组前后两端均设驾驶室,列车通常运行时在前端的驾驶室内进行操作。
受电弓设在4号和6号车上,动车组运行时采用单弓受流,另一受电弓处于折叠状态。
两列动车组可联挂运行,联挂时受电弓采取双弓受流。
表2.1动车组编组代号含义表注:数字1,2表示不同型号。
2.1.1.2轴重配置动车组各车的质量如表2.2所示,列车定员610人,最大轴重为14t,最小轴重11.7t。
表2.2CRH2型动车组各车辆的质量2.1.1.3车辆定位车辆的定位、转向架、车轴及车轮的编号按图2.2进行定义。
2.1.1.4车内主要设备配置CRH2型动车组具体编组结构参见图2.3,各车辆的车内主要设备如表2.3所示。
摘要随着科技和生活水平的提高,城市之间的距离越来越小,高速动车作为一种新的交通工具,正逐步代替原有的交通。
本文对CRH2型200km/h的高速动车组车体结构进行了总体设计。
根据国内外高速动车的发展概况和最新研究成果,以及为实现列车车体气密性和轻量化为目的,完成了CRH2型动车组的车体结构总体设计。
基本编组方案采用2动2拖,整车由8辆车组成,主要对头车车体进行了详细研究。
首先,是对车体的材料选择,经过对耐候钢,不锈钢和铝合金的比较可以看得出,采用铝合金是最合适的。
它可以降低车重,提高车辆加速度,降低运能消耗、牵引及制动能耗,减轻了对线路的磨耗及冲击,扩大了运输能力。
其次是对车体的结构进行选择,主要以双壳结构为主,并引入了模块化的概念,把铝合金车体分成若干模块,包块底架模块,侧墙模块,车顶模块,端部模块和车体附件等五大部分,每一种模块单独加工,互不影响。
最后把所有模块整合在一起,组成铝合金车体。
关键词:车辆工程;高速动车组;车体;铝合金ABSTRACTWith the technology and the improvement of living standards, the distance between the cities getting shorter and shorter. High-speed EMU as a new means of transport is replacing the existing traffic gradually. This paper introduces the design of overall body structure for 200 km/h of CRH2 EMU. According to the development overview and the latest research results of domestic and foreign high-speed EMUs, as well as to achieve the air tightness and weight of train for purpose, completing the design of overall body structure for the 200km /h EMU. 2M2T is selected as the basic formation program and it’s made up of eight vehicles, mainly taking some study on the rival car body. First of all, the choice of body material, compared with weathering steel, stainless steel and aluminum alloy, aluminum alloy is the most suitable. It can reduce the vehicle weight and improve vehicle acceleration. It also can reduce consumption of transport capacity, traction and braking, and even can reduce wear on the line and the impact, expand the transport capacity. Secondly, choose the structure of the body, mainly double-shell structure. It introduces the modular concept, the aluminum alloy body is to be divided into several modules, including block chassis modules, side-wall modules, roof modules, the end modules and annex to the bottom of vehicle, each module processes separately. Finally, form the aluminum alloy body with all modules together.Keywords: Vehicle Engineering; High-speed EMU; Body structure; Aluminum alloy目录第一章绪论 (1)1.1 选题背景与意义 (1)1.2 世界各国高速铁路发展概况 (1)1.3模块化铝合金车体发展现状 (3)1.3.1 动车车体模块化概念 (3)1.3.2 车体材料的选用 (3)1.4 主要研究内容及本文结构 (5)1.4.1 主要研究内容 (5)1.4.2 本文结构 (5)第二章CRH2动车组介绍 (7)2.1 编组 (7)2.2 主要技术参数 (7)2.3 其余参数 (8)2.3.1车门 (8)2.3.2座椅 (9)2.3.3车窗 (9)2.4 设计标准 (9)第三章高速动车车体结构设计 (10)3.1 概述 (10)3.1.1车体承载结构特点 (10)3.1.2车体用铝合金材料 (10)3.2 车体轻量化 (11)3.2.1 轻量化的目的 (11)3.2.2 车体轻量化的主要措施 (11)3.3 动车组车体结构 (12)3.3.1 国外典型的铝合金车体结构 (12)3.3.2单壳车体和双壳车体的比较 (15)3.3.3 断面结构的选择 (17)3.4动车组车体的结构组成 (18)3.4.1底架 (19)3.4.2 侧墙 (20)3.4.3 车顶 (21)3.4.4 端墙 (21)3.4.5 司机室头部结构 (22)3.4.6 车下设备舱 (25)3.4.7 前罩开闭装置 (25)3.4.8前头排障装置 (25)第四章车体气密性与校核 (26)4.1 车体气密性要求 (26)4.1.1 压力波对旅客舒适性的影响 (26)4.1.2 气密性要求 (27)4.1.3气密性处理 (27)4.2 车体气密性的意义 (27)4.3 车体垂向静载荷校核 (28)4.3.1 作用在车体上的垂向静载荷P st (28)4.3.2 校核 (29)第五章结论 (30)5.1 论文总结 (30)5.2 感想 (30)致谢 (32)参考文献 (33)附录A:英文资料 (34)附录B:英文资料翻译 (41)附件: 1.高速动车组头车车体图和司机室图2.毕业论文光盘资料第一章绪论1.1 选题背景与意义社会的进步和生产力的发展,推动着现代交通运输业的飞速发展。
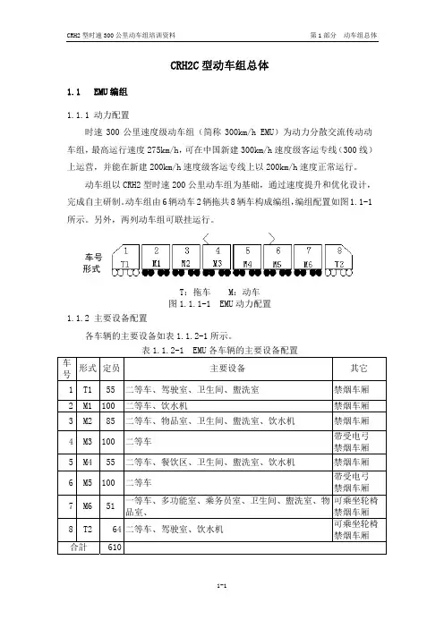
CRH2C型动车组总体1.1 EMU编组1.1.1 动力配置时速300公里速度级动车组(简称300km/h EMU)为动力分散交流传动动车组,最高运行速度275km/h,可在中国新建300km/h速度级客运专线(300线)上运营,并能在新建200km/h速度级客运专线上以200km/h速度正常运行。
动车组以CRH2型时速200公里动车组为基础,通过速度提升和优化设计,完成自主研制。
动车组由6辆动车2辆拖共8辆车构成编组,编组配置如图1.1-1所示。
另外,两列动车组可联挂运行。
车号形式T:拖车 M:动车图1.1.1-1 EMU动力配置1.1.2 主要设备配置各车辆的主要设备如表1.1.2-1所示。
表1.1.2-1 EMU各车辆的主要设备配置车号形式 定员 主要设备 其它1 T1 55 二等车、驾驶室、卫生间、盥洗室 禁烟车厢2 M1 100 二等车、饮水机 禁烟车厢3 M2 85 二等车、物品室、卫生间、盥洗室、饮水机 禁烟车厢4 M3 100 二等车 带受电弓 禁烟车厢5 M4 55 二等车、餐饮区、卫生间、盥洗室、饮水机 禁烟车厢6 M5 100 二等车 带受电弓 禁烟车厢7 M6 51 一等车、多功能室、乘务员室、卫生间、盥洗室、物品室、可乘坐轮椅禁烟车厢8 T2 64 二等车、驾驶室、饮水机 可乘坐轮椅 禁烟车厢合計 6101.2 牵引方式EMU采用动力分散交流传动方式,列车前后两端设驾驶室,通常运行时在前端驾驶室操作。
列车牵引方式概述如下。
∙供电方式为交流25kV, 50Hz (特高电压连接、1个受电弓受电)。
∙在最高电压 31kV、 最低电压 17.5kV的电源变动范围内则不会发生异常。
但是,额定输出只限于电网电压在22.5~31kV范围内。
∙动车组在规定载客人数、直线·平坦区间时从0~200km/h的平均加速度不小于0.39m/s2。
∙牵引控制为VVVF控制方式。
∙附带1次电流限幅(limiter)控制功能。
第2章总体技术目录第2章总体技术 (2)2.1概况 (2)2.1.1原型车一般情况 (2)2.1.2原型车主要技术特征 (2)2.1.3高新技术采用的情况 (4)2.1.4与原型车的主要差异 (4)2.2 主要总体特性 (6)2.2.1列车总体描述及动力配置 (6)2.2.2总体平面布置 (7)2.2.3车种车型设置及特征 (17)2.2.4旅客界面 (17)2.2.5主要技术参数 (19)2.2.6在中国使用所受的限制 (20)2.3 车种车型 (21)2.3.1车内布置 (21)2.3.2车下布置 (24)2.4 牵引制动特性 (25)2.4.1动车组牵引特性 (25)2.4.2动车组制动特性 (29)2.4.3与ATP系统的衔接 (34)2.4.4救援回送的工况 (43)2.5 动车组标记 (55)2.5.1车外标记 (55)2.5.2车内标记 (62)第2章总体技术2.1概况2.1.1原型车一般情况CRH3动车组的原型车是Velaro-E动车组。
它是以德国铁路股份公司(DB AG)的ICE-3高速动车组为原型车开发研制的,最高运行速度达350km/h,用于西班牙新建的马德里—巴塞罗那高速铁路,将2007年投入运用。
由于ICE系列动车组是德国国铁的注册商标,所以西门子公司为西班牙提供的动车组定名为Velaro-E,Velaro-E是西门子公司具有自主知识产权的品牌。
自1991年首批ICE高速旅客列车投入运营以来,ICE系列高速列车一直在不断地改进。
ICE-1是德国首批高速列车,运行速度为250 km/h,它的成功为后续高速列车建立了极好的基础。
ICE-2充分发挥了高速列车的基本特性,通过灵活编组,适应了德国客流量的变化,设置了控制车,提高了列车的运能。
ICE-3高速动车组不仅致力于增加定员,还致力于在颇具挑战性的线路上达到330km/h的最高运行速度。
为了满足高速、大坡度 (40‰)、起停频繁及加减速度大的要求,ICE-3高速动车组采用了动力分散方式。
《动车组总体和转向架》复习思考题1. 至2020 年,我国铁路快速客运专线规划的“四纵四横”包括哪些线路?三个城际区域轨道交通网又指的是什么意思?四个动车基地(段)分别设在什么地方?2. 什么是动车组?何谓动力集中式和动力分散式动车组?3. 动力集中式和动力分散式高速动车组各有什么优缺点?4. 动车组的基本构造及各部分的作用是什么?5. 我国动车组引进的九大关键技术包括哪些内容?十项主要配套技术又包括哪些方面?6. 什么是动车组的最大起动加速度、平均起动加速度和平均制动减速度?7. 动车组包括哪些主要性能参数?8. 什么是动车组的轴列式?轴列式2—2 和1A-A1 代表什么意思?9. 什么是轮周牵引力?它是如何产生的?10. 什么是粘着定理?什么是粘着系数?什么是计算粘着系数?轮轨间的粘着系数与哪些因素有关?11. 与动力集中式相比,为什么动力分散式动车组所期望的(即所需要的)粘着系数可以降低大约1/2 以上?12. 如何避免动力分散式动车组头尾两车容易出现空转和打滑的情况?13. 动车组起动阻力与哪些因素有关?列车总阻力是如何计算的?14. 什么是列车基本阻力?什么是列车附加阻力?列车基本阻力与哪些因素有关?15. 请叙述CRH1、CRH2 和CRH5 动车组车下悬挂设备概况。
16. CRH2 动车组的换气装置的特点是什么?17. 请叙述CRH2 动车组的牵引传动系统的基本组成。
18. 请画出CRH2 动车组牵引变流器(CI)工作原理框图。
19. 不同牵引控制方式(轴控式、架控式和车控式)的特点是什么?20. 三种动车组的制动控制理念是什么?在什么情况下空气制动起作用?21. 请叙述CRH2 动车组的制动系统主要技术特点。
22. 请画出CRH2 动车组制动系统工作原理框图。
23. CRH2 动车组制动系统的制动方式包括哪些?其紧急制动在什么情况下起作用?24. 车体与转向架的连接装置的作用是什么?有哪几种形式?25. 请叙述CRH 系列动车组的总体组成(即编组方式)。