高压加热器疏水及放气系统
- 格式:ppt
- 大小:498.50 KB
- 文档页数:15
高低压加热器及疏水泵系统培训高低压加热器及疏水泵系统培训一、系统主要参数疏水泵FLA定值52A疏水泵马达名牌电压6000V疏水泵型式卧式,5级离心泵疏水泵额定出力340M3/H疏水泵马达轴承温度高报警:85℃高高报警90℃疏水泵NPSH 低报警:75kpa 低低报警:53kpa疏水泵马达线圈温度高报警:125℃高高报警:135℃高加水侧安全阀动作值:24.1Mpa加热器事故疏水阀开启值+25mm加热器水位低报警值-25mm加热器水位高报警值+50mm二、控制及保护疏水泵自动跳闸热工保护:#4加热器水位小于737 mm汽轮机跳闸时疏水泵进口NPSH(最小汽蚀余量)LL:53kpa疏水泵马达轴承温度高于90℃疏水泵轴承温度高于105℃疏水泵电气保护跳闸:速断保护:机械卡涩:2倍FLA电流,延时4秒过负荷保护:(过负荷值不同,延时不同)三相电流不平衡:20%,延时7秒;接地故障(无延时)线圈温度高高:135℃低电压:74%*6000V,延时3秒过电压:1.15*6000V,延时3秒反相保护(相位接反):#3加热器汽源控制:在汽轮机启动期间,维持蒸汽由辅助蒸汽母管提供到#3加热器,在控制室通过DCS手动开启从辅助蒸汽来的FV076流量控制阀。
维持加热器压力大约在2Bar。
维持蒸汽由流量控制阀UV015控制(当隔离阀FV076开启时,UV015将在压力方式下自动控制)。
维持蒸汽提供去加热省煤器进口凝结水温度到121℃。
当其它加热器抽汽投入运行时,这流量控制阀FV076将手动关闭,同时调节阀UV015通过FV076阀的限位开关,自动切换至正常方式(温控方式)。
在这种方式下,如果#7加热器温差超过121℃,DCS将报警。
在汽轮机跳闸和FCB时,#3加热器维持蒸汽将由冷再热管路提供。
出现汽轮机跳闸和FCB信号时,忽略FV078限位开关信号,蒸汽流量控制阀UV015将自动设置于压力控制模式下维持加热器压力15bar左右,维持蒸汽量将根据#7加热器进出口给水温差设定值121℃来控制。
高压加热器疏水放气原理1. 引言1.1 高压加热器疏水放气原理的重要性高压加热器疏水放气原理的重要性在工业生产中占据着至关重要的地位。
在高压加热器中,水和气体是不可避免地存在的,而水中含有的气体会影响加热器的正常运行,降低加热效率,甚至可能引发安全事故。
正确的疏水放气操作是确保高压加热器顺利运行的关键。
疏水操作可以有效地去除加热器中积聚的水和气体,保持加热器内部清洁,减少能量损耗,延长设备使用寿命。
放气装置的正确使用可以避免气体在加热器内积聚,减少压力波动,保证设备的安全稳定运行。
深入研究高压加热器疏水放气原理,探索其作用机理和操作技巧,对于提高加热器的工作效率,节约能源资源,保障生产安全具有重要意义。
本文旨在探讨高压加热器疏水放气原理,为相关领域的研究和应用提供参考和借鉴。
希望通过本文的介绍和分析,能够深入理解高压加热器疏水放气原理的重要性,并进一步推动相关技术的发展和应用。
1.2 本文研究的目的本文的研究目的是探讨高压加热器疏水放气原理的重要性和实际应用。
通过深入分析高压加热器的基本结构和功能、高压加热器中水和气体的特点,以及疏水装置和放气装置的作用和原理,本文将揭示高压加热器疏水放气原理的具体实现方法,帮助读者更好地理解其工作原理和优势。
在工业生产中,高压加热器是关键的设备之一,其运行稳定性和效率对整个生产过程起着至关重要的作用。
而正确理解和应用高压加热器疏水放气原理,则可以有效地防止设备内部因水和气体混合而导致的问题,提高设备的运行效率和寿命。
本文的研究目的是为了帮助读者全面了解高压加热器疏水放气原理的重要性,为工业生产中的设备维护和运行提供有益的参考和指导。
2. 正文2.1 高压加热器的基本结构和功能高压加热器是热电站中的重要设备,主要用于将高压蒸汽加热至更高的温度以提供给汽轮机。
它的基本结构包括加热管束、燃烧室、疏水装置和放气装置等部分。
加热管束是高压加热器的核心部件,通常由数十甚至上百根细长管子组成。
600MW机组汽机疏水系统_疏水管排气600MW机组汽机疏水系统_疏水管排气600MW 汽机疏水系统施晶一、汽机疏水系统的作用在汽轮机组各种运行工况下,当蒸汽流过汽轮机和管道时,都可能积聚凝结水。
例如:机组启动暖管、暖机或蒸汽长时间处于停滞状态,蒸汽被金属壁面冷却而形成的凝结水;正常运行时, 蒸汽带水或减温喷水过量的积水等。
当机组运行时, 这些积水将与蒸汽一起流动, 由于汽、水密度和流速不同, 就会对热力设备和管道造成热冲击和机械冲击。
轻者引起设备和管道振动, 重者使设备损坏及管道发生破裂。
一旦积水进入汽轮机, 将会造成叶片和围带损坏, 推力轴承磨损, 转子和隔板裂纹, 转子永久性弯曲, 静体变形及汽封损坏等严重事故。
另外, 停机后的积水还会引起设备和管道的腐蚀。
为了保证机组的安全经济运行, 必须及时地把汽缸和管道内的积水疏放出去, 同时回收凝结水, 减少汽水损失。
汽机疏水系统包括主机本体疏水、再热蒸汽冷、热段管道疏水、各抽汽管疏水、高中压缸主汽门和调节汽门前后疏水、高中压缸缸体疏水及给泵小汽机疏水等。
上述疏水管道、阀门和疏水扩容箱等组成了汽轮机的疏水系统。
这些疏水的控制对于保证汽轮机的安全启停与正常运行是非常重要的,同时必须重视主蒸汽管道的暖管,如果主蒸汽管道、再热蒸汽管道暖管不充分,就可能在汽轮机冲转时对管道产生过大的热应力及造成水冲击,并直接导致汽轮机进冷水、冷汽事故。
汽轮机在启动过程中和停机后都要进行疏水,其主要作用如下:1、从汽轮机中或管道中排出凝结水,防止水击发生,或避免在管道中发生水锤的现象。
2、通过疏水使管道和设备升温。
3、保持管道和设备的温度,使在运行时无凝结水产生,或在汽轮机启动时不产生过大的热应力。
水锤:在压力管道中,由于液体流速的急剧变化,从而造成管中液体的压力显著、反复、迅速的变化,对管道有一种“锤击”的特征,称这种现象为水锤(也叫水击)。
二、系统介绍我厂汽机疏水系统去向分二个部分:第一部分疏水进汽机大气扩容箱减温减压后进入凝汽器;第二部分疏水进凝汽器大气扩容箱减温减压后进入凝汽器。
高压加热器系统技术资料1.加热器停运对机组安全、经济性有什么影响?加热器的停运,会使给水温度降低,造成高压直流锅炉水冷壁超温,汽包炉过热,汽温升高,抽汽压力最低的那级低压加热器停运,还会使汽轮机末几级蒸汽流量增大,加剧叶片的侵蚀。
加热器的停运,还会影响机组的出力,若要维持机组出力不变,则汽轮机监视段压力升高,停用的抽汽口后的各级叶片、隔板的轴向推力增加,为了机组的安全,就必须降低或限制汽轮机功率。
2.高压加热器为什么要装注水门?(1)便于检查水侧是否泄漏;(2)便于打开进水联成阀;(3)为了预热钢管减少热冲击。
3.分析高加解列对过热汽温的影响?对单元机组来讲,若高压加热器不能投用,过热汽温会发生较大幅度的上升。
这是因为,当给水温度降低时,从给水变为饱和蒸汽所需热量增多,如果保持燃料量不变,蒸发量将要下降,而烟气传给过热蒸汽热量基本不变,所以在过热器中每千克蒸汽的吸热量必然增加,从而汽温升高。
为了维持蒸发量不变,必须增加燃料量,这将使过热器烟气侧的传热量增加,结果汽温进一步升高。
4.表面式加热器的疏水方式有哪几种?发电厂中通常是如何选择的?原则上有疏水逐级自流和疏水泵两种方式。
实际上采用的往往是两种方式的综合应用。
即高压加热器的疏水采用逐级自流方式,最后流入除氧器,低压加热器的疏水,一般也是逐级自流,但有时也将一号或二号低压加热器的疏水用疏水泵打入该级加热器出口的主凝结水管中,避免了疏水流入凝汽器中热损失。
5.高压加热器自动旁路保护装置的作用是什么?对保护有何要求?当高压加热器钢管破裂,高压加热器疏水水位升高到规定值时,保护装置及时切断进入高压加热器的给水,同时打开旁路,使给水通过旁路送往锅炉,防止汽轮机发生水冲击事故。
对保护有三点要求:(1)要求保护动作准确可靠(应定期对其试验);(2)保护必须随同高压加热器一同投入运行;(3)保护故障禁止启动高压加热器。
6.试述高压加热器汽侧安全门的作用?高压加热器汽侧安全门是为了防止高压加热器壳体超压爆破而设置的。
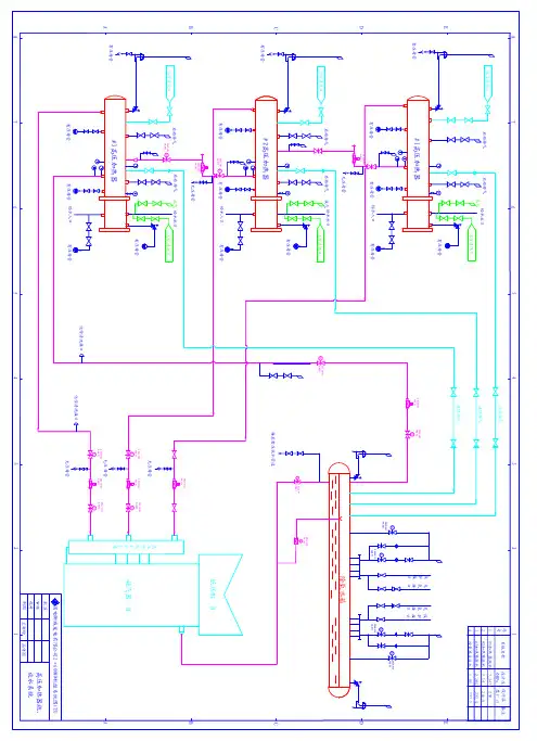
秦山核电公司300MW核电机组系统教材高加疏水系统秦山核电公司2002年3月秦山核电公司系统培训教材教材名称(Title):高加疏水系统教材编号:30212版次Rev.编制Writing校对Checking审核Reviewing修订说明Modification Cause(s)批准Approval日期Date高加疏水系统课程时间:1小时学员:先决条件:目的:本部分结束时,使学员能具有以下一些能力:1.能阐述高加疏水系统的目的和功能。
说明系统的目的和功能。
简要说明为什么要求这些功能。
2.主要设备说明以下设备的性能参数和运行原则:—1#高压加热器的疏水管—2#高压加热器的疏水管—3#高压加热器的疏水管—高压疏水扩容器(也包括与高压加热器相连的疏水管)—除氧器(也包括与高压加热器相连的疏水管)—汽水分离再热器(也包括与高压加热器相连的疏水和扫汽管、阀)—水位计—疏水控制器—正常疏水阀—紧急疏水阀—安全阀说明以上设备的功能3.运行模式使用流程图,画出流道(气、液、电路),并给出以下各运行模式的主要设备状态:—正常运行—正常运行模式的描述—启动和正常运行—加热、逐级投入—低负荷运行—高负荷运行—随汽机降负荷退出运行—异常运行—高水位切除—水位计故障—安全阀动作—高压加热器传热管破裂—疏水阀故障—3#高压加热器退出运行—高加疏水系统主要故障的判断和处理—失去动力电源—失去仪用空气—停用保养4.仪表使用流程图—说明现场可验证的参数—汽机功率—1#、2#、3#高压加热器水位—疏水阀开度—其它重要的系统参数—水位“高”、“低”报警—给出报警信号的含义—使用报警响应清单,说明操作人员为什么必须进行这些操作和核查—给出正常运行时参数的近似值—简要说明运行限值内容:—系统的目的—系统功能—设备描述包括1#、2#、3#高压加热器的疏水管;高压疏水扩容器(也包括与高压加热器相连的疏水管);除氧器(也包括与高压加热器相连的疏水管);汽水分离再热器(也包括与高压加热器相连的疏水和扫汽管、阀;水位计;疏水控制器;正常疏水阀;紧急疏水阀;安全阀。