钢筋砼圆管涵通用图
- 格式:pdf
- 大小:4.47 MB
- 文档页数:20
目 录序号图 表 名 称通用图编号页数备注序号图 表 名 称通用图编号页数备注钢筋混凝土圆管涵1说明TY-YGH-122圆管涵拼宽一般布置图TY-YGH-213孔径1.0米正管节钢筋构造图(管长0.5、1.0米)TY-YGH-314孔径1.5米正管节钢筋构造图(管长0.5、1.0米)TY-YGH-415孔径1.0米斜管节钢筋构造图(一)TY-YGH-516孔径1.0米斜管节钢筋构造图(二)TY-YGH-617孔径1.5米斜管节钢筋构造图(一)TY-YGH-718孔径1.5米斜管节钢筋构造图(二)TY-YGH-819斜交洞口一般构造图TY-YGH-9110正交八字洞口构造及工程数量表TY-YGH-10111斜交八字洞口构造及工程数量表TY-YGH-11112斜交斜做八字洞口正翼墙尺寸表TY-YGH-12113斜交斜做八字洞口反翼墙尺寸表TY-YGH-13114锥坡式洞口尺寸及工程数量表TY-YGH-14115套管式接头变形缝构造图TY-YGH-15116进水口跌井构造图TY-YGH-16117钢筋砼跌井井盖构造图TY-YGH-17118跌井洞口防落物网构造图TY-YGH-181南昌至樟树高速公路改扩建工程桥涵通用图 第1页 共2页 TY-YGH-1钢筋砼圆管涵设计说明一、 技术标准及设计规范(一) 中华人民共和国交通部标准《公路工程技术标准》JTG B01—2003(二) 中华人民共和国交通部标准《公路桥涵设计通用规范》JTG D60—2004(三) 中华人民共和国交通部标准《公路钢筋混凝土及预应力混凝土桥涵设计规范》JTG D62—2004(四) 中华人民共和国交通部标准《公路砖石及混凝土桥涵设计规范》JTJ D61—2005(五) 中华人民共和国交通部标准《公路桥涵地基与基础设计规范》JTG D63—2007(六) 中华人民共和国交通部标准《公路桥涵施工技术规范》JTJ041—2000二、 技术指标(一) 孔径:φ1.00、φ1.50m。
目 录
序号图 表 名 称通用图编号页数备注序号图 表 名 称通用图编号页数备注
钢筋混凝土圆管涵
1说明TY-YGH-12
2圆管涵拼宽一般布置图TY-YGH-21
3孔径1.0米正管节钢筋构造图(管长0.5、1.0米)TY-YGH-31
4孔径1.5米正管节钢筋构造图(管长0.5、1.0米)TY-YGH-41
5孔径1.0米斜管节钢筋构造图(一)TY-YGH-51
6孔径1.0米斜管节钢筋构造图(二)TY-YGH-61
7孔径1.5米斜管节钢筋构造图(一)TY-YGH-71
8孔径1.5米斜管节钢筋构造图(二)TY-YGH-81
9斜交洞口一般构造图TY-YGH-91
10正交八字洞口构造及工程数量表TY-YGH-101
11斜交八字洞口构造及工程数量表TY-YGH-111
12斜交斜做八字洞口正翼墙尺寸表TY-YGH-121
13斜交斜做八字洞口反翼墙尺寸表TY-YGH-131
14锥坡式洞口尺寸及工程数量表TY-YGH-141
15套管式接头变形缝构造图TY-YGH-151
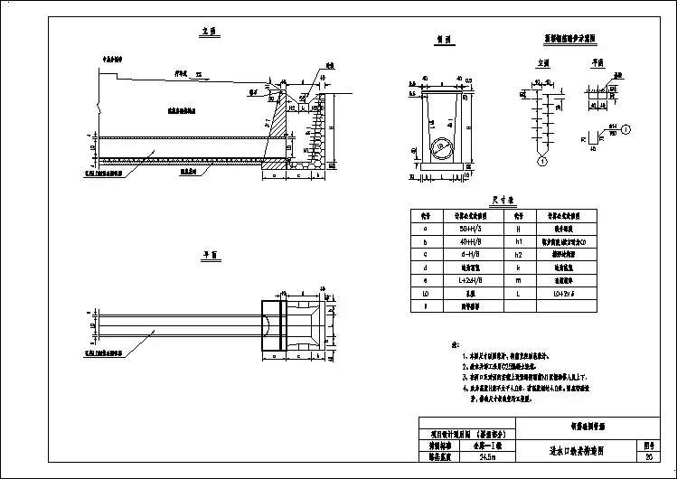
16进水口跌井构造图TY-YGH-161
17钢筋砼跌井井盖构造图TY-YGH-171
18跌井洞口防落物网构造图TY-YGH-181
南昌至樟树高速公路改扩建工程桥涵通用图 第1页 共2页 TY-YGH-1
钢筋砼圆管涵设计说明
一、 技术标准及设计规范
(一) 中华人民共和国交通部标准《公路工程技术标准》JTG B01—2003
(二) 中华人民共和国交通部标准《公路桥涵设计通用规范》JTG D60—2004
(三) 中华人民共和国交通部标准《公路钢筋混凝土及预应力混凝土桥涵设计规范》JTG D62—2004
(四) 中华人民共和国交通部标准《公路砖石及混凝土桥涵设计规范》JTJ D61—2005
(五) 中华人民共和国交通部标准《公路桥涵地基与基础设计规范》JTG D63—2007
(六) 中华人民共和国交通部标准《公路桥涵施工技术规范》JTJ041—2000
二、 技术指标
(一) 孔径:φ1.00、φ1.50m。
(二) 管顶填土高度:0.50~13.0m。
(三) 涵洞的斜交角度φ为00、50、100、150、200、250、300、350、400、450。
(四) 洞口型式:一字锥坡式、八字墙。
(五) 汽车荷载等级:公路—Ⅰ级。
三、 主要材料
1、管节混凝土:C30砼;
2、管身钢筋:R235和HRB335;
3、帽石为C25混凝土;
4、翼墙墙身、基础均为C15混凝土;
5、管基为C20砼,砂砾垫层;
6、洞口铺砌、锥形护坡、隔水墙及其他附加洞口均为M7.5浆砌片石。
四、 设计要点
1、本图按无压力和半压力式管涵设计,出口为自由堰流。
2、结构分析:
(1) 本图采用容许应力、极限状态两种方法分别对截面进行应力及裂缝计算。
(2) 活载计算理论:按刚性管节计算,即不考虑管节的变形,也不考虑涵洞顶土柱和周围填土间的摩擦力,采用角度分布法计算,半无限弹性体理论核算。
(3) 管节配筋按纯弯板断面分析,采用双向配筋管壁设置内外圈两层钢筋,并根据管径大小区别配用不同等级的钢筋,管节配筋由裂缝控制设计。
(4) 土重:按土柱重理论计算,内摩擦角φ=35°,土容重18kN/m3。
3、管基基底应力表
孔径(米) 填土高(米)
地基容许承载力
(KPa)
斜 度
0.5~4.0 ≥150
4.0~6.0 ≥180
6.0~8.0 ≥230
8.0~10.0 ≥280
1.0、1.5
10.0~13.0 ≥320
0°~45°
五、 施工注意事项
(一) 预制管节建议采用离心法旋转成型的工艺,工厂集中预制或水泥制管厂订制。
管节分段
南昌至樟树高速公路改扩建工程桥涵通用图 第2页 共2页 TY-YGH-1
长度分别为 1.0m 和 0.5 m(调整涵长用)的正管节及斜管节(按斜交角00、50、100、150、200、250、300、350、400、450划分)等品种。
并应在端面标注型号,例如:正D150,斜D150,φ300等字样。
(二) 接长涵洞在接长段中间设沉降缝一道;为避免不均匀沉降,新老涵洞接缝处应设置变形缝,其构造详见《套管式接头变形缝构造图》;施工时原涵洞口部分,端墙、基础须拆除,端部斜管节连同基础也应拆除,以保证接缝处为正交拼接。
新建涵洞应每4~6m设置沉降缝。
(三) 若地基土质较差,其地基容许承载力小于要求地基容许承载力最低值时,应采取换土或其它处理措施,其换填深度由计算确定。
(四) 施工设计和施工放样时,必须注意拼接管涵的全长与管节的配置,以及洞口端墙的准确位置,根据设计图的计算长度Lo,斜交管涵首先配置两端各一斜管节(两节合计长度为Lj+0.5 m)和若干个1.0 m正管节,余下不足1.0m部分以0.5m正管节调整,故实际涵长L=(Lj+0.5)+1N+0.5M+E(式中:N、M分别为1.0m和0.5m正管节节数,E为沉降缝宽度和考虑误差的预加长度3~5 cm,Lj为斜交圆管涵斜管节的长的一边)。
L和Lo之差上下游两端平均分配。
为避免放样误差,可将一端洞口端墙于管节安装接近完成时浇筑。
(五) 管基混凝土可分为两次浇筑。
先浇筑管底以下部分,此时应注意预留管壁厚度及安放管节座浆混凝土2~3cm ,待安放管节后再浇筑管底以上部分,并应保证新旧混凝土的结合,以及管基混凝土与管壁的结合。
(六) 涵洞顶上及涵身两侧在不小于两倍孔径范围的填土须分层对称夯实,相对密度达到96%。
为保证压实度,避免涵洞与路基衔接处产生不均匀沉降,建议在涵身两侧2m范围内采用透水性路基填料。
(七) 施工过程中,当洞顶覆土厚度小于0.5m时,严禁任何重型机械和车辆通过。
(八) 涵顶填土高度大于2m时,考虑涵位地基沉降的差异,施工时涵身中部应比洞口高5~10 cm,具体数值应根据其试验资料确定。
(九) 如涵洞设计图中与本通用图不同,请参照具体涵洞设计图纸的尺寸及数量施工。
(十) 未尽事宜严格按《公路桥涵施工技术规范》JTJ041-2000执行。