圆管涵标准图
- 格式:pdf
- 大小:1.55 MB
- 文档页数:16
一、洞身及组成按涵洞构造形式和组成部分不同,洞身也有不同的形式。
现将常见的洞身形式分述如下:1.圆管涵(包括倒虹吸圆管涵)圆管涵洞身主要由各分段圆管节和支承管节的基础垫层组成,见图2-1。
当整节钢筋混凝土圆管无铰时,称为刚性管节; 当沿横截面圆周对称加设4个铰时,称为柔性管节(参见第六章第二节)。
圆管涵常用孔径d0为50 (农田灌溉时用) 、75、100、125、 150cm,对应的管壁厚度δ分别为6、8、10、12、14cm。
基础垫层厚度t根据基底土质确定,当为卵石、砾石、粗中砂及整体岩层地基时,t=0; 当为亚砂土、粘土及破碎岩层地基时,t=15cm 当为干燥地区的粘土、亚粘土、亚砂土及细砂的地基时t=30cm。
图2-1 圆管涵洞身d0-孔径(净跨);δ-管壁厚度;B-基底宽度;t-基础垫层厚度尺寸单位:cm2.盖板涵盖板涵洞身由涵台(墩)、基础和盖板组成。
盖板有石盖板及钢筋混凝土盖板等。
当跨径较小、洞顶具有一定填土高度时,可采用石盖板; 当跨径较大时,宜采用钢筋混凝土盖板,见图 2-2。
石盖板涵常用跨径L0为75、100、125cm,盖板厚度d随洞顶填土高度与跨径而变,一般在15~40cm之间。
作盖板的石料必须是不易风化的、无裂缝的优质石板。
钢筋混凝土盖板涵跨径为150、200、250、300、400cm,相应的盖板厚度d在15~22cm 之间。
当L0达500cm以上时为小桥,相应的盖板厚度d可在25~30cm之间。
圬工涵台(墩)的临水面一般采用垂直面,而涵台背面采用垂直或斜坡面,涵台(墩)顶面一般做成平面。
涵台顶面有时做成L型企口,使其在支承盖板的同时,借助盖板的支撑作用来加强涵台的稳定。
涵台(墩)的下部用砂浆与基础结成整体。
钢筋混凝土盖板涵的涵台(墩)上部往往比台(墩)身尺寸略大,做成台(墩)帽。
为了增加整体稳定性和抗震性,当跨径大于2m且涵洞较高时,可在盖板下或盖板间,沿涵长每隔2m增设一根支撑梁,也可分别在盖板两端和台(墩)帽内预埋栓钉,使盖板与台(墩)加强连结。
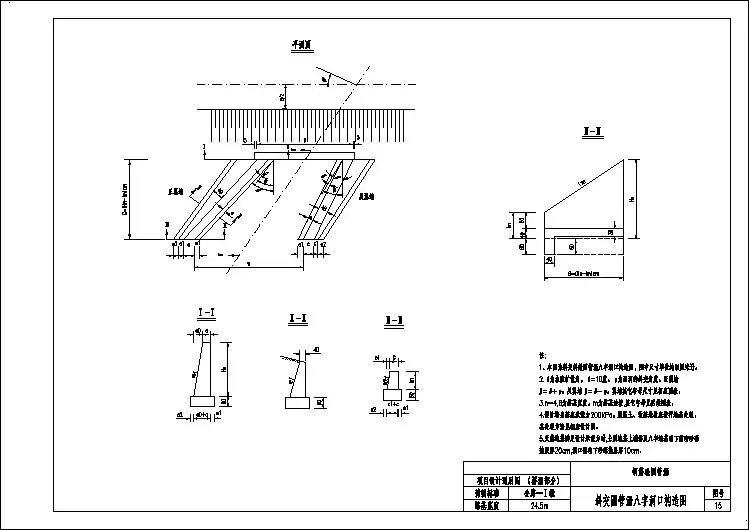
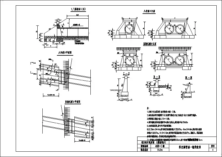
目 录序号图 表 名 称通用图编号页数备注序号图 表 名 称通用图编号页数备注钢筋混凝土圆管涵1说明TY-YGH-122圆管涵拼宽一般布置图TY-YGH-213孔径1.0米正管节钢筋构造图(管长0.5、1.0米)TY-YGH-314孔径1.5米正管节钢筋构造图(管长0.5、1.0米)TY-YGH-415孔径1.0米斜管节钢筋构造图(一)TY-YGH-516孔径1.0米斜管节钢筋构造图(二)TY-YGH-617孔径1.5米斜管节钢筋构造图(一)TY-YGH-718孔径1.5米斜管节钢筋构造图(二)TY-YGH-819斜交洞口一般构造图TY-YGH-9110正交八字洞口构造及工程数量表TY-YGH-10111斜交八字洞口构造及工程数量表TY-YGH-11112斜交斜做八字洞口正翼墙尺寸表TY-YGH-12113斜交斜做八字洞口反翼墙尺寸表TY-YGH-13114锥坡式洞口尺寸及工程数量表TY-YGH-14115套管式接头变形缝构造图TY-YGH-15116进水口跌井构造图TY-YGH-16117钢筋砼跌井井盖构造图TY-YGH-17118跌井洞口防落物网构造图TY-YGH-181南昌至樟树高速公路改扩建工程桥涵通用图 第1页 共2页 TY-YGH-1钢筋砼圆管涵设计说明一、 技术标准及设计规范(一) 中华人民共和国交通部标准《公路工程技术标准》JTG B01—2003(二) 中华人民共和国交通部标准《公路桥涵设计通用规范》JTG D60—2004(三) 中华人民共和国交通部标准《公路钢筋混凝土及预应力混凝土桥涵设计规范》JTG D62—2004(四) 中华人民共和国交通部标准《公路砖石及混凝土桥涵设计规范》JTJ D61—2005(五) 中华人民共和国交通部标准《公路桥涵地基与基础设计规范》JTG D63—2007(六) 中华人民共和国交通部标准《公路桥涵施工技术规范》JTJ041—2000二、 技术指标(一) 孔径:φ1.00、φ1.50m。
目 录序号图 表 名 称通用图编号页数备注序号图 表 名 称通用图编号页数备注钢筋混凝土圆管涵1说明TY-YGH-122圆管涵拼宽一般布置图TY-YGH-213孔径1.0米正管节钢筋构造图(管长0.5、1.0米)TY-YGH-314孔径1.5米正管节钢筋构造图(管长0.5、1.0米)TY-YGH-415孔径1.0米斜管节钢筋构造图(一)TY-YGH-516孔径1.0米斜管节钢筋构造图(二)TY-YGH-617孔径1.5米斜管节钢筋构造图(一)TY-YGH-718孔径1.5米斜管节钢筋构造图(二)TY-YGH-819斜交洞口一般构造图TY-YGH-9110正交八字洞口构造及工程数量表TY-YGH-10111斜交八字洞口构造及工程数量表TY-YGH-11112斜交斜做八字洞口正翼墙尺寸表TY-YGH-12113斜交斜做八字洞口反翼墙尺寸表TY-YGH-13114锥坡式洞口尺寸及工程数量表TY-YGH-14115套管式接头变形缝构造图TY-YGH-15116进水口跌井构造图TY-YGH-16117钢筋砼跌井井盖构造图TY-YGH-17118跌井洞口防落物网构造图TY-YGH-181南昌至樟树高速公路改扩建工程桥涵通用图 第1页 共2页 TY-YGH-1钢筋砼圆管涵设计说明一、 技术标准及设计规范(一) 中华人民共和国交通部标准《公路工程技术标准》JTG B01—2003(二) 中华人民共和国交通部标准《公路桥涵设计通用规范》JTG D60—2004(三) 中华人民共和国交通部标准《公路钢筋混凝土及预应力混凝土桥涵设计规范》JTG D62—2004(四) 中华人民共和国交通部标准《公路砖石及混凝土桥涵设计规范》JTJ D61—2005(五) 中华人民共和国交通部标准《公路桥涵地基与基础设计规范》JTG D63—2007(六) 中华人民共和国交通部标准《公路桥涵施工技术规范》JTJ041—2000二、 技术指标(一) 孔径:φ1.00、φ1.50m。
圆管涵标准
嘿,咱今儿就来唠唠圆管涵标准这档子事儿!
你说这圆管涵啊,就像是咱们生活中的小助手,虽然不起眼,但作用可大着呢!它就像一条小小的通道,让水流啊、车辆啊能顺利通过。
那什么样的圆管涵才算是合格的呢?这可得好好说道说道。
首先啊,这材质得过关吧,就好比咱盖房子得用结实的砖头一样,圆管涵也得用质量好的材料,不然没几天就这儿裂那儿破的,那可不行!这质量要是不好,那不就跟纸糊的似的,稍微来点压力就垮了,那多闹心啊!
还有尺寸也得合适呀!你想想,要是管子太细了,水都流不过去,那不就堵上啦;要是太粗了呢,又浪费材料,多不划算呀!这就跟咱穿衣服似的,得合身才舒服,太大太小都别扭。
圆管涵的安装也很有讲究呢!你说你把它随便一放,那能行么?就跟摆家具一样,得摆得稳稳当当的,不能歪七扭八的呀!安装得牢固了,才能经得住时间的考验,不然风一吹雨一淋就倒了,那可咋整!
咱再说说这圆管涵的维护。
你家的东西还得时常擦擦扫扫呢,这圆管涵也不例外呀!时不时地检查检查,看看有没有损坏的地方,有的话赶紧修一修,别等问题大了才发现,那就晚啦!就像咱的身体,平时不注意保养,等生病了才后悔,那可来不及咯!
圆管涵虽然小,但在很多工程里都是不可或缺的一部分呢!它就像是默默奉献的小英雄,不声不响地为大家服务。
要是没有它,那路可能就没法那么顺畅,水可能就到处乱流啦!
咱可得重视这圆管涵标准啊,可别小瞧了它!它关系到好多方面呢,就像一个小螺丝钉,看似不起眼,但少了它可不行!大家都得认真对待,这样才能保证工程的质量,让我们的生活更加美好呀!这不就是我们所追求的嘛!所以说呀,圆管涵标准可真不是小事儿,大家都得放在心上,好好执行才行呢!你说是不是这个理儿?。