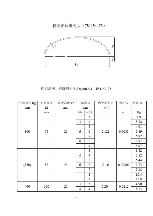
标记示例:椭圆形封头Dg400×4 JB1154-73
- 格式:doc
- 大小:559.00 KB
- 文档页数:10
封头标准参数表本文介绍了一种椭圆形封头,其规格为Dg400×4JB1154-73.该封头由碳钢高合金制成,公称直径为400毫米,曲面高度为25毫米,直边高度也为25毫米。
壁厚为7毫米,内表面积为0.204平方米,容积为0.0115立方米,质量为11千克。
此外,还介绍了其他规格的椭圆形封头,包括Dg500×125、Dg600×150等。
椭圆形封头是一种常见的头部结构,广泛应用于化工、石油、医药等领域。
本文介绍的Dg400×4JB1154-73封头规格明确,适用于一些小型。
其碳钢高合金材质具有较好的耐腐蚀性能,内表面积和容积也适中,可以满足一些小型的需求。
除了Dg400×4JB1154-73封头外,本文还介绍了其他规格的椭圆形封头,如Dg500×125、Dg600×150等。
这些封头规格不同,适用于不同的。
例如,Dg500×125封头公称直径为500毫米,壁厚为10毫米,内表面积为0.436平方米,容积为0.0352立方米,质量为18.6千克。
Dg600×150封头公称直径为600毫米,壁厚为9毫米,内表面积为0.483平方米,容积为0.0425立方米,质量为27千克。
这些规格的封头可以满足不同的需求。
总之,椭圆形封头是一种常见的头部结构,具有多种规格和材质可供选择。
在选择封头时,需要根据的大小和用途来确定封头的规格和材质,以确保的安全和稳定性。
The article is not clear and appears to be a table of technical ___。
there are formatting errors and some paragraphs are missing n。
Here is an ___:This is a table of technical ___ cylindrical vessels。