椭圆形封头的尺寸
- 格式:docx
- 大小:16.59 KB
- 文档页数:4
标准椭圆封头下料尺寸椭圆封头是一种常见的压力容器封头形式,其具有良好的力学性能和美观的外观,因此在工业生产中得到了广泛应用。
而标准椭圆封头的下料尺寸则是制作椭圆封头时必不可少的关键环节,下料尺寸的准确计算直接影响到椭圆封头的成型质量和使用效果。
因此,掌握标准椭圆封头的下料尺寸计算方法对于压力容器制造行业来说具有重要意义。
首先,我们需要了解椭圆封头的结构特点。
椭圆封头由两个椭圆形组成,其主要参数包括大轴半径a、小轴半径b和深度h。
在进行下料尺寸计算时,需要根据这些参数来确定椭圆封头的具体形状和尺寸。
其次,我们来介绍标准椭圆封头的下料尺寸计算方法。
首先,确定椭圆封头的大轴半径a和小轴半径b的数值,然后根据以下公式计算出椭圆封头的下料尺寸:1. 下料长度L的计算公式为,L=2πa+0.615b+3.5h;2. 下料宽度W的计算公式为,W=2a+0.615b+0.8h。
根据以上公式,我们可以准确计算出标准椭圆封头的下料尺寸,从而为其制作提供准确的参考数据。
在实际应用中,我们还需要注意一些细节问题。
首先,需要根据压力容器的具体要求来确定椭圆封头的材质和厚度,这将直接影响到下料尺寸的计算结果。
其次,需要根据椭圆封头的实际用途来确定其表面的加工要求,以确保其符合相应的标准和规范。
最后,在进行下料尺寸计算时,需要注意精确度和误差控制,避免因计算错误导致制作出的椭圆封头尺寸不符合要求。
总之,标准椭圆封头的下料尺寸计算是压力容器制造过程中的重要环节,准确的下料尺寸计算可以保证椭圆封头的成型质量和使用效果。
因此,压力容器制造企业需要对标准椭圆封头的下料尺寸计算方法进行深入研究和掌握,以提高生产效率和产品质量,满足市场需求。
标准椭圆封头尺寸
椭圆封头是一种常见的压力容器头部,其设计和制造需要符合
一定的标准尺寸。
本文将介绍标准椭圆封头的尺寸标准,以便于相
关工程技术人员在设计和制造过程中参考和应用。
椭圆封头的尺寸标准主要包括直径、厚度、椭圆度等方面。
首先,椭圆封头的直径应符合设计要求,一般来说,直径越大,封头
的受力性能越好,承受的压力也越大。
其次,封头的厚度也是至关
重要的,厚度过大会增加成本,但过小则会影响封头的承压能力,
因此厚度的选择需要在经济性和安全性之间进行权衡。
另外,椭圆
封头的椭圆度也需要符合标准要求,以保证封头在使用过程中能够
正常工作,不会出现变形或泄漏等问题。
在实际应用中,根据不同的压力容器和工艺要求,椭圆封头的
尺寸标准也会有所不同。
因此,在设计和制造过程中,需要根据具
体情况选择合适的标准尺寸,同时也要考虑到材料的选择、焊接工艺、表面处理等因素,以确保椭圆封头的质量和性能。
除了尺寸标准外,椭圆封头的制造还需要符合相关的工艺标准
和质量标准。
在制造过程中,需要严格控制材料的选用和加工工艺,
确保封头的尺寸精度和表面质量符合要求。
同时,还需要进行严格
的质量检测,包括尺寸检测、焊缝检测、表面质量检测等,以确保
封头的质量达到标准要求。
总之,标准椭圆封头的尺寸标准是压力容器设计和制造中的重
要内容,合理选择和应用标准尺寸,严格控制制造工艺和质量检测,能够保证椭圆封头的质量和性能,确保压力容器的安全运行。
希望
本文能够为相关工程技术人员提供一定的参考和帮助,促进压力容
器行业的健康发展。
椭圆封头标准规格尺寸椭圆封头是一种常见的压力容器封头,由于其结构特点和广泛应用,因此在工程设计和制造过程中具有重要意义。
椭圆封头的规格尺寸对于压力容器的性能和安全具有直接影响,因此对其规格尺寸的了解和掌握至关重要。
一、椭圆封头的结构特点。
椭圆封头是由椭圆形状的曲面和圆形的平面组成,具有较好的受力性能和密封性能。
椭圆封头的内外曲率半径和椭圆长短轴的比值决定了其几何形状,而几何形状则直接影响了封头的受力特性和使用性能。
二、椭圆封头的标准规格。
根据国家标准和行业规范,椭圆封头的规格尺寸一般包括椭圆长轴长度、椭圆短轴长度、椭圆内外曲率半径、封头厚度等参数。
这些参数的选择应符合设计要求和制造工艺,以确保封头在使用过程中能够满足安全性和可靠性的要求。
三、椭圆封头的常用材质。
椭圆封头通常采用碳钢、不锈钢、铝合金等材质制造,不同材质的椭圆封头具有不同的机械性能和耐腐蚀性能。
在选择椭圆封头材质时,需要考虑工作介质的性质、工作环境的条件和制造成本等因素,以确保封头在实际使用中能够长期稳定运行。
四、椭圆封头的制造工艺。
椭圆封头的制造工艺包括冷冲压成形、热冲压成形、冷拉法等多种方法,不同的成形工艺会对封头的成形精度、表面质量和性能影响较大。
在制造过程中,需要严格控制成形工艺参数和工艺流程,以确保封头的质量和稳定性。
五、椭圆封头的应用领域。
椭圆封头广泛应用于压力容器、锅炉、储罐、化工设备等领域,其主要作用是承受内压力和保证容器内介质的密封性。
在不同的应用领域和工艺要求下,椭圆封头的规格尺寸和材质选择会有所差异,需要根据具体情况进行合理选择和设计。
六、椭圆封头的质量检验。
椭圆封头的质量检验包括外观质量检查、尺寸偏差检测、材质成分分析、力学性能测试等多个方面,通过严格的质量检验可以确保封头的质量和性能符合设计要求和标准规范。
七、椭圆封头的未来发展趋势。
随着工业技术的不断进步和应用领域的不断拓展,椭圆封头的制造工艺和材质选择将会更加多样化和精细化。
标准椭圆形封头的几何形状、尺寸和质量(1)封头的几何形状形成这种封头的母线是由1/4椭圆线和一条平行于回转轴的短直线光滑连接而成,因而这种封头是由半个椭球和一个高度为h 0的圆柱形短节(称它为封头的直边部分)构成。
标准椭圆形封头的曲面深度h 1与封头公称直径之比为1比4。
直边高度按封头的公称直径推荐两种尺寸:当封头公称直径DN 小于、等于2000mm 时,h 0=25mm ;当封头公称直径DN 大于2000mm 时,h 0=40mm 。
(2)封头几何量与质量的计算公式椭圆形封头的几何量与质量的计算公式与四个参数有关,即:长轴半径a ,短轴半径b ,直边高度h 0和钢板厚度δP ,其计算式列于下表1:注:1.式中长度单位一律用m ,钢板密度单位为kg/m 。
2.根据需要a 、b 可按封头内径,中径或外径取值。
3.对于以内径为公称直径的标准椭圆形封头,其有关计算公式列下表2。
根据表1所列公式,对于任何a 、b 值的椭圆形封头均可算出其有关各几何量及质量的数值。
注:1.以上各式均按a=0.5D i ,b=0.25 D i ,按表2通用计算公式导出。
2.封头质量公式应按封头中面计算,表中G 式曲面部分是按封头外表面计算的。
对于以内径为公称直径的封头,其中的Fi 和V,可用a=0.5Di和b=0.25Di,代入表1中各式,但对D0、G和G应以中面为基础,为了计算公式简单,表2中的D0、G,G式均以外表面作为计算基础(直边部分除外),且作了不影响工程上允许精确度的简化。
对于以外径为公称直径的封头,表1中的F和V应该用a=0.5DH -δP和b=0.25DH -δP代入,对于G应先算出封头中面面积,这时a=0.5DH-0.5δP,b=0.25DH -0.5δP。
如果将上述值代入表2有关公式后,得到的计算公式较为繁琐,所以不再给出。
(3)数据表根据JB/T4746—2002《钢制压力容器用封头》的规定,以内径为基准的标准椭圆形封头形式代号为EHA,以外径为基准的椭圆形封头形式代号为EHB,这两种封头的内表面积、容积和质量分别列于表3、表4、表5中。
椭圆封头的规格尺寸
椭圆封头,是建筑、装饰和管件行业的重要组成部分,它将具有高强度、耐磨性和有良好外观的品质。
下面介绍椭圆封头的规格尺寸:
1. DN25-DN6000mm:DN25椭圆封头最小宽度为50mm,最小长度为114mm;DN6000椭圆封头最大宽度为1500mm,最大长度为2575mm。
2. 螺栓孔:螺栓孔数量、直径、深度均有固定规格尺寸,可根据客户
需求定制。
3. 螺纹:M20-200螺纹,半螺纹等,所有螺纹按标准生产,外观平整
细腻。
4. 厚度:通常厚度为7.0-30.0mm,也可根据客户需求增加或减少厚度。
5. 表面处理:一般封头有抛光、拉丝、平面等处理,也可进行镀铬等
处理以改善腐蚀耐久性。
6. 封头材料:一般有黄铜、碳钢、不锈钢等,客户也可指定更高级的
材料用于封头制造。
7. 封头密封:有橡胶圈、PTFE、石墨密封圈等,根据实际情况选用、
调整,以达到良好的密封效果。
8. 封头检验:检验时会严格检查封头的外形、尺寸、气密性、抗突压能力、介质试验及焊接检验等,以保证封头性能。
椭圆封头在建筑、装饰和管件行业广泛使用,这些封头不仅要求良好的性能,而且需要各种规格尺寸制作,所以,在使用椭圆封头时,要根据实际情况认真选择规格尺寸,以保证正确安装和良好使用。
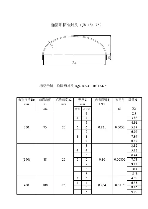
封头标准参数表本文介绍了一种椭圆形封头,其规格为Dg400×4JB1154-73.该封头由碳钢高合金制成,公称直径为400毫米,曲面高度为25毫米,直边高度也为25毫米。
壁厚为7毫米,内表面积为0.204平方米,容积为0.0115立方米,质量为11千克。
此外,还介绍了其他规格的椭圆形封头,包括Dg500×125、Dg600×150等。
椭圆形封头是一种常见的头部结构,广泛应用于化工、石油、医药等领域。
本文介绍的Dg400×4JB1154-73封头规格明确,适用于一些小型。
其碳钢高合金材质具有较好的耐腐蚀性能,内表面积和容积也适中,可以满足一些小型的需求。
除了Dg400×4JB1154-73封头外,本文还介绍了其他规格的椭圆形封头,如Dg500×125、Dg600×150等。
这些封头规格不同,适用于不同的。
例如,Dg500×125封头公称直径为500毫米,壁厚为10毫米,内表面积为0.436平方米,容积为0.0352立方米,质量为18.6千克。
Dg600×150封头公称直径为600毫米,壁厚为9毫米,内表面积为0.483平方米,容积为0.0425立方米,质量为27千克。
这些规格的封头可以满足不同的需求。
总之,椭圆形封头是一种常见的头部结构,具有多种规格和材质可供选择。
在选择封头时,需要根据的大小和用途来确定封头的规格和材质,以确保的安全和稳定性。
The article is not clear and appears to be a table of technical ___。
there are formatting errors and some paragraphs are missing n。
Here is an ___:This is a table of technical ___ cylindrical vessels。
标准椭圆形封头曲率半径的近似值椭圆形封头封堵(EllipticalHeadClosure)技术相对于其他封头技术而言,具有更优异的密封性能,更安全、更可靠,因此被称为封头中的“瑞士军刀”。
封头曲率半径(Radius of Curvature,ROC)是椭圆形封头封堵的关键参数,它决定了封头的强度。
常见的ROC值有一百毫米(100mm)、两百毫米(200mm)、三百毫米(300mm)、四百毫米(400mm)、五百毫米(500mm)等。
本文旨在介绍ROC值的近似计算方法,以便给相关技术工作者提供一个可以更有效计算ROC值的新方法。
椭圆形封头的ROC值通常可以通过矩形封头的长度(Length)和直径(Diameter)计算得出,其计算公式如下:ROC=4L2/πD2这里的L和D分别表示封头的长度和直径。
这个公式显然可以用来计算封头曲率半径,但它需要提供较精确的长度和直径,因为它的计算精度极高,一位小数的小变动会导致计算结果有较大的差别。
在实际工作中,椭圆形封头的尺寸和曲率半径往往是由经验和实践来估算的,因此,有必要提出一种近似计算曲率半径的新方法,可以给技术人员提供更高效的计算方法。
为此,本文提出了一种新的ROC近似计算方法,可以更快捷地计算出封头曲率半径。
首先,给定封头的直径和长度,根据公式计算出封头的ROC值。
然后,将ROC值乘以100或1000,可以得出更接近标准封头曲率半径的近似值,尤其是100mm和400mm的值。
例如,若给定的封头直径D=250mm,长度L=500mm,则计算出的封头曲率半径ROC=5.6mm。
根据本文提出的近似计算方法,将ROC值乘以100,得出560mm,即可得出一个更接近标准椭圆形封头曲率半径的结果。
本文提出的近似计算方法,不仅可以计算出更接近于标准椭圆形封头的曲率半径,而且还能够有效减少计算时间,节省精力,提高工作效率。
此外,本文基于公式计算出的ROC值可以作为近似计算方法的参考,为技术人员提供参考。