椭圆形封头标准[详]
- 格式:doc
- 大小:694.00 KB
- 文档页数:12
压力容器椭圆封头标准压力容器椭圆封头是一种常见的封头形式,其标准是保证压力容器安全运行的重要依据。
压力容器椭圆封头标准主要包括尺寸、形状、材质、制造工艺等方面的规定,下面将就这些方面进行详细介绍。
首先,压力容器椭圆封头的尺寸标准是指封头的直径、厚度等尺寸参数的规定。
尺寸的准确性直接影响到封头的承压性能,因此在设计和制造过程中必须严格按照相关标准进行。
同时,尺寸标准也包括了封头的公差范围,以确保封头在安装时能够与容器的其它部件完全契合。
其次,压力容器椭圆封头的形状标准是指封头的椭圆度、曲率半径等形状参数的规定。
椭圆封头是一种特殊的曲面结构,其形状对于承受压力和分布应力起着至关重要的作用。
因此,形状标准的制定是为了保证封头在受压状态下能够均匀分担压力,不会出现应力集中和变形过大的情况。
此外,压力容器椭圆封头的材质标准是指封头所采用的材质及其性能要求的规定。
封头的材质必须具有良好的机械性能、耐腐蚀性能和焊接性能,以确保封头在长期使用过程中不会出现开裂、变形或腐蚀的情况。
同时,材质标准也包括了材质的选用原则和检测要求,以保证封头的质量符合要求。
最后,压力容器椭圆封头的制造工艺标准是指封头的加工、成形、焊接等制造工艺的规定。
制造工艺的合理性直接影响到封头的质量和成本,因此在制造过程中必须严格按照相关标准进行操作。
制造工艺标准也包括了工艺控制、工艺检验和工艺记录等内容,以确保封头的制造过程能够进行有效控制和追溯。
总之,压力容器椭圆封头标准是保证压力容器安全运行的重要依据,其制定和执行对于保障压力容器的安全性和可靠性具有重要意义。
只有严格按照相关标准进行设计、制造和检验,才能够确保压力容器椭圆封头的质量和性能符合要求,从而保证压力容器在使用过程中不会出现安全事故。
标准椭圆封头尺寸椭圆封头是一种常用于压力容器和储罐的封头形式,其设计和制造需要严格按照标准尺寸进行。
本文将介绍标准椭圆封头的尺寸参数,以便于读者在实际应用中进行参考和应用。
椭圆封头的尺寸参数通常包括长轴半径、短轴半径、封头高度、封头厚度等。
其中,长轴半径和短轴半径是指椭圆封头的椭圆形状参数,而封头高度和封头厚度则是指封头的实际尺寸参数。
这些参数的选择和计算对于压力容器和储罐的安全运行至关重要。
在实际应用中,椭圆封头的尺寸参数需要根据压力容器或储罐的设计压力、工作温度、介质性质等因素进行合理选择。
一般来说,封头的长轴半径和短轴半径越大,封头的内部应力越小,因此可以承受更大的压力。
而封头的高度和厚度则需要根据实际的工作条件和安全要求进行计算和确定。
除了上述参数外,椭圆封头的焊接坡口和封头与筒体的连接方式也是影响封头尺寸的重要因素。
在实际制造中,需要根据焊接工艺和技术要求来确定封头的坡口形式和尺寸,以保证焊接质量和密封性能。
此外,椭圆封头的尺寸参数还需要符合相关的国家标准和行业规范。
在设计和制造过程中,需要严格遵循相关的标准要求,以确保产品的质量和安全性。
总之,标准椭圆封头的尺寸参数是压力容器和储罐设计制造中的重要内容,合理选择和计算这些参数对于保证产品的安全运行至关重要。
希望本文所介绍的内容能够对读者有所帮助,谢谢阅读。
结语。
椭圆封头作为压力容器和储罐的重要组成部分,其尺寸参数的选择和计算对于产品的安全运行至关重要。
在实际应用中,需要根据设计要求、工艺要求和相关标准要求来确定封头的尺寸参数,以保证产品的质量和安全性。
希望本文所介绍的内容能够对读者有所帮助,谢谢阅读。
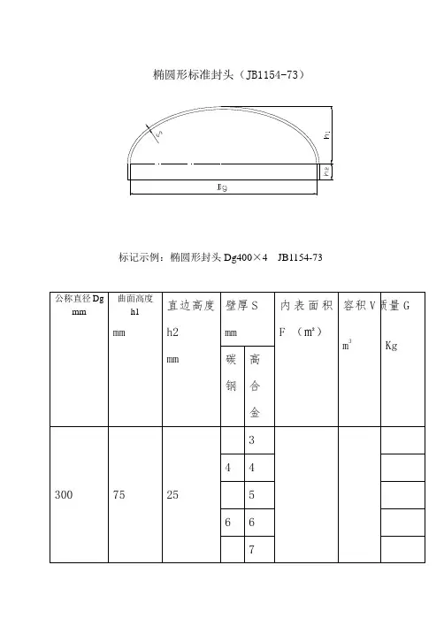
椭圆标准封头(JB1154-73)
标记示例:椭圆形封头Dg400×4 JB1154-73
专业文档供参考,如有帮助请下载。
.
专业文档供参考,如有帮助请下载。
.
专业文档供参考,如有帮助请下载。
.
专业文档供参考,如有帮助请下载。
.
专业文档供参考,如有帮助请下载。
.
专业文档供参考,如有帮助请下载。
.
专业文档供参考,如有帮助请下载。
.
专业文档供参考,如有帮助请下载。
.
专业文档供参考,如有帮助请下载。
.
专业文档供参考,如有帮助请下载。
.
专业文档供参考,如有帮助请下载。
.
.
注:表中带括号的公称直径应尽量不用1. 2.厚度系指成形前的钢板厚度规格3 7.85kg/cm重量按材料比重为3.专业文档供参考,如有帮助请下载。
.。
标准椭圆形封头
椭圆形封头是一种常见的压力容器头部结构,其外形呈椭圆形,具有良好的强度和刚度,被广泛应用于石油、化工、医药、食品等领域的压力容器中。
本文将对标准椭圆形封头的结构特点、制造工艺和应用领域进行介绍。
首先,椭圆形封头的结构特点。
椭圆形封头由两个椭圆形曲面和一段圆柱形颈部组成。
其曲率半径和椭圆长短轴的比值是确定其形状的关键参数。
椭圆形封头的结构设计合理,能够承受较大的内压力,具有良好的强度和刚度,能够满足压力容器的使用要求。
其次,椭圆形封头的制造工艺。
椭圆形封头的制造主要包括板材开料、成形、焊接和热处理等工艺过程。
在板材开料阶段,需要根据封头的尺寸和形状要求进行切割,保证板材的尺寸准确。
成形过程中,通过压力机或卷边机将板材冲压成椭圆形封头的形状。
焊接是椭圆形封头制造的关键环节,需要保证焊缝的质量和封头的密封性。
最后,经过热处理等工艺,提高封头的强度和硬度,确保其在使用过程中的安全可靠性。
最后,椭圆形封头的应用领域。
椭圆形封头广泛应用于石油、化工、医药、食品等领域的压力容器中。
在石油化工行业,椭圆形封头常用于储罐、反应釜、换热器等设备中,能够有效承受介质的压力和温度。
在医药和食品行业,椭圆形封头常用于制药设备、食品加工设备等,具有良好的密封性和卫生性能。
综上所述,标准椭圆形封头具有良好的结构特点和制造工艺,被广泛应用于各个领域的压力容器中,为工业生产提供了重要的支撑。
随着工业技术的不断发展,椭圆形封头的制造工艺和应用领域也将不断完善和拓展,为压力容器的安全运行和生产效率的提高提供更加可靠的保障。
中华人民共和国行业标准椭圆形封头JB4737-95 1 主题内容与适用范围1.1 本标准规定了钢制焊接压力容器用椭圆形封头的型式,尺寸及制造技术要求。
1.2 本标准适用于以碳素钢、低合金钢、高合金钢钢板及复合钢板成形的,并符合K=1的标准椭圆封头(以下简称“封头”)。
2 引用标准GB 150 钢制压力容器JB 4730 压力容器无损检测3 符号说明DN ——封头公称直径,mm;D i——封头设计内直径,mm;D o——封头设计外直径,mm;h1——封头曲面高度,mm;h2——封头直边高度,mm;K ——椭圆形封头形状系数,(即D i/2h1=2,K=1);δn——封头名义厚度,即图样上标注的厚度,mm;δ——封头成形后的最小厚度,δ≥δn-C1,mm;A ——封头内表面积,m2;V ——封头容积,m3;m ——封头质量,kg;C1——钢板厚度负偏差,按相应钢板标准选取,mm。
4 型式参数4.1 封头内椭圆曲线应符合图1的规定。
封头样板曲线的形状应符合内椭圆曲线的形状。
4.2 以内径为公称直径的封头当筒体由钢板卷制时,筒体所对应的封头公称直径等于封头内直径,以内直径为公称直径的封头,其型式和尺寸应符合图2和表1的规定。
表1厚 度 δ mm公称直径 DN mm曲面高度h 1mm直边高度h 2mm碳素钢 低合金钢 复合钢板高合金钢内表面积A m2容积 V m3质量 m kg- 3 2.83 4 4 3.80- 5 4.79 6 6 5.79- 7 6.81 8 8 7.84300 75 25 - 9 0.1211 0.0053 8.88- 3 3.73 4 4 5.01- 5 6.31 6 6 7.62- 7 8.94 8 8 10.29350 88 25 - 90.1608 0.0080 11.64mmmmmm低合金钢 复合钢板高合金钢mmkg- 3 4.76 4 4 6.39- 58.036 69.69 - 7 11.37 8 8 13.0625- 9 0.2049 0.0115 14.7810 1018.0312 12 21.87 14 14 25.78 400 1004016 16 0.2237 0.013429.78- 3 5.91 4 4 7.92- 59.956 6 12.01 -7 14.08 8 8 16.1725 - 9 0.2548 0.0159 18.2810 10 22.12 12 1226.80 14 14 31.57 16 16 36.42 450 11240 18 18 0.2761 0.0183 41.36- 3 7.184 4 9.62- 512.096 6 14.57 - 7 17.08 8 819.6125 - 9 0.3103 0.0123 22.1610 10 26.62 12 1232.23 14 1437.92 16 16 43.72 4018 18 0.3338 0.0242 49.61500 125 50 20 20 0.3495 0.0262 58.16- 3 8.584 411.49- 5 14.426 6 17.38 -7 20.37550 137 258 80.3711 0.027723.37mmmmmm 低合金钢 复合钢板高合金钢mmkg25- 9 0.3711 0.0277 26.40 10 10 31.53 12 1238.14 14 14 44.86 16 16 51.68 40 18 180.3970 0.0313 58.6020 20 68.44550 1375022 22 0.4143 0.033775.87 - 3 10.104 4 13.52- 516.976 6 20.44 -7 23.948 8 27.4725 - 90.4374 0.0353 31.0210 10 36.86 12 12 44.56 14 1452.37 16 16 60.29 4018 18 0.4656 0.0396 68.3320 2079.54 22 2288.12 600 1505024 24 0.4845 0.0424 96.82- 3 11.744 4 15.72- 519.726 623.75 - 7 27.80 8 8 31.8925- 90.5090 0.0442 36.0010 10 42.59 12 12 51.46 14 1460.45 16 16 69.56 4018 18 0.5397 0.0492 78.8020 2091.46 22 22101.27 650 1625024 24 0.5601 0.0525 111.22- 313.514 4 18.07- 5 22.67 700 175 256 60.5861 0.054527.30mmmmmm低合金钢 复合钢板高合金钢mmkg- 731.95 8 836.64 25- 9 0.5861 0.0545 41.3610 10 48.73 12 1258.86 14 1469.11 16 16 79.49 4018 18 0.6191 0.0603 90.0120 20104.20 22 22115.34 700 175 5024 24 0.6411 0.0641 126.61- 3 15.404 4 20.60- 525.836 631.09 - 7 36.39 8 8 41.7225- 90.6686 0.0663 47.0810 10 55.29 12 12 66.75 14 1478.35 16 16 90.08 4018 18 0.7040 0.0729 101.9520 20117.7622 22 130.30 24 24 142.98 750 1885026 26 0.7276 0.0773155.81- 3 17.414 4 23.29- 529.206 6 35.14 -7 41.128 8 47.1325 - 90.7566 0.0796 53.1810 10 62.26 12 12 75.1414 1488.16 16 16 101.334018 18 0.7943 0.0871 114.6420 20132.15 22 22146.17 800 2005024 240.8194 0.0922 160.34mmmmmm低合金钢 复合钢板高合金钢mmkg800 200 50 26 - 0.8194 0.0922 174.67- 3 21.814 4 29.16- 536.546 643.97 - 7 51.43 8 8 58.9325- 9 0.9487 0.1113 66.4810 1077.42 12 12 93.3914 14109.51 16 16 125.794018 18 0.9911 0.1209 142.2420 20 163.3922 22180.6224 24198.03 26 - 215.60900 2255028-1.0194 0.1272 233.34- 3 26.74 4 35.68- 544.716 653.78 - 7 62.90 8 8 72.0525- 9 1.1625 0.1505 81.2510 1094.2412 12113.6114 14133.16 16 16 152.894018 18 1.2096 0.1623 172.7920 20 197.9122 22218.6924 24 239.6626 - 260.80 28 - 282.141000 2505030-1.2411 0.1702303.65- 5 53.706 664.58- 775.51 8 8 86.4925- 91.3980 0.1980 97.511100 27540 10 10 1.4499 0.2122 112.69mmmmmm低合金钢 复合钢板高合金钢mmkg12 12135.8014 14 159.1116 16 182.61 4018 18 1.4499 0.2122206.3120 20 235.73 22 22260.38 1100 2755024 24 1.4844 0.2217 285.23- 5 63.526 676.37- 7 89.28 8 8 102.2425 - 9 1.6652 0.2545 115.2510 10 132.7912 12159.9714 14 187.37 16 16 214.974018 18 1.7117 0.2714 242.7820 20 276.8322 22 305.6824 24 334.7526 - 364.0428 - 393.5430 - 423.26 32 - 453.201200 3005034-1.7494 0.2827483.366 689.15- 7 104.208 8 119.31 25- 9 1.9340 0.3208134.4710 10 154.5312 12186.1114 14 217.92 16 16 249.9640 18 18 1.9953 0.3407 282.2220 20321.22 22 22 354.60 1300 32550 24 24 2.0361 0.3540 388.226 6102.91- 7 120.278 8 137.69 25- 92.2346 0.3977155.171400 35040 10 10 2.3005 0.4202 177.92mmmmmm低合金钢 复合钢板高合金钢mmkg12 12 2.3005 0.4202 214.2314 14 250.78 16 16287.57 4018 18 2.3005 0.4208 324.6120 20 368.9022 22407.1424 24 445.6326 - 484.3728 - 523.3630 - 562.6032 - 602.0934 - 641.84 36 - 681.831400 3505038-2.3445 0.4362722.096 6117.66- 7 137.498 8 157.38 25- 9 2.5568 0.4860177.3410 10 202.9512 12244.3114 14 285.94 16 16 327.8240 18 18 2.6275 0.5125 369.9620 20419.87 22 22 463.29 1500 37550 24 24 2.6746 0.5301 506.996 6133.39- 7 155.868 8 178.40 25- 9 2.9007 0.5864201.0010 10 229.6312 12276.3714 14 323.40 16 16 370.704018 18 2.9761 0.6166 418.2720 20 474.1222 22 523.0624 24572.2926 - 621.8028 - 671.59 30 - 721.661600 40050 32-3.0263 0.6367 772.02mmmmmm低合金钢 复合钢板 高合金钢mmkg34 - 822.6736- 873.6038- 924.82 40 - 976.331600 400 50 42-3.0263 0.6367 1028.12- 7 175.38 8 8200.72 25- 9 3.2662 0.6999 226.1410 10 257.9512 12310.4114 14363.16 16 16 416.214018 18 3.3463 0.7339 469.5520 20531.66 22 22586.45 1700 425 5024 24 3.3998 0.7566 641.54- 7196.05 8 8224.36 25- 9 3.6535 0.8270 252.7510 10 287.9112 12346.4114 14405.22 16 16 464.354018 18 3.7383 0.8652 523.7820 20 592.5022 22653.4624 24 714.7426 - 776.3328 - 838.24 30- 900.4632 - 963.0034 - 1025.87 36 - 1089.0538 -3.7949 0.89061152.5540 - 1216.3742 - 1280.5146 - 1409.76 1800 4505050-3.3463 0.73391540.3125 8 - 4.0624 0.9687 249.32 10 - 319.521900 4754012 - 4.1519 1.0113384.39 2000 500 2588 4.4930 1.1257 275.59mmmmmm 低合金钢 复合钢板高合金钢mmkg25- 9 4.4930 1.1257 310.42 10 10 352.7712 12424.3414 14 496.26 16 16 568.5240 18 18 4.5873 1.1729 641.1220 20 724.0222 22 798.3224 24 872.9626 - 947.9628 - 1023.3030 - 1098.9932 - 1175.0334 - 1251.4236 - 1328.1638 - 1405.2640 - 1482.7142 - 1560.52 46 - 1717.192000 5005050 -4.6501 1.20431875.3010- 387.67 12- 466.272100 525 40 14-5.0443 1.3508 545.238 8 332.09 259 9 5.4193 1.4889374.01 10 10 424.2112 12510.1714 14 596.50 16 16 683.2140 18 18 5.5229 1.5459 770.2920 20 868.7022 22957.6524 24 1046.9826 - 1136.6828- 1226.7730 - 1317.2432 - 1408.0934 - 1499.3336 - 1590.9638 - 1682.97 40 - 1775.362200 550 5042-5.5921 1.58391868.14mmmmmm低合金钢 复合钢板 高合金钢mmkg46 - 2054.882200 550 5050 - 5.5921 1.58392243.1710- 462.39 12- 556.042300 575 40 14-6.0233 1.7588 650.0725- 9 6.4323 1.9227 443.52 10 10 502.2212 12603.8814 14 705.95 16 16 808.4240 18 18 6.5453 1.9905 911.3120 20 1026.5422 22 1131.4524 24 1236.7726 - 1342.5128 - 1448.6630 - 1555.2332 - 1662.2134 - 1769.6136 - 1877.4238 - 1985.6640 - 2094.3242 - 2203.39 46 - 2422.812400 6005050-6.6207 2.03582643.9225 - 9 6.9713 2.1680 480.49 - 10 543.6912 12653.7014 14 764.12 16 16 874.9740 18 18 7.0891 2.2417 986.2620 20 1110.3922 221223.7724 24 1337.5926 - 1451.8328- 1566.5130 - 1681.6132 - 1797.1534 - 1913.1336 - 2029.54 2500 625 507.1676 2.2907mmmmmm低合金钢 复合钢板 高合金钢mmkg42 - 2381.3844- 2499.5346- 2618.12 48 - 2737.152500 625 50 50-7.1676 2.2907 2856.6225- 9 7.5319 2.4334 518.95 - 10 586.8112 12705.4914 14 824.60 16 16 944.1640 18 18 7.6545 2.5131 1064.1620 20 1197.5222 22 1319.7124 24 1442.3526 - 1565.4328 - 1688.9630 - 1812.9432 - 1937.36 34 - 2062.2436 - 2187.5738 - 2313.3540 - 2439.5842 - 2566.26 46 - 2820.992600 6505050-7.7361 2.56623077.55- 10 677.9712 12814.9814 14952.46 16 16 1090.424018 18 8.8503 3.1198 1228.8520 20 1381.6622 22 1522.4524 241663.7126 - 1805.4528- 1947.6730 - 2090.38 32 - 2233.5634 - 2377.2336 - 2521.3838 - 2666.02 2800 700508.9383 3.1814mmmmmm低合金钢 复合钢板 高合金钢mmkg46 - 3249.432800 700 5050- 8.9383 3.18143544.06- 10 775.7112 12932.3714 141089.53 16 16 1247.204018 18 10.1329 3.8170 1405.3820 20 1578.9622 22 1739.6524 241900.8526 - 2062.5728 - 2224.8030- 2387.5532 - 2550.8134 - 2714.5936 - 2878.8838 - 3043.6940 - 3209.01 42 - 3374.863000 7505046-10.2271 3.8877 3708.1114 14 1235.81 16 161414.51 4018 18 11.5021 4.6110 1593.7420 20 1789.4022 22 1971.3224 24 2153.7826- 2336.7928 - 2520.3530 - 2704.4532 - 2889.1034 - 3074.3036 - 3260.0538 - 3446.34 40 - 3633.193200 8005042 -11.6027 4.69143820.5920 - 2013.0024- 2422.4928- 2834.31 32 - 3248.443400 850 50 36-13.0649 5.5988 3664.89mmmmmm低合金钢 复合钢板高合金钢mmkg16 16 1699.0718 18 1914.1020 20 2129.7322 22 2345.9524 242562.7726 - 2780.1828 - 2998.1930 - 3216.7932 - 3436.0034 - 3655.79 36 - 3876.193500 875 5038 -13.8286 0.09344097.1920 - 2249.7524- 2706.9928- 3166.68 32 - 3628.813600 900 50 36 -14.6139 6.6162 4093.4120 - 2499.6524- 3007.2728- 3517.47 32 - 4030.243800 950 50 36 -16.2497 7.7498 4545.6020 - 2762.7124- 3323.3328 - 3886.66 32 - 4452.714000 1000 5036 -17.9721 9.0059 5021.4712 - 1814.8914 - 2119.8416 - 2425.4918 - 2731.8420 - 3038.9122- 3346.6924 - 3655.17 26 - 3964.3728 - 4274.2730 - 4584.8932 - 4896.2234 - 5208.26 36 - 5521.014200 1050 5019.7812 10.3908mmmmmm低合金钢 复合钢板 高合金钢mmkg14 - 2322.0516 - 2656.7218 - 2992.1320 - 3328.2822 - 3665.1724- 4002.8026- 4341.1828 - 4680.3030 - 5020.1732 - 5360.7734 - 5702.13 36 - 6044.244400 1100 50 38 -21.67771 11.9108 6387.0920 - 3477.8922 - 3829.8324 - 4182.5326- 4535.9928 - 4890.22 30 - 5245.2032 - 5600.9534 - 5957.45 36 - 6314.714500 1125 5038 -22.6575 12.72356672.7520 - 3630.7922 - 3998.1124 - 4366.2126- 4735.0928 - 5104.7430 - 5475.1632 - 5846.3734 - 6218.36 36 - 6501.124600 1150 5038 -23.6597 13.57226964.6720 - 3946.4722 - 4345.5424 - 4745.4226- 5146.1228 - 5547.6130 - 5949.9132 - 6353.03 4800 1200 5025.7290 15.3812mmmmmm低合金钢 复合钢板 高合金钢mmkg4800 1200 50 38 - 25.7290 15.3812 7567.2620 - 4275.3024 - 5140.4028 - 6008.8832 - 6880.72 36 - 7755.955000 1250 5038 -27.8850 17.34428194.8220 - 4617.2624 - 5551.1628 - 6488.5632 - 7429.44 36 - 8373.865200 1300 5038 -30.1278 19.46748847.3720 - 4972.3824 - 5977.6928 - 6986.6632 - 7999.24 36 - 9015.445400 1350 5038 -32.4572 21.75719524.9320 - 5154.8824 - 6196.9128 - 7274.6032 - 8292.02 36 - 9345.125500 1375 5038 -33.6545 22.96649873.0720 - 5340.6624 - 6420.0328 - 7503.1532 - 8590.05 36 - 9680.725600 1400 5038 -38.8734 24.219610227.4720 - 5722.0824 - 6878.1328 - 8038.0832 - 9201.92 36 - 10369.665800 1450 5038 -37.3763 26.861110955.0120 - 6116.6724- 7352.0328 - 8591.41 6000 1500 50 30.9660 29.6881mmmmmm低合金钢 高合金钢mm复合钢板kg6000 1500 50 38 - 30.9660 29.6881 11707.524.3 以外径为公称直径的封头当筒体由无缝钢管作筒体时,筒体所对应的封头公称直径等于封头外直径,以外径为公称直径的封头,其型式与尺寸应符合图3和如下表2的规定。
标准椭圆封头尺寸椭圆封头是一种常见的压力容器封头,其形状类似于椭圆形。
在工程设计和制造过程中,合理选择和准确计算椭圆封头的尺寸对于保证压力容器的安全运行至关重要。
本文将介绍标准椭圆封头的尺寸标准,以供工程师和设计人员参考。
椭圆封头的尺寸通常由其长轴和短轴的直径来描述。
在设计和制造过程中,需要根据具体的工程要求和使用条件来确定椭圆封头的尺寸。
一般来说,椭圆封头的长轴直径(a)和短轴直径(b)是关键的尺寸参数。
根据国际标准,椭圆封头的长轴直径(a)和短轴直径(b)之间的关系可以通过以下公式计算:a = D + 0.8H。
b = D + 0.2H。
其中,D为椭圆封头的内径,H为椭圆封头的高度。
根据这两个公式,可以计算出椭圆封头的长轴和短轴的直径,从而确定其尺寸。
在实际工程中,根据压力容器的使用要求和工艺条件,还需要对椭圆封头的尺寸进行进一步的调整和优化。
例如,根据压力容器的工作压力和温度,需要对椭圆封头的厚度进行计算和确定;根据椭圆封头的连接方式和密封要求,需要对椭圆封头的边缘形状和加工工艺进行设计和选择。
除了上述的尺寸参数,椭圆封头的加工工艺和质量控制也是非常重要的。
在制造过程中,需要严格控制椭圆封头的成形工艺和加工精度,以保证其尺寸和形状的准确性;同时,还需要对椭圆封头的材质和焊接工艺进行选择和控制,以保证其力学性能和密封性能。
总之,标准椭圆封头的尺寸是压力容器设计和制造中的重要参数,其合理选择和准确计算对于保证压力容器的安全运行至关重要。
工程师和设计人员在实际工程中需要根据具体的使用要求和工艺条件,合理确定椭圆封头的尺寸参数,并严格控制其加工工艺和质量,以保证压力容器的安全可靠运行。
标准椭圆封头尺寸
椭圆封头是一种常见的压力容器头部,其设计和制造需要符合
一定的标准尺寸。
本文将介绍标准椭圆封头的尺寸标准,以便于相
关工程技术人员在设计和制造过程中参考和应用。
椭圆封头的尺寸标准主要包括直径、厚度、椭圆度等方面。
首先,椭圆封头的直径应符合设计要求,一般来说,直径越大,封头
的受力性能越好,承受的压力也越大。
其次,封头的厚度也是至关
重要的,厚度过大会增加成本,但过小则会影响封头的承压能力,
因此厚度的选择需要在经济性和安全性之间进行权衡。
另外,椭圆
封头的椭圆度也需要符合标准要求,以保证封头在使用过程中能够
正常工作,不会出现变形或泄漏等问题。
在实际应用中,根据不同的压力容器和工艺要求,椭圆封头的
尺寸标准也会有所不同。
因此,在设计和制造过程中,需要根据具
体情况选择合适的标准尺寸,同时也要考虑到材料的选择、焊接工艺、表面处理等因素,以确保椭圆封头的质量和性能。
除了尺寸标准外,椭圆封头的制造还需要符合相关的工艺标准
和质量标准。
在制造过程中,需要严格控制材料的选用和加工工艺,
确保封头的尺寸精度和表面质量符合要求。
同时,还需要进行严格
的质量检测,包括尺寸检测、焊缝检测、表面质量检测等,以确保
封头的质量达到标准要求。
总之,标准椭圆封头的尺寸标准是压力容器设计和制造中的重
要内容,合理选择和应用标准尺寸,严格控制制造工艺和质量检测,能够保证椭圆封头的质量和性能,确保压力容器的安全运行。
希望
本文能够为相关工程技术人员提供一定的参考和帮助,促进压力容
器行业的健康发展。