椭圆形封头标准
- 格式:docx
- 大小:21.54 KB
- 文档页数:16
椭圆形封头标准椭圆形封头是一种广泛使用的压力容器部件,用于封堵容器开口,防止内部介质逸出。
在标准制定和实际应用中,椭圆形封头需满足以下要求:1.形状和尺寸标准化:椭圆形封头的形状和尺寸应符合国际或国内标准。
常见的标准包括ISO 14692、ASME B16.9等。
这些标准规定了椭圆形封头的直径、高度、壁厚等基本参数,以及与筒体连接的坡口形状和尺寸等内容。
形状和尺寸的标准化有利于降低制造成本、提高互换性,方便使用和维护。
2.材料选择:椭圆形封头的材料应具备足够的强度、耐腐蚀性和加工性能。
常用的材料包括碳钢、不锈钢、合金钢等。
具体材料的选用应根据封头的工作压力、介质特性、使用环境等因素进行选择。
3.制造质量:椭圆形封头的制造过程中,应确保材料质量、加工精度和焊接质量。
对于关键尺寸,如封头的几何中心、坡口角度等,应进行严格控制。
此外,焊缝应进行无损检测,确保无表面裂纹、气孔、夹渣等缺陷。
4.使用压力与温度:椭圆形封头的压力和温度参数应符合容器设计规范。
在正常使用条件下,封头应能承受容器的设计压力,且不会出现局部屈曲或塑性变形。
另外,封头在设计温度下应具有良好的韧性、高温稳定性和低温韧性。
5.结构完整性:椭圆形封头应具有足够的结构完整性,确保在各种工况下不会发生破坏。
这涉及到封头的几何形状、壁厚分布、过渡区设计等因素。
为了提高结构完整性,可以采用优化设计,如增加封头壁厚、采用热处理等方法。
6.与筒体的连接:椭圆形封头与筒体的连接部位,应采用相应的焊接工艺和连接结构,确保连接部位的结构强度和密封性能。
常见的连接方式包括对接焊接、角接焊接等,具体选用应根据设计要求进行选择。
7.防腐和耐磨性:对于暴露在腐蚀环境或工作介质具有磨损性的椭圆形封头,应考虑采取相应的防腐和耐磨措施。
例如,在封头表面喷涂防腐涂层、堆焊硬质合金等,以提高封头的耐腐蚀性和耐磨性。
8.检验与试验:制造完成的椭圆形封头应进行严格的检验和试验,确保其符合设计要求和使用性能。
椭圆形封头标准椭圆形封头是一种常见的容器头部形状,其外形呈椭圆形状。
椭圆形封头标准是指对椭圆形封头的设计、加工和使用进行规范化的标准。
椭圆形封头广泛应用于压力容器、储罐、锅炉等设备中,具有结构强度高、承压性能好等优点。
本文将对椭圆形封头标准进行详细介绍,以便于读者更好地了解和运用这一标准。
1. 椭圆形封头的分类。
椭圆形封头按照其几何形状可以分为长轴与短轴尺寸相等的标准椭圆形封头和长轴与短轴尺寸不等的非标准椭圆形封头。
标准椭圆形封头通常采用椭圆形封头公称直径和厚度的比值来表示,常见的有2:1、3:1、4:1等。
非标准椭圆形封头则需要根据具体的设计要求进行定制。
2. 椭圆形封头的制造标准。
椭圆形封头的制造标准主要包括材料标准、尺寸标准、加工工艺标准等。
材料标准是指椭圆形封头所采用的材料应符合相关的材料标准,如GB/T3274中的碳素结构钢板、GB713中的压力容器用钢板等。
尺寸标准是指椭圆形封头的直径、厚度、椭圆长轴和短轴尺寸等应符合相关的尺寸标准,如JB/T4735中的椭圆形封头尺寸标准。
加工工艺标准是指椭圆形封头的加工过程应符合相关的工艺标准,如JB/T4709中的椭圆形封头加工工艺标准。
3. 椭圆形封头的设计要求。
椭圆形封头的设计要求包括几何形状、结构强度、承压性能、密封性能等方面。
在设计椭圆形封头时,应根据实际使用条件和要求确定其几何形状,保证其结构强度和承压性能满足设计要求,并确保其密封性能符合相关标准。
同时,还应考虑到椭圆形封头的加工工艺和成本等因素,尽量做到设计合理、经济实用。
4. 椭圆形封头的检验标准。
椭圆形封头的检验标准主要包括外观检验、尺寸检验、结构强度检验、承压性能检验、密封性能检验等。
外观检验是指对椭圆形封头的表面质量进行检查,包括表面平整度、无裂纹、无凹陷、无气泡等。
尺寸检验是指对椭圆形封头的尺寸进行检查,确保其符合设计要求。
结构强度检验是指对椭圆形封头的结构强度进行检测,以验证其承压性能。
椭圆形封头标准椭圆形封头是一种常见的压力容器头部形式,其外形呈椭圆形状,具有一定的设计标准和规范。
椭圆形封头广泛应用于化工、石油、医药、食品等领域的压力容器中,其设计和制造对于保障压力容器的安全运行具有重要意义。
本文将对椭圆形封头的标准进行介绍,以便于大家对椭圆形封头有更深入的了解。
椭圆形封头的标准主要包括以下几个方面,尺寸标准、材质标准、制造标准和检验标准。
首先,尺寸标准是指椭圆形封头的外形尺寸、厚度、曲率半径等方面的要求,这些尺寸标准是根据压力容器的设计压力、工作温度、介质性质等因素来确定的。
其次,材质标准是指椭圆形封头所采用的材质应符合相应的国家标准或行业标准,以保证其具有良好的耐压、耐腐蚀等性能。
制造标准是指椭圆形封头的制造工艺、工艺要求、成形要求等方面的标准,包括热加工、冷加工、焊接等工艺要求。
最后,检验标准是指对椭圆形封头进行检验和验收时所需符合的标准,包括外观检查、尺寸检查、材质分析、无损检测等。
在实际应用中,椭圆形封头的标准对于压力容器的安全运行具有重要的意义。
符合标准的椭圆形封头能够保证压力容器具有良好的耐压性能,能够承受设计压力下的工作条件,同时也能够保证压力容器在高温、腐蚀等恶劣环境下的安全运行。
因此,在设计、制造和使用压力容器时,应严格按照椭圆形封头的标准要求进行操作,以确保压力容器的安全可靠。
除了上述的标准要求外,椭圆形封头的设计也需要考虑到其与压力容器的连接方式、密封性能、热应力等方面的因素。
椭圆形封头的连接方式可以采用对接焊接、法兰连接等形式,其密封性能对于压力容器的安全运行至关重要,而在高温、高压工况下,椭圆形封头还需要考虑到热应力的影响,以避免因热应力引起的裂纹、变形等问题。
总的来说,椭圆形封头作为压力容器的重要组成部分,其标准化设计和制造对于压力容器的安全运行至关重要。
只有严格按照标准要求进行设计、制造和使用,才能够保证压力容器的安全可靠。
因此,在实际工程中,需要充分重视椭圆形封头的标准化要求,确保压力容器在使用过程中能够达到预期的安全性能,保障人员和设备的安全。
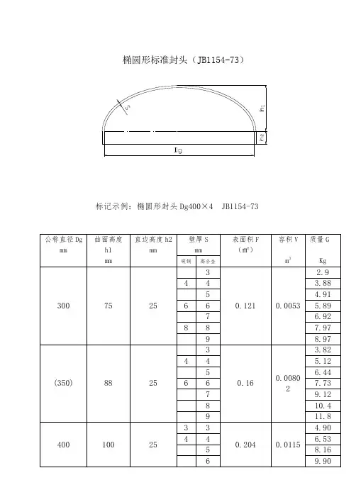
标准椭圆形封头的几何形状、尺寸和质量(1)封头的几何形状形成这种封头的母线是由1/4椭圆线和一条平行于回转轴的短直线光滑连接而成,因而这种封头是由半个椭球和一个高度为h 0的圆柱形短节(称它为封头的直边部分)构成。
标准椭圆形封头的曲面深度h 1与封头公称直径之比为1比4。
直边高度按封头的公称直径推荐两种尺寸:当封头公称直径DN 小于、等于2000mm 时,h 0=25mm ;当封头公称直径DN 大于2000mm 时,h 0=40mm 。
(2)封头几何量与质量的计算公式椭圆形封头的几何量与质量的计算公式与四个参数有关,即:长轴半径a ,短轴半径b ,直边高度h 0和钢板厚度δP ,其计算式列于下表1:注:1.式中长度单位一律用m ,钢板密度单位为kg/m 。
2.根据需要a 、b 可按封头内径,中径或外径取值。
3.对于以内径为公称直径的标准椭圆形封头,其有关计算公式列下表2。
根据表1所列公式,对于任何a 、b 值的椭圆形封头均可算出其有关各几何量及质量的数值。
注:1.以上各式均按a=0.5D i ,b=0.25 D i ,按表2通用计算公式导出。
2.封头质量公式应按封头中面计算,表中G 式曲面部分是按封头外表面计算的。
对于以内径为公称直径的封头,其中的Fi 和V,可用a=0.5Di和b=0.25Di,代入表1中各式,但对D0、G和G应以中面为基础,为了计算公式简单,表2中的D0、G,G式均以外表面作为计算基础(直边部分除外),且作了不影响工程上允许精确度的简化。
对于以外径为公称直径的封头,表1中的F和V应该用a=0.5DH -δP和b=0.25DH -δP代入,对于G应先算出封头中面面积,这时a=0.5DH-0.5δP,b=0.25DH -0.5δP。
如果将上述值代入表2有关公式后,得到的计算公式较为繁琐,所以不再给出。
(3)数据表根据JB/T4746—2002《钢制压力容器用封头》的规定,以内径为基准的标准椭圆形封头形式代号为EHA,以外径为基准的椭圆形封头形式代号为EHB,这两种封头的内表面积、容积和质量分别列于表3、表4、表5中。
椭圆形封头标准椭圆形封头是一种常见的压力容器头部形状,其具有较好的流体动力学性能和结构强度。
椭圆形封头标准是指椭圆形封头的设计、制造和使用过程中需要遵循的一系列规范和标准。
本文将从椭圆形封头的结构特点、标准规范以及应用领域等方面进行介绍。
椭圆形封头的结构特点。
椭圆形封头是由椭圆形曲线旋转而成,其外形呈椭圆形,具有两个焦点和两个半轴。
椭圆形封头相对于球形封头而言,具有较大的内部空间和较小的投影面积,因此在一些对容器内部空间要求较大的场合中得到广泛应用。
椭圆形封头的结构特点决定了其在压力容器中的应用优势,同时也需要遵循相应的标准规范以确保其安全可靠地运行。
椭圆形封头标准规范。
椭圆形封头的标准规范主要包括设计、制造、检测和使用等方面的要求。
在设计方面,椭圆形封头需要满足相关的厚度、曲率半径、焊缝形式等要求,以确保其在承受压力时不会发生变形或破裂。
在制造和检测方面,椭圆形封头需要符合相关的材料、工艺和质量控制要求,以确保其内部结构和表面质量达到标准规定。
在使用方面,椭圆形封头需要按照相关的安装、运行和维护要求进行操作,以确保其在使用过程中不会发生泄漏或其他安全问题。
椭圆形封头的应用领域。
椭圆形封头由于其结构特点和标准规范的要求,被广泛应用于石油、化工、医药、食品等行业的压力容器中。
在石油行业中,椭圆形封头常用于储罐、反应釜、换热器等设备中;在化工行业中,椭圆形封头常用于塔器、容器、管道等设备中;在医药和食品行业中,椭圆形封头常用于卫生容器、食品加工设备等场合中。
椭圆形封头的应用领域多样,但其标准规范的要求始终如一,以确保其安全可靠地运行。
总结。
椭圆形封头作为一种常见的压力容器头部形状,具有较好的流体动力学性能和结构强度。
椭圆形封头的标准规范包括设计、制造、检测和使用等方面的要求,以确保其安全可靠地运行。
椭圆形封头被广泛应用于石油、化工、医药、食品等行业的压力容器中,其应用领域多样,但其标准规范的要求始终如一。
椭圆封头标准规格参数1. 尺寸椭圆封头的尺寸应符合GB/T 107522009《压力容器用封头》的规定。
其常用的尺寸包括直径、高度、壁厚等,具体参数应参照标准表格。
2. 形状椭圆封头的形状应符合椭圆曲线的几何特性,其长轴和短轴的比例应根据实际需要确定。
封头的端口形状通常为平口或坡口,具体形状应根据设计要求进行选择。
3. 材质椭圆封头的材质应符合使用压力、温度和介质的特性要求。
通常,椭圆封头可采用碳钢、低合金钢、不锈钢等金属材料制成,具体选用应根据实际需求进行。
4. 制造方法椭圆封头的制造方法主要包括冷加工和热加工两种。
冷加工方法包括冷冲压和冷旋压,适用于较薄的封头;热加工方法包括热冲压和热旋压,适用于较厚的封头。
具体的制造方法应根据封头的材质、尺寸和形状进行选择。
5. 精度等级椭圆封头的精度等级应符合GB/T 107522009《压力容器用封头》的规定。
根据不同等级的要求,封头的尺寸精度、形状精度和表面粗糙度等参数均应满足相应的标准。
6. 表面处理椭圆封头的表面处理方法应根据实际需要进行选择。
常用的表面处理方法包括抛光、喷砂、酸洗钝化等,可提高封头的耐腐蚀性能和使用寿命。
7. 试验方法椭圆封头在制造过程中应进行各种试验,以确保其质量和性能符合要求。
主要的试验方法包括:无损检测试验、压力试验、弯曲试验等。
这些试验的具体方法和判定标准应按照相关标准执行。
8. 质量保证椭圆封头的制造商应建立完善的质量保证体系,以确保产品的质量和性能符合要求。
质量保证体系应包括原材料检验、生产过程控制、成品检验等环节,以确保每个环节的质量都符合标准要求。
9. 使用寿命椭圆封头的使用寿命取决于多种因素,如材质、制造工艺、操作条件等。
在使用过程中,应严格按照操作规程进行,定期进行检查和维护,以确保封头的安全性和稳定性。
根据不同的材质和使用条件,椭圆封头的使用寿命可能会有所不同,具体应按照相关标准进行评估和预测。
标准椭圆形封头尺寸
椭圆形封头是一种常用于压力容器和储罐的封头,其设计和制造需要严格遵循标准尺寸。
本文将介绍标准椭圆形封头的尺寸标准,以及其在工程设计中的应用。
椭圆形封头的尺寸标准主要包括长轴半径、短轴半径、厚度等参数。
根据不同的设计要求和压力容器的工作条件,椭圆形封头的尺寸会有所不同。
一般来说,椭圆形封头的长轴半径是短轴半径的1.5到2倍,厚度则根据压力容器的工作压力和温度来确定。
在实际应用中,设计人员需要根据相关标准和规范,结合具体的工程要求来确定椭圆形封头的尺寸。
在工程设计中,椭圆形封头通常用于压力容器的两端,作为容器的封头部分。
其设计尺寸需要考虑到容器的内部压力、温度和介质等因素,以确保容器在工作过程中能够安全可靠地运行。
同时,椭圆形封头的尺寸也会影响到容器的整体结构和性能,因此在设计过程中需要进行合理的计算和选择。
除了常规的椭圆形封头,还有一些特殊形状的椭圆形封头,如扁平椭圆形封头和加强型椭圆形封头等。
这些封头在特定的工程场合中会有特殊的应用要求,因此在设计和制造过程中需要特别注意其尺寸和形状的要求。
总之,标准椭圆形封头的尺寸标准是压力容器设计和制造中的重要内容,设计人员需要根据相关标准和规范,结合具体的工程要求来确定椭圆形封头的尺寸。
只有合理选用和正确设计椭圆形封头,才能确保压力容器在工作过程中能够安全可靠地运行,从而保障工程设备和人员的安全。
希望本文对椭圆形封头的尺寸标准有所帮助,也希望工程设计人员在实际工作中能够充分重视椭圆形封头的尺寸设计,确保压力容器的安全运行。
冲压加工标准椭圆形封头,材料q235,公称直径
冲压加工标准椭圆形封头,材料为Q235,公称直径1000mm 以上。
1. 封头形状为标准椭圆形,外形长轴与短轴比为2:1。
2. 封头材质为Q235,符合国家标准GB/T700-2006。
3. 封头加工工艺采用冲压加工,确保封头的几何形状和尺寸精度。
4. 封头表面应进行酸洗去除表面氧化皮和焊渣。
5. 封头尺寸应符合国家标准JB4732-1995中的要求,外形长轴尺寸为1500mm,短轴尺寸为750mm。
6. 封头的厚度应符合国家标准GB/T2518-2008中的要求,厚度为6mm。
7. 封头的耐压性能应符合国家标准GB150-2011中的要求,能够承受设计压力。
8. 封头应进行射线检测或超声波检测,确保封头内部无缺陷。
9. 封头表面应进行喷砂、打磨等工艺处理,达到表面粗糙度要求。
10. 封头应进行防腐处理,涂刷防腐漆或镀锌等处理,并符合国家标准GB/T14151-2008中的防腐等级要求。
标准椭圆封头尺寸首先,我们需要了解椭圆封头的几何特征。
椭圆封头的形状是由一个椭圆和两个短轴圆弧组成的,其中椭圆的长轴长度决定了封头的直径,而短轴圆弧的半径则决定了封头的高度。
根据设计压力和容器的使用要求,椭圆封头的尺寸需要按照相关标准进行确定,以保证其安全可靠地工作。
其次,标准椭圆封头的尺寸标准主要包括直径(D)、高度(H)、壁厚(t)等参数。
在设计和制造过程中,这些尺寸参数需要严格按照相关标准进行选择和计算,以确保椭圆封头的质量和性能符合要求。
此外,椭圆封头的尺寸还会受到材料特性、工艺要求、安装方式等因素的影响,因此在确定尺寸时需要进行综合考虑。
在实际应用中,标准椭圆封头的尺寸选择需要根据具体的压力容器设计参数进行确定。
一般来说,设计压力、工作温度、介质性质、容器结构等因素都会对封头的尺寸提出要求。
因此,在进行尺寸选择时,需要充分考虑这些因素,以确保椭圆封头能够满足容器的使用要求,并且具有足够的安全性和可靠性。
除了尺寸标准外,标准椭圆封头的制造工艺和质量控制也是非常重要的。
在制造过程中,需要严格按照相关标准和规范进行操作,确保封头的几何尺寸、壁厚、表面质量等均符合要求。
同时,还需要进行严格的检测和检验,以确保椭圆封头的质量达到设计要求,并且能够安全可靠地使用。
总的来说,标准椭圆封头的尺寸选择是压力容器设计和制造过程中的重要环节。
合理选择尺寸,严格按照标准进行制造和质量控制,能够保证椭圆封头具有良好的性能和可靠的安全性。
因此,在实际工程中,需要充分理解相关标准和规范要求,以确保椭圆封头的尺寸设计和制造能够符合要求,为压力容器的安全运行提供保障。
综上所述,标准椭圆封头的尺寸选择是一个复杂而重要的工作,需要充分考虑压力容器的使用要求和安全性能。
只有严格按照相关标准和规范要求进行尺寸选择、制造和质量控制,才能够保证椭圆封头具有良好的性能和可靠的安全性,为压力容器的安全运行提供保障。