双向6车道高速公路路基路面的综合设计
- 格式:doc
- 大小:1.08 MB
- 文档页数:64
2019年《道路工程课程设计》任务书及指导书——沥青路面设计1.设计资料河南某地(Ⅱ)拟修建高速公路,设计为双向四车道,路基宽度27.0m。
其5中,行车道7.5m×2。
经交通量OD调查分析,断面大型客车和货车交通量为4052辆/日, 交通年平均增长率为6.05%。
根据交通历史数据,按表A.2.6-1确定该设计公路为TTC0类,根据表A.2.6-2得到车辆类型分布系数如表1所示。
表1. 车辆类型分布系数根据路网相邻公路的车辆满载情况及历史数据的调查分析,得到各类车型非满载与满载比例,如表2所示。
表2. 非满载车与满载车所占比例(%)公路新建部分路基平均填土高度1.8m,平均地下水位0.8m,平均冻深0.48m,土质为粘土质砂,其重度错误!未找到引用源。
为18.0kN/m3。
根据气象资料,连续十年路面最低气温平均值为-2℃。
路基路基标准状态下回弹模量取90MPa,回弹模量湿度调整系数Ks取0.88,干湿与冻融循环作用折减系数K取0.80,则经η过湿度调整和干湿与冻融循环作用折减的路基顶面回弹模量为63MPa。
2.设计内容(1)交通分析;确定交通荷载等级。
(2)初拟沥青路面结构(结构层组合、各结构层材料、层厚)。
(3)确定各层材料参数(各层材料模量、强度和土基的回弹横量)。
(4)轴载换算,计算Ne。
(5)进行路面结构验算。
(6)计算路基顶面和路表验收弯沉值。
3.设计所需参考资料(1)公路沥青路面设计规范(JTG D50-2017)(附电子版);(2)路基路面工程(第五版),黄晓明主编;(3)道路工程教材。
4.设计验算好路网——在线设计——沥青路面结构分析(APAD)(规范编写组提供的网页版程序)(/online_design.aspx)5.提交成果(1)课程设计计算书A4手写,要求过程详实,表格、公式规范。
注:计算书后面附“课程设计总结”1份。
(2)沥青路面结构设计图A3一张,要求按照制图标准规范绘制。
高速公路沥青路面设计设计任务书1、设计目的通过本设计掌握高速公路沥青路面设计的基本过程和计算方法。
2、设计题目(1)设计题目南京地区某高速公路,其中某段经调查路基为粉质中液限粘土,地下水位1.1m,路基填土高度0.5m。
近期混合交通量为25350 辆/日,交通组成和代表车型的技术参数分别如表1、表2 所示,交通量年平均增长率8%。
该路沿线可开采砂砾、碎石,并有石灰、水泥、粉煤灰、沥青供应。
请设计合适的半刚性沥青路面结构。
(2)设计依据《公路沥青路面设计规范》(JTG D50—2006)《路基路面工程》(第三版),邓学钧主编,2008.5《路基路面工程》,沙爱民主编,2011.33、设计方法与设计内容(1)根据自然区划、路基土类型和地下水位高度,确定土基回弹模量值;(2)计算设计年限内一个车道的累积当量轴次和设计弯沉值;(3)根据设计资料,确定合适的面层类型(包括面层材料级配类型);(4)拟定2 种可能的路面结构组合与厚度方案,确定各结构层材料的计算参数;(5)根据《公路沥青路面设计规范》验算拟定的路面结构;4、设计要求(1)总体要求:根据设计资料,初步拟定2 种路面方案,并对这2 种方案进行经济技术比较(经济技术比较以初始修建费为依据,每种材料的单价见附录中表3 所示);(2)要求计算每种代表车型的轴载换算系数(共两种:一种以设计弯沉值为指标及沥青层层底拉应力验算时的轴载换算系数;另一种为进行半刚性基层层底拉应力验算时的轴载换算系数)。
(3)拟定的路面结构方案,应明确标示出每种材料的名称、厚度和设计时使用的模量值。
并列出路面结构验算过程。
5、附录(1)2015 年材料单价表表3 2015 年材料单价表一、确定车道数序号汽车型号日交通量小客车转换系数当量小客车(pcu/d)1 桑塔纳6228.495 1 6228.4952 五十铃10723.05 1.5 16084.583 解放CA10B 5587.14 2.5 13967.854 黄河JN150 2284.035 2.5 5710.0885 黄河JN162 479.115 2.5 1197.7886 交通SH361 45.63 4 182.52合计43371.32设计年限末交通量设计年限小时交通量为(其中 D=0.5,K=12.5%)服务水平等级v/C值设计速度(km/h)120 100 80最大服务交通量[ pcu/(h·ln)]最大服务交通量[ pcu/(h·ln)]最大服务交通量[ pcu/(h·ln)]一v/C≤0.35 750 730 700 二0.35< v/C≤0.551200 1150 1100三0.55<v/C≤0.751650 1600 1500四0.75< v/C≤0.901980 1850 1800五0.90<v/C≤1.002200 2100 2000 六v/C >1.00 0~2100 0~2200 0~2000结论:高速公路采用三级服务水平,则车道数取双向六车道故采用八车道。
注册土木工程师(道路工程)考试:2022专业案例真题及答案(1)1、某发电厂300MW机组的电能计量装置,其电压互感器的二次回路允许电压降百分数不大于下列哪项数值?()(单选题)A. 1%~3%B. 0.2%C. 0.45%D. 0.5%试题答案:B2、某双向六车道高速公路,设计速度100km/h,其设计服务水平下单车道服务交通量=1600pcu/(h·ln),设计小时交通量系数K=0.13,方向不均匀系数D=0.55该高速公路年平均日设计交通量是()。
(单选题)A. 44755pcu/dB. 67133pcu/dC. 73846pcu/dD. 134265pcu/d试题答案:B3、海拔500m的500kV架空线路有一90m杆塔,为满足操作及雷电过电压要求,耐张绝缘子串应采用多少片绝缘子?(绝缘子高度155mm)()(单选题)A. 25片B. 28片C. 30片D. 32片试题答案:D4、在滩槽明显的平原区不稳定河段,需建一座公路桥梁,桥位处河槽宽31m,设计流量530m3/s,其中河槽流量320m3/s,该桥按设计流量计算的桥孔最小净长度为()。
(单选题)A. 31mB. 41mC. 46mD. 48m试题答案:D5、某高速公路,主线桥梁采用上下行分离设置,单幅桥宽15.25m,两侧均设0.5m宽墙式护栏,桥梁车辆荷载计算时,横向车道布载系数应取值为()。
(单选题)A. 0.78B. 0.67C. 0.60D. 0.55试题答案:B6、配电变压器设置在建筑物外其低压采用TN系统时,低压线路在引入建筑物处PE或PEN应重复接地,其接地电阻不宜超过()。
(单选题)A. 0.5ΩB. 4ΩC. 10ΩD. 30Ω试题答案:C7、发电厂和变电站电气装置中,以下哪些部分应采用专门敷设的接地导体(线)接地?()(多选题)A. 发电机机座或外壳B. 110kV及以上钢筋混凝土构件支座上电气装置的金属外壳C. 非可燃液体的测量和信号用低压电气装置D. 直接接地的变压器中性点试题答案:A,B,D8、架空线路绝缘子串在雷电冲击闪络后,建弧率与下列哪些选项有关?()(多选题)A. 额定电压B. 绝缘子串闪络距离C. 绝缘子串爬电距离D. 架空线对地高度试题答案:A,B9、多电子原子中同一电子层原子轨道能级(量)最高的亚层是()。
三明学院建筑工程学院《路基路面工程》课程设计题目:沥青路面设计姓名:郑方麟班级: 20级土木工程3班学号: 20200961242时间:2020.6.12-2021.6.25课题的内容和要求:一、课题内容根据给定设计资料完成路面结构组合设计。
二、课题要求1、依据设计资料,按照相应的规范完成路面结构设计方案,并进行比选。
2、熟练应用路面设计软件,完成设计说明书。
三、设计资料该公路位于福建三明地区,沿线为中液粘性土,稠度1.05,属于中湿状态,年降水量为1300mm,最高温度为40℃,最低温度为-1℃,路面结构采用沥青混凝土路面。
沿线可采集砂、石料、附近有矿渣可以利用,同时可供应石油沥青、水泥、石灰等材料。
据调查,交通量与车辆组成如下:交通量年平均增长率为6%。
本路段设计使用年限为20年。
1基本资料的确定1.1确定公路等级1)计算折算交通量其中折算系数查《公路工程技术指标》(JTG B01 2003),表2.0.2各汽车代表车型与车辆折算系数。
计算结果如下表:表1 折算交通量车型序号车型名称 折算系数交通量(辆/日) 折算后交通量(辆/日)1 红岩CO30290 3 100 3002 南阳NY151JC 2 200 4003 黄河SPP200 3 300 9004 贝利埃GC6×6 2 200 4005 尼龙克2766 3 100 300 6 太脱拉111 2 180 360 7北京BK6512120240 总计2900有上表可知,月平均日交通量为2900辆/日,近似代替年平均日交通量。
2)计算设计交通量1(1)n AADT ADT -=⨯+γ其中:AADT — 设计交通量(pcu/d );ADT — 起始年平均日交通量(pcu/d ); γ — 年平均增长率(%); n — 预测年限故2038年的设计交通量为:)/(8775%)61(2900)1(1201n d pcu ADT ADDT =+⨯=+⨯=--γ3)确定公路等级根据《公路工程技术标准》(JTG B01 2003),将公路根据功能和适应的交通量分为五个等级。
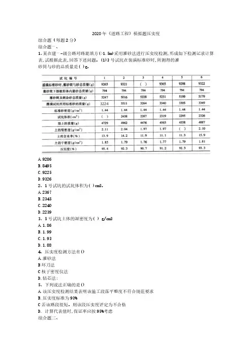
2020年《道路工程》模拟题压实度综合题(每题2分)综合题一、1、某在建一-级公路对路堤填方(>1.5m)采用灌砂法进行压实度检测,形成如下检测记录计算表,试根据此表,回答下述问题。
(1)3号试坑在装满标准砂时,所测得的灌砂筒与砂的总质量是( )g。
A.9286B.8495C.9225D.93262、1号试坑的试坑体积为( )cm3。
A.2367B.2345C.2240D.22393、5号试坑土体的湿密度为( ) g/cm3A.1.86B.1.99C.1.93D.1.884、压实度检测方法有()A.灌砂法B环刀法C核子密度仪法D.钻芯法:5、下列说法正确的是()A.该压实度检测结果表明该施工段落平整度不符合规范要求B.压实度标准为93%C若该路段很短。
则该段压实度评定为不合格D.计算代表值时,保证率应按95%考虑综合题二、6、某新建高速公路土方路基路床施工中,其中某路段压实度检测结果如下已知保证率95%,n =20 ta/vm= 0.387,S=0.74根据上述资料回答下列问题(本题为了让你掌握考点所以是6个小题):(1) 该路段的压实度标准值为( )A.96%B.97%C.95%D.94%7、该路段压实度的单点压实度规定极值为( )A.95B.94C.93D.918、本路段压实度的代表值为( )%A96.76B.96.47C.96.18D.96.089、本路段压实度评定结果是( )A不合格B.台格:C.良好D.优秀10、本路段压实度的台格率为( ) %A.20B.70C.90D.10011、若高速路的连接线为三级公路,路面结构为沥青混凝土,其路基压实度按( )标准A.高速一级公路B.二级公路C.三级公路D.四级公路综合题三、12、某高速公路在建项目设计为双向六车道,土方路基施工里程桩号为K20+100 ~K21+100下表中为施工过程中压实度检测数据资料(综合题考试是5小题,咱们练习所以就多给加一个小题。
双向四车道高速公路路基路面工程摘要本设计为山东省某地新建的一条双向四车道高速公路,设计速度为120km/h.起止桩号为K00+000-K2+000.分为路基设计和路面设计两部分.路基设计中主要以一般路堤形式进行设计,路堤平均高度为2.5m,土质为粉性土,平均地下水位1.0m,平均冻深0.3米。
主要进行了路基横断面设计、道路横断面排水设计、路基稳定性验算和施工设计.其中,路基稳定性验算取8m高一般路堤进行设计.路面设计中主要是初拟路面结构的不同.设计路面为水泥混凝土刚性路面,主要包括路面结构组合设计、混凝土路面板尺寸设计、接缝设计以及施工设计.并对水泥混凝土路面面层的配合比进行了设计.关键词一般路堤、排水、施工、水泥路面、配合比目录摘要 (1)1 路基设计 (6)1.1 路基横断面设计 (6)1.1.1 确定路基横断面形式 (6)1.1.2 确定自然区划和路基干湿类型 (6)1.1.3 拟定路基断面尺寸 (7)1.2 道路横断面排水设计 (9)1.2.1 确定边沟布置、断面形式及尺寸 (9)1.2.2 确定截水沟布置、断面形式和尺寸 (10)1.2.3 其他排水设施 (12)1.3 路基稳定性验算 (13)1.3.1 设计参数 (13)1.3.2 稳定性验算 (13)1.3.3 路基坡面防护 (16)1.4 路基施工设计 (16)1.4.1 施工要点 (17)1.4.2 路基压实 (18)2 水泥混凝土路面设计 (19)2.1 行车荷载 (19)2.1.1 车辆的类型和轴型 (19)2.1.2 轴载换算 (20)2.1.3 交通分析 (22)2.2 路面结构组合设计 (24)2.2.1 垫层设计 (24)2.2.2 基层设计 (24)2.2.3 面层设计 (26)2.2.4 路肩设计 (26)2.2.5 路面排水设计 (27)2.3 路面结构层设计 (28)2.3.1. 初拟路面结构 (28)2.3.2. 路面材料参数的确定 (28)2.3.3. 基层顶面回弹模量 (30)2.3.4. 荷载疲劳应力 (32)2.3.5. 温度疲劳应力 (34)2.4 接缝设计 (36)2.4.1 纵向接缝 (37)2.4.2 横向接缝 (38)2.5 水混凝土面层混合料设计 (39)2.5.1 基本要求 (39)2.5.2 配合比设计 (40)2.6 路面用钢筋量计算 (42)2.7 水泥混凝土路面机械摊铺施工 (43)参考文献 (46)1路基设计路基根据其使用要求和当地自然条件,并结合施工方案进行设计,既有足够的强度和稳定性,又要经济合理。
第1篇一、工程概况本项目位于我国某省某市,起点为某镇,终点为某镇,全长约30公里。
本项目采用双向四车道高速公路标准,设计速度120公里/小时,路基宽度27米。
全线共设置互通式立交2处,服务区1处,停车区1处,收费站2处。
本项目总投资约50亿元,建设工期为3年。
二、施工组织设计1.施工组织架构本项目施工组织架构分为项目经理部、项目部、施工队三个层次。
项目经理部负责全面协调和管理整个项目,项目部负责具体实施和协调各施工队的工作,施工队负责具体施工。
2.施工进度计划根据项目总工期和施工计划,本项目路基工程分为以下几个阶段:(1)准备阶段:主要包括施工图纸会审、施工组织设计编制、施工人员培训、材料设备采购等。
(2)路基施工阶段:主要包括土方开挖、填筑、压实、排水、防护等。
(3)路基验收阶段:主要包括路基压实度检测、平整度检测、路基沉降观测等。
三、施工方案1.土方开挖(1)开挖方法:采用机械开挖,使用挖掘机、装载机、自卸汽车等设备进行土方开挖。
(2)开挖顺序:先挖路基中心线两侧的土方,再挖路基两侧的土方。
(3)土方堆放:将挖出的土方堆放在路基两侧,距离路基边缘不小于2米,堆放高度不大于1.5米。
2.填筑(1)填料选择:选用强度高、稳定性好的土质作为填料,避免使用淤泥、粉砂等不良填料。
(2)填筑方法:采用分层填筑、压实的方法,每层厚度控制在30-50厘米。
(3)填筑顺序:先填筑路基中心线两侧的土方,再填筑路基两侧的土方。
3.压实(1)压实机械:采用振动压路机、轮胎压路机等设备进行压实。
(2)压实标准:根据设计要求,路基压实度应达到95%以上。
(3)压实遍数:根据土质和填筑厚度,确定压实遍数。
4.排水(1)排水设施:设置排水沟、暗沟、涵洞等排水设施。
(2)排水方法:采用自然排水和人工排水相结合的方法。
(3)排水沟:排水沟深度不小于0.5米,宽度不小于0.6米。
5.防护(1)防护措施:根据路基情况,采取边坡防护、路基防护等措施。
150交通科技与管理规划与管理高速公路修建是各个城市经济建设不可缺少的一部分,通过高速通路运输,加快旅游业、农业、化工业等多个领域经济发展[1]。
因此,高速公路修建备受人们重视。
近年来,互联网在各个领域覆盖,加大了运输需求[2]。
为了满足运输需求,需要扩建高速公路,保证新老路基路面的协调性[3]。
目前,尚未给出可靠性较高的扩建设计方案,仍需进一步探究。
1 高速公路扩建工程路基拼宽设计1.1 控制标准扩建工程的一个重要标准是保证新路与老路的衔接控制,按照国家高速公路修建标准,提出路肩横坡变化值不得超出0.6%的要求,且新路坡向与老路坡向必须保持一致。
标记原路中心位置记为P,新路与老路拼接到一起以后,P 处附加的沉降增量不可以超过50 mm,否则认为拼宽设计不可靠。
另外,计算新路的路基沉降值,要求总值控制在15 cm 以下,施工结束后测得沉降值不得超过5 cm [4]。
由于路基拼宽设计很难避免路基差异问题,可以允许差异沉降的存在,但是不得超出5 cm。
1.2 拼宽位置的设置考虑到老路基因长期使用强度下降,所以在建设新路基时,不可以忽略高路基强度的提升处理。
本设计方案挖除老路土的硬路和路肩,设定第三车道、第四车道、硬路肩为拼宽区域,在标定的位置修建新的路基,在两个车道之间画线,标记为拼接缝。
这种设计方案为新建路基的强度提供了保障,新修路段的强度分布比较均匀,同时也可以通过硬路肩的拼接,改善老路基的强度。
1.3 清坡、削坡、挖台阶处理在拼接新路基时,需要对老路基边坡采取削坡和清坡处理,处理深度设置为30 cm。
为了提高路基拼宽质量,本研究采用实地勘察法,对老路基边坡树木和填土分布情况进行了勘测。
勘察期间发现,部分区段树木较多,以灌木为主,高大树木较少,路基填土比较松散。
在此环境下,需要对老路填土压实度进行调整,以3 m 填土高度作为分界线,当填土高度未超出限定值时,控制边坡削坡率为1:1,当填土高度超出限定值时,控制边坡削坡率为1:1.25。
专题一路基工二级建造师《公路实务》案例专项汇编程专题概况1.综合能力要求最高,学习时间花费多,在二建案例中属于难度较高的知识点;2.引用规范比较多,考察面宽,考察细致。
如技术标准,路基填料要求等考点;3.实操考察多,应用性强,难度大。
主要在于以下几个模块:(1)现场处治:常见问法为“采取……措施”;(2)施工组织应用;(3)分析类问题。
【案例一】【背景资料】某施工单位承建某高速公路K11+320~K30+180段改扩建工程,把双向四车道扩建为双向六车道,施工过程中发生了如下事件:事件一:K13+826~K14+635段为填方路段,边坡高度最低为20.6m,最高为24.8m。
路床填筑时,每层最大压实厚度宜不大于(A)mm,顶面最后一层压实厚度应不小于(B)mm。
事件二:本工程填方量大,借方困难,部分填料含水量较大,需掺灰处理,经反复试验,掺灰土的CBR 值在6%~7%之间。
事件三:本工程K22+300~K23+100为高填路堤,其新拓宽部分局部路段穿越软土地基,设计采取了粉喷桩对软基进行处理。
事件四:K25+550~K30+180段有若干鱼塘,水深低于2m,塘底淤泥厚度最大不超过0.8m,软土厚度大于4m,小于8m;施工单位拟采取抛石挤淤或袋装砂井处理软基。
事件五:扩建路面工程与原设计路面结构层一致,通车后不久,巡查发现某软基填方区间新旧路面结合部有一条长约80m、宽约1.5mm 的纵向裂缝。
业主召集路基、路面等技术专家对纵向裂缝进行论证及原因分析。
专家会议结论是“该80m 路段路面材料及工艺控制均无缺陷,沥青路面扩建与旧路面结合部质量良好,裂缝产生与路面施工无关。
裂缝产生的主要原因是由路基施工引起的……”【问题】1.事件一中,本段填土路基是否属于高路堤?说明理由。
分别写出A、B 的数值。
2.事件二中,掺灰土能否作为上路床填料?说明理由。
3.事件三中,粉喷桩处理软基的主要目的有哪些?4.事件四中,两种软基处理方案哪种较合理?说明理由。
ICS XXXXXXX XX DBXX 陕西省地方标准DB XX/X XXXX—201X公路改扩建路基路面拼接设计规范Specifications for design about splicing of subgrades and pavement of highway reconstruction and extension(编制说明)201X-XX-XX发布201X-XX-XX实施DBXX/XXX—201X目次1 工作简况 (1)1.1 任务来源 (1)1.2 主要工作过程 (1)1.3 起草组组成成员及其所做的主要工作 (2)2 标准编制原则和主要内容 (2)2.1 标准编制原则 (2)2.2 主要技术内容 (2)2.3 与原标准主要差异情况 (2)3 试验验证 (2)3.1 试验(或验证)准确度、可靠性、稳定性的分析和说明 (2)3.2 实验结果综述 (3)4 知识产权说明 (6)5 采标情况 (6)6 重大意见分歧的处理 (7)7 标准性质的建议说明 (7)8 其他应予说明的事项 (7)ⅠDBXX/XXX—201X 《公路改扩建路基路面拼接设计规范》编制说明1工作简况1.1 任务来源自2008年以来,陕西省陆续完成了连霍高速潼关至西安段、连霍高速西安至宝鸡段、国道312商州至丹凤段(二改一)等300多公里高等级公路的改扩建工程,还有多条公路的局部路段拼接。
目前上述公路均已通车运营,取得了良好的社会经济效益。
公路改扩建是今后我国公路建设的重要任务之一,而现行标准规范中对路基路面拼接技术缺少较为详细的规定,由于改扩建工程的特殊性和复杂性,在实践中遇到许多实际困难。
在交通快速发展的过程中,陕西省公路行业对改扩建工程,积累了丰富的设计施工经验,但由于省内一直没有改扩建工程相关设计规范,致使这些经验成果的推广仍具有一定难度。
为进一步提高陕西省公路改扩建工程的设计水平,指导省内公路改扩建工程的路基路面拼接设计,根据陕西省质量技术监督局下发的《陕西省质量技术监督局关于下达2012年地方标准制修订项目计划的通知》(陕质监标【2012】4号),由陕西省交通规划设计研究院主持承担陕西省地方行业标准《公路改扩建路基路面拼接设计规范》的起草工作。
2023年试验检测师之道路工程模考预测题库(夺冠系列)单选题(共50题)1、应以标准养护()龄期的试件为准评定水泥混凝土弯拉强度。
A.3dB.7dC.14dD.28d【答案】 D2、关于路用水泥混凝土配比设计,试回答下列问题。
(17)路面用水泥混凝土配合比设计采用()强度。
A.7d弯拉B.7d无侧限抗压C.28d抗压D.28d弯拉【答案】 D3、EDTA滴定法试验中,对锥形瓶摇动旋转时,应()。
A.向同一个方向旋转B.先顺时针,后逆时针方向,交替进行C.先逆时针,后顺时针方向,交替进行D.没有严格规定【答案】 A4、关于混凝土的几种强度,回答下列问题:(1)立方体抗压强度、抗压强度标准值和强度等级的关系()。
A.立方体抗压强度为一批混凝土的单个测定值B.配合比设计时的配制强度,设计强度为30MPa,一批混凝土的抗压强度平均值为37.2MPa,强度标准差为4.0MPa,则设计强度为30.6MPaC.C30混凝土,即抗压强度标准值为30MPaD.混凝土立方体抗压强度标准值其实就是一批混凝土的平均强度【答案】 A5、土从可塑状态到半固态状态的界限含水率为()A.缩限B.塑限C.液限D.流限【答案】 C6、燃烧炉法测试沥青混合料沥青含量时的试验温度为()。
A.538℃±1℃B.538℃±2℃C.538℃±3℃D.538℃±5℃【答案】 D7、关于热拌热铺沥青混合料的施工温度测试方法不正确的说法是()。
A.采用金属杆插入式温度计B.混合料出厂温度或运输至现场温度在运料货车上测试C.混合料摊铺温度在摊铺机的一侧拨料器前方的混合料堆上测试D.在沥青混合料碾压过程中测定压实温度,测试时温度计插入深度不小于150mm【答案】 D8、有关木质素纤维进行灰分含量测试中,步骤排序正确的是()A.①②③④B.①③④②C.③①④②D.③④①②【答案】 B9、当土的液塑限试验采用锥质量为76g时,液限WL对应的锥入深度h为()。
2024年注册木土工程师-(道路)专业案例考试历年真题摘选附带答案第1卷一.全考点押密题库(共100题)1.(单项选择题)(每题1.00 分)某简支T形梁桥的计算跨径为l=29.12m,跨度内从支点到第一根横隔梁之间的距离为α=4.96m,冲击系数μ=0.276。
跨中荷载横向分布系数mcq=0.635,支点荷载横向分布系数moq=0.409,车道荷载标准值qk=10.5kN/m,Pk=1.2×318.24kN。
则主梁在汽车荷载作用下的支点最大剪力最接近下列哪一项?()A. 303.64kNB. 289.94kNC. 237.07kND. 217.46kN2.(单项选择题)(每题1.00 分)某隧道洞冂位于零开挖处,其土层厚2.20m,下伏砂岩,最大冻结线为地表下2.0m。
洞门墙基础埋深不应小于()。
[2019年真题]A. 1.0mB. 2.0mC. 2.25mD.2.7m3.(单项选择题)(每题1.00 分)某双向六车道高速公路,设计速度100km/h,其设计服务水平下单车道服务交通量=1600pcu/(h·ln),设计小时交通量系数K=0.13,方向不均匀系数D=0.55该高速公路年平均日设计交通量?()[2019年真题]A. 44755pcu/dB. 67133pcu/dC. 73846pcu/dD. 134265pcu/d4.(单项选择题)(每题4.00 分)某沿河二级公路,受水浸淹,水文计算得知,300年一遇的洪水位为29.8m,100年一遇的洪水位28.6m,50年一遇的洪水位26.8m,25年一遇的洪水位24.0m,假定壅水高0.6m,波浪侵袭高1.2m。
《根据公路工程技术标准》,路基边缘高程是()。
A. 26.3mB.28.6mC. 29.1mD. 30.9m5.(单项选择题)(每题1.00分)按成因相同的年最大值法选样,得到某站1984~2007年实测年最大流量的的总和∑Qi=5340m3/s,其中有一特大流量Q=1200m3/s。
标准文档成都学院课程名称:路基路面工程学院:建筑与土木工程学院专业:土木工程学号: ************ 年级: 2013级学生姓名:***指导教师:***二O一六年六月目录1 设计任务书 (3)1.1 路基部分 (3)1.1.1 设计资料 (3)1.1.2 设计任务 (3)1.2 路面部分 (3)1.2.1 设计资料 (3)1.2.2 设计任务 (4)2 路基部分设计 (4)2.1 路堤横断面设计 (4)2.2 路堑横断面设计 (6)3 路面部分设计 (7)3.1 沥青路面设计 (7)3.1.1轴载分析 (7)3.1.2 结构组合与材料选取 (10)3.1.3 各层材料的抗压模量和劈裂强度 (10)3.1.4 设计指标的确定 (11)3.1.5 路面结构层厚度的计算 (12)3.1.6 沥青混凝土面层和半刚性基层、底基层层底拉应力验算 (13)3.1.7 防冻层厚度检验 (16)3.2 水泥混凝土路面设计 (16)3.2.1 交通量分析 (16)3.2.2 初拟路面结构 (18)3.2.3 确定材料参数 (18)3.2.4 计算荷载疲劳应力 (19)3.2.5 计算温度疲劳应力 (21)3.2.6防冻厚度检验和接缝设计 (22)3.2.7角隅钢筋设计 (23)参考文献 (24)附录 (25)1 设计任务书1.1 路基部分1.1.1 设计资料(1)路堤横断面设计高程为514m,地面高程为510m,地面横坡为12°(左高)。
(2)路堑横断面设计高程为825m,地面高程为830m,地面横坡为16°(右高)。
(3)公路等级为高速,设计速度为80km/h,车道数为6车道,原地面土质为胶结和密实的碎土石。
1.1.2 设计任务根据上述资料,分别设计路堤和路堑的横断面,包括横断面高度、宽度(行车道、中间带、路肩各部分的宽度)、边坡坡度,原地面如何处理、压实度。
在设计说明书中需详细说明设计的过程和确定依据。
土木工程师-专业案例(道路工程)-路面工程-沥青路面[单选题]1.根据《公路沥青路面设计规范》(JTGD50—2006),公路沥青路面设计采用双轮组单轴载100kN作为标准轴载,该(江南博哥)标准轴载的两轮中心距为()。
[2019年真题]A.31.00cmB.31.50cmC.31.95cmD.32.95cm正确答案:C参考解析:根据《公路沥青路面设计规范》(JTGD50—2017)第3.0.3条规定,路面设计应采用轴重为100kN的单轴—双轮组轴载作为设计轴载,计算参数按题1解表确定。
由表可知,该标准轴载的两轮中心距为319.5mm,即31.95cm。
题1解表设计轴载的参数[单选题]2.公路自然区划Ⅲ区新建一条高速公路,路面为水泥稳定级配碎石基层沥青路面,面层采用三层结构,表面层为4cm厚AC13SBS改性沥青混凝土,中面层为6cm厚AC20沥青混凝土,下面层为8cm厚AC25沥青混凝土,路面交工验收时,采用落锤式弯沉仪进行路表检测,弯沉测定时面层中点实测温度为16℃,路基顶面回弹模量为80MPa,湿度调整系数为0.95。
计算路表弯沉温度影响系数最接近下列哪个选项?()A.1.015B.1.023C.1.038D.1.047正确答案:C参考解析:根据《公路沥青路面设计规范》(JTGD50—2017)第B.7.4条规定,路表弯沉温度影响系数,应按下式确定:式中,T为弯沉测定时沥青结合料类材料层中点实测或预估温度(℃);ha为沥青结合料类材料层厚度(mm);E0为平衡湿度状态下路基顶面回弹模量(MPa)。
代入公式计算可得:E0=Ks·MR=0.95×80=76.0MPaha=40+60+80=180mm[单选题]3.西南地区某公路路基交工时,采用落锤式弯沉仪进行弯沉验收,落锤式弯沉仪荷载为50kN,荷载盘半径为150mm。
标准状态下的路基回弹模量为75MPa,湿度调整系数为1.10,干湿与冻融循环作用后的模量折减系数为0.90。
公路试验检测⼯程师《道路⼯程》综合题汇总带答案道路⼯程综合题1⼀、综合题1.某⾼速公路在建项⽬设计为双向六车道,⼟⽅路基施⼯⾥程桩号为K20+100~K21+2OO,下表中为施⼯过程中压实度检测数据资料。
第1⼩题2分每层压实完成后,进⾏压实度检测,检测点数符合检测频率要求的是(C ) A 6 B 49 C 60 D55答案分析:⼟⽅路基实测项⽬表2-1本题K20+100~K2l+2OO施⼯⾥程1000m,检查⽅法和频率,密度法:每200m每压实层测4处,即1000/200=5*4=20,是双向2车道的检测频率,本题⼲设计为双向四车道,所以20*3=60个测点。
2.表中压实度检测合格点数量是(B )个 A 6 B 9 C 11 D 12答案分析:【解析】见⼟⽅路基实测项⽬,表2-1:0~80cm压实度控制标准为96%,98.5、98.2、96.8检测合格点数量是3个,80~150cm压实度控制标准为94%,95.8、97.4、98.2、96.2、95.8、98.2检测合格点数量是6个,因此本题共有9个合格点。
3.表中压实度⼩于检测极值点数量是(C )个 A 1 B 2 C 3 D 4⼟⽅路基实测项⽬,表2-1:注:①表列压实度以重型击实试验法为准,评定路段内的压实度平均值下置信界限不得⼩于规定标准,单个测定值不得⼩于极值(表列规定值减5个百分点)。
不⼩于表列规定值2个百分点的测点,按其数量占总检查点的百分率计算减分值。
0~80cm压实度控制标准为96-5=91:极值:90.2、88.5。
80~150cm压实度控制标准为94-5=89:极值:87.94.若在压实度检测中出现异议,规范规定的标准检测⽅法是( BC ) A 核⼦密度仪法 B 环⼑法 C 灌砂法 D密度法5.属于⼟⽅路基基本要求的是(ABC ) A 应清除地表植被、杂物、积⽔、淤泥和表⼟,按规范和设计要求对基底压实 B 填⽅路基分层填筑,路拱合适,排⽔良好 C 完⼯后应按要求对取⼟坑和弃⼟场进⾏修整 D 路基边坡坡⾯平顺,稳定,不得亏坡答案分析: (1)在路基⽤地和取⼟坑范围内,应清除地表植被、杂物、积⽔、淤泥和表⼟,处理坑塘,并按规范和设计要求对基底进⾏压实。
2023年注册木土工程师-(道路)专业案例考试备考题库附带答案第1卷一.全考点押密题库(共50题)1.(单项选择题)(每题 4.00 分)某互通式立体交叉匝道设计服务水平采用四级,其中一条出口匝道设计速度40km/h,设计小时交通量为600pcu/h,从减速车道起点到该匝道合流鼻端之间的总长度为593m,其中减速车道全长为245m,在下列匝道类型中,符合规范要求的匝道横断面类型为()。
A. Ⅰ型——单向单车道匝道B. Ⅱ型——无紧急停车带的单向双车道匝道C. Ⅲ型——有紧急停车带的单向双车道匝道D. Ⅳ型——对向分隔式双车道匝道正确答案:A,2.(单项选择题)(每题 4.00 分)某具有干线功能的二级公路,设计速度采用60km/h,间隔设置满足超车视距要求路段的间距宜小()。
A. 1kmD. 5km正确答案:B,3.(单项选择题)(每题 1.00 分)某一级公路设计速度80km/h,右侧硬路肩宽度1.5m,土路肩宽度0.75m,预测年度的年平均日交通量约为8500辆/天。
其中,K6+200~K6+260路段为直线填方路段,填方边坡坡率为1∶1.5,路堤高度为5.0~6.0m,该路段如果设置路侧波形梁护栏,则波形梁护栏的等级及长度选择最合理的是哪一个选项?()A. A级,60mB. SB级,60mC. A级,70mD. SB级,70m正确答案:D,4.(单项选择题)(每题 4.00 分)拟建某城市快速路,设计速度100km/h,μ取0.067,圆曲线半径为800m时的最小超高值拟定为()。
(按百分数四舍五入取整)A. 1%B. 2%C. 3%D. 4%正确答案:C,5.(单项选择题)(每题 1.00 分)某二级公路两车道单洞隧道长800m,隧道里程桩号是K10+000~K10+800,其中,K10+000~K10+200为Ⅳ级围岩,K10+200~K10+700为Ⅲ级围岩,K10+700~K10+800为Ⅳ级围岩。
2023年注册木土工程师-(道路)专业案例考试备考题库附带答案第1卷一.全考点押密题库(共50题)1.(单项选择题)(每题 1.00 分)某一城市道路立交,主路设计速度为80km/h,采用单车道平行式入口形式,其加速车道正好处于纵坡度为2.3%的上坡路段,过渡段长度为50m。
那么,该段变速车道长度是(),并简单画出单车道匝道平行式入口示意图。
[2019年真题]A. 160mB. 210mC. 226mD. 242m正确答案:D,2.(单项选择题)(每题 1.00 分)某城市广场与拟建道路相连,广场高于道路,广场中心竖向高程为58.80m,无特殊控制条件。
根据广场竖向设计要求,距离广场中心120m处,与广场边缘相连的道路宜控制的高程范围是()。
[2019年真题]A. 56.40~58.20mB. 55.20~58.44mC. 52.80~58.20mD. 50.40~58.44m正确答案:B,3.(单项选择题)(每题 1.00 分)某干线二级公路,加宽过渡的渐变方式采用四次抛物线渐变方式,交点20为基本形曲线,其交点桩号为K18+333.22,其转角为32°20′,半径为200m,缓和曲线长为60m,其主点桩m号为ZH=K18+245.05,HY=K18+305.05,QZ=K18+331.48,YH=K18+357.91,HZ=K18+417.91,K18+400的加宽值是下列哪个选项?()A. 0.05mB. 0.07mC. 0.15mD. 0.24m正确答案:B,4.(单项选择题)(每题 1.00 分)某分离式双洞高速公路隧道,长600m,绝大部分为Ⅳ级围岩,隧道开挖断面的宽度为12.5m,按对两洞结构彼此不产生有害影响的原则,请问两洞的最小净距应为下列哪个选项?()A. 25.0mB. 31.3mC. 12.5mD. 18.8m正确答案:B,5.(单项选择题)(每题 4.00 分)某高速公路设计标准为双向四车道,按分线设分离式隧道,设计车速120km/h。
1 绪论毕业设计是综合应用大学四年所学道路交通基础理论、基本知识和基础技能来完成一个工程实例的全过程,是专业知识学习的一个总结、深化和拓展过程。
本次毕业设计的任务是进行某高速公路路基路面的综合设计(K64+000~K66+000),此设计路段,是湖南省内运输主干线的一部分,担负着重要的运输任务。
根据我国的《公路自然区划标准》,湖南属于江南丘陵过湿区(IV5),大陆季风型湿润气候,春秋温和,夏热冬寒,四季分明,光照充足,雨量充沛,多年平均降雨量为1200~1500mm,春夏多暴雨,4~8月份年降雨量子60%以上,8月份以后降雨量减少,年平均气温16.5ºC一月份最低气温4.3ºC,七月份最高气温29ºC。
全线按平原微丘区高速公路修建,设计车速为100km/ h。
路基宽度为33m。
路幅划分方式为:中央分隔带3.00m,土路肩为2×0.75m,硬路肩为2×3.0m,行车道为6×3.75m。
设计洪水频率为1/100。
路线所经地区为河湖相冲积平原地貌。
沿线水田分布广泛。
土质主要为高液限粘土、低液限粘土及粘土质砾,少量高液限粘土。
沿线砂石丰富,砂质好,石料主要为石灰岩,质量可靠,运输便利。
在设计过程中均严格按照相关规范并参考有关设计资料,贯彻“以人为本,结合安全、经济、耐久、环保”的设计思想,进行了路线纵面线型设计、路基一般设计、防护设计及路基综合排水设计、路面结构及排水设计、路段沿线涵洞和通道设计等。
并运用了路面设计软件HPDS2003、公路综合设计软件Hard2006、桥梁设计软件为桥梁通、造价软件为同望概预算软件等辅助设计完成了在工程上可行,在结构上可靠,在经济上合理的设计方案。
总之,通过本次设计,学会了搜集资料、分析问题、解决实际工程问题的方法,进一步巩固已学的课程,并能查阅资料、专业文献,熟悉、理解和应用公路工程技术标准和公路设计规范。
诚然,该设计也有些不足之处,希望各位领导、老师指正。
2 路线2.1 设计资料2.1.1原始资料(1)本设计路段(K64+000~K66+000)平面线形其控制点坐标表(长度单位以米计)见下表:控制点坐标表 表2-1(2)平曲线设计为:m L L m R R S S 85,40002121====,经计算所得曲线要素见下表:表2-2路线逐桩坐标表见图SI-27。
2.2设计原则路线设计应在保证行车安全、舒适、迅速的前提下,使工程数量小、造价低、营运费用省、效益好,并有利于施工和养护。
公路路线设计是一项立体线形设计,应注意立体线形设计中平、纵、横面的舒顺、合理的配合。
在工程量增加不大时,平、纵线形应尽量采用较高的技术指标,不应轻易采用最小值或极限值,也不应不顾工程量的大幅增加,而片面追求高指标。
2.3 设计内容2.3.1横断面设计(1)由设计任务书说明部分可知, 本高速公路的路基横断面属整体式断面,其断面形式为:路基宽度为33.0m ,双向6车道,中央分隔带3.00m ,土路肩为2×0.75m ,硬路肩为2×3.0m ,行车道为6×3.75m 。
(2)考虑本路段地处江南丘陵过湿区,雨量充沛,为有利于路面排水,选取路拱坡度为:行车道与硬路肩部分采用2%的横坡;土路肩部分采用3%的横坡。
(3)因本路段圆曲线半径(m R m R 4000,400021==) 均为不设超高的圆曲线最小半径(4000min =R m ),所以本路段沿线不设超高。
2.3.2平面设计(1) 公路平面线形由直线、曲线组合而成,平曲线又分为圆曲线和回旋线两种。
(2) 采用直线线形时,应注意直线同地形、环境的协调与配合,并不宜采用长直线。
直线线形亦不宜过短,曲线间设置直线段时,其最小长度为:当设计速度(100km/h)≥60km/h 时,同向曲线间最小直线长度(以m 计)以不小于设计速度(以km/h 计)的6倍为宜;反向曲线间的最小直线长度(以m 计)以不小于设计速度(以km/h 计)的2倍为宜。
(3) 选用圆曲线半径时,在与地形、地物等条件相适应的前提下,应尽量采用大半径,但圆曲线最大半径值不宜超过10000m 。
因本路段处一级公路平原微丘区,查表[14]25-可知:圆曲线一般最小半径:min700Rm =,极限最小半径:min400Rm =。
(4) 一般情况下宜采用超高为2%~4%的圆曲线半径。
2.3.3纵断面设计纵面线形应与地形相适应,线形设计应平顺、圆滑、视觉连续,保证行驶安全。
纵坡设计应考虑填挖平衡,并利用挖方就近作为填方,以减轻对自然地面横坡与景观的影响。
路线交叉处前后的纵坡应平缓。
平原地形的纵坡应均匀、平缓。
丘陵地形的纵坡应避免过分迁就地形而起伏过大。
(1)控制指标①最大纵坡:高速公路平原微丘区max 4%i ≤;②理想最大纵坡1i 和不限长度的最大纵坡2i 查表[12]45-得:121.67%, 2.76%i i ==; ③竖曲线设计指标(最小半径) 竖曲线最小半径 表2-3(2)纵断面拉坡拉坡设计见下表(3)竖曲线设计:①BP 1处竖曲线:竖曲线计算按式[15](44~47)--计算:21i i ω=- LL R ωω==22L R T ω==22x h R=22T E R=式中:ω-相邻竖曲线坡度代数差; L -竖曲线长度; R -竖曲线半径; T -竖曲线切线长; h -竖曲线上任一点竖距; E -竖曲线外距。
依据高等级公路要求的最小半径,对应于高速公路行车速度100/s V km h =,凸形竖曲线R ≥16000。
两相邻竖曲线坡度代数差较小时,应选用大半径的竖曲线以满足竖曲线的最小长度要求。
取1BP 所对应的竖曲线半径R =16800m (凸形);,53.0,33.221==i i ,则:mT L i i 0.680416800212.511E m;2.511/24.023;L m 4.023%8.116800%;-1.8%33.2%53.02min 12=⨯⨯===>=⨯==-=-=ω竖曲线起点桩号=(K64+499.653)-151.2=( K64+ 348.453); 竖曲线起点高程=855.636-151.2×2.33%=852.113m ; 竖曲线终点桩号:(K64+499.653)+151.2=(K64+ 650.853); 竖曲线终点高程=855.636+162.3×0.53%=856.496m 竖曲线上任意一点的设计标高计算:起点或终点的桩号差。
为计算点桩号与竖曲线为计算点纵距,,其中:为纵坡度;为计算点切线高程,为变坡点标高,且其中:设计标高x y Rx y i H H ix T H H y H H 2)(:210011=•--=±= 取其中一桩号K64+400 为例进行计算:x=400-348.453=51.547m079.016800251.547222=•==R x y853.31%33.2)547.512.151(855.636)(01=•--=•--=i x T H H389.853079.031.8531=+=+=y H H其它各点计算同上,且计算结果列于下表:②2BP 处竖曲线:(凹形)取R=11400>10000,满足视觉效果要求;mT L i i 661.01140021122.758E 122.758m;248.52/2;245.516m %15.211400%;15.2%53.0%68.2212=⨯⨯====⨯==-=-=ω竖曲线起点桩号=(K65+600)-122.758=( K65+ 477.242); 竖曲线起点高程=861.429-122.758×0.53%=860.78m ; 竖曲线终点桩号 =(K65+600)+122.758=(K65+722.758); 竖曲线终点高程=861.429+122.758×2.68%=864.72m 竖曲线上任意一点的设计标高计算同上。
以20m 为一桩进行加密,计算结果列于下表:3 路基工程3.1设计资料3.1.1本路段地处东南湿热区,该区雨量充沛集中,雨型季节性强,水稻田多,土基湿软,强度低,必须认真处理。
3.1.2沿线有较丰富的砂石材料,砂质好,石料为石灰岩,且沿线附近石灰岩储量较丰,质量可靠,运输便利。
3.1.3全线路幅为整体式断面,路幅布置为:路基宽度为33.0m,双向6车道,中央分隔带3.00m,土路肩为2×0.75m,硬路肩为2×3.0m,行车道为6×3.75m。
3.2 设计原则及设计指标3.2.1设计原则(1)路基设计之前,应做好全面调查研究,充分搜集沿线地质、水文、地形、地貌、气象、地震等设计资料。
(2)路基设计应兼顾当地农田基本建设需要。
(3)沿河线的路基设计,应注意路基不被洪水淹没或冲毁,在受水浸淹和冲刷的路段,可采用挡土墙、砌石护坡、石笼、抛石等直接防护措施。
(4)路基设计宜避免高路堤与深路堑。
(5)水文及水文地质条件不良地段的路基设计最小填土高度应小于路床处于中湿状态的临界高度。
(6)受水浸淹路段的路基边缘标高,应不低于路基设计洪水频率的水位加壅水高、波浪侵袭高,以及0.5m的安全高。
(7)路基坡面防护工程应在稳定的边坡上设置,防护类型的选择应综合考虑工程定性不足和存在不良地质因素的路段,应注意路基边坡防护与支挡加固的综合和耐久。
(8)膨胀土地区路基设计,应避免大填、大挖,以浅路堑、低路堤通过为宜,路基设计应以防水、保湿、防风化为主,结合坡面防护,降低边坡高度,连续施工,及时封闭路床和坡面。
3.2.2设计指标(1)路基压实度(重型)及其填料最小强度要求如下表:表3-1①弱膨胀土路堤边坡坡度及平台宽度见下表:②弱膨胀土挖方路基边坡坡度和平台宽度见下表:表3-33.3 设计计算说明3.3.1一般路基设计本路段沿线土质为粘质土,绝大部分区域填挖高均小于20m,边坡开挖或填筑后,只需及时防护,稳定性便能满足要求;在填挖高大于20m区域(K65+860处挖20.554m、K65+560处填20.067)作特殊处理。
(1)路堤设计见路基标准横断面图SI-37。
(2)路堑设计见路基标准横断面图SI-37。
3.3.2 路基防护设计(1)一般路基防护①路堤边坡防护a.填土高度h≤2m时,路基坡面采用直接种草防护;b.填土高度2m<h≤12m时,路基坡面采用铺草皮防护。
②路堑边坡防护a.挖深h≤2m时,路基坡面采用直接种草防护;b.挖深2m<h<5m时, 路基坡面采用铺草皮防护;c.挖深5≤h<8m时,路基坡面采用拱形浆砌片石骨架植草防护。
(2)特殊路基防护①路堤边坡防护填土高度h≥12m时,路基坡面采用窗孔式护面墙,尺寸见设计图SI-45。