009_瓷夹或塑料夹配线工艺
- 格式:doc
- 大小:35.50 KB
- 文档页数:13
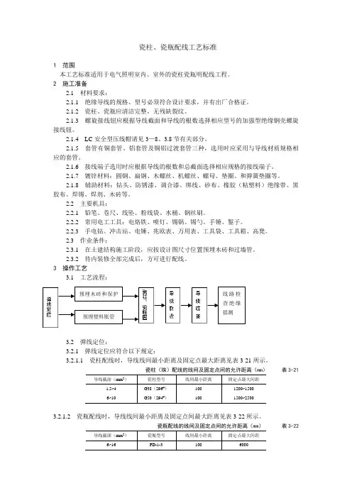
瓷柱、瓷瓶配线工艺标准1 范围本工艺标准适用于电气照明室内、室外的瓷柱瓷瓶明配线工程。
2 施工准备2.1 材料要求:2.1.1 绝缘导线的规格、型号必须符合设计要求,并有出厂合格证。
2.1.2 瓷柱、瓷瓶应清洁完整,无残缺裂纹。
2.1.3 螺旋接线钮应根据导线截面和导线的根数选择相应型号的加强型绝缘钢壳螺旋接线钮。
2.1.4 LC 安全型压线帽请见3—8、3.8节有关部分。
2.1.5 套管有铜套管、铝套管及铜铝过渡套管三种,选用时应采用与导线材质规格相应的套管。
2.1.6 接线端子选用时应根据导线的根数和总截面选择相应规格的接线端子。
2.1.7 镀锌材料:圆钢、扁钢、木螺丝、机螺丝、螺母、垫圈、和弹簧垫圈等。
2.1.8 辅助材料:钻头、防锈漆、调合漆、绑线、砂布、橡胶(粘塑料)绝缘带、黑胶布、焊锡、焊剂、木砖等。
2.2 主要机具:2.2.1 铅笔、卷尺、线坠、粉线袋、水桶、钢丝刷。
2.2.2 常用电工工具:电烙铁、喷灯、锡锅、锡勺、手锤、錾子。
2.2.3 手电钻、冲击站、电锤、兆欧表、万用表、工具袋、工具箱、高凳。
2.3 作业条件:2.3.1 在土建结构施工阶段,应按设计图尺寸位置预埋木砖和过墙管。
2.3.2 待内装修全部完成后,方可进行配线。
3 操作工艺3.1 工艺流程:3.2 弹线定位:3.2.1 弹线定位应符合以下规定:3.2.1.1 瓷柱配线时,导线线间最小距离及固定点最大距离见表3-21所示。
瓷柱(珠)配线的线间及固定点间的允许距离(mm)表3-213.2.1.2 瓷瓶配线时,导线线间最小距离及固定点间最大距离见表3-22所示。
瓷瓶配线的线间及固定点间的允许距离(mm)表3-223.2.1.3 线路与其它管道应避免相遇。
接近敷设时,其最小距离见3—1、3.5节所示。
3.2.1.4 室内沿墙壁、顶棚支持件固定点距离见表3-23所示。
室内沿墙壁、顶棚支持件固定点距离表3-233.2.1.5敷设在绝缘支持件上的绝缘导线其支持点间距表3-243.2.1.6 室内、室外敷设时,绝缘导线至地面的最小距离见3-25所示。
线夹制作工艺-概述说明以及解释1.引言1.1 概述线夹是一种常用的连接器件,用于固定或连接电线、电缆等导线。
在各种电气设备和电子产品中都有广泛的应用。
线夹的制作工艺对于产品的质量和性能起着关键作用。
本文将着重介绍线夹制作工艺的相关知识和技术要点,帮助读者了解线夹的制作过程,提高制作效率和质量。
在本文中,我们将首先介绍线夹的定义和作用,然后探讨线夹制作工艺的基本流程和步骤。
同时,我们还将重点讨论制作过程中需要注意的关键环节和技术要点,以确保线夹的质量达到标准要求。
最后,我们将总结线夹制作工艺的重要性,展望未来在该领域的发展趋势,为读者提供参考和启示。
通过本文的阐述,相信读者对线夹制作工艺会有更深入的了解,同时也能够为实际操作提供指导和帮助,希望本文能够成为线夹制作工艺领域的重要参考资料。
1.2 文章结构文章结构部分主要是关于本文的整体架构和组织形式的介绍。
本文主要分为引言、正文和结论三部分。
引言部分将对线夹制作工艺进行概述,介绍本文的目的以及文章结构,给读者一个整体的预览。
正文部分将详细介绍线夹制作工艺的概述、制作工艺步骤以及工艺中的注意事项,让读者了解该制作工艺的具体流程和关键要点。
结论部分将对整篇文章进行总结,展望线夹制作工艺的应用前景,给出结束语,为全文画上完美的句号。
通过这样清晰的文章结构,读者可以更加容易理解文章内容,吸收所传达的知识。
1.3 目的:本文旨在介绍线夹制作工艺的全过程,包括概述、制作工艺步骤以及工艺中的注意事项,帮助读者了解线夹的制作过程,掌握相关的制作技巧和注意事项。
通过本文的阐述,读者可以全面了解线夹的制作工艺流程,提高制作线夹的效率和质量。
同时,通过深入了解线夹制作工艺,读者还可以拓展对相关领域的知识认识,为未来的实践应用提供参考和指导。
希望本文能够为读者提供有益的信息和启发,激发读者对线夹制作工艺的兴趣和探索欲望,促进线夹制作工艺的进一步发展和创新。
2.正文2.1 线夹制作工艺概述线夹是一种常用的连接器件,用于固定电线或电缆等导电材料,广泛应用于电气设备、通讯设备、汽车等领域。
护套线配线操作工艺塑料护套线是一种具有塑料护层的双芯或多芯绝缘导线.广泛应用在电气照明及其他配电线路中,塑料护套线具有防潮、耐酸、耐腐蚀等性能,可以直接敷设在空心楼板、墙面或建筑物的表面,用铝线卡或塑料线卡作为导线的支持物。
但不宜直接在墙体抹灰层内暗敷和露天场所明敷,大容量电路也不宜采用。
一、护套线安装工艺1、画线定位首先按施工图确定灯具、开关、插座和配电箱等设备的安装位置.其次确定导线敷设的路径,穿越墙壁和楼板的位置,以及导线起始、转角的位仰.然后用粉线袋或木板尺画线.同时画线卡固定点位置。
直线段线卡间隔为1 5 03 0 0 mm,其余为5 01 mm,距开关、插座和灯具的木台50 mm处必须设置线卡固定点。
2、凿眼并安装木棒按画线定位用小扁凿或电钻凿打木桦孔,并安装木桦。
3、固定铝片线卡采用铝线卡固定导线时应先固定铝片线卡。
铝片线卡的规格有0、1、2、3和4号等,号码越大,长度越长,在室内外照明线路中通常用0号和1号铝片线卡。
铝片线卡的形状有用小铁钉固定和用黏结剂固定两种,在木结构上,可用铁钉固定铝片线卡;在抹灰浆的墙上,每隔4 5档,进入木台和转角处。
需用小铁钉在木桦上固定铝片线卡,其余的可用小铁钉直接将铝片线卡钉在墙壁灰浆层中;在砖墙和混凝土墙上可用木桦或环氧树脂黏结剂固定铝片线卡。
黏结剂固定铝线卡时,要先用钢丝刷将粘接面刷干净,再用湿布擦拭,待吹干后将肥好的黏结剂涂在线尹或其他支持件的底部.用手将KJK4:粘接面上.边压靛转.使粘接面有良好的接触。
粘接后,待1 2天当黏结剂充分硬化后再布线。
采用塑料线卡固定导线时.敷设导线前无须固定线长。
4、敷设导线为了使护套线敷设得平直"可在直线部分的两端临时各装一副瓷夹.敷线时,先把护套线一端固定在瓷夹内,然后在另一端勒宜收紧护套线并固定在另一端瓷夹中.最后把护套线卡收紧或直接钉塑料线卡以夹牢护套线。
铝线卡夹持护套线方法。
二、护套线配线技术要求及注意事项1、室内使用护套线时.铜芯线截面规定不得小于0. 5 mm2,铝芯不得小于1. 5 mm2;窒外使用时,铜芯不得小于1. 0 mm2,铝芯不得小于2. 5 mm2.2、护套线应通过瓷接头连接或借用其他电器的接线桩来连接线头,必要时可装设接线盒,整齐美观。
瓷柱、瓷瓶配线工艺标准1 范围本工艺标准适用于电气照明室内、室外的瓷柱瓷瓶明配线工程。
2 施工准备2.1 材料要求:2.1.1 绝缘导线的规格、型号必须符合设计要求,并有出厂合格证。
2.1.2 瓷柱、瓷瓶应清洁完整,无残缺裂纹。
2.1.3 螺旋接线钮应根据导线截面和导线的根数选择相应型号的加强型绝缘钢壳螺旋接线钮。
2.1.4 LC 安全型压线帽请见3—8、3.8节有关部分。
2.1.5 套管有铜套管、铝套管及铜铝过渡套管三种,选用时应采用与导线材质规格相应的套管。
2.1.6 接线端子选用时应根据导线的根数和总截面选择相应规格的接线端子。
2.1.7 镀锌材料:圆钢、扁钢、木螺丝、机螺丝、螺母、垫圈、和弹簧垫圈等。
2.1.8 辅助材料:钻头、防锈漆、调合漆、绑线、砂布、橡胶(粘塑料)绝缘带、黑胶布、焊锡、焊剂、木砖等。
2.2 主要机具:2.2.1 铅笔、卷尺、线坠、粉线袋、水桶、钢丝刷。
2.2.2 常用电工工具:电烙铁、喷灯、锡锅、锡勺、手锤、錾子。
2.2.3 手电钻、冲击站、电锤、兆欧表、万用表、工具袋、工具箱、高凳。
2.3 作业条件:2.3.1 在土建结构施工阶段,应按设计图尺寸位置预埋木砖和过墙管。
2.3.2 待内装修全部完成后,方可进行配线。
3 操作工艺3.1 工艺流程:3.2 弹线定位:3.2.1 弹线定位应符合以下规定:3.2.1.1 瓷柱配线时,导线线间最小距离及固定点最大距离见表3-21所示。
瓷柱(珠)配线的线间及固定点间的允许距离(mm )表3-213.2.1.2 瓷瓶配线时,导线线间最小距离及固定点间最大距离见表3-22所示。
瓷瓶配线的线间及固定点间的允许距离(mm )表3-223.2.1.3 线路与其它管道应避免相遇。
接近敷设时,其最小距离见3—1、3.5节所示。
3.2.1.4 室内沿墙壁、顶棚支持件固定点距离见表3-23所示。
室内沿墙壁、顶棚支持件固定点距离表3-233.2.1.5敷设在绝缘支持件上的绝缘导线其支持点间距表3-243.2.1.6 室内、室外敷设时,绝缘导线至地面的最小距离见3-25所示。
施工现场临时用电安全技术规范安全用电措施包括下列内容。
(一)安全用电技术措施1、本工程选择TN—S供电系统。
它是把工作零线N和专用保护线PE在供电电源处严格分开的供电系统,也称三相五线制。
它的优点是专用保护线上无电流,此线专门承接故障电流,确保其保护装置动作。
应该特别指出,PE线不许断线.在供电末端应将PE线做重复接地。
2、设置漏电保护器(1)施工现场的总配电箱和开关箱至少应设置两级漏电保护器,而且两级的漏电动作电流和额定漏电动作时间应做合理配合,使之具有分级保护的功能。
(2)开关箱中必须设置漏电保护器,施工现场所有用电设备,除做保护接零外必须在设备负荷线的首端处安装漏电保护器。
(3)漏电保护器应安装在配电箱电源隔离开关的负荷侧和开关箱电源隔离开关的负荷侧。
(4)漏电保护器的选择应符合国标GB6829—86《漏电电流动作保护器(剩余电流动作保护器)》的要求,开关箱内的漏电保护器其额定漏电动作电流应不大于30mA,额定漏电动作时间应小于0。
1s.使用潮湿和有腐蚀介质场所的漏电保护器应采用防溅型产品。
其额定漏电动作电流应不大于15mA,额定漏电动作时间应小与0。
1s。
3、电气设备的设置应符和下列要求(1) 配电系统应设置室外总配电箱和分配电箱,实行分级配电.(2)动力配电箱与照明配电箱宜分别设置,如合置在同一配电箱内,动力和照明线路应分路设置,照明线路接线宜接在动力开关的上侧.(3)开关箱应由末级分配电箱配电。
开关箱应“一机一闸一箱”,每台用电设备应有自己的开关箱,严禁用一个开关电器直接控制两台及以上的用电设备。
(4)总配电箱应设在靠近电源的地方,分配电箱应装设在用电设备或负荷相对集中的地区.分配电箱与开关箱的距离不得超过30米,开关箱与其控制的固定式用电设备的水平距离不宜超过3米。
(5)配电箱、开关箱应装设在干燥、通风及常温场所。
不得装设在有严重损伤作用的烟气、蒸汽、液体及其它有害介质中。
也不得装设在易受外来固体物撞击、强烈振动、液体侵溅及热源烘烤的场所。
塑料护套线配线质量管理工艺标准塑料护套线配线质量治理工艺标准1、范围本工艺标准适用于室内电气照明的塑料护套线明配线工程。
2、施工预备2.1材料要求:2.1.1塑料护套线:导线的规格、型号必需符合设计要求,并有出厂合格证。
2.1.2螺旋接线钮:应按照导线截面和导线的根数选择相应型号的加强型绝缘钢壳螺旋接线钮。
2.1.31C安全型压线帽有关要求见3;8、2.1.5条有关内容。
2.1.4套管:套管有铜套管、铝磁疗管及铜铝过渡套管三种,选用时应采纳与导线材质规格相应的套管。
2.1.5接线端子(俗称接线鼻子):选用时应按照导线的根数和总截面选择相应规格的接线端子。
2.1.6辅助材料:镀锌木螺丝、焊锡、焊剂、木砖、钉子、铝卡子、橡胶绝缘带、粘塑料绝缘带、黑胶布、接线盒、瓷接头等。
2.2主要机具:2.2.1铅笔、卷尺、水平尺、线坠、水桶、灰铲、粉线袋。
2.2.2常用电工工具、手锤、錾子、钢锯、锯条,手电钻、冲击钻(电锤)。
2.2.3兆欧表、万用表、工具袋、工具箱,高凳等。
2.3作业条件2.3.1配合土建结构施工阶段,按照设计图尺寸位置,预埋好木砖和过墙管。
2.3.2内装修工程全部结束。
3、操作工艺3.1工艺流程:弹线定位;;预埋木砖庇护(预埋塑料胀管);;护套线配线;;导线保持;;线路检查、绝缘摇测。
3.2弹线定位时,塑料护套配线应符合以下规定:3.2.1线卡距离木台、接线盒及转角处不得大于50mm。
线卡最大间距为300mm,间距均匀,认可偏差5mm。
3.2.2线路与其它管道相遇时,应加套庇护管助且绕行;与它管道之间的最小距离见3;1、表3-2所示。
3.3预埋木砖和庇护管。
3.4弹线定位。
3.5安装塑料胀管。
3.6护套线配线:按照原先预埋好的木砖和塑料胀管的位置,弹出粉线,确定固定档距。
将铝卡子用钉子固定在木砖上,用木螺丝将接线盒、电门盒、插销盒等固定在塑料胀管上。
按照线路的实际长度量好导线长度并剪断。
应从线路的一端开始逐段地敷设,边敷设,边固定。
瓷夹板配线有哪几种类型?瓷夹板配线应满足哪些要求?
瓷夹板配线是指将导线放入瓷夹板槽内,再用木螺钉或膨胀螺管将瓷夹板与墙体或建筑物的构架固定的方法。
瓷夹板配线具有结构简单、布线费用少、安装维修方便等特点,但导线完全暴露在空间,容易遭受损坏,且不美观。
因此在内线安装中,已逐渐被护套线所取代,但在干燥且用电量较小的场所仍在采用。
瓷夹板按槽数可分为单线式、双线式和三线式3种,常用的瓷夹板多为双线式和三线式,其外形如图所示。
瓷夹板配线应满足哪些要求?
1)瓷夹板配线时,铜导线的线芯截面积不应小于1mm2,铝导线的线芯截面积不应小于1.5mm2;导线的线芯最大截面积不得大于
6mm2。
2)在敷设线路之前,应先进行定位画线,确定照明灯具、开关、插座等的安装位置以及线路走径。
3)瓷夹板线路的各种间距应符合表中的要求。
4)导线在墙面上转弯时,应在转弯处装两副瓷夹板,如图a所示。
5)两条支路的4根导线相互交叉时,应在交叉处分装4副瓷夹板,在下面的两根导线应各套一根瓷管或硬塑料管,管的两端需靠紧瓷夹板,如图b所示。
6)导线分路时,应在连接处分装3副瓷夹板,当有一根支路导线跨过干线时,应加瓷管,瓷管的一端要紧靠瓷夹板,另一端靠住导线的连接处,如图c所示。
7)导线进入圆木前,应装一副瓷夹板,如图7-12c所示。
8)当导线与热力管道交叉时,应采用如图7-12d所示的方法施工。
9)导线在不同平面上转弯时,转角的前后也应各装一副瓷夹板,如图e所示。
10)三条导线平行时,若采用双线瓷夹板,每一支持点应装两副瓷夹板,如图f所示。
11)在瓷夹板和槽板布线的连接处,应装一副瓷夹板,如图g所示。
卓信科技创作SGBZ-0624 瓷夹或塑料夹配线技术交底依据标准:《建筑工程施工质量验收统一标准》GB50300-2001《建筑电气工程施工质量验收规范》GB50303-20021、范围本施工工艺标准适用于干燥、无机械操作的室内及室外挑檐下的电气照明明配线工程。
2、施工准备2.1材料要求:2.1.1瓷平(塑料夹):其底板应平整完好,不得有破裂、歪斜等现象。
2.1.2绝缘导线:导线的规格、型号必须符合设计要求,并有产品合格证。
2.1.3螺旋接线钮:应根据导线截面和导线的根数选择相应型号的加强型绝缘钢壳螺旋接线钮。
2.1.41C型压线帽有关材料要求请见3—8、2.1.5有关内容。
2.1.5套管:有铜套管,铝套管及铜铝过渡套管三种,选用时应采用与导线材质规格相应的套管。
2.1.6塑料胀塞:其规格与被紧固的电气器具荷重相适应,并选用相应规格的木螺丝配套使用。
2.1.7镀锌材料:机螺丝、螺栓、木螺丝、螺母、垫圈、弹簧垫圈等。
2.1.8辅助材料:钻头、黑胶布、,橡胶绝缘带,粘塑料绝缘带、砂布鞋、焊锡、焊剂、木砖等。
2.2主要机具:2.2.1铅笔、卷尺、线坠、粉线袋、水桶、钢丝刷。
2.2.2手锤、錾子、手电钻、电锤、电炉、锡锅、锡勺。
2.2.3工具袋、工具箱、万用表、兆欧表、高凳等。
2.3作业条件:2.3.1配合土建结构施工,根据设计图位置尺寸要求,将木砖,过墙管预埋正确。
2.3.2装修作业全部完成。
3、操作工艺3.1工艺流程:弹线定位——预埋木砖和保护(预埋塑料胀管)——夹板固定——导线敷设——导线连结——线路检查、绝缘摇测3.2弹线定位:3.2.1弹线定位应符合以下规定:3.2.1.1线路与其它管路应避免相遇,接近敷设时,其最小距离应符合3-1、表3-2规定。
3.2.1.2导线在转弯、分支和进入电气器具处,均应装设支持件固定。
采用瓷夹板或塑料夹板配线时,支持点与转弯中点、分支点和电气器具边缘的距离为40~60mm。
施工现场电线安全知识一、施工现场的配电线路1.现场中所有架空线路的导线必须采用绝缘铜线或绝缘铝线。
导线架设在专用电线杆上。
2.架空线的导线截面最低不得小于下列截面:当架空线用铜芯绝缘线时,其导线截面不小于10mm2;当用铝芯绝缘线时,其截面不小于16mm2跨越铁路、公路、河流、电力线路档距内的架空绝缘铝线最小截面不小于35mm2,绝缘铜线截面不小于16mm2。
3.架空线路的导线接头:在一个档距内每一层架空线的接头数不得超过该层导线条数的50%,且一根导线只允许有一个接头;线路在跨越铁路、公路、河流、电力线路档距内不得有接头。
4.架空线路相序的排列:(1)TT系统供电时,其相序排列:面向负荷从左向右为L1、N、L2、L3。
(2)TN-S系统或TN-C-S系统供电时,-和保护零线在同一横担架设时的相序排列:面向负荷从左至右为L1、N、L2、L3、PE。
(3)TN-S系统或TN-C-S系统供电时,动力线、照明线同杆架设上、下两层横担,相序排列方法:上层横担,面向负荷从左至右为L1、L2、13;下层横担,面向负荷从左至右为L1、(12、L3)、N、PE。
,当照明线在两个横担上架设时,最下层横担面向负荷,最右边的导线为保护零线PE。
(4)架空线路的档距一般为30m,最大不得大于35m;线间距离应大于0.3m。
(5)施工现场内导线最大弧垂与地面距离不小于4m,跨越机动车道时为6m。
(6)架空线路所使用的电杆应为专用混凝土杆或木杆。
当使用木杆时,木杆不得腐朽,其梢径应不小于130mm。
(7)架空线路所使用的横担、角钢及杆上的其他配件应视导线截面、杆的类型具体选用杆的埋设、拉线的设置均应符合有关施工规范。
二、施工现场的电缆线路1.电缆线路应采用穿管埋地或沿墙、电杆架空敷设,严禁沿地面明设。
2.电缆在室外直接埋地敷设的深度应不小于0.6m,并应在电缆上下各均匀铺设不小于50mm厚的细砂,然后覆盖砖等硬质保护层。
3.橡皮电缆沿墙或电杆敷设时应用绝缘子固定,严禁使用金属裸线作绑扎。
塑料线槽配线工艺标准塑料线槽是一种被广泛应用的电气装置,它能够起到保护电缆和线路的作用,使得线路更加稳定且美观。
为了保证塑料线槽的应用效果以及配线的安全性,我们需要按照相应的工艺标准进行安装和维护。
一、前置准备1. 绘制布线图:在确定布线方式和路径之前进行绘制,以确保配线计划准确可行。
2. 确定线槽布线方式:采用单线槽或双线槽以及配线盒是否需要。
3. 确定线槽路径:安装线槽的位置和方向,避免出现线槽交叉或弯曲过度的情况。
4. 预先准备工具:包括电钻、冲击钻、扳手、螺丝刀、钳子、电线剪切器等。
二、安装线槽1. 确定安装位置:根据布线设计图,确定线槽的安装位置,要保证线槽悬在地面上方约10~15mm、沿着墙面平行安装。
2. 标记固定位置:使用水平仪和量角器标记固定位置,将标志点转移至安装位置上。
3. 安装支架:先在墙面上用电钻钻洞,然后安装支架。
4. 切割线槽:按照实际测量结果和标记点进行线槽的切割。
5. 安装线槽:将线槽放置在支架上,然后将固定螺丝钉紧。
三、穿线1. 确定线路方向:按照布线图确定线路方向以及电器布置。
2. 选用钢丝穿线器:在管道较长或弯头多的情况下,使用钢丝穿线器可以在管道中推拉电线,减少不必要的损伤。
3. 开挖穿线槽:将线槽内部凹槽盖打开,开挖穿线槽。
4. 穿线:按照线路布置,依次将电缆或电线穿过线槽。
5. 固定线路:将线路固定在线槽内,确保不松动,防止短路或者断路。
四、接线1. 确定接线点:根据电路需求和接口设计,确定需要接线的位置。
2.接线:剥去电线绝缘层,钉连接头、压线端子等,然后连接电线。
3. 仔细检查:完成接线后,通过仔细检查,确保一切都正确无误。
五、验收1. 仔细检查:检查线路连接是否牢固,电器是否工作正常,线槽上下是否对齐、位置是否正确等等。
2. 整理线路:将线路整理整齐,不留杂乱线缆,使线路内部清晰明了。
3. 安装配电箱:安装配电箱,将接线好的电缆和电线连接在一起,观察运转情况。
瓷夹或塑料夹配线施工作业指导书1.依据标准及范围《建筑工程施工质量验收统一标准》GB50300-2001《建筑电气工程施工质量验收规范》GB50303-2002本作业指导书适用于干燥、无机械操作的室内及室外挑檐下的电气照明明配线工程。
2.施工准备2.1材料要求:2.1.1瓷平(塑料夹):其底板应平整完好,不得有破裂、歪斜等现象。
2.1.2绝缘导线:导线的规格、型号必须符合设计要求,并有产品合格证。
2.1.3螺旋接线钮:应根据导线截面和导线的根数选择相应型号的加强型绝缘钢壳螺旋接线钮。
2.1.41C型压线帽有关材料要求请见3—8、2.1.5有关内容。
2.1.5套管:有铜套管,铝套管及铜铝过渡套管三种,选用时应采用与导线材质规格相应的套管。
2.1.6塑料胀塞:其规格与被紧固的电气器具荷重相适应,并选用相应规格的木螺丝配套使用。
2.1.7镀锌材料:机螺丝、螺栓、木螺丝、螺母、垫圈、弹簧垫圈等。
2.1.8辅助材料:钻头、黑胶布、,橡胶绝缘带,粘塑料绝缘带、砂布鞋、焊锡、焊剂、木砖等。
2.2主要机具:2.2.1铅笔、卷尺、线坠、粉线袋、水桶、钢丝刷。
2.2.2手锤、錾子、手电钻、电锤、电炉、锡锅、锡勺。
2.2.3工具袋、工具箱、万用表、兆欧表、高凳等。
2.3作业条件:2.3.1配合土建结构施工,根据设计图位置尺寸要求,将木砖,过墙管预埋正确。
2.3.2装修作业全部完成。
3.操作工艺3.1工艺流程:弹线定位——预埋木砖和保护(预埋塑料胀管)——夹板固定——导线敷设——导线连结——线路检查、绝缘摇测3.2弹线定位:3.2.1弹线定位应符合以下规定:3.2.1.1线路与其它管路应避免相遇,接近敷设时,其最小距离应符合3-1、表3-2规定。
3.2.1.2导线在转弯、分支和进入电气器具处,均应装设支持件固定。
采用瓷夹板或塑料夹板配线时,支持点与转弯中点、分支点和电气器具边缘的距离为40~60mm。
3.2.1.3导线沿室内墙壁、顶棚敷设时,其支持件固定点间的距离应符合表3.2.1.3规定。
施工现场临时用电平安技术标准平安用电措施包括以下内容。
(一〕平安用电技术措施1、本工程选择TN-S供电系统。
它是把工作零线N和专用保护线PE在供电电源处严格分开的供电系统,也称三相五线制。
它的优点是专用保护线上无电流,此线专门承接故障电流,确保其保护装置动作。
应该特别指出,PE线不许断线。
在供电末端应将PE线做重复接地。
2、设置漏电保护器〔1〕施工现场的总配电箱和开关箱至少应设置两级漏电保护器,而且两级的漏电动作电流和额定漏电动作时间应做合理配合,使之具有分级保护的功能。
〔2〕开关箱中必须设置漏电保护器,施工现场所有用电设备,除做保护接零外必须在设备负荷线的首端处安装漏电保护器。
〔3〕漏电保护器应安装在配电箱电源隔离开关的负荷侧和开关箱电源隔离开关的负荷侧。
〔4〕漏电保护器的选择应符合国标GB6829-86?漏电电流动作保护器〔剩余电流动作保护器〕?的要求,开关箱内的漏电保护器其额定漏电动作电流应不大于30mA,额定漏电动作时间应小于0.1s.使用潮湿和有腐蚀介质场所的漏电保护器应采用防溅型产品。
其额定漏电动作电流应不大于15mA,额定漏电动作时间应小与0.1s.3、电气设备的设置应符和以下要求〔1〕配电系统应设置室外总配电箱和分配电箱,实行分级配电。
〔2〕动力配电箱与照明配电箱宜分别设置,如合置在同一配电箱内,动力和照明线路应分路设置,照明线路接线宜接在动力开关的上侧。
〔3〕开关箱应由末级分配电箱配电。
开关箱应“一机一闸一箱〞,每台用电设备应有自己的开关箱,严禁用一个开关电器直接控制两台及以上的用电设备。
〔4〕总配电箱应设在靠近电源的地方,分配电箱应装设在用电设备或负荷相对集中的地区。
分配电箱与开关箱的距离不得超过30米,开关箱与其控制的固定式用电设备的水平距离不宜超过3米。
〔5〕配电箱、开关箱应装设在枯燥、通风及常温场所。
不得装设在有严重损伤作用的烟气、蒸汽、液体及其它有害介质中。
也不得装设在易受外来固体物撞击、强烈振动、液体侵溅及热源烘烤的场所。
瓷夹或塑料夹配线工艺在电缆配线过程中,瓷夹和塑料夹是两种常见的配线工艺。
瓷夹使用瓷质材料制成,而塑料夹则使用塑料材料制成。
它们都有各自的优缺点,在选择时需要根据具体情况进行判断。
本文将分别介绍瓷夹和塑料夹的特点和使用方法。
瓷夹配线工艺瓷夹的特点瓷夹是使用瓷质材料制成的电缆配线夹具,它具有以下特点:•耐高温:瓷夹能承受高温环境,不会因高温而损坏;•耐腐蚀:瓷质材料具有较强的耐腐蚀性,能在较恶劣的环境中使用;•寿命长:瓷夹的材质非常坚固,使用寿命长,不容易损坏;•安全可靠:瓷夹具有良好的绝缘性能,可以有效地避免电气事故发生。
瓷夹通常用于电力工业、石油工业等高强度条件下的电缆配线过程。
瓷夹的使用方法配线使用瓷夹时需要注意以下几点:1.确定电缆尺寸和型号,选择相应的瓷夹;2.在瓷夹口径位置塞入电缆,并用扳手将瓷夹拧紧,使其紧密地固定电缆;3.拉紧钢丝绳,以确保电缆处于正确的位置;4.检查瓷夹是否有松动或缺陷。
塑料夹配线工艺塑料夹的特点塑料夹是使用塑料材料制成的电缆配线夹具,它具有以下特点:•耐用:塑料材料具有良好的耐用性,使用寿命长;•不易导电:相对于金属夹,塑料夹不会导电,不易发生电气事故;•简单易用:塑料夹使用起来较为简单,不需要过多的工具和专业技能;•清洁卫生:相对于金属夹,塑料夹更容易清洁卫生,不会存留细菌。
塑料夹通常用于低压环境下的电缆配线,如家庭电路、建筑配电等。
塑料夹的使用方法配线时使用塑料夹,需要注意以下几点:1.确定电缆尺寸和型号,选择相应的塑料夹;2.将电缆插入塑料夹内,并保持电缆处于正确的位置;3.使用钳子将塑料夹扣在导线上,确保其牢固;4.检查塑料夹是否有松动或缺陷。
总结总体来说,瓷夹和塑料夹各具有自己的优势和适用范围,在配线过程中需要根据实际情况进行选择。
对于高强度条件下的电缆配线,瓷夹是更加安全、可靠的选择;而对于低压环境下的电缆配线,塑料夹则更为简单、易用。
希望本文对您的电缆配线工作有所帮助。